Fórum témák
» Több friss téma |
Valamelyik csatoló, hidegítő kondi kapacitásvesztesége is okozhatja az erősítés csökkenését.
Akkor a végfok rendben van, csak a tranzisztorok cseréje után nem lett beállítva.
A kék nyíl a végfok bemeneti pontjára mutat. Egy darab vezetékkel kösd át a másik csatorna azonos pontjára. Így a két végfoknak kb egyformán kell szólnia, A hozzászólás módosítva: Dec 5, 2020
Sziasztok!
Csöves rádió 5 pólusú DIN bemenetére szeretnék kapcsolni Buetooth vevő 3.5 Jack (fejhallgató) kimenetét. Kell ide valami illesztés még? Köszönöm. A hozzászólás módosítva: Dec 11, 2020
Nem feltétlenül. Minimum közelébe állítsd a BT hangerejét, csatlakoztasd, majd - a rádió hangerő középállásában - állítsd be a BT-n azt a hangerőt, amit a rádió is ad ilyenkor.
Sziasztok azt szeretném megkérdezni hogyha át akarom alakítani a nem rég szerzett néprádiómat hogy hangolható legyen milyen átepítést kell véghez vinnem hogy ez sikerülhessen??
Mire, mihez szeretnéd áthangolni? URH-ra? A témájában minden tudományt megtalálsz.
A bemenetre kell a megfelelő eszközt beiktatni, a többi része ugyanúgy működik.
Lehet hogy nem URH-ra szeretné áthangolni.
Idézet: „Ahogy a „Rákosi Néprádiók” megjelentek, az amatőr rádiósok és a rádiójavító kisiparosok körében azonnal megindult azok átalakítása hangolható, illetve kétsávos vevővé. Erre az adott lehetőséget, hogy a készülék érzékenysége és szelektivitása sokkal jobb volt annál, hogy az csak a helyi adók vételére korlátozódjék. Megszámlálhatatlan típusú és műszaki megoldású átalakítás történt, többnyire a modulátortekercsek helyére szereltek forgókondenzátort, erre építettek skálát, vagy egyszerűbb hangolásjelző mechanizmust.” Bővebben: Link Én a kérdező helyében lehet hogy meghagynám eredeti állapotában, Kossuth-on kivül mostanság már nem sok mindent lehet fogni középhullámon. Mondkuk egy fénykép jó lenne róla. Valamit hogy működik-e egyáltalán? Idézet: „a modulátortekercsek helyére szereltek forgókondenzátort” Tipikus laikus újságírói mondat. Nem a modulátor tekercsek helyére, hanem a modulátor (és oszcillátor) köri rezgőkörök állandó értékű (átkapcsolható) kondenzátorai helyére szereltek kettős forgókondit, behangolták, és kész. Az ügyesebbek készítettek skálát is hozzá.
Szia!
Meg lett a hiba. A hangerő potinál van két darab 1 nF-os kondi, amik megadták magukat. Pontosabban a jobb csatornáé teljesen, a bal csatornáé pedig részlegesen. Ki lettek cserélve, így újra gyönyörűen szól! Köszi mindenkinek a segítséget.
Nem 1u a kondi, csak 1n?
Még hiányzik az egyenírányító cső de már az is úton lesz a héten. A működéséről azt mondták mikor elrakták mert akié volt elment az élők közül így nem kellett nekik az egy 5 eve volt addig ment felkerült a padlásra és onnan került hozzám egy fél hete azóta kiszedtem a sasszét át takarítottam nem találtam semmi hibára adó okot de majd kiderül hogy működni fog-e?
Azért szeretném átalakítani mert egy detektorossal hallottam egy orosz adót, majdnem minden tiszta napom a radio romaniat hallom és ritkán a temesvári rádiót, meg a két magyart a kossuthot meg a nemzetiségit mert Szentes nagyon közel van hozzánk. Antenna gyanánt 6méter magasan egy módosított dipól tv antenna van felszerelve. A hozzászólás módosítva: Jan 5, 2021
Szentes szerintem nem sugároz középhullámon.
Én úgy tudom hogy a nemzetiségi adásokat ók adják.
En ezt találtam bartók helyett nemzetiségi van.
Szentes nem sugároz középhullámon, soha nem is sugárzott.
1 Győr 1350 V Nemzetiségi Rádió 2 Lakihegy 873 V Nemzetiségi Rádió 3 Marcali 1188 V Nemzetiségi Rádió 4 Miskolc 1116 V Dankó Rádió 5 Mosonmagyaróvár 1116 V Dankó Rádió 6 Nyíregyháza 1251 V Dankó Rádió 7 Pécs 873 V Nemzetiségi Rádió 8 Solt 540 V Kossuth Rádió 9 Szolnok 1188 V Nemzetiségi Rádió 10 Szombathely 1251 V Dankó Rádió
A számok (frekvencia) után igazán odaírhattad volna, ha valakinek nem lenne világos, hogy kHz. Mert a felsorolt műsorok többségét sugározzák a 100 MHz sávban is, ezek közül néhányat Szentesen is.
Az NMHH sem írta oda, sőt ott Mhz szerepel, onnan vannak az adatok.
Bővebben: Link A hozzászólás módosítva: Jan 5, 2021
Valóban nem írta ki, de a táblázat fejlécében ott van, ugyan sajnálatos módon MHz, viszont ha így, akkor illő lett volna tizedespontokat is kitenni. Ettől még lehetne helyesen is írni.
A frekvenciákat a nemzetközi rádiószabályzat (RR), de a hazai szabályozás szerint is 27 MHz -ig kHz - ben, felette 10 GHz -ig MHz -ben, felette GHz-ben szokás megadni.
Rendben köszönöm eddig ezeket nem tudtam
!
Elnéztem. 1,5u-os, ami a képen jelölve van...
Sejtettem, 1n nem okozhatta volna.
Adott egy régi "viharlámpából" bontott AM-FM rádió modul. 2×AA ceruzaelemről próbálom üzemeltetni (elemek feltöltve). Egy tipikus kínai stílusú rádió-panel alkotja, melynek hátoldalán egy lapos IC is található. (Tudok fotót csatolni, ha szükséges.)
Működik, de ha szobahangerőre tekerem fel, akkor igen csak "nyekereg", mintha nem bírná kihajtani a normál hangerőt, ugyanis halkan még egészen normális, viszont feljebb hangosítva kezd romlani. Vajon a két ceruzaelem 3V feszültsége kevés a rádiónak és emiatt "torzít" be a hang, vagy valami alkatrész meghibásodhatott a panelen?
Tehát nem tudni, mekkora volt az eredeti helyén a tápfeszültség?
A "lapos" IC típusa alapján keress adatlapot, abból megtudod mekkora az üzemi tápfeszültség. A "nyekergés" - purcogás - arra utalhat, hogy kevés a 3V neki, de lehet egy belső csatolásmentesítő elkó hibája is.
Helló!
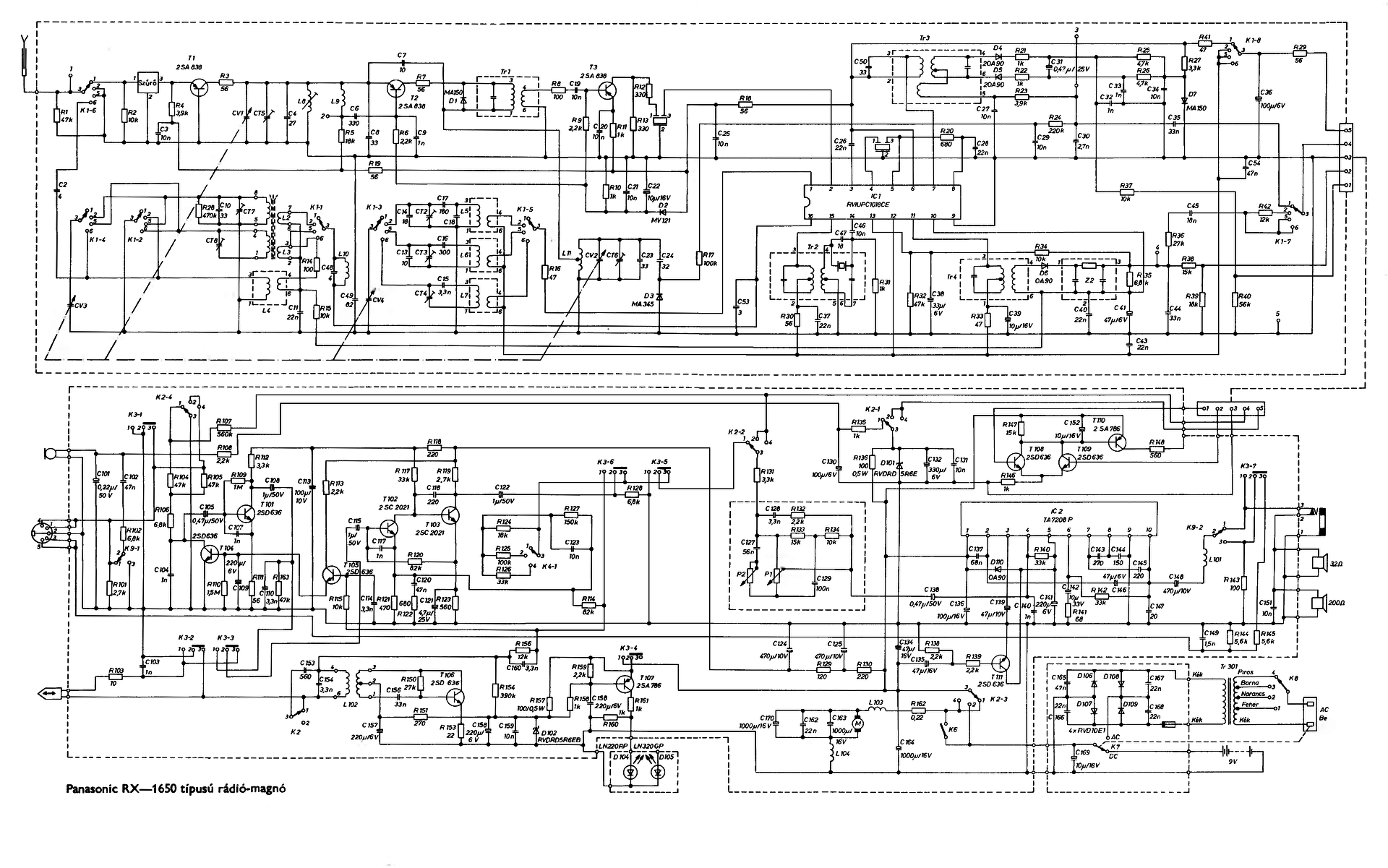
Van egy régi napi használatú "rádiónk" a konyhában. Tip: Panasonic RX-1650LS Át lett hangoltatva jópár éve az FM sáv kiszélesítéséhez. Szépen szól azóta is, de sajnos a hangolója rettenetesen recseg már, alig lehet befogni főként a Kossuth adót rajta. Állítólag a forgókondenzátor nagyon ki lehet kopva benne. Én nem értek ehhez. 2 dolog merült fel bennem: - érdemes e ilyen alkatrészt valahol keresni bele és vajon hol? - értelmes dolog lehetne-e egy digitális tuner áramkört beépíteni, felhasználva a szép hangképű erősítő+ hangszóró részét még? Eléggé hozzánk kopott ugyanis a cucc évtizedek alatt.
Kossuth adót középhullámon hallgatjátok?
Vagy ha nem, akkor napi rendszerességgel tekergetitek/keresitek az állomásokat URH-n? Mindenképpen javitható...
FM-en. Ritkán eltekerik itthon más adókra is amit sokkal könnyebben fog be a készülék pl. Dankó stb. Utána visszahozni tisztán a Kossuthot marha nehéz, sőt felhős időben vagy néha ha eléáll vki, akkor elmegy de csak a Kossuth állomása! Ilyenkor ha tekergetem van hogy az egész skálán 1 adó jön be vagy csak zaj. Nem is értem!
Idézet: „felhős időben vagy néha ha eléáll vki, akkor elmegy de csak a Kossuth állomása! Ilyenkor ha tekergetem van hogy az egész skálán 1 adó jön be vagy csak zaj.” Úgy tűnik, elég gyenge a vétel a lakhelyeden, és ráadásul reflexiós is. Többet tudnánk segíteni, ha elárulnád, hogy Magyarország melyik részén laksz, esetleg a földrajzi, és a rádió (antenna) elhelyezési környezetről sem ártana tudni valamicskét.
Miskolc mellett, Kistokaj, fő utca...
Tokajra majdnem rá is látni! (40km légv.) Sík terep gyakorlatilag. A hozzászólás módosítva: Jan 20, 2021
Akkor ez talán segit.
Ámbár lehet probléma magával a készülékkel is, mondjuk eltört a botantenna vezetéke. De ez sem jó jel: Idézet: „de sajnos a hangolója rettenetesen recseg már” Rajzot sajnos viszonylag kevés ráforditással nem sikerült találnom, több időm meg nem volt rá. De mindenképpen javitható a helyzet is, és a készülék is. |
Bejelentkezés
Hirdetés |







! 

