Fórum témák

» Több friss téma
Fórum » Motorgyújtás
 
Témaindító: Peti.Janka, idő: Nov 2, 2006
Lapozás: OK   200 / 206
(#) bartal96 válasza Gafly hozzászólására (») Márc 9, 2021 /
 
Köszönöm a válaszod!

Igen, már a létező összes variációban kipróbáltam, visszafelé is. sajnos akkor ezt elkönyvelhetem annak, hogy rossz, ha jól gondolom. Csak azért tettem fel a kérdést, mert hátha ezzel a multiméterrel valamiért nem lehet, vagy hasonló, de akkor sajnos mindent jól csináltam.
Köszönöm szépen a segítséget!
(#) mex válasza bartal96 hozzászólására (») Márc 9, 2021 /
 
Ha a multiméter vezetékeit dióda állásba összeérinted milyen értéket mutat a kijelző?
A hozzászólás módosítva: Márc 9, 2021
(#) bartal96 válasza mex hozzászólására (») Márc 10, 2021 /
 
000.3 oHm
(#) proli007 válasza bartal96 hozzászólására (») Márc 10, 2021 /
 
Hello! Csak azért kérdezte, hogy működik-e egyáltalán a műszer. De ezek szerint igen. Mert az, hogy egy dióda (pláne több) szakadt legyen, az elég ritka jelenség. Maximum, ha az aksira fordítva tették rá. De akkor a vezetéken is látszani kellene az égés nyomnak. De itt csak a barbárkodás nyoma látszik.
(#) Gafly válasza proli007 hozzászólására (») Márc 10, 2021 /
 
Azt hittem, arra akarsz utalni, mert a dióda vizsgáló állásban nyitófeszültséget szokott mutatni...
A "mind a hat dióda szakadt", nekem is gyanús kicsit, de nem az én kezemben van a cucc.
Kicsit én már ott is el vagyok akadva "milyen motor", mert az 1994-es, nem biztos, hogy teljesen jó válasz, és ugye a "rectifier" és a "regulátor" között is jelentős különbségek lehetnek kapcsolástechnikailag.
A hozzászólás módosítva: Márc 10, 2021
(#) proli007 válasza Gafly hozzászólására (») Márc 10, 2021 /
 
Ez így van! Gyanítható, hogy a diódák, csak szimbolikus jelölések, és a teljes szabályzó a bodegában van, nem csak az egyeniránytó híd. Így pedig esetleg elég értelmetlen a műszeres "dióda" vizsgálat.
(#) mex válasza proli007 hozzászólására (») Márc 10, 2021 /
 
Ez egy közönséges háromfázisú söntszabályzású egység, a diódákat elvileg ki kell, hogy tudja mérni...
Zárlatos szabályzót rengeteget láttam már, mindhárom fázis szakadtat még nem. Fordított rákötésnél valóban jelentkezni kellene a zárlati áram nyomának, talán belül a közös sín csatlakozásánál égett el. Szét lehet farigcsálni, de macerás..
(#) Gafly válasza proli007 hozzászólására (») Márc 10, 2021 /
 
Abból a "bodegából" is van Suzuki RMX keresésekből ránézésre is legalább kétféle kinézetű fekete bordás alu izé, kilógó drótokkal. Meg 50 ccm és 400 ccm között is szórnak a kétkerekűek ebben a kategóriában...
(#) moltam hozzászólása Ápr 15, 2021 /
 
Helo.
Szórakoztam kicsit a méltatlanul hanyagolt pic16f1615 kontrollerrel, a cél egy egyszerű változó előgyújtású és túlpörgés elleni védelemmel rendelkező gyújtásvezérlő készítése. A beépített angular timer periféria cpu idő nélkül követi a motor forgását, két jel közt eltelt időt hardveresen 180 egyenlő részre osztja, és minden fok szögelfordulásnál számlálót léptet. Van compare funkciója is, amihez megszakítást lehet rendelni. De még ez sem szükséges a működéshez, az egyik beépített konfigurálható logikát sr flipflopként beállítva az egyik compare be, a másik compare kikapcsolja a kimenetet, a cpu pedig eközben bármit csinálhat. A részben összeollózott részben saját borzalom kódért elnézést, ez az első assemblyben, és nem is végleges, csupán ötletadó ha valakit érdekel az ilyesmi. A változó előgyújtást a két compare regiszter eltolásával lehet megoldani, egyelőre ez nincs benne. A zárásszög vezérlése is megoldható, de ezt egy bosch hallos gyújtómodul és a hall szenzor közé akarom tenni, így fix 30-70% kitöltésű a kimeneti jel.

proba.S
    
(#) szikorapéter hozzászólása Ápr 18, 2021 /
 
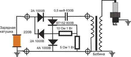
Sziasztok. Ebbe a gyújtásba a BT helyett TIC106M-et tettem. Mennyi ideig fogja bírni?
Érdemes inkább venni BT-t bele? Láttam mások kicsit a paraméterek de nem veszélyesen eltérőek.

i-311.jpg
    
(#) mex válasza szikorapéter hozzászólására (») Ápr 18, 2021 /
 
Érdemes a BT152 beletenni, mert a gate áram, és tejesítménytűrése sokkal nagyobb mint a TIC106-nak.
(#) szikorapéter válasza mex hozzászólására (») Ápr 18, 2021 /
 
Igen én is azt néztem. A trafó primer ellenállása 12ohm, a kondenzátor ugyanúgy 0,5µF 450V , így a max fellépő áram meghaladhatja a TIC tudását, így akkor elszaladok majd boltba másik tirisztorért.
(#) szikorapéter válasza mex hozzászólására (») Ápr 20, 2021 /
 
Szia, beletettem a BT-t de érdekes dolog történik, a kondi feltölt elég szépen (210-290V közt egyenfesz) , viszont a BT nem süti ki a fordított jel ellenére sem. Minden úgy van kötve ahogy a rajzon.....
(#) szikorapéter válasza mex hozzászólására (») Ápr 20, 2021 /
 
Szerintem meg is leltem a hibát:
itt amit a körben bejelöltem ez nekem nincs összeforrasztva , azt hittem egymás mellett mennek a huzalok, de most jobban átnézve mintha annak össze kéne lenni kötve nem?

i-311.jpg
    
(#) mex válasza szikorapéter hozzászólására (») Ápr 20, 2021 /
 
Növeld meg a 10 ohm ellenállást fokozatosan.

Most látom, igen a körön belül is össze kell kötni a kereszteződést...
A hozzászólás módosítva: Ápr 20, 2021
(#) szikorapéter válasza mex hozzászólására (») Ápr 20, 2021 /
 
Itt az oldalon a gyújtás leírása, annyi különbséggel hogy én BY299-et használtam mindenhova.
(#) szikorapéter válasza mex hozzászólására (») Ápr 20, 2021 /
 
Pontosítanék: hajnal 2-re készültem el vele, ott a fáradság ami hibát okozott, jobban megnézve a panelt ott is be van kötve az a pont amit berajzoltam. Egy rendes kapcsoláson ott lenne egy kis pötty ugyebár ami jelzi hogy az ott össze van kötve...
(#) proli007 válasza szikorapéter hozzászólására (») Ápr 20, 2021 /
 
Hello! Én ugyan nem foglalkozom gyújtásokkal, de nem látom mitől működne a kapcsolásod. A Tirisztor nem fog begyújtani a negatív jeltől..
De pld. ezt a kapcsolást el tudom képzelni, hogy működik.. A pozitív félperiódusban a D3 feltölti a C1 kondit, a negatívban pedig a D2-R1-C2-D1 útvonalon feltöltődik a C2, és amikor a C2 eléri a Diac 30..32V gyújtófeszültségét, az a C2-ben tárolt energiát a Gate-re süti. Így a C1 töltését a Tirisztor a trafóra süti.
(#) szikorapéter válasza proli007 hozzászólására (») Ápr 20, 2021 /
 
Korábban, vagy 4 éve megépítettem, működik a kapcsolás, csak most elbaltáztam, de rájöttem hogy elkötési hibát vétettem ezért nem működik. Mivel most a blokkon kívülre tettem magát az elektronikát így ha elindítom vele a motort, lemérem a pontos működési metódust, de az oldalon le van írva amit linkeltem.
(#) szikorapéter válasza proli007 hozzászólására (») Ápr 20, 2021 /
 
Tény megépítettem már, működött is de most hogy mondod tényleg fura hogy nem látok sehol olyan megoldást amin keresztül a tirisztor pozitív jelhez jutna, így tudna kapcsolni. Na mostmár tényleg nem olyan tiszta. Több gyújtást is építettem már, ez egy elég régen készített akkor még értettem, de most nem jön át a rajzról...
(#) mex válasza szikorapéter hozzászólására (») Ápr 20, 2021 /
 
Pedig kap indítójelet a tirisztor, nem is kicsit. A tekercs az egyik félpriódusba tölti a 0.µF kondenzátort, a másik félperiódusban mivel az áramirány megfordul a tekercs testelt kivezetése lesz pozitív, ez a feszültség a kettő ellenálláson és a diódán keresztül záródik a másik tekercskivezetésre. A kettő ellenálláson + a diódán átfolyik a tekercsáram, feszültségesés keletkezik a tirisztor gate és katód közt, és mihelyts ennek az értéke megfelelő nagyságú lesz, begyújtja a tirisztort.
(#) szikorapéter válasza mex hozzászólására (») Ápr 20, 2021 /
 
Köszönöm, így érthető hogy akkor miért nem gyújtott be nekem a szükséges helyzetben.
(#) proli007 válasza szikorapéter hozzászólására (») Ápr 20, 2021 /
 
Valóban! Ha ott a pötty, akkor működhet a kapcsolás. Mert itt a negatív jel, a tirisztor katódot húzza negatívba és nem a Gate-et pozitívba. De az a tirisztor szempontjából ugyan azt jelenti, a Gate pozitívabb mint a katód. Amikor pedig begyújtott a nagyfesz kondi árama már záródhat a tirisztor alatti diódán keresztül.
(#) szikorapéter válasza proli007 hozzászólására (») Ápr 20, 2021 /
 
Holnap újabb próba aztán kiderül., de már amikor jobban ránéztem nekem is bejött hogy ott lehet kötési pont van csak hát az oroszok és mindenki más...
(#) gyulank hozzászólása Ápr 24, 2021 /
 
Hogyan tudhatom meg, hogy miért nem indul a robi155 kapagép? Kicseréltem a tirisztort, de úgy van, hogy egy fémlemezen volt, ami be volt forrasztva, és nyomokban szigetelőt is tartalmazott. Mivel az nem volt nálam, bekentem hűtőpasztával, hátha szigeteli. De nem indul most sem. Az eredetinek az első 2 lába közt zárlat volt.. Rajz alapján KT-201/600 volt, nem látni rajta, de BT152-600R lett helyette.
(#) gyulank hozzászólása Ápr 24, 2021 /
 
Ilyen.
(#) szikorapéter válasza proli007 hozzászólására (») Ápr 24, 2021 /
 
Szia, lehet kicsi segítséged kérném mert valami nem kerek. Beszereltem a gyújtást, szépen ad szikrát is, ellenben olyan gondom van hogy irtó nehezen pörög fel vele a masina (többször is próbáltam beállítani, volt hogy nem is indult, volt hogy elindult, de leállt), motorikus rész tuti jó másik (kalapácsos) alaplemezzel kiválóan megy.
(#) proli007 válasza szikorapéter hozzászólására (») Ápr 24, 2021 /
 
Hello! Írtam, hogy én nem foglalkozom gyújtásokkal. De elvileg az is lehet baj, ha a gyújtás időpontja nem egyezik meg a kalapácsossal. Lehet ad szikrát, csak nem jókor. Vagy esetleg a feszültség kicsi, mert az hogy van szikra megnézve a gyertyát, még nem jelenti azt, hogy ezt nyomás alatt is tudja. De aki motorszakértő, szerintem meg tudja mondani a gyertya külleméből. A henger kopogásából/utóégésből a gyújtás időpontját. Persze egy stroboszkóp/gyújtásoszcilloszkóp hozzá értő kezekben beszédesebb..
(#) szikorapéter válasza proli007 hozzászólására (») Ápr 24, 2021 /
 
Elnézést, igaz írtad is hogy te nem foglalkozol vele különösebben.
Stroboszkópot holnap teszek rá, tényleg aggódom hogy rossz helyen gyújt, a motorikus rész felújított új gyűrűkkel, a kalapácsossal szépen is megy, de azzal nem akarom mert korábban rengeteg gond volt vele (a gyújtóelemek egyes minőségi hibái...) így váltottam a tirisztorosra.
(#) nenono hozzászólása Máj 5, 2021 /
 
Szevasztok!

A problémám a következő, aminek elhárításához ötleteteket várom.

Van egy CPI Aragon 50cm3 Sline-om. Most cseréltem henger+ dugattyút, (előzőben 6atm volt a nyomás, a tünet akkor is az volt amit később leírok) szimeringeket, szívómembránt, gyújtástrafót, gyújtókábelt, gyertyát, szűrőházat. A motor szépen indul, alapjárat tökéletes, gázadásra harap. Viszont úgy 25-30km sebeség után gázadásra betorpan, kapkod, lehörög, gázelvételre alapjáratra áll, innen ismét simán gyorsul a bizonyos fordulatig, majd ott újra lehörög.. Ezt produkálja sztenderen gyorsítva is. Karburátort tisztítottam, állítgattam (súbertűt le fel, fő fúvókát cseréltem, benzinszintet beállítottam gyári értékre CDI-t cseréltem másikra. Egy érdekesség. Van egy új Naraku korlátozás nélkülim is , azzal csak alapjáraton hajlandó menni. Tettem rá csere karbit is, ugyanaz a probléma. Kipufogó tiszta, simán áramlik a kipufogógáz. Kínomban még ejtőtartályosan is kipróbáltam, semmi változás, tehát csapot, szűrőt is kizártam. Szerintetek okozhatja ezt gyújtásalaplapi probléma? Vagy esetleg más ötlet?

Megköszönném ha valaki tudna tanácsot adni.

Üdv. mindenkinek!

Egy kérdést csak egy helyen teszünk fel!
A hozzászólás módosítva: Máj 5, 2021
Moderátor által szerkesztve
Következő: »»   200 / 206
Bejelentkezés

Belépés

Hirdetés
XDT.hu
Az oldalon sütiket használunk a helyes működéshez. Bővebb információt az adatvédelmi szabályzatban olvashatsz. Megértettem