Fórum témák
» Több friss téma |
Heló mingyár lekapom az elejét és küldöm a képet
A hozzászólás módosítva: Márc 18, 2020
A kijelző jobb vagy a bal végén van a getter tükör azt kéne lefotózni.
Erre gondolsz mert fogalmam sincs hogy miaz a getter.
Igen erre.
Ez jó nem levegős a kijelző. Nézd meg teljes sötétben a vízszintesen látható fűtőszálak enyhén izzanak-e.
Sziasztok,
ha bebizonyosodik, hogy a VFD a rossz tudok beszerzési forrást Győrben. Igaz a jelenlegi helyzetben nem tudom nyitva lesz-e az üzlet.
Legutóbb 2500Ft körül volt ha jól emlékszem, mert én meg egy meghajtó ic-t kerestem de az már nem volt nekik.
Az jó ár meg tudod adni a telszámot a boltnak?
Hát ezesetben az a szomorú hírem, hoyg megszakadt a kijelző fűtése.
Mindezt kombinálva azzal, hogy: -láttad működni a kijelzőt -tápvonalon tranyó megsült 27k ellenállásostul -+-35V ágban több előtét ellenállás cserélve lett Az feltételezhető, hogy valami elég nagy feszültségű tüske került a szekunderekre, és ha valóban nem te cserélted a többi ellenállást, akkor már korábban is előfordult.
Nézd meg, amit írtam, a fűtőszálon 200 ohmot mért, úgy, hogy a 2 lábán 100-100 ohm van test fele, vagyis a fűtés szakadt, de ennek oka kell legyen, amit először meg kéne találni, mielőtt az újat is kilövi.
Igy van tényleg nem én cseréltem az ellenállástokat. Akkor lehet hogy hagynom kéne a kijelző cserét?
Szerintem most használd így, hogyha van még hiba, előjöjjön. Ha nem rázkódástól égett ki a kijelző, akkor lehet, hogy van valami átmeneti zárlat a trafóban.
Amúgy ha dB-es kijelző is jó neked, akkor olyanom nekem is lenne hozzá.
Egyenlőre marad így akkor és köszönöm
Sziasztok!
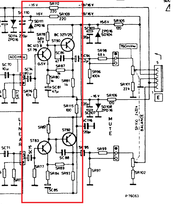
A kezeim közé került egy, a topic címeként is emlegetett erősítő. Annyi hibája van, hogy ha a Balance potit végállásokba tekerem, akkor a másik csatornán is marad jel, nem nagy, de hallható marad. Eljutottam odaáig, hogy szét szedjem és bele kukkantsak, majd meglepődve tapasztaltam, hogy a komplett középső részből hiányoznak az alkatrészek (csatoltam képet). Szereztem teljes kapcsolási rajzot, így meg van mi hiányzik és mennyi az értéke, de ha ezek nélkül is "jól" működik, nem kezdeném el visszapakolni, csak a Balance működjön jól... Főleg, hogy nem tudom egyáltalán hány "verzió" készült ebből az erősítőből, és lehet nincs is szükség azokra az alkatrészekre a működéshez, tehát lehet máshol van a probléma. Nem vagyok laikus, elektrotechnikus a végzettségem, de erősítőt még nem javítottam semmilyen szinten. Előre is köszönöm ha valaki tud segíteni!
Szia. Én úgy tudom, hogy a balance potit így tervezték, nem halkítja le teljesen a másik oldalt. (rendesen le van butítva!)
A hozzászólás módosítva: Ápr 23, 2020
Kiegészítés:
A végfok baloldali 2 munkaellenállása eléggé fekete (huzalok), de nem szakadtak, 0,3-0,5 Ohm között vannak, ami katalógus szerint megfelelő (470mOhm). A jobb oldalon nincs elszineződés, hasonlóak az értékek. Lehet ezeket cserélem majd kerámiára, bár a huzalnak jobb a hűtése, ha jól tudom. Visszaindulva a poti kimenetről méregettem kicsit, a potik jók, szépen változik az értékük, a kapcsolódó alkatrészek értékei is rendben vannak, nincs se szakadás se rövidzár. A két átkötés (SC75-SC95 és SC74-SC94 áthídalások) "profi" megoldásáról gondolom, hogy ez már egyszer háznál lehetett javítva/módosítva valamiért.
Még én is írtam a kis monológomat, nem láttam ezt a hozzászólást, elnézést! De így érthető. Akkor nem keresem a hiba forrását, mert nincs hiba. Érdekes megoldás minden esetre.
A kivett fokozat milyen szerepet töltött be az erősítő életében? Igyekeztem jól megjelölni a kapcsolási rajzon.
Úgy tűnik "csak" feszültségerősítő, vélhetőleg a végfok helyes kihajtásához. Ahogy a dokumentációkat nézem, ne vagy egyedül, a németekhez ment ki így. Vagy csak kiphotoshoppolták később a rajzból.
Valószínűleg az lehetett oka, hogy míg itthon mindenféle hifieszközünk 200 mV bemeneti érzékenységet kívánt, nyugatabbra az 1 vagy 2 V elég gyakori volt, amivel ez a fokozat túlvezérlést okozhatott, vagy egyszerűen csak a hangerőszabályzást tette túl érzékennyé.
Sziasztok nekem egy videoton Aidám van, tudna e valaki segíteni hogy a tèrerö müszer mèrt nem müködik rajta köszönöm.
Üdv EA7386S jobb oldala serceg pattog a hangfalban igen erősen merre keressem a hibát? Kb fél év után jött elő amúgy megkimélt hamvas darab.
Lehet hangerőszabályzó poti, nekem is recseg az elején. A csatlakozókat is nézd át, a modulcsatlakozókat is, ha itt minden jó, akkor jönnek a forrasztások. A forrpontoknál hajlamos a fóliaszakadásra, ezeket is nézd át. A kapcsolókat is mozgasd meg (LINEAR, MONITOR).
A hozzászólás módosítva: Júl 15, 2020
Kösz megnézem de hangerő poti állásától független a dolog,kapcsolókat is átmozgattam.Úgy jött elő hogy egy délelőttöt szólt majd bekapcsolva maradt pár órát és a sercegés tűnt fel.Vadabbakra gondoltam:végfok,tranyók...
Zárd le a végfok bemenetét, úgy kizárhatod azt.
Sziasztok!
Birtokomban van egy EA7386S erősítő, egy RT7300 tuner és egy pár DC2580 hangfalpár. Alapvetően minden jól működik, de szeretném átnézetni mindet egy megbízható szerelővel, és szeretném kicseréltetni az öregedésre hajlamos alkatrészeket (kondik, stb....). Lényeges, hogy szeretném megtartani az eredeti, minél inkább gyárival azonos állapotot. Tudnátok javasolni erre alkalmas, megbízható szakembert, lehetőleg Budapesten?
Hello! 7386 egyik oldal sokkal gyengébben szól.A linear és mono kapcsolót átcseréltem,lehet ez a hiba?
Az amiben a végfokokat cserélted?
Cseréld meg a végfokok jelbemenetét hogy kizárd, aztán lépegess vissza a kapcsolásban és cserélgess bemeneteket amíg a hiba a másik oldalra kerül. Hangszínnél figyelj a visszacsatolásokra, hogy jó helyen bontsd meg. A kapcsolókat miért cseréled? A hozzászólás módosítva: Jún 29, 2021
Azért,mert azt gondoltam,hogy a LINEAR kapcsoló kontakhibás, a MONO-t pedig sosem használtam ezért cseréltem meg. Igen,azon az oldalon gyengébb amelyiken a végfoktranzisztorokat cseréltem. Erősen pattogó hangot adott bekapcsolás után, most ez úgy tűnik megszűnt a cserével,,viszont nagyon gyenge a másik oldalhoz képest a hangja.
|
Bejelentkezés
Hirdetés |











