Fórum témák

» Több friss téma
Fórum » Villanymotor bekötése
 
Témaindító: kozmaj, idő: Jún 28, 2006
Lapozás: OK   315 / 349
(#) JMarton87 hozzászólása Aug 15, 2021 /
 
Kedves Fórumozók!

Segítségeteket szeretném kérni:

Van egy gépház, ahol két 11kW-os motor 20éves, meglévő-megmaradó, és az erősámú szekrényt cserélni kellett. A csere óta a motorok csillagból deltába való kapcsolásakor a hőkioldók leoldanak, a csere előtt jók voltak.
Gépész vagyok, a villanyszerelő, a megrendelő, és a tervező sem érti, ugyanakkor a megoldás a miénk, mindenki hárít.
Mivel a bekötések ellenőrizve lettek motorokon és szekrényben is, továbbá kicsi az esély, hogy mindkét motor delta tekercse egyszerre adja meg magát, nekem egy olyan amatőr gondolatom volt, hogy esetleg lassú a mágneskapcsoló, vagy időkapcsoló, és összeérnek a fázisok (bocs a kifejezésért: fázispukkanás hangja van). Az időkapcsolón a kapcsolás idejét lehet állítani, de a váltás idejét hogy 0,5 vagy 0,25mp stb legyen azt nem. (az volt a feltételezésem hogy túl lassú)

Van esetleg olyan aki járt már így, vagy tudna javasolni megoldást, diagnosztikai eljárást?

A szekrénygyártó azt mondja, kössük át a régi motorokat az új motorok bekötéseire (mert abból is van kettő) és ha ott is leold, akkor motor, ha nem, akkor szekrényhiba. De azok a motorok teljesen más gyártmányúak és 7.5kWos gépek, vagyis nem lenne “almát az almával” összehasonlítás.

Előre is köszönöm segítségetek!
(#) zosza18 válasza JMarton87 hozzászólására (») Aug 15, 2021 /
 
Szia!

Szerintem a motor tekercskivezetései nem stimmelnek a bekötéssel a szekrénybe.
A "fázispukkanás"-t emiatt hallod, nem az időrelé váltás miatt.
Újra kell kezdeni és jó lesz. Ki kell mérni a tekercseket a motoron, hogy ki kivel van aztán mehet a bekötés. Biztos nem ment tönkre mindkét motor, egyszerűen csak a tekercskivezetések nincsenek jól bekötve.
(#) VIM válasza JMarton87 hozzászólására (») Aug 15, 2021 /
 
Szia! Szerintem a csillag-delta kapcsolásban kell keresni a hibát. Ha
Idézet:
„bocs a kifejezésért: fázispukkanás hangja van”
ez a helyzet akkor eleve hibás volt az eredeti kapcsolás, ha pedig új akkor pedig rosszul van bekötve a kapcsolási sorrend. A csillagpont elkötő kapcsolónak a kiesett állapota (amit az időrelé VMZ vagy FIR relé kapcsol) engedélyezheti a delta kapcsoló meghúzását, nem a relék, mágneskapcsolók gyorsasága kell, hogy eldöntse a kapcsolás menetét. Ez a "retesz" fontos része ennek a kapcsolásnak.
(#) VIM válasza zosza18 hozzászólására (») Aug 15, 2021 /
 
Szia! Most, hogy olvasom az okfejtésedet ez is nagyon valószínű, sőtt nagyon is oda kell figyelni a tekercskivezetések helyes bekötésére, mert ebből kifolyólag is nagyon hasonló tüneteket okoz a túláram ami a hőkioldókat működésbe hozzák. Ebben csak az a fura, hogy egyszerre két motort is hibásan kötöttek volna be? Semmi sincs kizárva.
(#) JMarton87 hozzászólása Aug 15, 2021 /
 
Nagyon köszönöm a válaszokat!
Ha jól értem így vagy úgy, de elkötésnek kell lennie. Hogy miért lehet mindkettő elkötve: szerintem az egyszerű emberi hiba. Bekötik az egyiket, utána pedig: “hogy volt a másik?”, lemásolják.
Most azon gondolkodom, hogy én mint lelkes amatőr hogyan tudok ennek utánaellenőrizni, mert a szekrénygyártó és a villanyszerelő cég is helyesnek véli a munkáját.
Elektromos tervet, csomópontokat tudok olvasni-értelmezni, a mérés mikéntje volna kérdés számomra, mit mérjek milyen beállítás mellett?

Előre is köszönöm segítségetek!
(#) VIM válasza JMarton87 hozzászólására (») Aug 15, 2021 /
 
Ha új a csillag-delta kapcsoló szekrény, tehát az egész, villamos kapcsolókkal együtt akkor az elkötés talán ott keresendő, hogy a régi motorok kapocslécének a kivezetései az újhoz képest hová lettek bekötve. A csillagpont elkötésig minden jónak mondható, hiszen felpörögnek a motorok de az átkapcsoláskor a delta tekercskivezetések nem stimmelhetnek a régihez képest. A régi motoroknál nem biztos, hogy ugyanaz a betűjelzési sorrend mint a mostani motoroknál. Talán elsőnek ezt lehetne megnézni ez nem kerül nagy munkába és árammentesen mérés nélkül is leellenőrizhető, hogy van e eltérés a régi és új között.
(#) zosza18 válasza JMarton87 hozzászólására (») Aug 15, 2021 / 1
 
Első nekifutásra szerintem tegyél fel egy képet a kapcsolási rajz Y/D részéről és egy másikat a motor kapocsdeklijéről, hogy van bekötve... aztán lehet mérni a 3 mágneskapcsoló vezetékezését a sorkapocsra, majd a motor tekercskivezetéseket.
Sajnos régen, de még idén is jártam úgy hogy elkötve volt a tekercskivezetés és ugyanez a jelenség fogadott, mint amiket leírtál. A megoldást az jelentette, hogy megvolt a mágneskapcsolók kivezetése és utána szépen bekötve a motor, ahogy a tekercskivezetések adták.
(#) zosza18 válasza VIM hozzászólására (») Aug 15, 2021 /
 
Szia!
Igen igazad van Neked is, mert ha más séma alapján alakították ki a Y/D kivezetéseket, akkor bizony ugyanez a helyzet. Nyilván akkor is a tekercsek kivezetései nem stimmelnek, de az a kapcsolás kialakítása miatt.
Én konkrétan mindig úgy alakítom ki a sorkapocs kivezetést, hogy a betűrendet kövesse, az egyszerűsített bekötés miatt... U1-V1-W1-U2-V2-W2 így megkönnyítve mindenkinek a motor bekötését, ha más kötné be.
(#) Tomi111 válasza JMarton87 hozzászólására (») Aug 15, 2021 / 1
 
Szia!
Csatoltam képet a motorok tekercselkötéséről a dekniben. Kösd ki az egyik sort és először ezt ellenőrizd egy szakadásvizsgálóval - áramtalanítva. De ez elvileg rendben kell, hogy legyen, főleg gyári tekercselés esetén. Utána a három kikötött vezetéket hajtsd el úgy, hogy ne érjen semmihez, de tudd, hogy hova voltak bekötve. Kapcsold be a motort és várd meg, míg átkapcsol deltába, persze menni nem fog! Ekkor mérj feszültséget - kétpólusú feszültségkeresővel - a szabad kábelvég és azon pont között, ahonnan kikötötted. Itt nem szabad feszültséget mérned, mert mindkét ponton azonos fázisnak kell lennie. Mindhárom ponton ellenőrizd! Ha rendben van, akkor a motor bekötése jó. Akkor valószínű a kapcsolószekrényben lesz a hiba. De gondolom nem a hőkioldó, hanem a kismegszakító old le nem?

Névtelen.jpg
    
(#) VIM válasza JMarton87 hozzászólására (») Aug 15, 2021 /
 
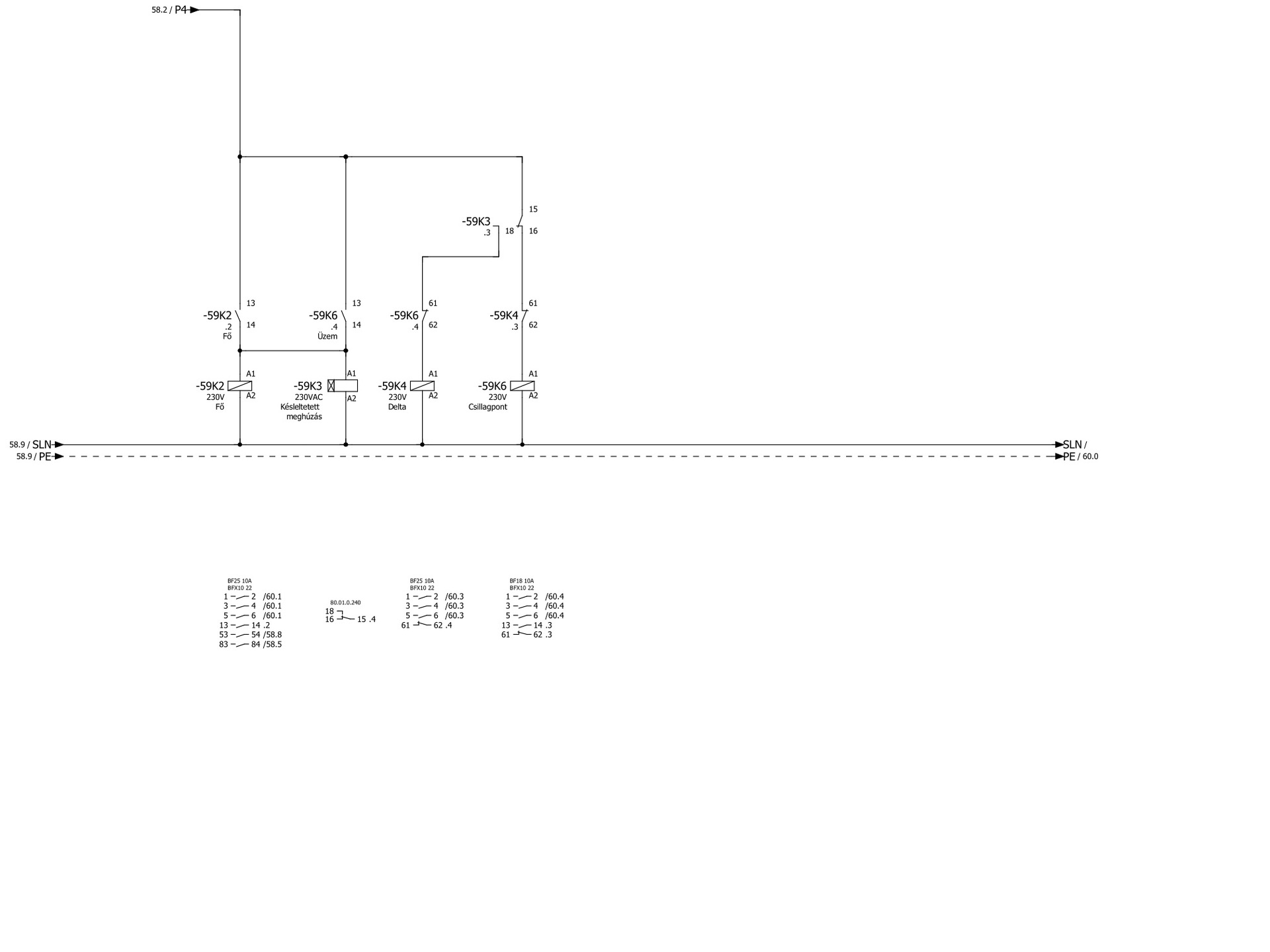
EZ egy jó rajz a csillag-delta kapcsoláshoz, ebben benne vannak azok a reteszelések amik biztosítják ill. kiküszöbölik a relék/mágneskapcsolók kapcsolási "gyorsaságából-lomhaságából" adódó hibákat. Ezen az oldalon található kapcsolás kissé elhanyagolt reteszeléssel van megáldva. Ennél a kapcsolásnál ha letelik a késleltetési idő a delta kapcsoló meg tud húzni de lehet, hogy a csillagpont elkötő még nem engedett el kellő képpen és kész a zárlat. Nincs reteszelve, nincs leellenőrizve, hogy a csillagpont elkötő nyitott állapotban legyen és csak annak kiesve zárója engedélyezze a delta meghúzását.
(#) JMarton87 hozzászólása Aug 22, 2021 /
 
Kedves Fórumozók!

Köszönöm a válaszokat! Elnézést, hogy csak most reagálok. Sajnos csak addig jutottam, hogy lefotóztam a bekötéseket és a tervrészletet, illetve a mágneskapcsolókat.
Azt gondolom ez a diagnosztika meg fogja haladni az én szabadidőmet.
Mindenesetre csatolom a tervrészletet és az egyebeket, hátha valami típikus hibalehetőség eszetekbe jut.
Ami még hozzátartozik: az új tervek szerint az egyik motor hidegtartalék, de úgy, hogy át kell kötni a szekrényben, ha indítani kell. Vagyis a bekötésük a szekrényben közös.

Előre is köszönöm segítségetek!
(#) kendre256 válasza JMarton87 hozzászólására (») Aug 22, 2021 /
 
A kapcsolási rajznak kellene még az a része is, amit a VIM által linkelt rajzon a jobb oldalon lehet látni:
VIM linkelt rajza
(#) JMarton87 válasza kendre256 hozzászólására (») Aug 22, 2021 /
 
Megvan, csatoltam
Köszönöm!
(#) VIM válasza JMarton87 hozzászólására (») Aug 22, 2021 /
 
Szia! Szerintem a rajz szerinti vezérlés jó. Azt volna jó tudni, hogy a "problémás rész" az hogyan is zajlik le. Mit csinál a motor a kapcsolás váltásakor? Ha a csillag üzem zavartalan és csak a delta váltásnál oldanak le az automaták vagy a hővédelem akkor a csillagpont elkötő kapcsoló fázissorrendnél lehet kötési hiba, hogy a forgásirány nem egyezik deltában a csillaggal.
(#) JMarton87 válasza VIM hozzászólására (») Aug 22, 2021 /
 
Szia!

köszönöm a választ!

Csillag üzemben jól működik, deltába váltáskor van a pukkanás. Csillagban annyira jó, hogy most ideiglenesen 0-24ben üzemelnek. (ki lett kötve a deltába kapcsolás)

"csillagpont elkötő kapcsoló fázissorrendnél lehet kötési hiba, hogy a forgásirány nem egyezik deltában a csillaggal."

Ezt a terven be tudod jelölni? Vagy leírni, hogy melyikeket kellene ellenőrizni? Nem tudom melyik az elkötő kapcsoló..
(#) Tomi111 válasza JMarton87 hozzászólására (») Aug 22, 2021 /
 
Szia! Pár hozzászólással feljebb leírtam, hogyan mérj. A motornál kösd ki az egyik sort, pl: U1, V1, W1-et. Indítsd a motort, várd meg míg deltába kapcsol és mér feszültséget a kikötött vezeték és a felette lévő párja között. Pl: U1 és W2 között. Itt ugyanannak a fázisnak kell lennie, 0V-ot kell mérned. Mindháromnál mérj, ha 0V, akkor jó a bekötés. De nem hinném, hogy itt a hiba, nagyon amatőr hiba lenne. Milyen hamar pörögnek fel a motorok? Hány másodperc-fél perc? Lakatfogóval kéne mérni áramot induláskor! Ha hosszú idő, míg elérik a fordulatot, akkor gyanús, hogy induláskor túlterhelik a motorvédőt és az a váltás pillanatában leold. Lehet megoldás lenne a motorvédőt áttenni a delta mágneskapcsoló ágába, így indításkor nem aktív. Ekkor viszont kell egy kismegszakító a helyére, ha most nincs.
A hozzászólás módosítva: Aug 22, 2021
(#) proli007 válasza JMarton87 hozzászólására (») Aug 22, 2021 /
 
Hello! A helyes és hibás bekötést itt láthatod, ha ez lenne a gond..
(#) VIM válasza JMarton87 hozzászólására (») Aug 22, 2021 /
 
Kissé rosszul fogalmaztam ezzel a "csillagpont elkötő kapcsoló fázissorrendnél" leírással, mert végülis a delta üzemmel van a probléma. A két üzem közötti fázissorrendben gondolom én, hogy eltérés lehet és ez a delta kapcsoló utáni kötési pontoknál (az "-X11" 47-48-49) lehet. Ott nem mindegy, hogy a csillagpont elkötő melyik sorrendet köti rövidre (így volna helyes a megfogalmazás) lehet, hogy a 49-47-48 lenne a jó, ha pedig így felfut a motor de a forgásirány nem stimmelne akkor a betápláló oldalon kell két fázist felcserélni.
(#) pont válasza JMarton87 hozzászólására (») Aug 23, 2021 /
 
Azt azért jó tudni, hogy egy delta motor nem szeret huzamos ideig csillagban üzemelni, persze ez terhelésfüggő, de ha csillagban nem képes felpörögni, akkor túl fog terhelődni.....
(#) granpa válasza pont hozzászólására (») Aug 23, 2021 /
 
Érdekes megállapítás. " Csillagban annyira jó,..." Tehát felpörög, üzemszerűen működik.
(#) JMarton87 válasza pont hozzászólására (») Aug 23, 2021 /
 
Köszönöm az észrevételt!
Ehhez én nem tudok hozzászólni, én csak arra reagálva mondtam, hogy a csillagüzemmel nincs probléma.
Meglévő-megmaradó 20 éves szivattyú, így legalább is garanciát nem kell rá vállalnunk.

A mai napon azonban ennek a motornak a helyére beköttettem egy új 7.5kW-ost. Annak nincsen gondja a csillag-delta váltással.

Két dolgot tudok elképzelni:

1. igenis mindkét régi motor rossz
2. kisebb teljesítménynél nem olyan lomhák a kapcsolások.. már ha létezik ilyen jelenség
(#) synergy válasza JMarton87 hozzászólására (») Aug 23, 2021 /
 
1. nem hinném, hogy ez a gond.
2, ez már lehetséges.
egy 35kW-os ventilátornál kb 5mp átváltási idő adódott, ha ennél többre állítottam az időrelét, az általad leírt jelenséget tapasztaltam
tehát az átváltási idő függ a motor teljesítménytől, és a terheléstől is.
(#) JMarton87 válasza synergy hozzászólására (») Aug 23, 2021 /
 
Laikusként kérdezem:

Van átváltási idő és kapcsolási idő.?.
A mi időkapcsolónkon az átváltási időt tudom állítani, ami max 12mp. Erre van beállítva.
De a kapcsolásnak az ideje itt nem állítható, tehát hogy az átkapcsolásnak mennyi legyen az ideje pl 0,5mp.

Azt mondod, hogy ha simán a váltási időt rövidebbre veszem, az is segíthet?
(#) synergy válasza JMarton87 hozzászólására (») Aug 23, 2021 /
 
igen, a csillag-delta átváltási idővel kell kísérletezni. Az említett esetben is túl hosszú volt az idő, és akkor mindig leoldott.
(#) Hutty válasza JMarton87 hozzászólására (») Aug 24, 2021 /
 
Lehet, hogy már késő a hozzászólásom. A 2-es képen lévő motorba víz juthatott. Ezért ellenőrizném a tekercsek egymás közti és a tekercsek föld közötti ellenállását. A legjobb lenne nagyfeszültségű szigetelés vizsgálóval.
Ha egy pici átvezetés van, az új motorvédő már nem tolerálja a veszteséget.

Friss tapasztalat: függőleges tengelyű 7,5 kW-os köszörűmotor leoldotta a motorvédőt. Lakatfogóval, 3 fázisú teljesítménymérővel sem mutatott kiugró áramfelvételt. Szétszedtük, a motor vizes volt belül. A vízoldali szimering átereszthetett. Kiszárítottuk, mértem ellenállást föld felé, jónak látszott. Visszakötöttük, teszt. A motor alapból delta, nincs csillag indítás. Pár másodperc és a motorvédő leold. Most az átütésmérővel néztem meg, a teljesen száraz motort. Két tekercs között mutatott átvezetést, de nem rövidzárat.
A tekercselő elmondta a tekercsek között talált égésnyomot, ahol a vízben a zománc ( és lakk !) repedésén keresztül az áram csinált magának utat.
Ui.: A motorvédő, az megvédte a motort a leégéstől.
(#) metabo123 hozzászólása Szept 16, 2021 /
 
Sziasztok!
A képeken látható ventilátor bekötésével vagyok bajban. Nem tudom hova kössem a 230V-ot
Négy kivezetése van két fekete, ezen 118 ohm ellenállást mérek és két piros, amin 308 ohmot. A fekete és a piros szálak között nincs galvanikus kapcsolat.
Találtam adatlapokat, de a konkrét típust (ETRI 128 VG) nem leltem meg benne és az elektromos bekötésre utaló adatokat sem találtam sehol. Nem tudom kell-e kondenzátor hozzá, vagy sem.
Hátha találkoztatok már ilyen, vagy hasonló motorral és Nektek ez nem jelent gondot.
Légyszíves segítsetek! Köszönöm!
(#) VIM válasza metabo123 hozzászólására (») Szept 16, 2021 /
 
Szia! Szerintem ez a két színű kivezetés a különböző frekvenciákhoz tartozó feszültségeknek van kihozva. A piros színnel a nagyobb ellenállású tekercsekre próbálnék rá a hálózati feszültséggel, hogy működik e. Túl nagy hibát nem lehet okozni ezzel a próbával.
(#) gulyi88 válasza VIM hozzászólására (») Szept 16, 2021 /
 
Szerintem inkább a segéd és főfázis végei vannak kihozva.
Bontáskor nem gondolkoztak, hogy vissza is kéne kötni valahogyan.

Kisebb ellenállású tekercsre a 230V, a nagyobb ellenállású tekerccsel sorba egy kondi és úgy a 230-ra. Kondi 2-3µF 400Vac. Pillanatra indítani, ha indul akkor áramot mérni, Ha fordítva forog, akkor a segédfázis tekercsvégeit felcserélni.
(#) metabo123 válasza gulyi88 hozzászólására (») Szept 16, 2021 /
 
Köszönöm a válaszokat mindkettőtöknek!
Az hogy különböző frekvenciákhoz lenne nem hinném. Sokkal inkább gondolnám segédfázisnak az egyik tekercset. A kondinak nem kell állandóan bekötve lennie, csak indításhoz?
Van leválasztó trafóm különböző feszültségekkel: 48, 96, 120V-os leágazások.
Javasolt lenne először azzal, alacsonyabb feszültségeken kipróbálni?

Köszönöm,
(#) gulyi88 válasza metabo123 hozzászólására (») Szept 16, 2021 /
 
Ezeken folyamatosan rajta szokott lenni a kondi.
Alacsonyabb feszültségről csak búgna szerintem.
Következő: »»   315 / 349
Bejelentkezés

Belépés

Hirdetés
XDT.hu
Az oldalon sütiket használunk a helyes működéshez. Bővebb információt az adatvédelmi szabályzatban olvashatsz. Megértettem