Fórum témák
» Több friss téma |
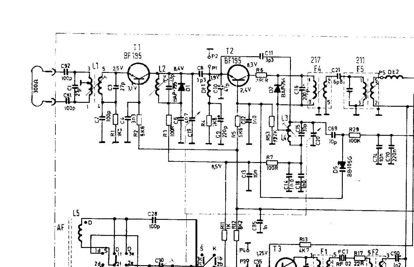
A három induktivitás, amiket a videóban is macerálnak légmagos. Először fa fogpiszkálóval estem neki. Az L2-re a google fordító lengyelből "nyereséget" ír, valóban nem változik a frekvencia, csak javul vagy romlik az adás minősége. Ha a csipesszel hozzáérek jelentősen. De csak akkor ha a második menethez érek, a többinél kevésbbé javul, különböző mértékben. Zománcos a huzal, szóval meg kellett kapargatni, hogy érintkezzen, puszta véletlen, hogy észrevettem, mert előtte eltört a fogpiszkáló és hirtelen a fém csipeszhez nyúltam. Hajlítgatás közben átérhetett a zománcon és akkor hirtelen javult a hangminőség. Tehát antennaként működik ott L2-n a csipesz.
Már elpakoltam, holnap megnézem mit szól a különféle "vasmagokhoz". Ja L2 mellett eredetileg 43pF volt. A videó alapján került mellé 10+2pF. A hozzászólás módosítva: Jún 8, 2021
Olyan rádiót az életben még nem láttam, ahol azt a kört nem hangolják (L2! ) Arra lennék még kíváncsi, hogy ez a rajz igaz? Mert sajtóhibát láttam már kapcsolási rajzokon ezret.
Sajnos a youtube videóból lemaradt pont L2 melletti kondenzátor értéke. A szerző válaszolt és 20pF-ost tett a 43 helyett. Ezt ma kicserélem, kíváncsi vagyok nagyon mennyit számít
![]() Gyanús, L3-at és L4-et nem találom a rajzon.
L3 és L4 az oszci tekercs. A két felét külön számozták, pedig az egy, csak leágazásos. Ott is a 33 pF helyére kell egy 10 pF.
Szerintem is problémás a rajz. Én sem láttam még olyat, hogy csak az oszcillátor kört hangolják, a modulátor kört nem. Az sem egészséges, hogy a modulátor, és a kimeneti KF szűrő bemenetével párhuzamosan nyitott dióda található. Egyszóval, ez a rajz, nem az a rajz.
A "gyufásdoboz-rádió" valami TDA-val csak az oszcit hangolja...
De normális gép kettő, vagy 3 kör nélkül nincs.
Sziasztok. Én is megtaláltam az említett videót. Az elektrotanyás rajz tényleg rossz. Valószínűleg a Sztereo rádiók szervizkönyve I.-ben lehetett, ami nekem nincs meg, látszik, hogy a rajz könyvből szennelt, és djvu formátum.A videóban látszik, hogy az FM rész forgókondenzátora is kettős, amint a képeken is, amik képernyőfelvételek a videóból, valamint mellékelem az eredeti lengyel rajzot, forrás: elektroda.pl. Kicsit sárgább a papírja, mint a mienknek, de eredeti lengyel könyvből van, és valószínűleg ez a jó. A tanyás rajzon a forgókondenzátor helyére 4,7 nF került a 3,3 pf csatoló elé, ami ha úgy lenne, megölné a jelet. (Sajtóhuba).
A hozzászólás módosítva: Jún 9, 2021
A forgót én a képen négyesnek látom.
1. szélesebb, AM modulátor 2. keskenyebb AM oszcillátor, 3. és 4 mindkettő mellett egy rövid URH modulátor, és oszcillátor. Hogy be van-e kötve, azt nem tudom, nem látom. Ami nálam járt, az tisztességesen meg volt csinálva, bár abban nem ilyen nyitott forgó volt, hanem műanyag fedeles.
Találtam jobb rajzokat: Forrás: elektroda.pl. Az eredeti rajz .gif formátum, de én jpg-be átkonvertáltam.
A hozzászólás módosítva: Jún 9, 2021
Szerinted mi célt szolgálhat a rezgőkörökkel párhuzamos, nyitó irányban előfeszített dióda? Nekem fogalmam nincs. Ráadásul a KF primer körében is.
Bocsánat mot látom az adatlapjáról, kapcsoló dióda. Használaton kívül az URH fokozatot rövidre zárja. A hozzászólás módosítva: Jún 9, 2021
Csillapítás. Talán gerjedés ellen. Régen AM rádióvevők első KF rezgőköreiben is lehetett látni olyat.
PIN-dióda, erős jelek okozta túlvezérlődést hivatott csökkenteni. Érzékeny előerősítők bemenetén is szokott lenni, ... nem az antiparallelre gondolok, az nem annyira jó.
Közben megnéztem a dióda adatlapját, azt írta, hogy kapcsoló dióda, ahogy a TV tunerekben a sávváltást kapcsolták. Egy rezgőkörön egy nyitott dióda meglehetősen rövidzár. Elég furi megoldás, de lelkük rajta.
Annakidején sikerült olyan rajzot találni, ahol megadták a ominózus kondik értékét OIRT, és CC-ir sávra, csak ki kellett cserélni. Egy probléma volt vele, ezesetben csak 100 MHz -ig ment. (régi NDK -s szabvány szerint)
KF szűrő primerjén, már nemigen szokott nagy jel megjelenni. Pedig ott is van. Ezért gondolom, hogy AM/FM sávváltáskor ne zavarjon be az egyik a másiknak a közös KF -ben.
Azért ilyen megoldással még nem találkoztam, ebből nem nagyon szokott bonyodalom lenni. A hozzászólás módosítva: Jún 9, 2021
Próbáltam valami rajzot keresni, példának, általában az első KF-en szokott dióda lenni, máshol nem. Philipsben, az oroszoknál például semmiben nincs sehol, Blaupunkt, Toshiba és a lengyel rádiókban jellemzőbben van, de még a japánoknál is hol van, hol nincsen. Videoton is tett az első KF-re diódát néha.
Nem tudom miről beszéltek, japán karaktereknek értem
![]() Viszont kicseréltem L2 melletti kondenzátoer 12-ről 20-ra. Nem ez volt a fő probléma. Ha a tranzisztor (rajznak megfelelően BF195 van benne) lábához érintem az antennát olyan, mint amikor a csipesszel magához L2-höz érek, jelentősen javul a vétel. Azaz tényleg a tranzisztorral vagy az antenna bemenetnél levő kondenzátorral lehet a baj... ha jól értem. A forgókondenzátornak van fedele. A hozzászólás módosítva: Jún 9, 2021
Az utoljára feltett rajzom eredeti lengyel, és teljesen jó. Rajta vannak a tranzisztor lábakon a feszültségek. Ha azok jók, akkor csak a hangolás segíthet. A youtubon meg ott az a sok videó erről a rádióról. Egyedül a C69 cseréjét kétlem, hogy szükséges, az csak az AFC-t gyengíti vele. Ha az L1, és L2 térerő maximumra van hangolva, sok mindent nem tudsz már neki csinálni. Esetleg egy plusz erősítőt építeni bele valahová. Vagy valami jó antenna, ha távol laksz minden adótól. Minálunk is régen kellett a magyar adókhoz egy jó tető antenna, a szerbekhez meg CCIR normás rádió. Ezért szóba se jöhetett, hogy egy ilyen lengyel rádiót vegyek.
Idézet: „Nem tudom miről beszéltek” Az nem túl nagy baj, bár jobb lenne, ha értenéd. Idézet: „Viszont kicseréltem L2 melletti kondenzátoer 12-ről 20-ra” Miért pont 12 -ről 20 ra? Ha 20 pF -ra cseréled (növeled), a rezonancia frekvencia lefelé tolódik el, neked pedig felfelé kellene eltolni, kb. 70 -ről 100 MHz -re. Ahhoz pedig a kondenzátort csökkenteni kellene, ez kb 8 pF lenne, de jobb lenne az induktivitást csökkenteni. Az RF tranzisztorok bázisának "tapizása" nem egy életbiztosítás. De ha a tapizással érzékenyebb lesz a rádió, ez azt jelenti, hogy ha antennát teszel a bázisra (kikerülöd a hangolt modulátorkört) nincs jól hangolva a modulátorkör. A hozzászólás módosítva: Jún 10, 2021
Meg tudná mondani valaki, hogy a modulátorkörnek mi az angol elnevezése, megfelelője?
RF filter, vagy RF amplifier attól függően, hogy van erősítés a bemeneti hangolt körben, vagy nincs.
Ez az elnevezés azért nem pontos, mert pont az URH vevők bemenetén néha előfordul szélesebb sávú, hangolatlan sávszűrő, a tükörfrekvencia elnyomására. Az önrezgő keverő fokozatoknál még a helyi (local, LO) oszcillátor sem külön kocka a blokksémában. A hozzászólás módosítva: Jún 11, 2021
Sziasztok kedves Fórumtársak!
Szeretném a segítségeteket kérni egy idősödő Schneider Team Center 342 Hi-Fi rádiójával kapcsolatban. A jelenség: FM sávon adóra hangolva kristály tiszta a vétel, de rettentően halkan szól. Picit melléhangolva teljes hangerővel szól, de már nem tisztán. Minden adót fog, ami a környéken lehetséges, a gyengébb helyi adókat is beleértve. A sztereó jelző LED nem gyullad ki egyik esetben sem. Hangolásjelző, térerőmérő nincs benne. Egy LA1260 IC van a KF-ben, foglalatban (lehet, hogy volt már javítva). Mérni egyelőre csak a tápfeszültségeket mértem, ott rendben van minden. Elsősorban arra szeretnék tippet kérni, merre keressem a problémát. Előre is köszönöm! Üdv. Kaninjo
Szia!
A TDA1578A sztereó dekóder ic-ben van némító áramkör, ott kellene mérni a rajz alapján. Meglehet próbálni az osc adjust trimeren állítani. Van a készüléken sztereó / mono átkapcsoló, ha monora van kapcsolva akkor is ezt csinálja? A képen lévő másik trimer is az ic áramköréhez kapcsolódik? A hozzászólás módosítva: Aug 12, 2021
Lehet, hogy valaki elhangolta benne a KF -eket ? Ha már jól van behangolva, a sztereó dekódert is be lehet állítani a trimmerrel. Csak jó lenne, ha hozzáértő személy végezné a dolgot, akinek esetleg még műszerei is vannak.
Idézet: „FM sávon adóra hangolva kristály tiszta a vétel, de rettentően halkan szól. Picit melléhangolva teljes hangerővel szól, de már nem tisztán” Az LA1260 IC -ben produkt detektor van. A detektor kimenetén van egy rezgőkör (adatlapon T1)Bővebben: Link, azt kellene finoman hangolni pontos állomásra hangolás esetén. Műszer kívánatos lenne.
FM demodulàtor tekercs finom hangolàsa megoldja.
Sztereo vétel hibàjàt is ez okozza.
Sziasztok!
Köszönöm a segítségeteket! Holnap neki tudok veselkedni a javaslaitok alapján! Remélem nincs semmi komoly baj a géppel. Addíg is köszönöm, jelentkezem a fejleményekkel! Üdv. Kaninjo
Sziasztok!
Nagyon köszönöm a segítséget mindannyiótoknak! Valóban a demodulátor tekercs volt szinte koppanásig betekerve. Szerencsére úgy tűnik mást nem állítottak el... Köszönöm mégegyszer! További szép napot nektek! Üdv. Kaninjo
Sziasztok!
Van néhány öreg VEF 206-os rádióm és gondoltam elszórakozom kicsit egyikkel. Első körben a HF rész germánium tranzisztorait cseréltem szliciumra a termikus zaj csökkentésére. Ez viszonylag jó eredményt hozott, de azért nem 1az1-ben ment... Ar RF rész már keményebb diónask bizonyult. Azért ios fordulok segítségért, hátha valaki már próbálkozott hasonlóval és segít a tapasztalataival. Az oszcillátort nem feltétlenül háborgatnám, de az egész készülék érzékenységét szeretném megnövelni valamint vagy a LW, vagy a 13 m-es rövidhullámú sáv helyett halászsávú tunert rakni. Tudnátok segíteni?
A tranzisztorok sima cseréjén kívül a munkapont beállító ellenállásokat is cseréled? Figyelembe kell venni, hogy Si esetén 0,3 helyett 0,7V körüli a B-E feszültség és a nagyobb erősítés miatt kisebb bázisárammal mennek.
Melyik "halászsávot" szeretnéd venni? Szerintem érdemes valamelyik ahhoz közeli sávról odahangolni. Én jópár éve rádióamatőr sávok vételére alakítottam át, építettem hozzá egy KF-en működő BFO-t (üttető oszcillátort) hogy az SSB és távíró jeleket is tudja venni. |
Bejelentkezés
Hirdetés |
















