Fórum témák

» Több friss téma
Fórum » Multiméter - miért, milyet?
Lapozás: OK   6 / 131
(#) proba válasza damien hozzászólására (») Jún 20, 2008 /
 
Mindent kibír, csak az ütéseket nem szereti,mechanikailag szerintem gyenge (No jó lehet csak a vasutasokat nem birja nagyon itt kap kiképzést rendesen) .Ha nem az alapműszert teszed tönkre akkor a trafót erdemes benne átforrasztani.
Elektromosan szerintem a mech műszerek között nagyon jó. Csak vizszintesen pontos amint a táblájáról is látszik.
Ohm mérés 1,5 V nagyobb talán 100K felett kb 30V

(#) hapro válasza szilva hozzászólására (») Jún 20, 2008 /
 
Ez mondjuk nem az olcsó fajták közé tartozik. Amikor vettem (kb 5 éve) akkor is 12rugó volt ahogy nézem most is ennyi. Nekem drága volt... De ennyi pontatlanságot abszolút elnézek neki.
(#) szilva válasza hapro hozzászólására (») Jún 20, 2008 /
 
Elnézést, nem minősíteni akartam a Tiedet. Sajnos igazán profi multiméterrel még nem volt dolgom, Voltcraft és Metex 8-10e Ft-os kategóriák voltak talán a legkomolyabbak, amiket használtam.

Csak a saját tapasztalatomat tudom leírni, pontos nullát egyiken sem láttam ohm mérésben korábban. Meg is lepett, amikor egy jó fél éve megvettem a Mastech-et, és az meg 0.0-t mutatott összeérintett mérőcsúcsokkal. Nem doglalkoztam vele, hogy hogy oldja meg, de a 0 ohm tényleg 0.0 a kijelzőn.

Egyébként én is amondó vagyok, hogy nem a csúcsszuper műszer az, ami megoldja az ember gondjait, nekem is van vagy 3 db DT830-asom, persze különböző gyártmányúak, de egyik sem volt 1000Ft-nál drágább. Mégis használom őket, sőt, ha vinni kell valahova műszert, akkor általában ilyen kicsit szoktam. A műszer képességeivel ha tisztában van a felhasználó (pl. hogy amikor mutatja a telep merülését, akkor érdemes telepet cserélni, mert gyenge telepnél elkezd csalni a kijelzés), akkor még a kínai piacos multiméter is nagy segítség tud lenni. Annyira durva pontatlanságot még egyik "piacos" műszer sem produkált nekem, mint amiket olvastam itt-ott, hogy pl. 5V helyett 6-ot mutatna.
(#) szilva hozzászólása Jún 20, 2008 /
 
Nos, ha már így benne vagyunk a kéziműszerek dolgaiban, akkor leírom, hogy én miben látom az egyik legnagyobb problémáját ezeknek a műszereknek.

Az egyik első Metex műszerünkkel történt (amit még talán az átkosban, Bécsből hozattunk), hogy pár év használat után elkezdett bizonytalankodni az üzemmódválasztó tárcsája. Azaz odakapcsolta az ember pl. V mérésre és nem akart mutatni, aztán a tárcsa megmozgatásakor esetleg "megjavult". Szétszedtük a papámmal és azt láttuk, hogy a módválasztó tárcsa alatt a panelen vannak kialakítva az érintkezősávok, a tárcsán pedig vannak rövidzárak, amiket végigszánt ezeken a panelmintákon. A rövidzárak panellel érintkező pontjai olyan vájúkat képeztek ki a panelen, hogy volt már, ahol a(z aranyozott) rézfólia teljesen ketté volt vágva. Gyakorlatilag menthetetlen volt.

Akkor fogalmazódott meg bennem, hogy egy automata méréshatárváltós műszernél valószínűleg sokkal kevesebbszer vált módot az ember, sokkal kevesebb terhelés éri ezeket az érintkezőket, így valószínűleg hosszabb ideig bírja a fólia. Ezt én azóta is így gondolom, ezért is vettem meg az MY68-at most, hogy kellett vennem egy műszert.

Azt nem tudom, egy profi műszerben hogy van megoldva, kezelve a fent leírt jelenség, de ezek a kéziműszerek szerintem kivétel nélkül mind a NYÁK-on kialakított kapcsolótárcsákkal dolgoznak.

Szóval ha valamelyik műszerről azt írják tapasztalatból, hogy napi használat mellett sok évet kibír, nem bizonytalankodik a kapcsolója, akkor az már egy nagyon jó pont, mert talán ez a leggyengébbik pontjuk.

A másik gyengeség amit találtam már "piaci" műszerben, az a mérőzsinórok csatlakozó hüvelye. Volt már, hogy elvált a forrsztás a paneltől, aztán a végén átforrasztottam az összes hüvelyt, mert mind rettenetes minőségű hidegforrsztásokkal volt gyárilag betéve.

Persze a mérőzsinórok is megérnek egy misét, a nagyon olcsó műszerekhez olyat is képesek adni, amit úgy kell nyomorgatni a mérendő ponthoz, hogy érintkezzen, az ilyet jobb kihajítani, minthogy állandó bosszúságot okozzon. Megintcsak az MY68-at tudom dicsérni, az ahhoz kapott mérőzsinór talán a legjobb, amivel eddig dolgoztam.
(#) damien válasza proba hozzászólására (») Jún 21, 2008 /
 
Tisztelt proba!
Köszi. A műszer újnak tűnik, de elég régi már, de rendkívül jó műszer. Főleg, hogy 5 KV-ig véd meg ráadásul van benne kismegszakító meg olvadóbisztosíték is (6,3A-es mert ilyen kell bele). Én szeretem azt a műszert de csak 1-et sajnálok: azt hogy a 30A-es méréshatár nincs védve. Az ára is kemény egyépként: ha jóltudom akkor kb 30-40-50 ezernél kezdődik az ára a GANZUNIV-1-nek. Igaz elég nagyméretű de én akkor is szeretem. Igaz hogy elég ritka már manapság, de még mindig ezt használom mert én az Ilyen 500 -meg 1000 forintért kapható műszer sz@r és én ezekben nagyon nem bízok meg. Meg hogyérted azt hogy forrasszam át a trafóját ??? kérdezem én.
(#) rannek hozzászólása Jún 27, 2008 /
 
Helló! most gondolkodok mert van egy analóg multiméter elég olcsón ami tud dB(Hangnyomást)-t mérni max 56 dB.
Az lenne a kérdésem hogy az körülbelül mien hangos és hogy ezt lehetne e mérésre használni.Vagy valamire.
(#) KTobi válasza rannek hozzászólására (») Jún 27, 2008 /
 
Szia!

Szerintem az 56dB hangnyomás mérése nagyon kevés. Jobb hangszórók 1 W teljesítménnyel egy méter távolságra 90-100dB hangnyomással rendelkeznek.
Nem fogod tudni kihasználni.

Üdv. Tóbi
(#) kobold hozzászólása Júl 2, 2008 /
 
Nagyjából 7 évvel ezelőtt vettünk az üzembe egy Realm M890G multimétert. Az idők során kapott mindent, ezerszer leesett, húztam magammal fagyban, 55 °C-os teremben, jutott bele olaj, meg por is jócskán. A háza már több helyen törött, a kijelző mellett belátni a panelra, gyári nyomógomb helyett egy kisrádió tolókapcsolója lett belekötve, műanyaggal körbeöntve.
Pár napja szétkaptam, mert:
- áramot régóta nem mért: zárlatos volt egy 1N4004, valószínűleg mA állásban jócskán túl lett terhelve
- kapacitás helyett állandóan 2-t mutatott, méréshatártól függetlenül: egy LM358 csere
- már egyenfeszültséget sem mért (ekkor kezdtem bontani): még egy 1N4004 csere
- időnként két hangszínt is tudott rövidzár vizsgálatánál, ütésre változtatva: a piezót hajtó 555 mellett volt két 100 pF-os kondi, az egyik félig leszakadva, lengett a lába; 330 pF lett helyettük, a hangja is szebb így
- szerelés közben megadta magát az lcd fölötti szalagkábel, több ér is elszakadt: IDE-kábellel újra lett huzalozva
- lógott a forgókapcsoló rendesen, el volt törve a hajtónégyszög az alján: visszavágtam, kapott egy csavaros rögzítésű pöcköt, lemezzel borítva erős négyszögszár született

Mindeközben összevissza fogdostam, kíváncsiságból megnéztem a 7106-ost is, ami még csak nem is egy tokozott IC, hanem tokméretű nyák közepén egy epoxi-pöttyös darab; feszegettem a kiszerelések miatt, és elég sokat méricskéltem is benne, mivel a talált kapcsolási rajz nem egészen fedte a valóságot, csak közelítette. Végül életre kelt, a hőelem mérését kivéve (mert az nincs) minden funkció üzemel, megbízható labortáppal mindent kipróbáltam, amit lehetett, de nem nagyon tudok belekötni. Ha lesz etalon kondim egyszer, pontosítom a potijával, de közelítőleg most is azt méri, amit elvárok, pF-os nagyságrendben is (egy korábban összeépített távirányító ismert elemeit mértem be megint).

Szóval ha valakinek egy szinte agyonüthetetlen darab kell, és nem akar uA-es pontosságot meg hasonlókat, csak ajánlani tudom ezt, nekem nagyot nőtt a szememben
(#) SALáta hozzászólása Júl 3, 2008 /
 
Piacos multiméterekről csak annyit hogy Metex-ekkel hasonlítottunk össze egy DT9205A-t és durván 1% ot csalt.
Viszont a zavarvédettsége kriminális, váltófesz mérésnél nem igazán pontos de az árnyékolás némileg orvosolja
a problémát.
Mindent egybevéve kezdőknek kitűnő sőt sok is.
Igaz van egy jobb műszerem is de ezt használom mert nem kár érte és bőven elegendő a pontossága.
(#) proba válasza damien hozzászólására (») Júl 3, 2008 /
 
Ha jól működik sehogy , ha viszont meghibásodik leginkább ez a baja.
(#) tbajcsi hozzászólása Júl 4, 2008 /
 
Sziasztok!

Nekem egy MAS830-as multiméterem van, pontosan mér és 2 év napi használat alatt sem ment tönkre a méréshatárváltó gombja (olcsóbb cuccnál ált. mindig ez romlik el a leghamarabb), hobby célra tökéletes.

Sajna hazavágtam az ellenállás mérést, szerintem feszültség alatt mértem rá valamire.

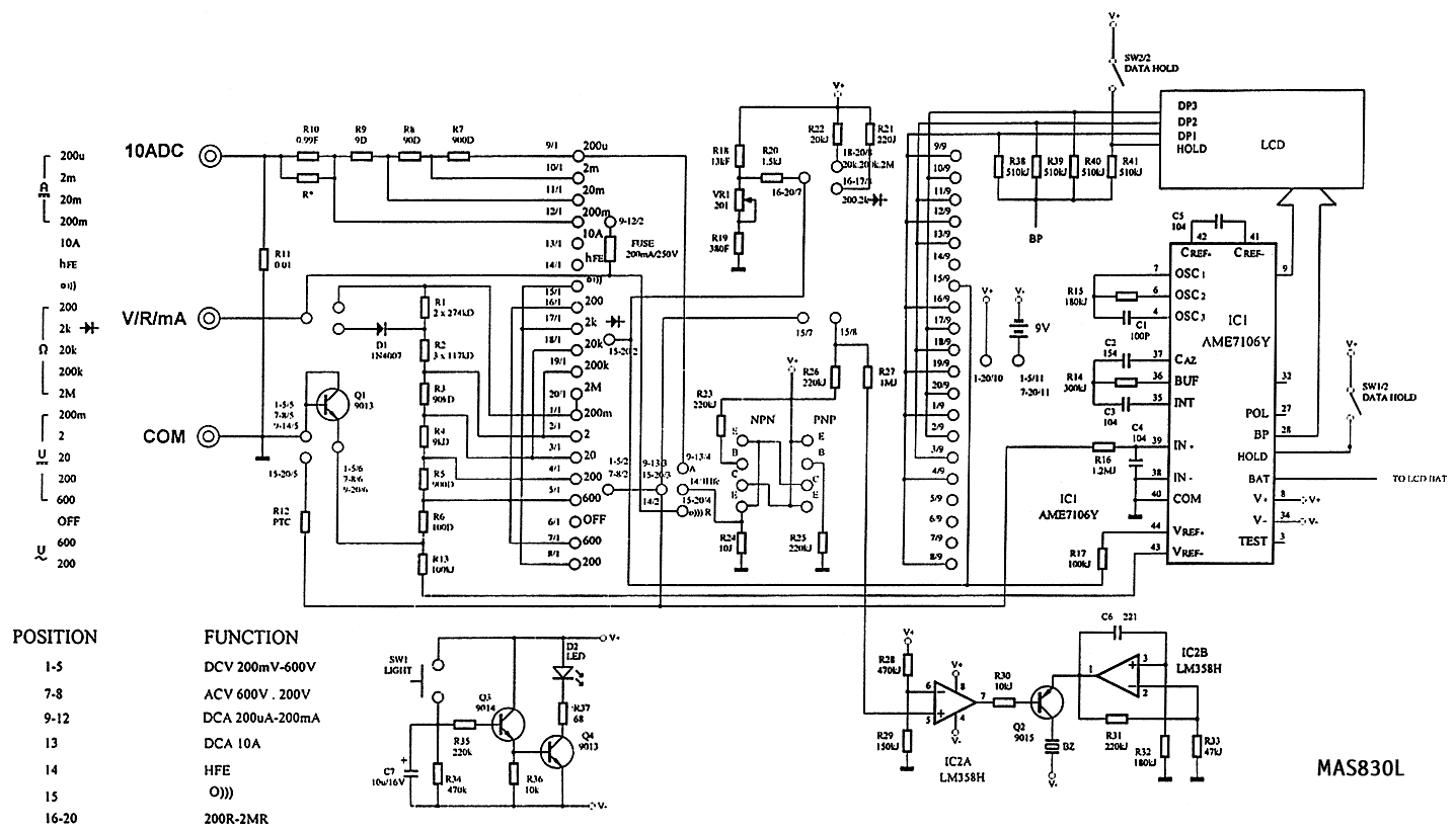
Mindig azt mutatja, hogy túllépte a méréshatárt, bármit is csinálok vele. Tudnátok segíteni hogy mi mehetett benne tönkre, esetleg mit kellene kicserélnem, vagy átnéznem? Itthon ez az egyetlen műszerem, úgyhogy méricskélni sem nagyon tudok rajta.

Van hozzá kapcsolási rajzom is.

Válaszokat előre is köszi!

mas830l.gif
    
(#) kobold válasza tbajcsi hozzászólására (») Júl 5, 2008 /
 
Sajnos ebben annyira kevés aktív alkatrész van, hogy valószínűleg maga az IC, a 7106-os ment tönkre... A COM bemenetnél Q1 a leggyanúsabb (próbáltam kisilabizálni, mi mikor hová kapcsol, de nem teljesen világos), és esetleg a D1 a V/R/mA kapocs után, ha azok cseréje után ugyanez a helyzet, akkor ennyi
Azt azért próbáld lekövetni, hogy megfelel-e a rajz a valóságnak, én sem találtam pont olyan kapcsolást, mint amilyen a multiméterem volt fizikailag.
(#) tbajcsi válasza kobold hozzászólására (») Júl 5, 2008 /
 
Végülis, ezeket az olcsóbb multimétereket, gondolom ti is észrevettétek, hogy tök 1 séma alapján mennek, a tipusszám is megegyezik (pl.: XX 830).

Abban biztos vagyok, hogy valami félvezető ment tönkre, legelőször én is D1-et cseréltem ki, de semmi. :no:
(#) sector99 hozzászólása Júl 5, 2008 /
 
Sziasztok !

Multiméter
Ez a tip. multiméterem van, de kézikönyv nincs hozzá. Föltelepítettem és beállítottam a hozzáadott szoftvert, de sajna nem működik. Mármint a monitoron semmi változás nem látható - csak a 4 db 0 digit van. Rossz lehet az illesztő optikai kábel vagy valamit nem jól állítottam be ?

Légyszi ha valaki tud segítsen ! KÖSZI !!!!
(#) Attila86 válasza sector99 hozzászólására (») Júl 5, 2008 /
 
Magától úgy tudom nem fog a multiméter kommunikálni az USB-n. Ezt a funkciót szerintem külön be kell rajta kapcsolni.

Üdv.!
(#) sector99 válasza Attila86 hozzászólására (») Júl 5, 2008 /
 
Igen valószínű. A műszeren nem található ilyen gomb. A szoft-ban van egy kacsolódás menű. Ha rákattintok átvált szétkapcsolásra, de semmi nem történik. Egyetlen beállítási lehetőség van még a port beállítása. De az a helyén van. Legalábbis az eszközkezelő szerint. Esetleg szkóppal kellene valami jelet nézni, hogy müködik-e az optikai illesztő ?
(#) Attila86 válasza sector99 hozzászólására (») Júl 5, 2008 /
 
És a számítógép felismeri a digimultit amikor csatlakoztatod? Vagy csak maga a monitorozó program nem működik?
Próbáltál olyasmiket, hogy kikapcsolva csatlakoztatod a digimultit USB-n, aztán bekapcsolod, vagy bekapcsolva csatlakoztatod...?

A digimulti kijelzőjén minden felvillan a multiméter bekapcsolásakor? Ha igen, akkor látszik valami kommunikációra utaló szimbólum?
(#) sector99 válasza Attila86 hozzászólására (») Júl 5, 2008 /
 
Na az ami nem történik meg. Mármint a felismerés. A műszer kijelzőjén bekapcsoláskor minden felvillan - teszt. Ott van is olyan felirat, hogy pc link, de azt többé semmilyen trükkel sem lehet előhozni. bekapcsolási sorrendek meg ilyen trükkök variációját szerintem mindent elkövettem.
(#) Attila86 válasza sector99 hozzászólására (») Júl 5, 2008 /
 
Nincs ötletem. :no:
Megnéztem a többi USB-s Maxwell multimétert, de egyiknél sincs user manual ahol leírnák hogyan kell csatlakoztatni.
De szerintem elég csak a "Kapcsolódás" gombra kattintani. Biztos vagy benne hogy a port jóra van állítva?
(#) kobold válasza sector99 hozzászólására (») Júl 5, 2008 /
 
Esetleg meg lehetne próbálni a vezérlőpultból "Új hardver hozzáadása" módszert, hátha elsőre nem kapcsolódik automatikusan... Nincs a progi súgójában erről semmi?
(#) sector99 válasza kobold hozzászólására (») Júl 5, 2008 /
 
Software
Itt van a progi. Súgója az nincs. A driver föltelepít egy virtuális portot. Oda állítottam be, de egyébként 10-is végigpróbáltam.
(#) kobold válasza sector99 hozzászólására (») Júl 5, 2008 /
 
Láttam, hogy ott a progi, csak nem volt kedvem 3.5 megát letölteni, telepíteni potyára... Még egy használható "Help" gomb sincs a felületen??
Ha Attila86 javaslata (a kikapcsolt csatlakoztatás, majd bekapcsolás) sem jön be, akkor passz. Ha az Eszközkezelőben valami megjelenik, akkor valószínűleg az illesztőt nem töltötte be, vagy nem hozzávaló, azt azért nem hiszem, hogy gyári hibás lenne.
(#) sector99 válasza kobold hozzászólására (») Júl 5, 2008 /
 
SIKERÜLT !

Megszereztem a használati útmutatót. A Hz/Duty gomb lenyomása mellett kell a műszert bekapcsolni.....(persze, hogy működik !)

SORRY !!! És persze KÖSZÖNÖM MINDENKINEK !!!!!!
(#) Attila86 válasza sector99 hozzászólására (») Júl 5, 2008 /
 
Örülök hogy sikerült!
Én is gondolkodtam rajta hogy veszek egy ilyen multit, elvégre csak 11000Ft...
Azt meg tudod mondani hogy a PC-n a monitorozás mintavételezése milyen gyors? Illetve hogy PC-s kapcsolat esetén is automatikus a méréshatár-váltás? Ha igen, akkor méréshatár-váltás esetén több idő telik-e el két mintavétel közt?
(#) sector99 válasza Attila86 hozzászólására (») Júl 6, 2008 /
 
Szia Attila !

A műszer működésében semmi eltérés nincs mert - életvédelmi okok miatt - optikai kábelen kapcsolódik a PC-hez. A monitorozás ahogy néztem kb. olyan fél másodperces nagyságrendű lehet. Nem sok időm volt mert csak ránéztem, hogy működik. Excel táblát és grafikont is csinál. Majd küldök Neked mintát.

Üdv
(#) szamóca hozzászólása Júl 8, 2008 /
 
Ezt láttátok már? A szolgáltatásaihoz képest nagyon jó áron lenne. Vagy van valami stikli benne?
(#) zenetom válasza szamóca hozzászólására (») Júl 8, 2008 /
 
Elég szuperül néz ki!
De lehet h valami noname kinai szutyok.
(#) szamóca válasza zenetom hozzászólására (») Júl 8, 2008 /
 
Valószínűleg az ,(minden P.R.C manapság ) de akkor is sokat tud ezért az árért...
(#) Attila86 válasza szamóca hozzászólására (») Júl 8, 2008 /
 
Szerintem valami nem stimmel vele!
A Maxwell MX 25-210 ránézésre ugyan így néz ki, nekem is ilyen van. De a link mögött szereplő üzletben kétszer annyiba kerül.
Szerintem ez valami koppintás lehet.

Főleg hogy ahogy tudom ez a legolcsóbb True RMS-es multiméter (ezért vettem). Megnézném hogy ez a fele annyiba kerülő mit mutatna az enyém mellett mondjuk négyszögjelre...

Üdv.!
(#) Pet91 hozzászólása Júl 24, 2008 /
 
Hello!
én most gondolkodtam el egy új multiméteren, mert az előző kicsit régi.
egyenlőre a Maxwell MX-25306 szimpatikus számomra.
mit gondoltok róla, esetleg valakinek valami tapasztalata van?
köszi
Következő: »»   6 / 131
Bejelentkezés

Belépés

Hirdetés
XDT.hu
Az oldalon sütiket használunk a helyes működéshez. Bővebb információt az adatvédelmi szabályzatban olvashatsz. Megértettem