Fórum témák
» Több friss téma |
Ha szkóp-képet teszel fel, legyen látható a kezelőszervek beállítása, vagy add meg a beállításokat!
Sajnos rajz nincs. 10 euróért sok mindent kaptam,csak rajzot nem. Azért megpróbálom leírom a problémát talán tud valaki segíteni. Tárolós oszcilloszkóp,tehát a ks. cső más mint normál scópoknál, a hiba,hogy normál állásban minimális a fényerő,és nem szabályozható. Átkacsolva tároló állásban viszont maximális fénnyel világít a kijelző teljes felületén.
Sziasztok! Tisztelettel kérek segítséget egy TEKTRONIX 2465B készülék javításához. Mégpedig szükségem volna a következő áramkörökre: 155 0241 02 /U800/ horizontális IC, 155 0237 00 /U600/ vertikális IC, 155 0240 00 /U900/ B SWEEP IC. Esetleg, ha van valakinek KS-cső hibás ugyan ez a típusú készüléke, vevő lennék rá. Az elmebayon van néhány találat de, arany áron amiért már működőképes készüléket lehet vásárolni. (egy Görög fickó a készülék háromszoros árát akarja ki árulni komponensenként) Valamikor az Urbán árulta ezeket (KS-cső hibásokat is) de, már nincs nála sem. Köszönettel: Járai Sándor
Az U800 ismerten neuralgikus pontja, főleg a Maxim gyártmányúak tönkremennek. Ezért nehéz működő példányt találni. Viszont, létezik utánépített verzió. https://www.ebay.com/itm/The-RU800-Ver-1-0-A-Drop-In-Replacement-fo...923795
Nagyon szépen Köszönöm! Ez a legkorrektebb megoldás. Nem is értem miért nem találtam meg, pedig napok óta kutatok ez irányba.
Üdv mindenkinek.
Valakinek nincs esetleg bontásra kerülő Tektronix 465B? Az utángyorsító érdekelne, illetve a nagyfeszültségű oszcillátor trafója. A hozzászólás módosítva: Feb 20, 2022
Helló!
Esetleg U800-at be lehet szerezni 2445-ből, ezt még talán találni. Ha jól emlékszem, mintha az ugyan az mindkettőben. A másik kettő beszerzése nagyon komoly kihívás lesz, sok sikert hozzá!
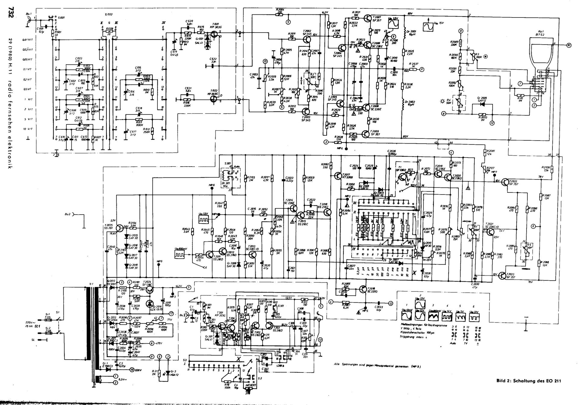
Adott egy Voltcraft RTF OE211 típusú oszcilloszkóp, amikor bekapcsolom a szkópot, akkor az "egyenes vonal" mindig más helyen van véletlenszerűen. Azután mindig a gombokat testre ( GND-re) tekerem, ekkor a "kis pont" is véletlenszerű helyre kerül. Majd kézzel állítottam be a pozicionáló potméterrel mindig középre. Nem tudom ez normális jelenségnek tekinthető?
Kapcsolási rajz Egy másik topikban már kaptam, segítséget, hogy valószínűleg a bemeneti diff erősítő okozhatja a problémát. De hol található a bemeneti differenciál trimmer erősítő potmétere? A hozzászólás módosítva: Ápr 12, 2022
Trimmert a differosito kozos emmiterek aljan talalhatsz vagy valamelyik bazison .Az allo reszei a +/- tapok koze van kotve csuszkaja van a bazisra.Emmiterek eseteben pedig lehet a 2 emmiter koze az allok, csuszka a testre.
Vagy ugyan ugy a emmitereket is +/- tap kozott lehet tekerni mint bazis eseteben. Diff erosito egyik bazisa bemenet itt meg csak asszimetrikus a jel ez jon a kompenzalt osztorol. Majd a differosito kollektorairol megy ki tovabb szimmetrikussa varazsolva. A nem jel bemenetnek hasznalt bazist tologatjak offszettre vagy a kozos emmitert , de lehet a kollektor korben is poti ... csak ott a + tapfeszre megy acsuszka . Ez az elmelet zanzasitva gyorsan tomoren. FET eseteben ertelemszeruen a G a B , S a E , D a C. Mas retegek eseten tapfesz irany cserelodik. Differencial erositoben DC csatolas van ... igy "barhol avatkozol be" a munkapontokat eltudod huzni . Ez reszben jo , reszben meg nem ... delta valamik egyszerre masutt is sok delta valamiket okoznak. Valami lehet hő , feszültség, áram , ellenállás . Sejtem Te pozicio szamot kertel .
Az Y differosito lancban a differencialis FETbemenet utan ami source kovetos.
Jon a BJT differencialis fokozat. Ennek az emmiterei kozott van a Y eltolas potija (fel/le) azzal parhuzamosan van 1 trimmer is a 2 emmiter kozott .Az lesz az offset trimmerje , kulso poti kozep allasanal es az Y bemenet GNDre kotese utan ovatosan tekerve beallithato lesz a kozepvonalra. Mashoz ne nyuljal. Vannak meg ott potik a bazisok korul.Sajna reszben azok is beleszolhatnak 1 kicsit. Amit meg erdemes lehet , hogy a kompenzalt osztot atmosni por es lerakodas mentesito cuccal ami nem oldja a muanyagot. RT Évkönyvekben 90es evek kozepiekb3n van tobb fejezet van EMG szerviz leirasok. Ott emlegetik mit erdemes hasznalni. Nekem széntetraklorid rémlik deee ez nem biztos .... lehet mással keverem.
Jaj ez a szkóp, jaj ez a szkóp.
Nem nézki bonyolultnak, de mégis az. Túl sok poti is van benne.
A tápfeszültségek rendben vannak? Stabilak? A táp szűrőkondikat ellenőrizted a részegységek tápszűrő kondijait is beleértve?
Ha a táprész nem stabil minden beállítás borul. A hozzászólás módosítva: Ápr 13, 2022
Még cserélném a c 2003, 2007, 2009, 2042 47 nF 50V -os, a C622- 33nF 50V -os kerámia kondikat. Ez utóbbi átvezetése szívatott meg egy javítás alkalmakor. Ez a kondi az y osztóban található. A fetek tápszűrő kondija.
Amennyiben a kondik narancssárga orosz gyártmány minden képen cseréld mindet! A C2004 470µF kondit is ellenőrizd.
Á, a táp vagy tápok biztosan nem stabilak. A másik topikban felvettem egy másik problémát is.
Sajnos a kapcsolási rajz és valóság két különböző helyzetet szül. A pociószámok nem pontosan ugyanazok, így nehezebb megtalálnom. De végül a Y fokozatban kicseréltem a 33 nF-ost.
Nem változott semmi, még...Orosz piros kocka kondik vannak. A hozzászólás módosítva: Ápr 13, 2022
Idézet: „Orosz piros kocka kondik vannak.” Az enyémben narancssárgák voltak, de a piros Orosz is ugyan az az instabil kivitel. Cseréld. Öregedés miatt átvezethetnek. Idézet: „Á, a táp vagy tápok biztosan nem stabilak.” Úgy értettem, hogy a feszültségek állandóak, nem mászkálnak és nincs-e nagyobb váltóáramú komponens rossz elkók miatt. Amúgy a 14,2V -os tápfesz stabilizált. Amíg a táp nem tökéletes, nincs értelme más egységeket bántani. A hozzászólás módosítva: Ápr 13, 2022
Ügyes vagy. Az újabb kihívás megoldásához sok sikert.
Bocs, hogy segíteni akartam.
Nem azért linkeltem be, elfogadom a segítséged és köszönöm. Csak hátha ennek is köze lehet a hibához, esetleg. Amit műveltem.
Sajnálatos módon ebben a szkópban nem a bemeneti fokozatban van pedig abban kéne lenni, hanem a következőben. Ezért kissé bonyolult a balanszírozás. A R2007 1 k trimmer, és az R2009 állítgatásával lehet belőni.
Hello! Azt is célszerű megnézni, hogy közös hűtőbordán van-a a két Fet és jó-e a kettő hőkapcsolata. Mert ez az alap hogy együtt fussanak.
Megmértem a 14,2 V -os táp ág feszültségét. Képzeljétek 1,68 V -ot mértem.
Kicseréltem a 15V -os Zenner-diódát. Most stabil, 13,90 V-ot mutat a DMM. A sugár szebb lett, de a jelenségek megmaradtak. A kondikat összeszettem milyennek kellenek, jövőhéten megrendelem azokat. A hozzászólás módosítva: Ápr 14, 2022
A táp méréseknél figyelni kell, mert a tápegység primer oldali negatív ága (9,13 pont) nem azonos potenciálon van mint a készülék ház!
A hozzászólás módosítva: Ápr 15, 2022
Rendben, odafigyelek majd. Akkor elszúrtam. Akkor ez a LED feszültsége volt. Mindegy kicseréltem a diódát.
A 100 µF-os kondin mértem. Ha rossz lenne, akkor bizony a LED fénye is elmenne. A hozzászólás módosítva: Ápr 15, 2022
Ha a C2019 -es 100 µF -on mértél 14V körüli feszültséget az jó. (Tápegység 5 és 13 kimenetek között.)
Üdv..segitséget szeretnék kérni, Vettem Kinából 2 db DSO 150.-es szkoopot. Azbelsö rögtön hibásan rkezet , de majd a második-na az biztos jó lesz, Meg is érkezet kb.30 percet müködöt, csak a saját jelét vizsgáltam. Azért ettöl jobbnak kéne lenni.Bejentkezö kép meg van-de nem mér semmit. Sajnos sosem tanultam ezt a technikát, igy javitan i sem tudom, Ha tudna valaki segiteni a javitásba, ugy hogy elküldeném , természetesen az alaktrészeket és egyébb költséget válalom. Vagy kuka ..Várom segitö válaszotokat Pál..
Kicseréltem a 47 nF-os kondikat, minden 470 µF-os kondit is. Sokkal szebb a bekapcsolás jelző LED fénye és a sugár is még szebb, és sokkal finomabban poziciónálható a sugár. Sajnos a brumm jel, még mindig megvan a felső és alsó szélén a képernyőnek. Szerintem a nagyfeszültséget szűrő kondi lesz a hiba forrása, a 0,22 µF / 1000 V típusú, az a kis lyuk nem tetszik rajta.
Nem találok ilyen kondit. A hozzászólás módosítva: Ápr 22, 2022
Találtam egy 520 nF-os / 1600 V -os p. film kondenzátort. Ez ide jó lehet esetleg?
Az adott kondenzátor 0,22 nF /1000 V MKT elírtam, bocsánat. A hozzászólás módosítva: Ápr 23, 2022
|
Bejelentkezés
Hirdetés |





.
Nem nézki bonyolultnak, de mégis az. Túl sok poti is van benne.
Kicseréltem a 15V -os Zenner-diódát. Most stabil, 13,90 V-ot mutat a DMM. A sugár szebb lett, de a jelenségek megmaradtak.
A 100 µF-os kondin mértem. Ha rossz lenne, akkor bizony a LED fénye is elmenne. 

