Fórum témák
» Több friss téma |
Hogy az original verzió jobb,( sőt valószínűleg klasszisokkal jobb!),mint bármilyen replika,ez nem is vitás.Nyilván "koppintani" is többféle szinten lehet... De azt se feledjük el,hogy ezt a készüléket olyan "misztikum" lengi körbe,mint szinte semmi mást.Az eredeti is pontosan a fizika/elektronika törvényszerűségei alapján működik,és nem tudja azt megcsúfolni,avagy felrúgni.Azzal sem feltétlen értek egyet,hogy egy DIY-építésnél ne lehetne szintén szem előtt tartani az általad említett 3-as elvet.Más kérdés,hogy mi sajnos nem tudunk "négykilences" ezüst-dróttal kimenőt tekerni...
Egyébként erre is van tippem,hogy miért éppen ezüst.Ugyanis míg nálam volt,én átmértem ezt az erősítőt,mindent mértem rajta,ami csak mérhető.Nos...a kimenők primer ellenállása igencsak nagy érték,a szokásoshoz képest.Ez a magas anód-fesz. fényében még nem olyan vészes,de az ideális a nulla ohm lenne,ugye.Valószínű,Kondo azért döntött az ezüst mellett,mert így lejjebb tudta vinni az egyébként magasra adódó DC ellenállást.Egyszerű fizika.És persze logikus.A hifi-sajtó nyilván csak a "szenzációs" technikai részleteket szellőztette meg,és nem szakmai szemmel vizsgálta a készüléket,rámutatva az ok-okozati összefüggés(ek)re.Ebből a laikus nagyközönség levonta azt a konzekvenciát,hogy jó kimenőt csak ezüst-huzallal lehet tekerni...merthogy az ongaku szenzációsan szól,és annak is ezüst van a kimenőjében.A többi pedig már legenda. A hozzászólás módosítva: Máj 20, 2022
Nos,tegnap ismét vizsgálódtam,és érdekes dolgok derültek ki.Ez a két panel így beültetve került hozzám.Kivettem a vég-tranyókat, (2N 3055),és bár primitív módszerrel,de mértem rajtuk egy erősítési tényezőt.Ezek emelkedő sorrendben:6,-21,-26,-és 55. A két szélső érték között majdnem 10x-es az eltérés...ehhez ugye nem kell kommentár.És valóban,az egyik oldal rendre egy gerjedés-szerű jelenséget produkált,amit semmilyen módszerrel nem tudtam megszüntetni.Ebben volt a két nagyobb bétájú tranyó.Újabb tanulság...(??)
Erre csak azt tudom javasolni:kell hallgatni élő zenét is.Sokat... Ugyanis akkor lesz a fejedben egy bizonyos "hang-ideál",hogy mi is szól jól.Én is szoktam,mostanában újra sűrűbben is.Bután hangzik,de a hallást is kell "edzeni".És lehet is.Ne egy másik,esetleg etalonnak vélt/tartott rendszer hangja legyen az ideál,az csak illúzió.De sokan esnek ebbe a hibába.
Utoljára... aztán nem mérgelem magam tovább megint. Meghívtalak, válaszra sem méltatsz.
Nem merek arra gondolni, hogy megfutamodtál... valószínűleg valami más lehet a háttérben. Mellesleg: Több csöves erősítőt hallottam életemben, mint amennyit te láttál valaha is. És valószínűleg több élőzenét is hallottam.
Nem tudom mennyi kimenőt tekertél eddig és aztán hallgattál meg, de a nagy primer DC ellenállás része a jó hangnak. Persze, a kimenőnél kompromiszumosabb alkatrész nem nagyon létezik az elektronikában. Még a legprimitívebb mézes mázos SE se szól szépen a kisebb primer ellenállású kimenővel mert felkeményedik, tranyós hangja lesz, csövest meg ugye pont azért építünk mert nem tranyós hangot szeretnénk.
A rövid "ismerkedés",és javítás alatti vizsgálataimból kifolyólag 3 fő dologban látom a Kondo-féle erősítő által képviselt potenciált:
1-közvetlenfűtésű trióda,mint vég-cső alkalmazása. 2-negatív feed-back teljes nélkülözése. 3-nagyon komoly meghajtó-fokozat,és direkt-csatolás a vég-és meghajtó cső között. Kb. ennyi,illetve nyilván egy nagyon átgondolt,tervezési koncepció,és "rendszerben gondolkodás".Egyébként ha lebontod fokozatokra,nincs benne semmi rendkívüli...úgyszólván alap tankönyvi megoldások,de mégis,ahogy az egész összeáll,és ki van találva,az zseniális.
Bocs,nem vagyok itt minden nap...természetesen lehet szó a meghívásról,élek is vele,ha idő engedi.De a mércém elég magas...ezt tudni kell.
No,ezt így konkrétan nem tudtam...de jó adalék info-köszi.
OK. Idő az van dögivel.
Nálam piros keretben jelennek meg az új hozzászólások. A mércém nekem is elég magas pl. használom a space billentyűt (Legalul van, középen... az a hosszú)
Részben igen. Jómagam is azért köpködtem (meg teszik azt sokan a mai napig) egy fél életen át a csövest mert csak primitíveket hallottam belőle azok meg nem szólnak jól. Ahhoz hogy jó legyen gyakorlatilag alap a végcső katódból hajtása. Nézd meg gyáriban hány ilyet találsz. Kb. 1 de max 2 kezeden biztos össze lehetne számolni. És hát akkor nem szól jól a csöves. Nem hát, úgy a 99,9%-a tényleg nem, de ez ugyanúgy igaz a félvezetősökre is. Ott van pl. az ARC. Melyik rajzait építgetik után? A legvacakabbat, mert az egyszerű, nem kell bele annyi cső. A PP meg ugye egyből dupla probléma, mert ki fog beletenni egyszerre 2db katódkövetőt is? Senki, még a gyártók se. Olyan is lesz...
Az írásból azt szűröm le, hogy végülis a sávszélességet lehet kitolni a kis impedanciás meghajtással. Ez nem csak a katódkövető-végcső, hanem a végcső anód-nagy impedanciás kimenő illesztéseknél is jelentkezik.
Hangszererősítőnél persze ez éppen nem így van, de azt nem hifire tervezték. Felmerült bennem egy kérdés. Ez amolyan tyúk vagy tojás dolog. Azért tetszik a hozzáértőknek (azért írom ezt így, mert átmenetileg a hallásom nem az igazi), mert közvetlen fűtésű a trióda, vagy azért, mert fehéren izzik? Nekem közelebbről a 2A3 triódákat sikerült megfigyelnem. Talán az élettartammal van összefüggése, de a direkt fűtésű csöveknél magasabb hőfokon mehet végbe a katódemisszió, és gyakorlatilag tiszta wolfram is emittálni. Közvetett fűtésnél a katódot nem lehet fehér izzásig hevíteni, mert akkor a fűtőszálnak még melegebbnek kellene lennie, ami lehetetlen. Alacsony hőfokon pedig csak mindenféle trükkel lehet rá enni a katódot az emisszióra. Ilyen az oxid, tórium, meg más bevonat. Az, hogy ezek a bevonatok leépülnek, az csak egy dolog. Viszont lehet, hogy mocskos elektronokat emittálnak, a tiszta wolfram pedig egyenletes tiszta elektronokat. Tehát nem a fűtés módja, hanem az emitter határozza meg a lényeget. De ez csak gondolat, nem kell készpénznek venni. A hozzászólás módosítva: Máj 20, 2022
Erre nem tudok mit mondani, akár igaz is lehet. Közvetlen fűtésű cső az sok fajta van, de egyedül ez fűt így a többi egy sem, azoknak a hagyományos vörösen parázsló fűtésük van. Ezt az ongakut én elsőre úgy pillantottam meg, hogy nappaliban naplementéhez közeledve az ablakon besütő nap az egész erősítő képét rávetítette a falra, és a falon látszott ahogy elég komolyan remeg a csövek felett a levegő, mint amikor a nap pörköli az aszfaltot. Szóval van disszipációja rendesen, aztán hogy a sajátos hangja annak tudható-e be vagy sem a fene tudja. Ha jól rémlik csak a fűtése 35-40W a csőnek, meg még az 1kV/60mA anódáram. Ez az egyik oka hogy nekem nem lesz olyan. Bár néztem egy félvezetőset legutóbb (talán az accuphase volt) ott ha jól emlékszem még ennél is nagyobb disszipáció van.
![]() Ja, egyébként ha teheted mindenképpen hallgass meg egy ongakut, akár csak egy koppintást is, érdemes... A hozzászólás módosítva: Máj 20, 2022
Ha jól rémlik csak a fűtése 35-40W a csőnek, meg még az 1kV/60mA anódáram. Ez az egyik oka hogy nekem nem lesz olyan.
Persze most ezt így gondolod, mert jön a nyár. Télen , majd ha nem lesz gáz megváltozik a véleményed
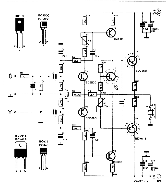
Tudom a JLH-hoz semmi köze. Azt hiszem ebben a topikban merült fel az erősítő jelenlét érzete. Jó 11 éve építettem meg az alábbi kapcsolás szerinti erősítőt. Csupa bontott olcsó alkatrészből. Mai napig nem dobozoltam be, de most már időt szakítok rá. Ennek az erősítőnek a jelenlét érzete fogott meg. Nemcsak jobb és baloldalt szól a zene vele, hanem az elöl hátul is elkülönül. Kicsit le voltam tőle döbbenve. Szerintem méltatlanul hanyagolják ezt a kapcsolást. Egyébként egy Elektor újságban publikálták.
néhány adat: Tápfeszültség +-42V A végfok tranzisztor BDV66C,BDV67C. (Philips) BC640 helyén BD140. 4cm2-es hűtőlemez BC639 helyén BD139. 4cm2-es hűtőlemez R15,R16 56Ohm/1W
A legtöbb általánosan használt kapcsolással az a baj, hogy odabiggyesztenek egy meghajtó-végtranyó párost vagy egy darlingtont az erősítő fokozat után. Ez látszólag elég áramerősítés de mégis, a kelleténél jobban terheli ami nem csak torzítást okoz de meg is hallatszik. A tucatkapcsolások java is sokkal jobban szólna ha tennének bele egy plusz buffer fokozatot vagy tripla darlington kimenete lenne.
Roger Waters - Too much rope számában egy jó erősítőn a bal doboztól másfél méterre balra (nálam már falon kívülről) jönnek a lovak, és a másik doboztól jobbra másfél méterre mennek el, nem csak a két doboz között mint egy vacakabb erősítőn. A hozzászólás módosítva: Máj 21, 2022
Igen azt észrevettem én is, hogy monoban füllel hallhatóan torzít. Stereo térben ezt a torzítást már nem hallom.
A hozzászólás módosítva: Máj 21, 2022
Abszolút egyetértek,katód-hajtásos végfokot is építettem már,de akkor (tizen-sok évvel ezelőtt) ez még nem tűnt fel,mármint,hogy mennyivel magasabb szintet képvisel.Annyit még hozzátennék,hogy a direkt-csatolás,tehát az RC-tag elhagyása még legalább annyit lendít a dolgokon,-ha nem többet.Viszont,ha direktben akarunk vezérelni,az szinte csak katódból kicsatolva valósítható meg. (többnyire...)
Ez nem tűnik rossznak,hozzáteszem:így,első ránézésre... Talán egy deszkamodell-kísérletet megérne.
Ezt írtad:"nekem nem lesz olyan" Kívánom,NE ez valósuljon meg,de időközben utána érdeklődtem a 211-es cső beszerezhetőségének (itt most tekintsünk el az egyébként horror árától),és bizony semmire nem jutottam.Beszéltem egy-sejtésem szerint-fehérorosz származású úrral,aki egzotikus csöveket árul(t),de még az orosz megfelelője a VT4-C is necces...ezt mondta.Beszéltem továbbá egy másik személlyel,aki az egész délkeleti régiót ő látta el csővel régebben,nála sincs elérhető jelenleg,és valószínű,nem is lesz.Egy harmadik urat is felhívtam,orosz 6C33C van neki,de 211 nála sincs.Szóval,patthelyzet-eddig.
TAD-nál 3 fajta is van raktáron. Persze nem mondanám olcsónak...
A hozzászólás módosítva: Máj 22, 2022
A "space"-billenytyűt nem értem,de mindegy... De fordítsuk meg a dolgot... Azt írtad,a JLH nem (elég) jó,mert színez. Ismersz-e olyan kapcsolást,ami egyértelműen,és (hogy is fogalmazzak?) méltányolhatóan jobb,mint a JLH? Vagyis nem színez (annyira)
és aki megépíti,mindenképpen hallani fogja,hogy szignifikáns különbség van a kettő között,nyilván a tied javára. Jaa,és ne legyen 5x annyi alkatrész benne. Amatőr körülmények között,viszonylag egyszerűen reprodukálható,akár otthon a konyhaasztal sarkán,és nem kíván különleges,műszeres beállítást,továbbá nem tartalmaz beszerezhetetlen,"egzotikus" alkatrészeket.Tényleg kíváncsi lennék rá.
Most tulajdonképpen-mivel ez JLH-s topik-azt akarom kideríteni,egyáltalán mekkora "potenciál" rejlik ezen kis végfokban. (bár eléggé szét off-oljuk lassan...) Tervezek egy "de-luxe" verziót építeni belőle,csak be kell szereznem pár kurrensebb alkatrészt.Van egy sejtésem ugyanis ezzel kapcsolatban.Az Ágoston könyv is említést tesz róla,csak olvasni kell a sorok között.Sőt,még azt se...
Ezzel most lehet,"kavicsot dobok a tóba",de nem szeretnék senkit megbántani,sőt.Mert ugye,végig futva a topik-ot,mi is a helyzet? Legtöbben összerakják,úgy-ahogy.Sokaknak az élesztéssel is gondja van,de akinél összejön elsőre,mit is tesz...beállít 1-1,2A nyugalmit,tápközepet,majd elégedetten hallgatja/használja.Ez mind nagyon szép,csak éppen soha nem fogja megtapasztalni,mit tud valójában ez a kapcsolás.Szerintem ezt ki kell max-olni,mivel alapból kicsi a teljesítménye. 2A felett kezd igazán éltre kelni.És nem 2N3055-öket kell bele tenni,persze. Jaa,hogy felmegy 70-80 fokra a hűtőborda? Igen,és akkor mi van? Semmi...ez A-osztály,ez a lényege.De ott és akkor fogja megmutatni a valódi képességeit.Most ezt gondolom,a gyakorlat fogja megmutatni,igazam lesz-e.
Lehet tuningolni, de nincs sok értelme, mert olyan magas lesz az alapáram-fölvétele, hogy idővel elmelegszik és tönkremegy. Jó nagy hálózati transzformátor is kell hozzá. Ha a táp 28-32V közötti, akkor legalább 120VA-es transzformátor kell. Ha nagyobb graftot szeretnénk, 36-40V tápfeszültségnél kb. 15-20W kimeneti teljesítmény körül, akkor legalább 160VA-es hálózati transzformátor szükséges a megbízható működtetéshez.
Ha nem szól szépen, kb. 0,8-1,2A között, akkor inkább kuka az egész. Nagyon nagy hűtőborda kell ehhez is, ne engedjük 70foknál följebb a félvezetők hőmérsékletét mert belül lehet már 120fok is, ami hosszútávon csökkenti a megbízhatóságot, a tönkremenetelt is közelebb hozza. Üdv! Idézet: „2A felett kezd igazán éltre kelni.” Ezt már megtapasztaltad, vagy egyelőre elméleti megfontolás?
Most jönne jól bétát mérni a kollektoráram függvényében hidegen, és melegen. Pontosabban a lehetőséghez képes minden hőfokon. Amikor azt állítja valaki hogy melegen jobban szól egy tranzisztoros erősítő ami nem nagyon van visszacsatolva, akkor elképzelhető, hogy az áramerősítési tényező lesz lineárisabb melegen. Vagyis nem a meleg miatt szól jobban, hanem az egyenletesebb béta miatt, ami meleg félvezetőnél tapasztalható.
Ezt a végfokozatot éppen Karesz50 tervezte, és jól szokott szólni.
**************************** 1. A fórum teljes felületén az árusítás, hirdetés szigorúan tilos. A hozzászólás módosítva: Máj 22, 2022
Moderátor által szerkesztve
Amiket írsz,az megfontolandó,de úgy gondolom,mindennek "ára van"... Végül is a csöves holmikban is csere-érett lesz előbb-utóbb mindegyik aktív elem.
Szia! Részben tapasztalat,mert nekem (nálam) nagyobb alap-áramnál mindig jobb lett a hang is...viszont jelenleg amik meg vannak építve,nem tudok 2A-nál feljebb menni,mert felforr a táp-trafó.
Viszont (...) az Ágoston-könyv is azt írja (ha már feljött szóba,idézem):3A-nál még szebben szól,viszont az így keletkezett hő el-disszipálása már kényszer-hűtést igényel. Továbbá:bármilyen csöves kapcsolásnál (PP-ról van szó,természetesen) azt tapasztaltam,ha csökkentem az alap-áramot,valahogy mindig "visszaesik" a hangminőség,és mivel a csövesek tkp. mind A-osztályban (vagy annak közelében) mennek,talán lehet némi párhuzamot vonni.
Ránéztem az ajánlott erősítőre,háát...az egy teljesen "más történet",mint a JLH. Percig sem kételkedem abban,hogy nagyon jó,csak hát...
Nem tudom,hol árultam,vagy hirdettem bármit is?? Ez továbbra sem áll szándékomban,szóval... |
Bejelentkezés
Hirdetés |









