Fórum témák
» Több friss téma |
Sziasztok!
Van egy 12voltos ablaktörlő motorom,egy 6 pólusú irányváltó kapcsolóm 2 végállás kapcsolóm.Nem tudom bekötni.Ebben kérem a segítségeteket.Köszönöm!
Én se tudnám, ha nem írod meg, mit szeretnél.
Ez igaz. Köszi.
Tekercselö gépet szeretnék készíteni.A sor végeket kellene a végállás kapcsolókkal beállítani.Ha nem jó az ötlet elfogadom, mert az elején vagyok.Köszi!
Van már ilyen, nézd át! Ha nem ad megoldást, ott kérdezz!
Menetszámolós tekercselőgép... Amit felsoroltál, az kevés lenne. Mechanikus végállással lehetne ide-oda váltogatni, elektromosan váltórelék kellenének.
Erbe.Köszönöm a segítséget,utána néztem és mechanikus végállással fogom elkészíteni.Menet közben meglátom hogy alakul.Mégegyszer köszi!
Sziasztok!
Sajnos nem tudom az adott helyzetben kapcsolót használni. Két pozitív 12v-os vezérléssel kellene működjön. Tápfeszültség megszakításával tudom kis be kapcsolni. De ebben az esetben a kondenzátor nem sül ki túl gyorsan. Kell neki kb tíz másodperc. Van erre valamilyen megoldás?
Hello! " Két pozitív 12v-os vezérléssel kellene működjön." Ezt nem igazán értem..
De ha a tápfesz megjelenésével indítanád, akkor az R2-vel párhuzamosan teszel egy diódát. (Anód a Reset felé.) Akkor kikapcsoláskor az kisüti a kondit.
Sziasztok!
Kezdőként szeretném kérdezni, hogy tudtok futópad elektronikával foglalkozó szerelőt? Olyant keresnék akinek elküldhetném az elektronikát ( panelt) és bevizsgálná mi a rossz, mennyi lenne a javítása,stb….. Előre is köszönöm a segítséget!
Sziasztok!
Keresek futópad elektrónikához szerelőt!!! Aki foglalkozik panelek, vezérléssel kimérésével. Előre is köszönöm! Üdv!
Szia!
A kérésedet az apróhirdetésben tedd fel, többen olvassák ( Keres" ). üdv, ferci
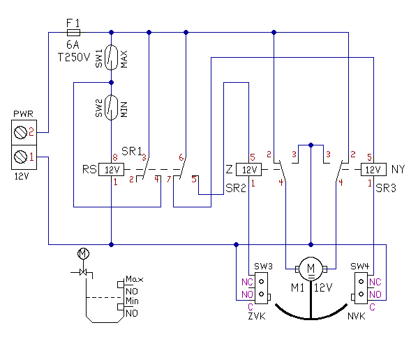
Sziasztok, Ez a relés kapcsolás nekem jónak látszik, de kétségeim vannak: Nekem egy ciszternába gyűjtött esővíz szabályozást kellene megoldanom. A tetőről érkező esővíz útját egy visszacsapó szelepes elemmel oldanám meg reteszeléssel, amit egy ablaktörlő motor végezne. A tartály szintjét két lebegőkapcsolóval szabályoznám, a motort végálláskapcsolókkal állítanám meg a nyit/záz pozíciókban. A kérdésem az lenne, hogy ha az S1-S2 nyomógomb helyére a lebegőkapcsoló fixen kapcsolja a feszültséget, ahhoz mit szólnak a relék? Ha ez gondot okoz, esetleg tudnátok javasolni más kapcsolást? Előre is köszönöm a válaszokat!
Szia, S1 és S2 helyére ha fixen adsz tápot, és csak a relék kapcsolt oldalán teszel végálláskapcsolót az áramkör megszakítására, akkor a relék egy picit fűteni fognak a folyamatos behúzva tartás miatt, szerintem fölöslegesen. Ha a megoldásod fizikailag átalakítható, hogy végállásnál 2 mikrokapcsolót nyomjon meg, akkor az egyik lehetne a relék behúzótekercsének megszakítója.
Hello! A relék nem szólnának semmit. De ha arra gondolsz, hogy mi van, ha mind két relé egyszerre húz, akkor sincs semmi, mert ha mind két relé el van ejtve, akkor is áll a motor, és ha mind kettő meg van húzva, akkor is áll a motor. Lévén hogy ha a motor mind két pontja azonos potenciálon van, akkor nincs miből működjön.
De szerintem Te töltő-ürítő kapcsolásra gondolsz. Avagy ha eléri a vízszint a maximumot, lezár a szelep. És ha elér egy minimumot, akkor pedig kinyit. Vagy nem? (Mert a kérdésből ez nem derül ki.) Akkor viszont információ tárolásra, avagy öntartó áramkörre van szükség. De ezt a dolgot akár egy úszókapcsoló is meg tudja oldani a hiszterézisével. (Nem ott kapcsol be, ahol ki.) Mert ez a két relé a rajzon, mindössze az irányváltást oldja meg. Mondjuk lerajzolhatnád hogy és hol lesznek az érzékelők és milyen típusúak. Valamint hogy képzelet el a működést. A hozzászólás módosítva: Szept 1, 2022
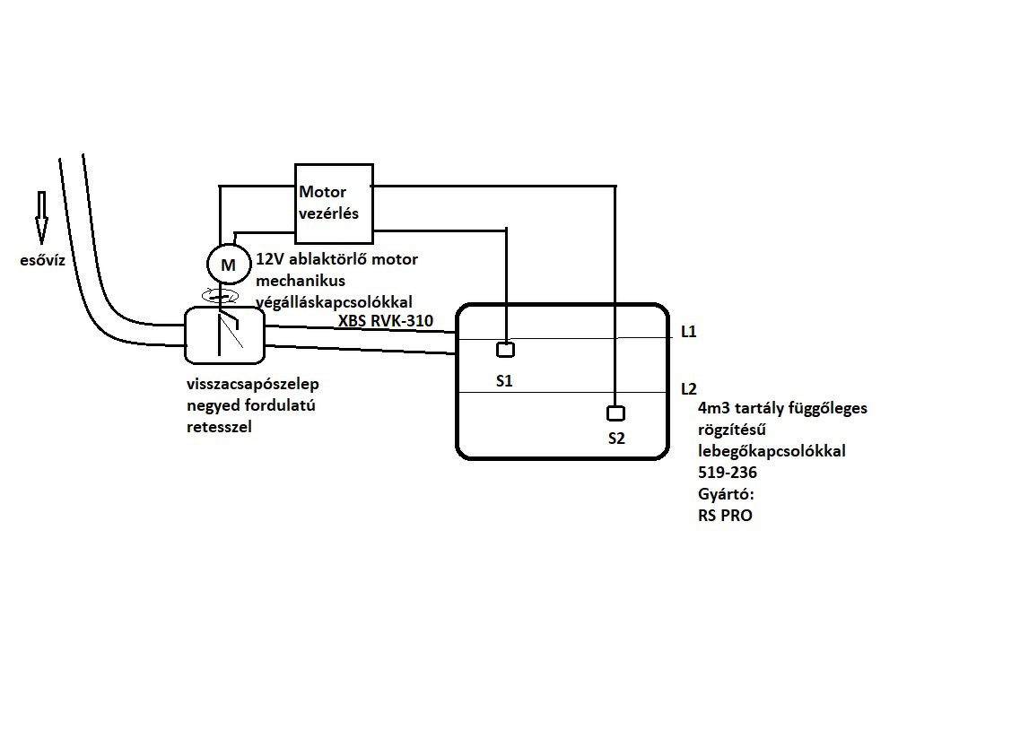
Köszönöm a válaszokat!!! Így van, ez egyfajta töltő/ürítő rendszer volna. Automatizálva csak a töltő oldal lenne, a szivattyú manuálisan lenne kapcsolva, amikor szükséges. A lényeg, hogy az esővíz ne haladja meg az L1 szintet, a visszacsapó szelep zárva legyen. Amikor pedig eléri az L2 szintet, nyisson ki. Megpróbáltam csinálni egy vázlatot, hogyan képzeltem el a működést. Remélem, sikerül csatolni.
Nincs a tartályon vagy a csőrendszeren túlfolyó? Ott tudna távozni a felesleg.
Kösz az ötletet, föld alatt van a tartály.
Hello! Oké, én megrajzoltam hogyan lehet ezt megoldani. De én a töltésben egy logikai hibát látok. Ha nincs maximumon, akkor nyitva lehet a szelep. Tehát nem sok értelme van, hogy a maximum-minimum érzékelőt egymástól távol helyezzed el. Így tulajdonképpen felesleges a két érzékelő, ezt egyetlen úszókapcsoló is meg tudja oldani, mert mindnek van hiszterézise. Avagy a be és kikapcsolás között van távolság. És akkor az információ tároló felesleges. De Te tudod..
Az érzékelő kontaktus "NO". Vagy is mind kettő olyan, hogy ha a vízszint meghaladja az érzékelési szintet, a kontaktus zár. A hozzászólás módosítva: Szept 5, 2022
Tisztelt Forumozók!
Szeretnék 2 db brushed 24 v 250 w motort irányítani egy flysky 6 csatornás távirányítóval. A két motor egy platformra lenne szerelve egyik a jobb oldalt a másik a bal oldalt hajtaná. A motorok és a távirányító már megvan, de az elektronika még hiányzik. A fordulatszám szabályozás és az irányváltás lenne a fontos. Ehhez szeretnék segítséget!
Ugy hivják, hogy BEC ESC Brushed 10 A 6S (24 V) van. Keress rá
Köszi a segítséget! Akkor már külön motorvezérlő nem is kell?
Általában nem. A vevöben a szervo foglalatába kell bedugni. Innen kapja a vevö az áramot ( BEC) mig a nagyteljesitményü kimentre ESC ( kimenetekre) a motor (motorok) mennek. Van olyan is ami egyböl 2 motort tud hajtani, külön szervo parancsokkal ( lánctalpas jármüvek stb vezérlésére). Mindenképpen autokhoz stb valo ESC-t keress, mert azok tolatni is tudnak ( azaz visszafelé is forog a motor). Az egyszerübbek csak egy irányba mennek. ( repülögépekhez).
Jobb modellboltban/klubban kaphatsz tanácsokat is. Mindenképpen a nagyfeszültségü verziot keress ( 6S = 24 V) áram szempontjábol 6-400 Amperig láttam. Az utobbiakon már ventillátor is van, a kisebbek akár vizben is müködnek. Mindenképpen kefés motorokhoz valot ( brushed) és ha lehet, olyat ahol a PWM frekijét is be lehet állitani - programozni. Ez fontos mert sok ESC vasmentes motorra van tervezve, ami kilohertz feletti frekivel megy, a mezei motor meg 1 kHz alatti PWM-et igényel.
Tisztelt Fórum!
Bolhapiacon vásároltam egy Minn Kota 36 lbs Thrust csónakmotort. A biztonság kedvéért lepróbáltattam az eladó akkumulátoráról és azt tapasztaltam, hogy az 5 előre- és 3 hátramenet helyett egy bizonyos állásban működik. Ezért arra gondoltam, hogy megtisztítom a fokozatkapcsolóját és használható lesz. Azonban tévedtem. A kapcsolót már többször "reparálták", a belső szerkezet néhány része hiányzik, és -bár vételkor úszott a zsírban- tisztítás után sem lett jobb. Sajnos nem tudom rekonstruálni a motorvezérlő áramkört. Ebben kérek segítséget. Próbáltam gyári kapcsolót beszerezni, de ezt a típust már nem támogatják... A motorhoz 2 db vastag- és 3 db vékony kábel megy le. Úgy gondolom, ezek a gerjesztések. A főáramkör (forgórész?) belső ellenállása minden tengelypozícióban kb. 0,4 Ohm. A vékony kábelekhez tartozó ellenállások a fővezetékhez és egymáshoz képest 0,7 -1,2 Ohm. Még annyi kiegészítés, hogy a tengelyt kb. 30-fokonként erős mágneses mező tartja pozícióban. Arra gondoltam, PWM szabályozóval oldanám meg a feladatot, de nem tudom, hogyan kössem be a gerjesztéseket. Előre is hálás köszönet a segítségért!
Szia!
Van a neten, egy Minn Kota service manual nevű PDF mappa. Lehet, hogy ott találsz megoldást a problémádra. Sajnos linket nem tudok most beilleszteni.
Én egy vadiúj E-TRUST-al jártam így. kb. 5 órát használtam. Hosszabb állás után nem kapcsol a kapcsolója. Félre tettem a motor aztán vettem inkább egy potméteres Zebko Rhino BLX70 -et. Persze vettem hozzá tartalék potmétert és csigát is. Ha egyszer lesz időm, akkor jobban elmélyedek a az E-TRUST motorjában. Gondoltam már arra, hogy átalakítóm relés vagy FET-es vezérlésűre.
Köszi, ehhez hasonlókat én is találtam. Viszont sehol nincs kapcsolási rajz a fokozatkapcsoló -elég bonyolult- belső világáról, vagy a gerjesztett motor bekötéseiről. Küldök képeket a kapcsolóról.
A lényeg az lenne, hogy mit kell kötni a vastag vezetékekre (gondolom, ez a főáramkör, 12V DC), ill. a 3 db. vezérlő szál 3 gerjesztő tekercset lát- e el. Félek 0,4 ohm-ra 12V DC-t rákötni, ha nincs gerjesztés, vagyis áll a motor.
Biztos vagy abban, hogy ez egy gerjesztett motor? Fotózd le a motort is. Valóban a vastag piros és fekete vezetéket kötném az akkura. A 0,4 Ω nem szokatlan kis feszültségű egyenáramú motornál.
A hozzászólás módosítva: Márc 23, 2024
Hello! Anno én is javítottam egy amcsi csónakmotort. Igaz ezen részével nem foglalkoztam, csak a motor csapággyal és a kommutátorral. De a vezérlő elektronika a csigával szemben lent az orrkúpban volt a hűtés miatt és ki volt öntve műgyantával. Tehát a kapcsoló csak a bekapcsolást végezte, a vékony szálak a fordulat-szabályzónak szóltak. Szerintem itt is ez lesz a helyzet..
|
Bejelentkezés
Hirdetés |




Köszönöm!!!!! 




