Fórum témák

» Több friss téma
Fórum » Erősítő mindig és mindig
Mielőtt kérdezel, a következő két dolgot ellenőrizd! I. A helyes tápfeszültségek megléte. II. A kimeneten van-e egyenfeszültség. Élesztés.
Lapozás: OK   2414 / 2576
(#) Karesz 50 válasza tépapa hozzászólására (») Szept 16, 2022 /
 
Szerintem előbb építsd meg, méregesd, gyakorolj rajta, írd meg a tapasztalataid... biztosan lesznek majd kérdéseid is. Én első körben csak egy monó kísérleti panelt készítenék, fele munka és azt is meg lehet hallgatni. Ha tetszik majd megcsinálod a "párját" is.

Ha már szólni fog akkor majd rátérünk arra, hogy mit lehet rajta változtatni, javítani, másképpen megoldani. Nem kell kapkodni/siettetni semmit, van időnk még bőven mindenre.
(#) tépapa válasza Karesz 50 hozzászólására (») Szept 16, 2022 /
 
Rendben.
(#) Massawa válasza Karesz 50 hozzászólására (») Szept 16, 2022 /
 
Az uj kondi jobbak közül valo, nem hiszem, hogy szivárog és az ESR-e is jobb, mint az eredetié. Ezt amugy is cserélnem kell, mert nem igen fér oda.
Ami viszont nálam is kiverte a biztositékot, nézd meg hogyan táplálják a relét.
Ma nem hiszem, hogy lesz idöm tovább piszkálni a dolgot, de a relé körül fog kelleni nézelödni. Mert amikor áram alá helyezem az áramkört, csak egy bizonyos idö után huz meg, és ugy marad. Azaz maga a kapcsolo áramkör müködik, de valami a bekapcsolás után pár másodperc után változik meg, és ugy is marad.
A másik müködö erösitö is a bekapcsolás után a relé meghuz ( pirosrol zöldre vált, majd ujra pirosba / Standby). A rossz viszont csak pirosrol zöldre billen és ugy is marad. Ott valaminek vissza kellene billenteni jel nélkül az áramkört. Ezt még nem volt idöm kibogozni.

Meg tudnád csinálni a Standby áramkörön a DC szinteket? Kösz.
(#) Karesz 50 válasza Massawa hozzászólására (») Szept 16, 2022 /
 
C20 az időzítés kezdetén 5 uA árammal töltődik (az eredeti rajz szerint). Hidd el, hogy van ekkora szivárgóárama annak a kondinak amit most betettél, nem véletlen volt ott olyan nagy "bumszli" elkó.

A Stan-by rész feszültségszintjei ott vannak a diagramon, de:
"A" mérőponton bekapcsolva 12 V, kikapcsolva 24 V.
"B" mérőponton bekapcsolva 14 V, kikapcsolva 0 V.
"C" mérőponton bekapcsolva 22 V, kikapcsolva 2 V.

U3A akart lenni egy bekapcsolási késleltetés, de elszámolták R33, R32 osztót ezért kapcsolgat ki-be. R33-at ki kell cserélni 15k-ra és esetleg C22 megnövelni. Ezt ki kell kísérletezni.

Látom, hogy két párhuzamos 62k korlátozza a relé áramát. Nincs ezzel semmi gond. Ilyen
(#) Suba53 válasza tépapa hozzászólására (») Szept 16, 2022 / 1
 
Ez tényleg csak játékra, tanulásra lehet jó. Maga a szoftver tudhat mindent, amit a legtöbb korszerű szkóp tud. A gyenge pontja a bemenet, illetve a bemeneti egyéb funkciók hiánya.
Gondolom a hang bemenetet tudja csak használni, annak minden korlátjával együtt.
(#) Massawa válasza Karesz 50 hozzászólására (») Szept 16, 2022 /
 
Nem a bekapcsolás a gond, hanem a kikapcsolás.
A rajzodon a kikapcsolás hiányzik, pedig ennek is elvben be kell következnie. Szoval a bekapcsulás után jel nélkül az áramkörnek vissza kellene állnia az alaphelyzetbe, amikor a relé ujra elenged, és begyullad a piros LED. Ez nem következik be.
Az a két ellenállás meg a dioda tiszta agymenés a relé áramkörében. De ezzel most ne foglalkozzunk.
(A diodának az induktivitáson keletkezett impulzusokat kellene elnyomnia s nem az ellenállásokon.)
A C22-t meg az ellenállások értékét meg fogom vizsgálni, habár a rajzon meglehetösen szük toleranciás alkatrészekkel hösködtek. És tény, hogy eddig még hibás alkatrészt nem találtam.
A hozzászólás módosítva: Szept 16, 2022
(#) Karesz 50 válasza Massawa hozzászólására (») Szept 16, 2022 /
 
Harmadjára is leírom. Azért nem vált vissza standby-ba mert szivárog C20 kondi. Tedd vissza az eredetit, vagy formázd az új kondit addig míg meg nem szűnik a szivárgóáram.

A rajzomon ott van a kikapcsolás. Akkor kapcsol ki amikor U3B kimenete L szintre vált.

A relével párhuzamos szabadonfutó dióda (D10) jól van bekötve, így kell.
(#) tépapa válasza Suba53 hozzászólására (») Szept 16, 2022 /
 
Igen. Gondolom annyit tud, amennyit a gép hangkártyája.
(#) Karesz 50 válasza Karesz 50 hozzászólására (») Szept 16, 2022 /
 
Itt van az idő-diagram kétféleképpen ábrázolva, a fontosabb csomópontok szintváltozásaival.

Az az U3A ahogy eredetileg van - a szimulátor szerint (és szerintem sem) - soha semmit nem csinál csak H szinten van a kimenete. Így módosítva ad egy bekapcsolási késleltetést, de ennek sem biztos, hogy van értelme.

Ennél többet már tényleg nem tudok segíteni ezügyben.
(#) Massawa válasza Karesz 50 hozzászólására (») Szept 16, 2022 /
 
Kösz majd megvizsgálom a kondit, de ez már a 3. ott és egyiknél sem kapcsolt vissza, sem az eredetinél sem a két ujnál.

Igen a relével kellene párhuzamosan kötni a diodát, csak a rajzon nem igy van, hanem az ellenállások is bekerültek a körbe )
(#) Massawa válasza Karesz 50 hozzászólására (») Szept 16, 2022 /
 
Karesz, kösz, de a rajzodon több hiba is van. Most nem tudom megmutatni mi, de majd ebéd után megjelölöm.

Standby1.jpg
    
(#) Baxi válasza reloop hozzászólására (») Szept 16, 2022 /
 
Szia!
Eljutottam igy kora ősszel a nyár eleji problémámhoz.
Kiszedve a vegfokokat brumm mentesek a labortáprol. A trafo secundereit letekertem ac 26v- ig, s a paneleken teljesen külön választom a végeket. Majd jelentkezem, hogy segitett e.
Szép napot.
(#) Massawa válasza Massawa hozzászólására (») Szept 16, 2022 /
 
Karesz itt vannak a hibák amit találtam, de most mennem kell.
A hozzászólás módosítva: Szept 16, 2022

Standby1.jpg
    
(#) Karesz 50 válasza Massawa hozzászólására (») Szept 17, 2022 /
 
A csúcstechnika után egy kis primitívebb...
(#) Massawa válasza Karesz 50 hozzászólására (») Szept 17, 2022 /
 
Csak ennek nincs semmi értelme pontosan az ellenállàs miatt.
A zavart ott kell elnyomni, ahol keletkezik, az meg a relé tekercse és nem az ellenállás.

Azt jelet, meg nem értettem a szimulátorban, Bocs!
A hozzászólás módosítva: Szept 17, 2022
(#) Karesz 50 válasza Massawa hozzászólására (») Szept 17, 2022 /
 
Nem keletkezik semmilyen zavar a relé tekercsén.
A kondenzátor feszültséget tárol, az induktivitás áramot, mert:
- a kondenzátorban tárolt energia (U*U*C)/2
- az induktivitásban tárolt energia (I*I*L)/2

Ha a tekercs áramát megszakítjuk kapcsai között: ui(t)=L*(di(t)/dt) önindukciós feszültség keletkezik. Ha rövidre zárjuk L/R időállandóval épül le a tekercs mágneses tere (fluxusa).
Tehát a kikapcsolás pillanatában RLY2 ponton (Q4 kollektorán) 320.6 V a feszültség,
RLY1 ponton pedig 272 V. Hol van itt a hiba?
(#) Massawa válasza Karesz 50 hozzászólására (») Szept 17, 2022 /
 
Bocs, ez erösitökröl szolo topik, nagyon hagynám ezt a témát…
(#) compozit válasza Massawa hozzászólására (») Szept 17, 2022 /
 
Egy régi dal jut az SZMB. Gyémánt és arany ( Zorán )
(#) Massawa válasza compozit hozzászólására (») Szept 17, 2022 /
 
(#) Laci66 hozzászólása Szept 18, 2022 /
 
Sziasztok!
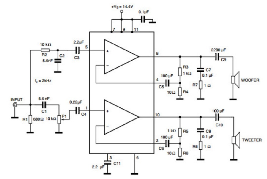
Egy kis segítséget kérnék! A projekt BTW lejátszóhoz aktív dobozok készítése aktív keresztváltóval.
A NET-en talált TDA2005-ös kapcsolás adta az ötletet, hogy a bemeneti passzív szűréssel esetleg TDA2030, vagy 2050-es végfokot is bele tudnék tenni (2005-ösöm nincs itthon).
Működhet az elképzelésem?
A választ előre is köszönöm!
(#) Gafly válasza Laci66 hozzászólására (») Szept 18, 2022 /
 
Elméletileg igen, sőt szerintem jó ötlet.
Gyakorlatban nem működésképes, mert adatlap szerint nem lóghat mindkét bemenet (DC szinten lebeg/kondenzátor van csak).
Azaz alaposan át kell rajzolni a kapcsolást, de az elképzelés szerintem jó.
A hozzászólás módosítva: Szept 18, 2022
(#) tépapa válasza Laci66 hozzászólására (») Szept 18, 2022 /
 
Ilyenhez rendeltem meg ma az alkatrészeket.

Ötletnek hátha jó lesz.
(#) tothbela válasza tépapa hozzászólására (») Szept 18, 2022 / 1
 
Ha szabad hozzáfűznöm egy kiegészítést, akkor megteszem.
A magas (három utas rendszerben a közép is) sugárzó szinte kivétel nélkül legalább 6dB-el érzékenyebb a mélyközép hangszórótól. Ebből adódóan szükségszerűen az érzékenyebb magas és közép hangszórókra jutó jelet "L" tag segítségével csillapítjuk.

Aktív rendszerben, főleg nagyobb teljesítményszinten nem akarjuk pocsékolni a lóerőket, ezért alapból teljesítményre illesztjük a hangszórókat.
Több megoldás közül talán a legegyszerűbb, hogy a magas (és közép) hangszóró félhíd, a mély pedig teljes híd erősítőről megy. Ennek a megoldásnak van még egy hozadéka, mégpedig az, hogy véletlen gerjedés vagy túlvezérlés esetén negyedakkora teljesítmény megy a magas (közép) hangszórókra. Ezzel csökken a meghibásodás esélye. Persze bolond ellen csak az véd, hogy nem engedünk neki használni semmit.
(#) tépapa válasza tothbela hozzászólására (») Szept 18, 2022 /
 
Én sajnos nem vagyok szakértője a kérdésnek.
Pusztán csak mint ötletet vetettem fel.
A rajz egy egyben a katalógusból való. Ehhez én nem tudok semmit hozzátenni, mert nem értek hozzá.
Azt szeretném kérni, hogy egy egyszerű ábrában szemléltessed az általad leírtakat.

"félhíd", "egész híd", meg az ilyen szakkifejezéseket nem értem, de jó lenne, ha érteném.
Mivel nem túl drága dolgok, ezért két rendszerre valót rendeltem.
Úgy értem, hogy kétszer 6 IC -t, meg a hozzávalókat.
Közben csinálgatok egy másikat tranzisztorokkal.
Van mit pótolgatnom, mert most kezdtem az elektronikát.
Próbálok egy kicsit ismerkedni az elmélettel is. Ezért is jól jönne a félhíd, stb problémája.
A hozzászólás módosítva: Szept 18, 2022
(#) tépapa válasza tothbela hozzászólására (») Szept 18, 2022 /
 
Az eredeti elképzelés ez az aktív szűrő volt.
Olcsó erősítőt kerestem hozzá és ekkor jött a katalógusból a rajz.
Hogy végül melyik változat mellett döntök, még nem tudom.

Meg még ott van a félhíd-egészhíd kérdése.
A hozzászólás módosítva: Szept 18, 2022
(#) pucuka válasza tépapa hozzászólására (») Szept 18, 2022 / 1
 
Ez a félhíd, egészhíd kérdés egy egész más területről szivárgott át az erősítős köznyelvbe. Mégpedig a motorvezérlős témakörből.
Végül is megoldás igencsak hasonló, az "egész híd" akkor áll elő, amikor két erősítőt "hidaljuk", az az a kimenetek közé kötjük a hangsugárzót, és a két erősítőt ellenfázisban járatjuk. Így lehet megnövelni a kimenő teljesítményt azonos terhelés, és tápfeszültség esetén.
Ha olyan adatlapot nézegetsz, ahol egy tokban négy végfok van, azzal lehet azt a megoldást megvalósítani, hogy 2 + 1 hangrendszer esetén a center hangszóró (basszus) 2 hidalt erősítőről hajtjuk.
A félhíd az a közönséges pl. komplementer végfokozat.
(#) tépapa válasza pucuka hozzászólására (») Szept 18, 2022 /
 
Így már értem.
Köszönöm szépen.
Jól tippelem, hogy így már egy differenciál erősítő áll elő?
Olvasgattam egy kicsit az oszcilloszkópokról. Onnan ugrott be.
A hozzászólás módosítva: Szept 18, 2022
(#) tothbela válasza tépapa hozzászólására (») Szept 18, 2022 / 1
 
Bocs ha félreérhetően fogalmaztam. Inkább úgy mondanám, hogyha közös tápegységről jár a magas és a mély hangszóró erősítője, akkor akkor a kimeneti teljesítmény kétféle lehet.
Amit félhídnak fogalmaztam az a sima kapcsolás amit linkeltél. Ott a hangszóró a kimenet és a GND, azaz a föld pont között van. A kivehető szinuszos teljesítmény képlete a következő: tápfeszültség négyzete, osztva a hangszóró impedancia nyolcszorosával. Természetesen nem számoltam bele az erősítő IC végtranzisztorain maradó feszültséget, de most ne is foglalkozzunk vele.
Ha változatlan tápfeszültséget esetén nagyobb teljesítményre van szükség, akkor a hangszórót két erősítő közé kötjük, amelyek ellenfázisban vannak vezérelve. Ezt neveztem, és nevezik teljes hídnál, vagy inkább csak simán híd kapcsolásnak. A félhíd kifejezést csak akkor szoktam használni, ha együtt szerepel a teljes híd kifejezéssel. Írhattam volna úgy is, hogy sima erősítő, és hidalt erősítő. Viszont a sima az kinek mit is jelent. Nálunk régebben a sima sör a Borsodi volt, a többi pedig import. Lementünk a Balatonra, ott sört kértem, majd amikor az eladó megkérdezte milyet, mondtam hogy sima sört. Adott nekem Soproni. Mondom neki hogy simát kértem, amire válaszolta hogy ez a sima. Mondom Borsodi kellene. Ja, az import. Na de vissza a témához.
Ebben az esetben a képlet: tápfeszültséget négyzete oszva a hangszóró impedancia kétszeresével. Vagyis négyszerese mint a "sima" kapcsolás esetében.
(#) tépapa válasza tothbela hozzászólására (») Szept 18, 2022 /
 
Köszönöm szépen.
Így már jobban értem.

Jó volt a sörös példa.
(#) pucuka válasza tépapa hozzászólására (») Szept 18, 2022 / 1
 
A differenciál erősítő egy más tészta, bár létezik olyan műveleti erősítő. ami elejétől végig differenciál erősítő. pl. a uA733.
Következő: »»   2414 / 2576
Bejelentkezés

Belépés

Hirdetés
XDT.hu
Az oldalon sütiket használunk a helyes működéshez. Bővebb információt az adatvédelmi szabályzatban olvashatsz. Megértettem