Fórum témák
» Több friss téma |
Szikorapéternek meg egy kis segítség.
Az a gond hogy elvileg az 1.8-as TFT-vel kompatibilis viszont a 2.2-esnek is ugyan az a kezelő processzora, viszont a lábkiosztásuk más, mármint itt névben a panelen más így nem tudtam bekötni sajnos.
Olyan sok variáció nincs .Ha meg van a háttérvilágítás , és a + - , akkor már nem is sok tévedés lehet a dologban.
A +- és háttér megvan, viszont az adatvonalak nincsenek (nem a készülék hanem a kijelzőrész részéről.
)
És az adatlap mit ír ?
Adatlap? Az a baj hogy amit írtam az 1.8-asnak máshogy vannak "elnevezve" a lábai mint a 2.2-esnek, és a 2.2-esnek több lába is van , így nem tudom hogy lehetne a helyére kötni.
Tudom, hogy van, de a kínaiak nem Arduinos változatot gyártják.
Ha valamiben Mega328 mikrovezérlő van, az akkor Arduino alapú eszköz? Ne nevettesd már ki magad.
Sok embernek fogalma sincs, hogy mi az Arduino!!
Sokan le is nézik az Arduinót, a fentebb említett ok miatt. Pedig az nem más és nem is több, mint egy fejlesztői környezet!! Az hogy az első "hozzá" kapható alaplapokon valamely Atmel gyármányú proci ült, az egy dolog. Ettől egyik Atmel proci sem lett "arduino alapú", és bármely Arduinó lapot, amelyben Atmel proci ül, lehet programozni pl Atmel Studióval is, akár assemblyben is... Aztán rengeteg más gyártmányú processzort tartalmazó lap lett "Arduinó kompatibilis" valamilyen szinten. Ezekkel a kollégákkal le se kell állni vitatkozni! A hozzászólás módosítva: Nov 29, 2021
Bizony bizony, én is évekig programoztam Atmel procikat ( minimum 5 félét ASM-ben) és akkoriban eszembe sem jutott az Arduinohoz nyulni. ( arra a sors vitt rá, de az magánügy
).
Sziasztok!
A képeken láthato m328 teszterhez van valkinek FW-je? Akár a legújabb, akár Magyarosított verzió? Mert sikeresen elkültem az AtMegában az FW-t! Köszönöm. A hozzászólás módosítva: Feb 5, 2022
Szia!
Néztem így én is, csak nem volt egyértelmű! Mert több fajta LCD-s verzió létezik. Elméletileg az enyém a "T5" verzió... Így is próbáltam.... De konkrét tippet nem találtam rá. Mert az adott oldalakon nem írták, hogy milyen LCD kijelzős verzióhoz is van. Mármint FW! Na ezért kérdeztem, mert hátha van valkinek ilyen tesztelője, és bütykörészett vele... És meg van neki kézközelben minden. A hozzászólás módosítva: Feb 5, 2022
én is azután találtam ilyen oldalakra /avr es projektek vagy hasonló vagy alkatrészteszter/ miután kidobtam az enyémet és vettem másikat mert egy elnézett kondimérés miatt tönkrement az első.
ez mind idő mig keresgél az ember + veszel egy avr-t hozzá + kisérletezel igen ,én is találtam minden verziót , még 2x16 -os lcd-re átalakitást is tudom ez hobbi de ha tul sok idő megy el rá haszontalanul más rovására https://www.eevblog.com/forum/testgear/tc1-lcr-meter-transistor-tester-fix/ -itt hosszan tárgyalnak minden verziót
itt -eev blog _ keress m328 tester -re 26 találat van még ,mindenféle problémára
Tudom régi poszt de hátha segít másoknak is beazonosítani a teszter típusát.
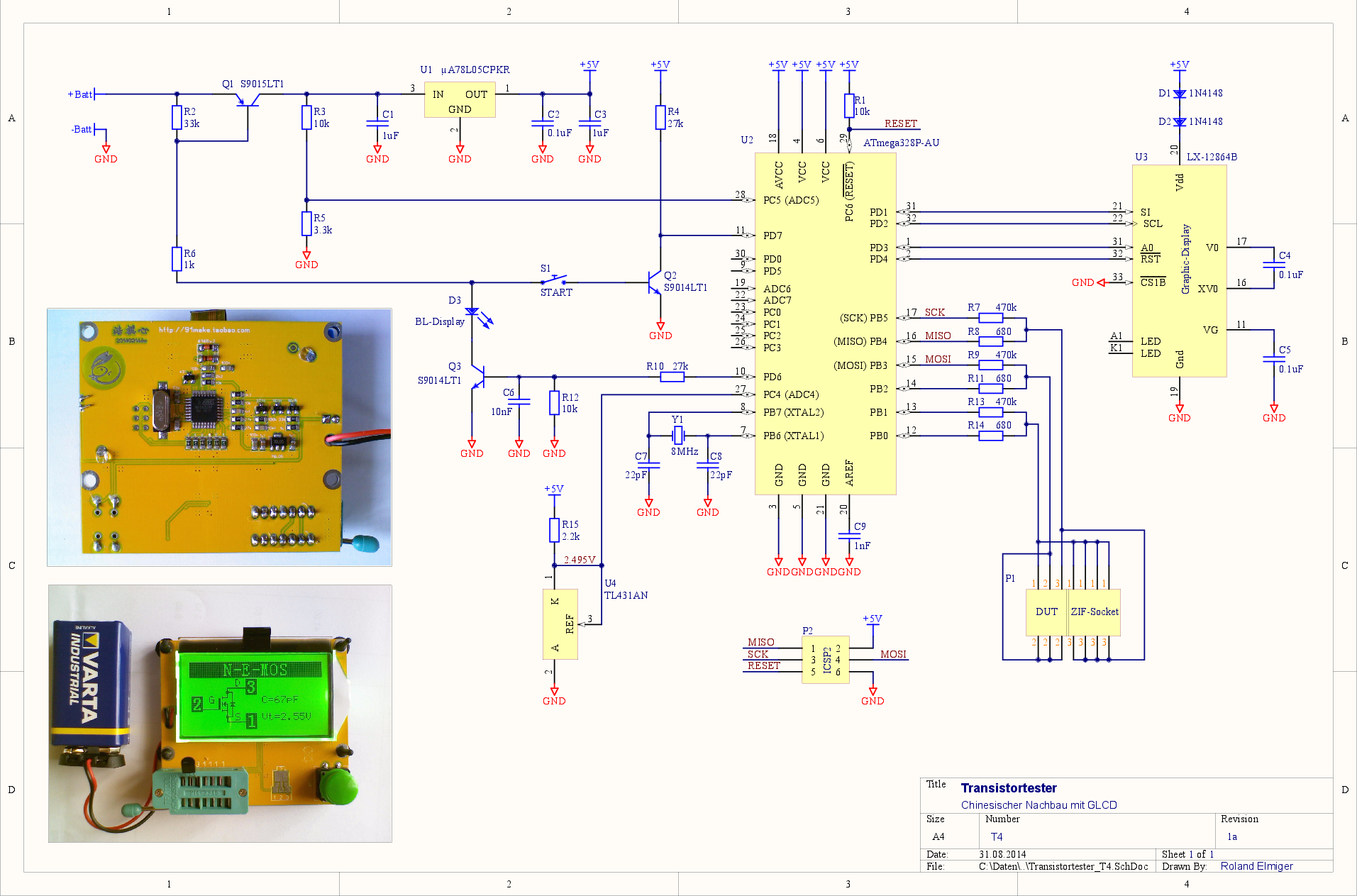
Jelen esetben az lcd típusa JLX12864G-378 JLX12864G-378 4 oldalon látható hogy ST7565R vezérlő IC van benne. Szoftver több helyről letölthető pl: tranzistor tester_1 tranzistor tester_2 tranzistor tester_3 Érdemes letölteni a legfrissebbet, mivel abban lesz a legtöbbféle variáns Jelenleg ez a : ComponentTester-1.47m.tgz Meg kell nézni a Clones nevű fájlt, mivel sokféle klón létezik. Itt rá kell keresni az LCD meghajtó típusára, jelen esetben: ST7565R majd a 4-5-6 találatból kiszűrni azt ami az AVR típusnak (pl. Mega328) is megfelel, majd a maradék 3-4 db-ra rákeresni a neten a beazonosításhoz. Így látható hogy m12864 transistor tester az amihez kell a szoftvert keresni. m12864 tester Mivel az 1.47-ben benne van a támogatott eszközök listájában az m12864, ezért ha megfelel a Markus -féle szoftver tudása (config.h fájl) akár ezt a verziót is fel lehet tölteni (némi beállítás után)
Nekem is sikerült megmérnem vele rögtön a betáp lekapcsolása után a ccfl inverter szekunder ágát. A kondenzátorok okoztak némi meglepetést. De a lényeg nekem az AY-AT típusú van. És ezen van védelem is (SRV05-4), és ez az alkatrész áldozta fel magát, megvédendő a többi alkatrészt meg a teszter hülye használóját. De védelem nem megszakadt, hanem minden ága át ment vezetőbe a föld felé. Ezért nem tudott elindulni még az új AVR sem, miután cserélve lett minden működik tovább. De védelem nélkül is megy a teszter
![]() AY-AT tester A hozzászólás módosítva: Szept 20, 2022
Sziasztok!
Kérdezném,hogy nem tudja-e valaki,hogy az LCR-T4-es multitesztert lehet-e 12 Voltról használni? Mindenhol csak 9 Voltos tápfeszütséget írnak.Nem találtam sehol infót a 12 Voltos üzemről.
Ezt az 5 V-os táp IC mondja meg.
Nem tudom ebben melyik van, a fesz.t biztosan bírja, a disszipáció lehet gond. De szerintem igen.
Minden bekapcsoláskor megméri az elem feszültségét. Azt kell valahogy kideríteni, milyen feszültsgosztót alkalmaztak, nehogy az az analóg bemenet túl legyen terhelve.
Egy kapcsolási rajzot találtam amint kivehetőek az értékek (R3 és R5). Ezen rajz szerint mehet 12 V-ról.
Szia!
Köszönöm válaszod!Én is így gondoltam,hogy a 12 Voltra emelt tápfeszültséget elbírja. Csak a kérdés az,hogy a 3 Voltos tápfeszültség növelésre mennyivel disszipál többet. Megnéztem,a uA78L05 maximális bemenő feszültsége 30 Volt. Nyílván nem akarom 30 Voltról üzemeltetni,de akkor szerintem is a 12 Voltos használat nem okoz problémát.Hiszen te is írtad.
Itt elsősorban a feszültségosztó miatt lehet probléma. Ha helyes a kapcsolási rajz, akkor kb. 20 V tápfeszültség esetén a feszültségosztó kimenetén 5 V lesz, ennyi a kontroller tápfeszültsége is. E fölé már nem illik menni.
Szia!
Köszönöm neked is a segítségeket!Akkor mostmár mindketten azt mondtátok,hogy nem fog problémát okozni a 12 Voltra emelt tápfeszültség.Egy 12 Voltos dugasztápról fogom használni. Ezért merült fel bennem ez a kérdés.Ez nagy megkönnyebbülés számomra,hogy nincs semmi probléma belőle.Meg hát,ha valaki ugyan ebben a helyzetben lesz,mint én,akkor itt van a megerősítés számára is. Köszönettel Attila
Azért majd nézd meg mennyire melegszik a 78L05... esetleg cserélheted 7805-re + hűtőbordára
Van annak valami jelentősége, hogy megméri a tápfeszt? Egy szint alatt letiltja magát?
Elgondolkoztam azon, hogy 2db Li-Ion celláról táplálnám, ami nem fog 9V-ot adni ugyan, cserébe sokkal nagyobb kapacitású, mint egy 9V-os elem, és tölthető. Az 5V meg vígan meglesz úgy is.
Szia!
Köszi a tanácsokat!Természetesen az első az lesz,hogy megnézem mennyire melegszik a 78L05. Jó ötlet,köszi,erre nem is gondoltam,hogy egy 7805-öt tegyek be hűtőbordával.
Ez egy jó kérdés volt, kipróbáltam. A saját tápfeszültségét nem méri pontosan, 9 V esetén 8.92 V-ot mutatott. Ugyankkor ha 6.50 V-tól kevesebbet mér (labortáp szerint 6.51 a határ), nem hajlandó dolgozni, addig viszont stabilan hozza a mért értékeket.
6 V esetén ugyan elindul (gondolom a referenciafeszültség sem működik jól), de nagyon nem jó értéket mér. Végig egy LED-et használtam, annak mérési eredményeit figyeltem. A kijelző háttérvilágítása függ a tápfeszültségtől, ez csak most tűnt fel, nem figyeltem eléggé a kapcsolási rajzra. 12 V-ról is működik vígan de én ettől többet nem kapcsolnék rá átalakítás nélkül a háttérvilágítás miatt. A kijelző, a mikrokontroller és a referencia megy 5 V-ról, azok meg alig terhelik a stab IC-t, előbb ég ki a kijelző LED-je. Az én teszterem több éves (elfelejtettem, hol vettem) és lehet, hogy azóta sokat fejlesztettek rajta és teljesen más a kapcsolási rajza, de referenciának jó lehet az, amit itt leírtam. Nagy valószínűséggel túl sokat nem variáltak vele.
Ha már elővetted, megmérhetnéd azt is hogy hány mA-t fogyaszt.
Akkor a másik kérdésre is lenne válasz, hogy mennyire kell hűteni a stabilizátort.
Nem tudom külön lemérni, a háttérvilágítás LED-je nincs a stabilizátorra kötve.
Akkor viszont nem lehet vadulni a tápfeszültséggel.
Jó válasz |
Bejelentkezés
Hirdetés |




) 










