Fórum témák
» Több friss téma |
Mondják, mindenki magából indul ki. Nos nem édes a kín 70 felett, nevezzük nyűgnek. Régebben meg nem volt kín a munka, inkább kihívás. Kételkedve élni, nincs szeretet, nincs hit, nincs boldogság. Az előrelátás nem kételkedés. Tapasztalatot nem lehet vitatni, csak árnyalni. És aki nem hisz a dolgában, az nem ad erőt, legfeljebb utal az előzményekre.
Ha a canamppal kísérletezel és nem akarsz bele felesleges kondikat, próbáld ki az invertáló DC-csatolt kapcsolást, nem fogsz benne csalódni, a gyárit markánsan felülmúlja. Mondjuk ennél is el lehet játszani az alkatrészekkel, mert mindegyik pozícióban meghallatszik a típusok különbözősége, főleg az IC, tranzisztor, bemeneti ellenállás, visszacsatoló ellenállás, munkaellenállás, tápegység kondijai.
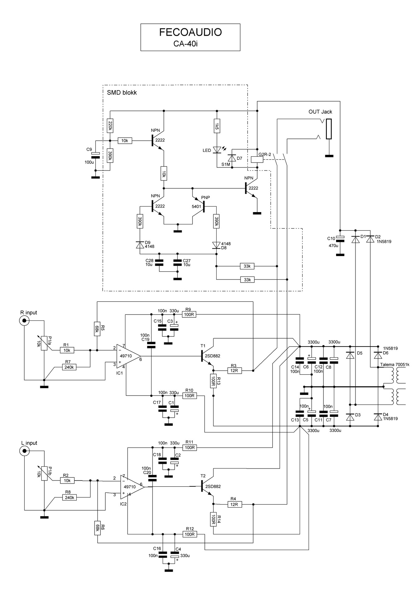
Egy ilyet már ajánlatos DC védelemmel is ellátni. Jelenleg a mellékelt kapcsolást használom, R534 ellenállásokkal, Tesla TR164 1% munkaellenállással, és a képen látható egyebekkel.
Neked nyűg? Akkor inkább ne csináld.
Igen, biztosan jobb ha csak az invertáló bemenet van használva, hiszen a virtuális földponton a teljes hibajel előáll. A másik esetben az opamp bemeneti dif. erősítőjének a kimenetén lesz meg a hibajel és a tényleges hibajel már torzítva van a diff. erősítő torzításával.
A relé ebben a minőségi sávban elfogadott alkatrésznek tekinthető?
Saját tapasztalatom nincs, de olvasok arról mennyire belezavar a hangminőségbe egy ilyen alkatrész.
Igen, részben igaz. Válogatnom kellett. Az Omron G2R2 típust választottam, ez szerintem nem ront a hangminőségen. Egy DC csatolt erősitőnél viszont könnyelműség lenne kihagyni a védelmet.
Nem értem a kedves fórumtársakat... Talán nem voltam érthető? Amiben segítséget vártam volna, az KT EVAmp-ja, és az általam épített EVAmp-ME közti reagálási különbség oka lett volna. Nem gondoltam volna, hogy ez olyan egyszerű lenne, de az ember reménykedik. Az viszont érthetetlen számomra, hogy a fórumtársak egy jól működő készüléket akartak javítgatni. Nem gondoltam volna, csöves ide, csöves oda, hogy egyedül Gee Lee próbált a lényeggel foglalkozni, ha furcsán is.
Bassmesternek, összekeversz valakivel, mivel nekem az az elvem, hogy nem akarok senkit meggyőzni arról, ha neki jól szól valami, azt javítgassa más elképzelései szerint! compozit, mi lenne, hanem trollkodnál?
Soha, sehol, semmiben nem lehet általánosítani. De, ha van olyan eset ahol a hálózati műszercsatlakozó pár (aljzat és dugó amit általában hifi készülékekben használnak) is hallható (és általában nem pozitív) változást okoz (emiatt, meg mert néha kontakthibás is én régóta kerülöm és inkább fixre forrasztom a hálózati kábelt is), akkor olyan esetnek is kell lenni, hogy a relé sem kifejezetten jó a jelútban. A DC csatolt erősítőknél a hangszóró védelmet szimpatikusabb a relé helyett máshogy megoldani, földelt kimenet, a kimenet félrebillenésekor tápelvétel stb.
Ráadásul, míg egy relé egy fémes kapcsolat a jelútban addig egy kondenzátor nem, ott mindkét oldal csak a dielektrikumot látja. Oszt mégis az lenne a rosszabb?
Szerintem te keversz össze itt sok mindenkit valakivel! Sajnos az írásaidból nehezen hámozható ki a lényeg és nem az olvasó szövegértésében van a hiba. Milyen alapon osztasz itt bárkit is hogy trollkodik? Sajnos úgy látom hogy hajlamos vagy a topicra saját blogodként tekinteni és sokszor úgy is használod, egymást érik a hosszadalmas eszmefuttatásaid, aztán ha netán valakitől nem várt választ kapsz, sértődötten reagálsz. Próbálj már meg viselkedni!
Nálam eddig bevált a módszer, de már gondoltam rá hogy kiküszöbölöm a relékontaktust. Talán a következő verziónál megoldom, pl félvezetős rövidzárral.
Idézet: „Amiben segítséget vártam volna, az KT EVAmp-ja, és az általam épített EVAmp-ME közti reagálási különbség oka lett volna.” Ebben a mondatban például két dolgot nem értek. Az, hogy a Te erősítőd hogyan szól a Király Tiboréhoz képest azt csak ti ketten halljátok, mivel mi egyiket sem hallottuk még szólni. Vagy az kérdés, hogy melyik, hogy van megépítve? Az egyik nyákon, a másik gubancban. Miben kell segíteni? A másik: mit takar az a kifejezés, hogy "reagálási különbség"? Lefordítanád ezt magyarra? Idézet: „a fórumtársak egy jól működő készüléket akartak javítgatni” Ezzel arra utalsz, hogy próbállak a jó irányba terelgetni? "Compozit" sem trollkodott, csak megkérdezte mi akadálya lehet egy kondi áthidalásának. Ha mindenkinél jobban tudsz mindent akkor miért zaklatsz minket a hülyeségeiddel?
Nem értem, mit nem értesz azon, Hogy Tibor készüléke nem úgy reagált a visszacsatolás kondijánal a rövidzárjára, mint az enyém. Azaz nála nem volt pozitív hozadéka ennek a megoldásnak. Ez olyan bonyolult lenne? Na most, ha az ember tudni akarja, hogy az új építésének mi az hozadéka az előzőhöz képest, akkor nem árt, ha nem össze-vissza változtatgat dolgokban. Nem más megbántása okán, ha valakit annyira érdekel az a bizonyos bemeneti kondi elhagyás, hát ugyan már csinálja meg magának. Többször nem fogok magyarázkodni emiatt. A jelenleg kísérletinyúlnak használt Heed Canampomat ezentúl HC-primo-nak említem, nehogy valaki a készülőben lévő HC-TB300-ME-nek vélje, És tromfolni vélje 50 forintos ellenállásokkal a leendő készülék Dale CPF ellenállásait. A HC-primo-val nem tudtam elérni, hogy hatástalan legyen az a bizonyos rövidzár. Annak idején épphogy építettem meg. Most is csak az említett dolgok miatt építem át egy kicsit, a vele kapcsolatban felmerült problémák miatt.
Zárszónak, most én nem értelek, hogy ki lenne a mindenki? És mi lenne a minden? A hozzászólás módosítva: Dec 6, 2022
Kezdesz olyan lenni, mint "tunerman" : ) Végtelen sok időt elpazarolsz egy 5 alkatrészből álló kapcsolásra miközben egy helyben topogsz. Közben meghallgatod az eredeti, Huszti Zsolt-féle Canampot ami nyákon van, Dale ellenállás mentes, nincs benne Jantzen kondi, ezüst vezeték - és megállapítod, hagy úgy szól, mint az álom a tiédhez képest. Akkor miről beszélünk? Az sem derül ki a beszámolóidból, hogy KT erősítője mennyivel szól másként a tiédhez képest. Igazándiból teljesen azt csinálsz amit akarsz és annak nevezed el aminek akarod. Első körben én erről a kókányolásról szoknék le a helyedben. Ha valami csúnya az nem lehet jó. Ez nálam elvi- és ténykérdés. A pufferkondinak nem csak csillagpontja van. Ha közelebbről szemügyre veszed látsz egy + kivezetést is. Abból folyik ki a tápáram az erősítő felé. Ezzel Te nem foglalkozol. Mintha ott sem lenne. Pedig teljesen egyenrangú egymással a két pólus.
A "mindenki" > aki olvassa amit leírsz. A "minden" az amiről azt hiszed, hogy tudod. A hozzászólás módosítva: Dec 7, 2022
Ahogy felénk mondják, szegény ember vízzel főz és maga csinálja a gyereket.
Bár az egyik sarkot elbénáztam.
Egész életrevaló lett ez a gyerek. Látom még türelmesebb vagy mint én. Szerintem nem fogja a hangképet befolyásolni...
Erre azért ne vegyél mérget...
Persze, úgy könnyű ezt kijelenteni, ha közben sosem próbáltad.
Füles erősítő mW szintű teljesítménye lehetővé teszi, hogy a kimeneti DC védelmet úgy is meg lehet csinálni, hogy a relé rövidrezárja a kimenetet hiba esetén. Ekkor nem szól bele a hangba a kontakt. Természetesen meg fog jelenni egy megoldandó probléma. A rövidrezárt kimeneten ugyanis nem lesz DC hibafeszültség.
Egyik megoldás, hogy az erősítő egy soros ellenálláson keresztül hajtja a kimenetet, a DC figyelő az ellenállás előtt figyel, és az ellenállás után zár rövidre. Ez csökkenti a kimeneti damping faktort, tehát ahol ez gond, ott egy másik megoldást lehet alkalmazni. Az erősítőt áramkorlátosra kell tervezni, a relével pedig sorosan kell kapcsolni egy akkora ellenállást, amin a korlátozott áram csak akkora feszültséget tud kelteni, ami nem teszi tönkre a fülest, viszont elegendő a DC védelem aktiválásához. Ha a védelem küszöbfeszültségét azaz érzékenységét átkapcsoljuk a relé állapotának függvényében úgy, hogy zárt pogácsák esetén néhány mV legyen a küszöb, nyitottnál meg a mostani párszáz mV, akkor alacsony értéken tartható a pogácsákkal soros ellenállás értéke, ezzel együtt a kimeneti egyenszint hiba esetén. A hozzászólás módosítva: Dec 8, 2022
Köszi, jók az ötleteid. A relés rövidzárra már én is gondoltam, a kimeneti 12R-es ellenálláson maradna is annyi feszültség, hogy a DC hibajel fennmaradjon ameddig kell. A védelmi áramkörön csak a késleltetést venném mondjuk 0,5 sec körülire, mivel ilyenkor rövidrezárt kimenettel indulna az erősítő, a koppanásgátló funkció megtartása végett.
A másik megoldás ami még érdekes lehet, az a triakos crowbar, ami a quad-ban is van. Csak azt nem tudom, hogy be lehetne e állítani egy +/-12V-os erősítőhöz, hogy megbízhatóan működjön.
A crowbar azért van, mert sokszáz W kimenő teljesítményén sem a soros ellenállás, sem a relé érintkezői nem bírná a gyakran 10A feletti áramokat. Sőt még az állandósult áramkorlát os üzemet sem bírná egy végfok. 50V-os féltáp 10A állandósult áram esetén 500W-ot disszipáltatna a végfoknál. Ez nem engedhető meg. De egy fejhallgató erősítő 2X12V tápfesz esetén 32 Ohmos terhelésnél maximum 375mA áramot jelent. Természetesen a gyakorlatban a felét sem, ezért ha 200mA-én korlátozzuk az erősítő kimeneti áramát, akkor az maximum 2,4W disszipációt jelent. Ennyit el kell viselnie.
Megmondom őszintén, én külső védelmet használok. Igaz kétkezes dolog, de eddig megbízhatóan működött.
Szerintem marad a relé és a bevált áramkör rövid késleltetéssel, ami majd behúzáskor leveszi a rövidzárat a kimenetről. DC hibajelet a kimeneti 12R ellenállás belső lábáról kap. Lehet még valamilyen probléma ezzel a megoldással?
Sziasztok,
Ez a több oldalon taglalt ME füles erősítő kapcsolása publikus? Annyi szó esik róla, hogy már ki kell próbálnom nekem is mit tud ez Legelső füles erősítőm egy canamp klón volt, majd sorra a Király Tibor féle fejhallgató erősítők kb. évente cserélődött a dobozban, azt hiszem az FH6 energico volt a legutolsó, az EVAMP nekem egyáltalán nem jött be eléggé kényes a tápra. Jelenleg ES9038Q2M dacról hallgatok, XMOS XU208 USB-I2S konverterrel, ami lecserélte az Amanero Combo384-et mert érdekes módon az előbbivel olyan hangokra is felfigyeltem, amit az Amanero nem volt képes visszaadni bár nem értem hogy, mert ott még nincs hf jel. Az ES9038 kimenetéről a diyAudio felhasználók javaslatára ledobáltam az alkatrészeket és beiktattam egy Iancanada féle I/V konvertert. Nálam ez most a csúcs, ettől jobbat még nem hallottam és nem is vett rá semmi, hogy cseréljem valami másra, több éve ezt használom. Ezért gondoltam próbára megépíteném az FH6-TB300-ME verziót.
"A pufferkondinak nem csak csillagpontja van. Ha közelebbről szemügyre veszed látsz egy + kivezetést is. Abból folyik ki a tápáram az erősítő felé. Ezzel Te nem foglalkozol. Mintha ott sem lenne. Pedig teljesen egyenrangú egymással a két pólus."
Arra számítottam azért, hogy az említett rövidzárat nem sokan próbálták ki, így, ha nem megfelelő a hozadéka, nemigen van tapasztalat a kiváltó okok ismeretéből. Mint írtam nemigen az én problémám e dolog. Sajnos a régebbi építésű Canampom esetében sem tudtam előidézni a KT esetében tapasztalt hibát. Itt azonban megemlíteném, hogy személy szerint én nem hallottam ama jelenséget, amit Ő kifogásolt. Ha most összegezném a véleményeidet az ügyben, aszerint Tibor "túl szépen" építette meg a készülékét, azért nem működik nála az említett jelenség. Azonban az én "kócoskáimnál" valahogy jól megy. De miről is lenne szó ennél a megoldásnál? Mi az, ami hallható ezzel? Először is növeli a dinamikát, jobb a basszus zengése, ezáltal speciális térképzés adódik általa. Így a gyengébb(nem MP3-ra gondolva)felvételek hallathatóbbakká válnak az alkalmazása esetén. Csodát nem tud tenni, de általánosan pozitív érzetet ad a felvételek túlnyomó többségénél. Mint mindennek, ennek is van gyengéje. Jó minőségű felvétel esetén, ahol a jó dinamika adott, átbillen. Terhessé válik a dinamikája, ezért kell a kikapcsolhatósága. Ilyen öblös, részletes basszusképzést nem hallottam idáig. De szövegértés, a beszéd megjelenítése is páratlan vele. van azonban a használatának egy velejárója is. Ha a nagy dinamikát a maga természetességével szeretné az ember élvezni, az ehhez idomuló táp nélkülözhetetlen. Ami az általad említett tápismereti hiányosságaimat illeti, felraktam egy képet, ami már régebben is látható volt. Vagy nem érdekelt, vagy csak azért is, felróttad, hogy a pozitív ág nem a kedvencem. Nos nálam nincsenek kivételek. Minden tápvezeték tömör 2mm-es ezüstözött rézvezeték, és minden táppont csillagpontos kiépítésű csatornánként külön.
Ebben a kör elrendezésben egyáltalán nem egyforma a kondik igénybevétele. Egyszer már elmagyaráztam neked, hogy egy kondit hogy kell bekötni. Akkor még javítottál is valamelyik alkalmazásodban. Azóta megint rosszul csinálod.
Két dolog, egy nem hiszem, hogy te hallottad volna, hogy mit jelent ez a dolog. Kettő, hogy lehet, hogy én nem emlékszem az említett dologra? Érdekes néha az értékelésetek arról, aminek a szagát sem ismeritek, például az alkatrészek, az építések hangzásra gyakorolt hatásáról. Az igaz, hogy nem vagyunk egyformák. Ez már csak ilyen....
Attól, hogy nem hallottam, még létezik. Nem hiszem, hogy értenéd miről van szó, csak a magadét fújod. És miért ne csináljunk olyat, amiről pontosan tudjuk, hogy az a jó és nem kerül semmibe. Nyilván, ha te nem tudod, akkor megelégszel a rossz megoldással is. Most is.
Nem írom le, már leírtam a mikéntjét, ha te rendelkezel valamiféle tárgyi tudással, akkor remélhetőleg fogod tudni, hogy mire gondolok. Iránymutatásként egy kondenzátor használatáról: egy kondira két dróttal megyünk rá és két dróttal jövünk el róla. " ... aminek a szagát sem ismeritek, például az alkatrészek, az építések hangzásra gyakorolt hatásáról. " Tulajdonképpen igazad van... itt mindenki botfülű, csak te létezel a vélt kényszerképzeteiddel és zavaros elképzeléseiddel. Kijárna neked a piedesztál...
Szerencse, hogy vagy, mert különben nekünk kellene kitalálni téged. Nem lenne egyszerű
Van egy ötletem. Mi lenne, ha nem szólnál bele az én építéseimbe, tapasztalataimba, mint ahogy én sem véleményezem másét? Majd én veszekszem magammal, ha nem tetszik amit én építettem, mint hobbista.
|
Bejelentkezés
Hirdetés |












Legelső füles erősítőm egy canamp klón volt, majd sorra a Király Tibor féle fejhallgató erősítők kb. évente cserélődött a dobozban, azt hiszem az FH6 energico volt a legutolsó, az EVAMP nekem egyáltalán nem jött be eléggé kényes a tápra. Jelenleg ES9038Q2M dacról hallgatok, XMOS XU208 







