Fórum témák
» Több friss téma |
próbáltad más hangforrásról is??
4 -s lábon megvan a táp fesz fele ?
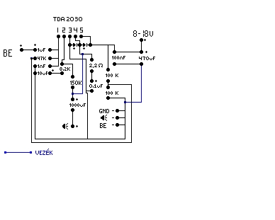
Várjál, a Te rajzodon csak egy 100K ellent látok, az eredeti rajzon kettő van, és a kettő között van egy leág ami a 47K ellenen keresztül kapcsolódik a bejövő jelre a két kondi (1UF és 1nF) közé. A Tiéden valahogy máshogy van...
én 2 db 100K -t láttom.. kék 1% -os...
a 4 es lab a kimenet a 4 es a 2 essel osze van kotve egy 150ksal de utana a 4 es lab van rakotve az ELKON keresztul a hangszoro + ara
szovala , lenyeg hogy te a 2 es labat kototted a hangszorora a 4 es helyett
Várj, nem vagyunk lassúak, az Ő rajza szerint, ha aszerint csinálta meg, akkor a 4-es lábon van a hangszóró pozitív sarka...ott a kék vonal, ami vezetéket jelöl...nem a kettes lábra kötötte, az a rész oké. Szabi, a képen nem figyeltem, de a maszek rajzon csak egy 100K-t látok...
Köszi a segítséget mindenkitől.
Feldolgozom az adatokat, de a 100K-s ellenálás hiánya már biztos .Remélem nem ment semmi sem tönkre benne. Most örülök igazán, hogy vettem pótalkatrészeket i Akkor gyorsan nekiállok javítani...
hopp elneztem valamit telleg jol van
f@sz votlam bocs
De lehet Te jártál jobban, mert nekem szétfolyt a szemem a monitortól, annyira gúvadtam, hogy mi lehet a baj...
Figyelmedbe ajánlom:
http://www.hobbielektronika.hu/cikkek/cikk.php?id=9&pg=2 Szépen benne van amit az elektroncsapdákról min. tudni kell!
Na akkor megépítem még1x.
Remélem nem vétek több hibát, és végre sikerrel járok! Köszi mégegyszer a segítséget!
javaslom, ha még nem mentél végig így a dolgokon, h Jani ((#19782) _JANI_ ) hszét olvasd végig, nagyon pontosan ír. Valahol a 271. hszes oldalon van. az én probélmámra válaszolgat. Tanulságos. Egyébként nekem is hasonló problémám volt (persze nem feltétlen u a) Én nem vettem észre, h egy kondi bipoláris, és elkót raktam helyette, hiába
láma voltam. De amugy most már megszólalt. Tökre megörültem neki. ![]() Sok sikert!
Sziasztok!
Megépítettem a javított verziót, és pöccre beindult! Így a rádióval nagyon szépen szól, pedig csak egy 9v-s elemmel tápláltam (8,5v)! Megépítem a másik oldalit is, és akkor már csak egy ház kell majd neki. Közben gondolkodtam a potin. A bevezetés negatív ágait akartam szabályozni egy egyutas potival. Szerintetek ugyanúgy fog menni, mintha kétutassal a pozitív ágakat szabályoznám? Vagy alkalmazzam az utóbbi megoldást? Mégegyszer köszönöm a segítségeket mindenkitől!:yes:
Kira vagy!
És még miket tud... Nekem a 2 furoakksi /2*18V/sorban 40V, terhelve levitte 12V-ra és dübörög is rendesen normális táppal
Na, így már jó, látom bekerült mégegy 100K...
Igen, és ez már biztosan működig:yes:
Amikor belekezdtem nem is gondoltam volna, hogy ilyen nagy élmény lesz megszólaltatni az első erősítőmet!
Üdv megint!
Rákötöttem az erősítő bemenetére a 100K-s potit, és zúg. A potinak csak két lába van bekötve. Kerestem hasonló témával kapcsolatos hozzászólást, de nem találtam. Rádióról tökéletetes, de eredetileg dvd-re szeretnék kötni Mivel lehetne ezt a zúgást mégszüntetni? A poti a bemenetet (+) szabályozza.
Hogy zúg? Sistereg amikor csavarod?
Szerintem kösd be mind a 3 lábát szegénynek.
ha magad felé forditod a potit(tengelye feléd néz) akkor lábai: 1, 2, 3
3-asra megy a hangforrás 2-es az erősítő bemenetére 1-est a gndre így valszeg jó lesz
Bekötöttem a GND-t is.
Most már csak akkor zúg, ha feltekerem maxra a potit (0 ellenálás). De ez normális, nem? Bátyám azt mondtan, hogy le kell szűrni. Köszönöm a tippeket:yes:
hát elvileg nem szabadna zúgnia. Akkora alapzaja nem lehet az IC-nek..... De lehet amiről szeded a jelet anak nagy a zaja.....
Hi!
Nincs rajta jelforrás, alapjáratban csinálja. Ha leveszem róla a potit csendben van. Amikor a rádió ment rajta akkor sem volt alapzaja, tisztán szólt. Lemértem a potit, elvileg nincs baja.
Nah ilyennel még nem találkoztam........
Az a igasság, hogy ez még csak egy próba verziós erősítő, tehát ez próbapanelra lett megépítve.
Megnéztem, ha megérintem a poti házát, vagy a hűtőbordát a zúgás alig lesz hallható, viszont potitekerés közben sistereg a pagszóró. A potit az ElektroArtnál rendeltem. Ő egy: 100 KOhmB logaritmikus 0.25W CIP20 6mm tengely RADIOHM poti. ElektroArt link Lehet, hogy gagyi?
a tda2030 adatlapjan egyebkent 22Ks poti van
ha hozzaersz es elhalkul az lehet azer mert valahol rosz a foldeles minden alkatreszre merj ra nezdmeg hogy az IC 3 as laba levan e fldelve az ELKOk es a diodak nem forditva vannak e vagy nem viselkednek e rovidzarkent amikor zug akkor melegszik? nalam csinalt oylat hogy rakotottem egy opampos eloerositore es leszakadt a GND kabel fel masodperc alatt atment kenyerpiritoba |
Bejelentkezés
Hirdetés |





.
Mégegyszer köszönöm a segítségeket mindenkitől!:yes: 






