Fórum témák

» Több friss téma
Fórum » Feszültségcsökkentési módszerek
Lapozás: OK   11 / 12
(#) Gafly válasza kuksa90 hozzászólására (») Jún 22, 2021 /
 
Ellen(autó)trafó, ha már nem akarsz belenyúlni?
(#) pucuka válasza kuksa90 hozzászólására (») Jún 22, 2021 /
 
Inkább készíts az akku töltéséhez egy olyan tranzisztoros, vagy inkább FET -es előtétet, ami 14,4 V -nál lekapcsolja a töltést.
Ez egy ablak komparátoros, áteresztő elemes kapcsoló lehetne, ami 12 V -nál rákapcsolja, 14,4 V -nál lekapcsolja a transzformátoros töltőt.
Lehetne bonyolítani mélykisütés védelemmel, ha már készítesz egy előtétet, ami a terhelést is lekapcsolja 11 V -nál, és jelzést is ad.
A hozzászólás módosítva: Jún 22, 2021
(#) Epu2 válasza kuksa90 hozzászólására (») Jún 22, 2021 /
 
Anno ezt a problémát egy 15V os trafóval megoldottam. A primerjét párhuzamosan, a szekunderét sorosan kötöttem a tápegység trafójával. 15V 1 A es volt a trafó és 220 VA-es volt a táp. Több esetben is alkalmaztam a megoldást. Lényeg az áram. A kis trafó szekundere annyit bírjon mint a másik trafó primerje. Bekötésnél extrém módon figyeljük a feszültség csökkentésre.
(#) Bakman válasza kuksa90 hozzászólására (») Jún 22, 2021 /
 
Vegyél egy olyan tápegységet, aminek beállítható a feszültsége és túláram védelem is van benne. Bedugod és kb. a végtelenségig is rajta lehet, a trafót meg hajítsd ki. Az a baj, hogy ahány helyre mész, annyi feszültséggel fogsz találkozni ami akár percenként is ingadozhat.

Pl.: Mean Well HDR-100-15 (13.5 ~ 18 V, 92 W). Ha kevés, akkor HDR-150-15.
(#) kuksa90 válasza Bakman hozzászólására (») Jún 23, 2021 /
 
Köszönöm Mindenkinek!

Mivel a dobozban nagyon kevés a hely az ellenfesz nem játszik, még a diódás feszejtés is szűkösen férne el, így azt hiszem, hogy leválasztom a töltést a trafóról és kap egy kapcsolóüzemű processzoros átkapcsolható töltésvezérlést. Köszi mégegyszer.
(#) NGY válasza kuksa90 hozzászólására (») Jún 23, 2021 /
 
Idézet:
„Bár elég nagy 8-10 A is lehet a töltőáram... Mit javasoltok?”

Idézet:
„... leválasztom a töltést a trafóról és kap egy kapcsolóüzemű processzoros átkapcsolható töltésvezérlést.”


Ennél egyszerűbben oldanám meg, ezzel a tirisztoros töltőáramkörrel (feszültség- és áramkorlát értékeket hozzáigazítva a követelményeidhez)

A kapcsolás alapja egy jóféle, régi ruszki akkutöltő volt (fix áramra, ezt módosítottam állíthatóra) - agyonütni sem lehet, és az akku akár évekig is rajta maradhat, a trafó szekunder meg gyakorlatilag bármi 15...20V között.

Csak pár egyszerű alkatrész, és egy szellős, 6x10 cm-es panel (vagy max. 6x6, ha elhagyod a forgókapcsolót és a csatolt alkatrészeit).
(Ha kéred, adhatom a nyákrajzot is.)
A hozzászólás módosítva: Jún 23, 2021
(#) NGY válasza NGY hozzászólására (») Jún 23, 2021 /
 
Idézet:
„egy szellős, 6x10 cm-es panel (vagy max. 6x6, ha elhagyod a forgókapcsolót és a csatolt alkatrészeit”


Itt van "visszabutítva" az áramör. Felületszerelten kb 2x2 cm panel, plusz a teljesítményellenállás (lehet egy darabból is) meg a tirisztor. A trimmereket meg kiválthatod fix ellenállásokkal, ha már belőtted az áramört az igényekhez.
A hozzászólás módosítva: Jún 23, 2021
(#) kuksa90 válasza NGY hozzászólására (») Jún 23, 2021 /
 
Ha már lúd, legyen kövér: nyák-rajzod nincs esetleg?
(#) NGY válasza kuksa90 hozzászólására (») Jún 23, 2021 /
 
Idézet:
„Ha már lúd, legyen kövér: nyák-rajzod nincs esetleg?”

Mint fentebb írám :
Idézet:
„(Ha kéred, adhatom a nyákrajzot is.)”


A teljes áramköré (első két rajzon) van meg, ezt tudom közzétenni. Ha ennél kisebbet szeretnél, akkor javasolom az egyszerűsített változatot megtervezni felületszerelt alkatrészekkel, trimmerek helyett diszkrét ellenállásokkal.

Egy fontos megjegyzés: a trafó szekunder feszültségét egyenirányító Graetz után NE LEGYEN pufferkondi!

bottom.jpg
    
(#) kuksa90 válasza NGY hozzászólására (») Jún 24, 2021 /
 
Mea Culpa - nem láttam, túl halvány az off - de hálás köszönetem a segítségért.
(#) nabla5 hozzászólása Ápr 14, 2023 /
 
Kedves Fórumtársak!

Segítségeteket szeretném kérni a következő probléma megoldásában: Egy leopárdgekkó terráriumának melegítését eddig egy normál 60W-os izzóval oldottam meg, de mióta napelem rendszer lett telepítve a házunk tetejére, nagyon hamar kiég az izzó.
Kicsit off, de sosem árt a több infó: korábban próbáltam erre a célra gyártott speciális melegítő izzót is használni, ami 50W-os és 2200K-es színhőmérsékletű volt, de az is kiégett 3 hónaponta (~1000 óra) rendszeresen napelem nélkül is. Egy ilyen izzó kb. 4000 Ft, ami nem olcsó, főleg úgy, hogy a gekkó csak meleget igényel, speciális fényt nem.
Vissza az eredeti témára: most, a gyenge minőségű hagyományos izzók, és a napelem rendszer megemelkedett hálózati feszültsége miatt (napközben 240 - 248V) rendszertelenül, de nagyon hamar kiég az izzó. Erre kerestem feszülétségcsökkentő megoldást, itt a hobbielektronika fórumán. Találtam egy jónak tűnő megoldást a korábbi hozzászólásokban, de mivel bizonytalan vagyok, kérem a megerősítéseteket. Azt gondoltam, hogy egy kb. 10 µF-os állandó üzemi kondenzátor sorba kötésével hatékonyan és kellő mértékben tudnám csökkenteni a izzóra eső hálózati feszültséget, ami az élettartamára jótékony hatással lenne és még kellő meleget adna. Ez egy járható út szerintetek? Van jobb megoldás? Illetve egy másik kérdésem is lenne, mennyire biztonságos ilyen kondenzátort használni? Nem szeretném, ha valamilyen meghibásodás miatt felgyulladna a ház. Amit még a biztosító sem fizetne, mondván, hogy otthon barkácsolt elektromos eszköz okozta a tüzet... Szóval az még a kérdésem, hogy érdemes-e ezt a kondit, pl valami tűzálló dobozba beleépíteni? Előre is köszönöm a válaszaitokat!
Üdv és szép napot mindenkinek!
(#) bbatka válasza nabla5 hozzászólására (») Ápr 14, 2023 /
 
Szerintem tekercseltessél egy kisebb feszültségű trafót.
(#) burgdavid válasza nabla5 hozzászólására (») Ápr 14, 2023 /
 
Szia!

Én inkább ilyesmiben gondolkoznék: https://www.hestore.hu/prod_10035582.html?gross_price_view=1&so...vD_BwE

Egy kis hűtőborda kell hozzá, meg egy doboz és máris működik. Ez ugyan követi a hálózati feszültség változásait, de egy izzónál ez nem lehet probléma.
(#) proli007 válasza nabla5 hozzászólására (») Ápr 14, 2023 / 2
 
Hello! A 10µF-soros kondival, kb. 46W-racsökken a teljesítmény. Elvileg bírnia kell a kondinak az állandó üzemet, de általában az idő előrehaladtával csökken a kapacitása. De hogy ha az izzót nem a túlfeszültség hanem a tranziensek viszik el, akkor a kondi nem jó megoldás.
Ha nem a világítás, hanem a hő az elsődleges cél, akkor lehet jobban jársz, két sorba kötött 100W-os izzóval. Az biztos nem fog sem kiégni, sem tüzet okozni. Kipróbálni is olcsóbb.
Amit Bbatka ajánl, megoldás lehet ha egy 15VA-es 24V-os trafó tekercsével "levonod" a 230V-ból a 24V feszültséget. Akkor 250V-nál is csak névleges feszültség lesz az izzón.
De akár egy soros diódával is csökkenthető a lámpára jutó feszültség. Ezt is egyszerű kipróbálni egy 1N4007 diódával. 60W-nál már nem fog jelentősen vibrálni, vagy 100W-os izzót is alkalmazhatsz.
(#) proba válasza nabla5 hozzászólására (») Ápr 14, 2023 /
 
Ami eszembe jutott, gyerek koromban egyik ismerős javasolta, 230-as izzóval sorba egy kisfeszültségű izzó. Az általános megrökönyödés után gondolkodva, ha a két izzó névleges árama egyezik, akkor mindkettő szépen elvilágít, és a nagyobb csökkentett feszültséget kap. ( hátrány cserénél ugyan olyanra lehet csak cserélni, és a kisfeszültségű izzón is hálózati feszültség lesz.) 60W os izzóhoz talán a csökkentés mértékének megfelelő számú sorba kötött 3W-os 12-14V-os karácsonyfa izzó dukál.
(#) niedziela válasza nabla5 hozzászólására (») Ápr 14, 2023 /
 
A 60W izzóval teszel sorba egy sütő izzót 15W és kész.
(#) még1MbR válasza burgdavid hozzászólására (») Ápr 14, 2023 /
 
Ez is tökéletes, vagy egy rossz porszívóból kiszedni egy hasonlót ingyen
(#) erbe válasza proli007 hozzászólására (») Ápr 14, 2023 /
 
Legolcsóbb, legcélszerűbb és legbiztonságosabb a 2 db sorbakötött 100-as izzó.
(#) nabla5 hozzászólása Ápr 15, 2023 /
 
Nagyon szépen köszönöm nektek a jobbnál-jobb megoldási ötleteteket! Tudtam én, hogy itt kell ezt megkérdeznem!

Ha jól értem, akkor az általam felvetett kondenzátoros megoldás jó lehet, de nem biztos, hogy hosszú távon jól fog működni?
A két sorbakötött 100W-os izzós megoldás sajnos nem jó nekem, mert nincs annyi hely hozzá. Nem túl nagy a terrárium és lennie kell benne egy meleg és egy hidegebb résznek, hogy az állat tudjon választani az igényeinek megfelelően. Az izzókkal az az bajom, hogy nehéz számolni azzal, hogy a wolframszál hőmérsékletének függvényében hogyan változik az ellenállása, így jobb híján a falstad(pont)com-os oldalon lévő szimulátorral játszottam. Az jött ki ezzel a szimulátorral, hogy nem működne az, ha sorosan kötnék a 60W-os izzóval egy sütőizzót (15W, 230V), mert akkor gyakorlatilag csak a sütőizzó működne, a 60W-os maximum kézmeleg lenne. A szimulátor szerint a 3W, 12V-os karácsonyfaizzó sorba kötése a 60W-ossal jó megoldás lehet, mert kb. 13V effektív feszültség csökkenést okozna a 60W-os izzón, míg a 3W-os is a normál működési tartományba esne. Ezt a megoldást mégsem preferálnám, mert plusz egy elromolható alkatrész kerülne bele a másik izzóval.
Lehet először a diódás megoldást próbálom ki 100W-os izzóval, mert ahhoz filléres alkatrész kell csak, és nem kell tartani a dióda elromlásától. A kérdésem ezzel kapcsolatban az, hogy miért indokolt az 1N4007? Nem jó simán az 1N4004, annak is 400V a maximuma? Illetve jó lehet-e az 1N4007 helyett egy mikróba való nagyfeszültségű dióda? Azért kérdem, mert van egy trafóhibás mikró a padláson, abból ki tudnám szedni azt a diódát.
A 3kW-os teljesítményszabályzó hogy működik? Ha esetleg egy linket tudtok küldeni róla, azt megköszönném.
Illetve be kell valljam férfiasan, hogy tudásom eléggé foghíjas, fogalmam sincs, hogy lehet egy 24V-os trafóval "levonni" feszültséget a hálózatiról. Lehet, találok is itthon valahol egy ilyen trafót. Ha valaki leírná, hogy kell bekötni egy ilyen trafót, akkor azt hálásan megköszönném.

Üdv és szép napot mindenkinek!
(#) proli007 válasza nabla5 hozzászólására (») Ápr 15, 2023 / 1
 
Hello! Elvileg az 1N4004-es dióda is megfelelő, de mivel a 230V csúcsfeszültsége 320V körüli érték, célszerű nagyobb rátartással tervezni. Egyébként a forgalmazók szeretik az 1N4007-et forgalmazni, mert az szinte bármelyik 1N4xxx helyett megfelel. De én tartok tőle hogy a gyártó sem gyárt ennyi féle fajtát, csak azt a számot írja rá, amit a megrendelő kér.
A transzformátor bekötése egyszerű, a 230V-os primert rákötöd a hálózati feszültségre, a 24V-os szekunder tekercset pedig a hálózat és a fogyasztó közé kötöd. Ha a primer feszültsége azonos fázisban van a hálózattal, akkor megnövekedik 24V-al a hálózati feszültség, ha pedig ellenfázisban van, akkor pedig lecsökken. Ha nem megfelelő a feszültség értéke számodra, akkor csak fel kell (akár a primer, akár a szekunder) tekercsvégeket cserélni. (Ha a kettőt egyszerre fordítod meg, akkor változatlan lesz az eredmény!) Oka pedig az, hogy a primer-szekunder fázisviszonyát (0 vagy 180 fokot) a menetirányok, egymáshoz viszonyított iránya határozza meg.
Így a transzformátornak három kivezetése lesz. Egyik 230V-os tekercspontja a nullán, másik 230v és 24V közösített pontja a fázison lesz. A maradék 24V-os tekercsvég és a nulla közé kötöd a fogyasztót. (De csak az ellenőrző mérés után.)
A hozzászólás módosítva: Ápr 15, 2023
(#) nabla5 válasza proli007 hozzászólására (») Ápr 15, 2023 /
 
Köszönöm a gyors választ!

Közben kipróbáltam az egyenirányító diódás megoldást, de így, hogy az egyik fele a szinusznak le lett vágva, nagyon zavaró az 50 Hz-es vibrálása az izzónak.

Most, hogy megértettem, hogyan kell csökkenteni trafóval a hálózati feszültséget, ez lesz a végleges megoldás és maradhat a szemem számára nem látható 100 Hz-es fényesség ingadozás! Hálás köszönet a segítő szándékú uraknak!
Ha pedig a tranziens jelenségek teszik tönkre az izzókat idő előtt, akkor majd újra jelentkezem nálatok!

Most is bebizonyosodott, hogy nem elég elviekben ismerni valaminek a működését, jelen esetben a transzformátorét, a gyakorlati tudás, na az más!
Ma is tanultam valami újat, köszi!
(#) Gafly válasza nabla5 hozzászólására (») Ápr 15, 2023 /
 
Proli007-nek igaza van.
A csatolmányokat én követtem el.
- Diódásat fórumtársunknak csináltam, de nem kellett neki (odaadom ajándékba, ha neked kell).
- A trafósat magamnak, érzékeny "audiofül", azt nem adom.
- Lehetne még a klasszikus "EU -> US travell adapter" triakos csoda.
- Ami neked kell szerintem: Tegyél be még olyan izzót sorban. Örök élet, meg egy nap. Gekkó sem fog kancsalítani az egyenetlen megvilágítás miatt.
(#) Ktulu válasza nabla5 hozzászólására (») Ápr 15, 2023 /
 
Miért nem infra lámpát használsz?
(#) szs válasza Gafly hozzászólására (») Ápr 15, 2023 /
 
Hű, ez az egyenirányítós még megvan...
Offon kívülre kerülvén: szerintem is a 2db izzó a legegyszerűbb megoldás.
Azonban arra is gondoltam, hátha egy termosztát is kapcsolgatja azt az izzót, és a kapcsolgatás az izzó gyakori halála. Ha így van, akkorva diódás megoldást egy (néhány másodperc késleltetésű) átkapcsolóval kiegészíteném.
(#) szs válasza nabla5 hozzászólására (») Ápr 15, 2023 / 1
 
Nem tudom, annak az állatnak mennyire van szüksége a sugárzó hőre, -de ha kell neki, akkor marad az izzó.
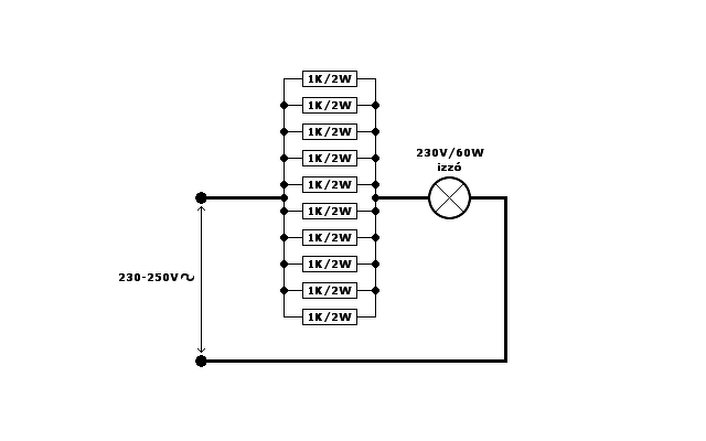
Én azért megpróbálkoznék azzal, amit most lerajzoltam (alul láthatod).
Az ellenállások lecsökkentik a feszültséget (a kb. 1/4 A áramnál 25V-al), és (nézetem szerint) még a bekapcsoláskori áramlökéseket is kisebbíthetik. Még a hő sem vész el, ha kell, akkor az ellenállás is a terrárium belsejében fűt.
(#) proba válasza nabla5 hozzászólására (») Ápr 15, 2023 /
 
24V os részt sorba kötöd a 230V os résszel. (fontos a kezdő és végző vége a tekercsnek) a bemenet a 230V kezdete és a 24V vége, kimenet a 230V-os tekercs két kivezetése. A kezdő végző végeket meg legkönnyebb úgy megállapítani, egyszerűen sorba kötöd a két tekercset, és megméred a 230V-os részen lévő feszültséget. Ha csökkent a kívánt mértékben ( kb 230V-20V ) akkor jó, ha meg több mint a bejövő, akkor gyorsan kihúz, mert rossz az összekötés, és a transzformátor egyik tekercsének a két végét felcseréled. Ebben a felállásban kicsit kevesebbet csökkent a transzformátor, de cserébe kevésbé zúg, és sokkal tartósabb lesz.
A hozzászólás módosítva: Ápr 15, 2023
(#) Tomi111 válasza nabla5 hozzászólására (») Ápr 15, 2023 / 1
 
Szia! Én nyugodtam betenném a soros kondit, amit először írtál. ( a kapacitásnak nem számoltam utána!)Az a legegyszerűbb. A maiak már műanyag tokban vannak, szigetelni sem kell. Egy 100x100-as doboz és kész. Mi baja lehet? Zárlata esetén max fénnyel ég újra az izzó ( de nem szokott zárlatos lenni) , inkább a kapacitása csökken, azt meg észreveszed a fényerő csökkenéséből. Villanymotorokon évekig elmegy gond nélkül, fénycsőarmatúrákba is akár évtizedekig, itt miért ne lenne jó?
Egyébként szerintem a ma kapható silány minőségű izzókkal van a gond. Próbálj szerezni régit! ( 20+ évest) ( Philips, Tungsram) Nemrég itt az apróban is hirdetett valaki. Nem fognak kiégni. A maiakat nem szabad megvenni.
A hozzászólás módosítva: Ápr 15, 2023

10uF 400V.JPG
    
(#) nabla5 válasza Ktulu hozzászólására (») Ápr 20, 2023 /
 
Próbáltam infra izzót is, illetve jóval drágább kerámia infrasugárzót is (jó, mondjuk az kínai volt), azok sem bírták ki a tervezett élettartamukig. Ezért kerestem itt valami tartós megoldást.
(#) nabla5 válasza szs hozzászólására (») Ápr 20, 2023 /
 
A két izzós megoldást már elvetettem, egy korábbi hozzászólásomban írtam, hogy miért nem jó az én esetemben.

Nem termosztát kapcsolgat, hanem egy sima mechanikus időkapcsoló: reggel be, délután/este ki. Az érintkezések jók mindenhol, azokat ellenőriztem a legelején.
A hozzászólás módosítva: Ápr 20, 2023
(#) nabla5 válasza Tomi111 hozzászólására (») Ápr 20, 2023 /
 
Végülis nem kondival oldottam meg, de azért köszönöm a válaszod. Illetve jó ötlet a régi izzó beszerzése, mostantól nyitott szemmel fogok járni-kelni.
Következő: »»   11 / 12
Bejelentkezés

Belépés

Hirdetés
XDT.hu
Az oldalon sütiket használunk a helyes működéshez. Bővebb információt az adatvédelmi szabályzatban olvashatsz. Megértettem