Fórum témák
» Több friss téma |
Ha szkóp-képet teszel fel, legyen látható a kezelőszervek beállítása, vagy add meg a beállításokat!
Szia!
Ha koszos a kaszkád forrléce, akkor is szokott nagyfeszültség-gond lenni a szivárgó áramok miatt. Bővebben: Link
Köszi a tippeket, megtaláltam a hibát, most már működik.
![]() Miközben cserélgettem az alkatrészeket megszakítottam egy helyen a nyomtatott áramkört. Amint megfoltoztam az új alkatrészekkel elindult az oszcilláció.
Sziasztok!
Hameg HM604 oszcilloszkóp Y tengely kalibrálásában kérnék segítséget! Jelenleg a megjelenített 1kHz generátorjel több, mint 10 jel hosszúságú (majdnem 11), ezt szeretném módosítani! A kapcsolási rajzon nem jelölik, vagy nem találom melyik trimmerrel lehet állítani. Ha, valaki jártas a témában, kérem segítsen, pontos információval! Üdv: Gyula Idézet: Vízszintesen? Mert az "Y" tengely a függőleges méret.„10 jel hosszúságú” Nyújtás bekapcsolva esetleg. A hozzászólás módosítva: Máj 12, 2023
Így igaz elírtam! köszönöm!
Vízszintesen! Alapálláson a nyújtás! általában az előerősítő áramkörében ( pl. HM203-6) rögtön a bejáratnál levő egy trimmer azzal kellett bemelegedés után, beállítani. A kapcsolási rajzán, valahogy másképp lenne megoldva? Üdv! Gyula
Milyen eltérítési sebességnél? Nem írtad mennyinek kellene lennie.
1 kHz! 10 jel helyett kb. 11 jelet jelenit meg.
Kapcsolási rajza: https://elektrotanya.com/hameg_hm604_oscilloscope_um2.pdf/download.html Köszönön, hogy foglalkozol a témával!
Én sem találom a trimmert. Próbáld az időalap külső variable poti bekötés környékén a panelen keresgélni, elvileg a környékén kellene lennie a belső kalibráló trimmernek.
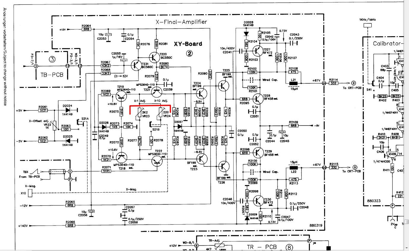
De még az időalap variable potit sem találom. Időbázis kapcsoló külső potmétere "Variable" "cal." azaz nulla állásba legyen visszatekerve. A nyomvonal hossza 10cm ezt nézd meg. Függőleges pontosság jó-e. Ha a függőleges méret nem jó, akkor ks. cső tápfeszültségeinél is lehet a probléma. Egyéb tápfeszültségek jók-e. Nyomvonal hossz állítható 41. oldal "X-Final-Amplifier" kapcsolási rajzon "VR23" és "VR24" trimmerekkel egyikkel normál, másikkal x10 nyújtás állásban. Időbázis kapcsoló külső potmétere "cal." azaz nulla állásban legyen visszatekerve.
Köszönöm a választ!
A tápfeszültségeket, feltétlenül leellenőrzöm. A kép vízszintesen túllóg a rácson! Más kapcsolási rajzom van! De 604-ről. Próbálom beazonosítani a trimmereket. mellékelek egy rajzot. A 305, 305 trimmerekről van szó? PTFS/TB-PCB lapról, van a kép. Üdv: Gyula
Nem. X Final Amplifier fokozatban, mellékelem pirossal jelölve. De ez csak vízszintes képméret állítás 10 osztás hosszra kell állítani, rácson nem lógna túl leírása szerint, nem hiszem, hogy ez lesz a megoldás. Itt a fűrészjel sebességen kell állítani, de jó lenne tudni, hogy más állásokban is ennyit csal-e.
Köszönöm a pontosítást! Elkerült a figyelmemet!
Mellékelem, a panelon a helyzetét! Köszönöm, holnapi feladatom a beállítás 30 perc bemelegedés után! Üdv: Gyula
Szívesen. A Time/Div Variable külső poti panelra csatlakozását kellene megkeresni, esetleg ez a poti hibádzik, illetve ennek környékén kell lennie a belső kalibráló trimmernek. Általában a trimmer mellett felirat is szokott lenni funkciójáról.
Érdekes, hogy sem a Time variable potit, sem a kalibráló trimmert nem találom rajzon. Minden más megvan.
Képet tudok róla küldeni. Ott pöffeszkedik!
A kapcsolási rajzon kerestem, de nem találtam! Üdv: Gyula
"TIME CAL" ez lesz az. Először tápfeszültségek jók-e, utána amit visszább írtam, hogy vízszintesen 10 osztás hosszú legyen az ábra VR23 és VR24 ez 10x nyújtásnál, ezután a "TIME CAL". De más eltérítéseknél is kellene ellenőrizni, nem lesz mind pontos, olyan beállítást keressél, amikor minden eltérítésnél a legkisebb a hiba.
ui.: szkóp külső Time Variable poti biztosan alaphelyzetben legyen. A hozzászólás módosítva: Máj 13, 2023
Idézet: Rosszul írtam. 10x nyújtásnál nem lesz vége az ábrának 10 osztás után, itt négyszögjelnél kell beállítani a megfelelőt. Először VR23 a 10 osztás hossz, utána "TIME CAL", ezután VR24-nél négyszögjelre a megfelelő hosszt, mert ez túlnyúlik. Tehát minden legyen beállítva, végül 10x nyújtás bekapcsolva, és VR24 -el négyszögjelnél a megfelelő hossz. „vízszintesen 10 osztás hosszú legyen az ábra VR23 és VR24 ez 10x nyújtásnál,”
Kedves nagym6!
Köszönöm az önzetlen segítséget a műtét sikerült! A beteg túlélte a beavatkozást! Lásd képek, előtte szinusz, utána négyszög. Üdv: Gyula
Szívesen.
Örülök én is, volt értelme vele foglalkozni. Üdv: Miki
A képen nézve jobbra lejt a rajzolat. Ez a "Trace Rotation" potival állítható. Leírása szerint előlapon van egy "TR" jelzésű luk, abban egy trimmer poti, kis csavarhúzóval benyúlva állítható. Mintha az alja bal szélén lenne. Ezzel lehet vízszintes raszterrel egy vonalba állítani a sugárvonalat, bemenet legyen GND-re állítva, tehát semmi jel csak vonal. A középső vonalnál kell beállítani, Y pozícióval középre kell állítani a vonalat.
A hozzászólás módosítva: Máj 14, 2023
Fotózás után be lett állítva!
Az eredmény fontosabb volt! Üdv: Gyula
Sziasztok! Kaptam régebben egy Heathkit OS-2- es kis oszcilloszkópot. Amúgy is a magnómmal bajlódok már hosszú ideje, gondoltam segít. Bekapcsoltam többször, néha a jelet figyeltem vele. Nemrég elment a fókusza, és szerintem a fényereje is. Egy nagy zöld pont van a képén, amit lehet mozgatni ide-oda, fel-le. Nézegettem a csöveit és az egyiknél, ha megütögetem, mozgatom, akkor a kép ugrál. De csak ennél ez egy csőnél. ECC-82-es cső. Egyáltalán hogyan tudok kimérni egy elektroncsövet? Arról nem beszélve, hogy hol kapok.
Szerencsére a tanyán megvan a rajza.
Egyszerű mint a faék. Négy egyforma cső van benne, amivel tudsz sakkozni, ránézésre a vízszintes eltérítésed (V3, V4) halt meg. Vagy csak el lett tekerve a HOR FREQ SELECTOR gomb... Börzén bármikor kapsz hozzá csövet, de lehet csak kontakt hiba van, vagy mint mondtam eltekerték...
Üdv! (Telefonról írok - elnézest a hibak miatt) Birtokomban van egy Tr4653 oszcilloszkóp. Régóta terveztem megjavítani es most úgy érzem eljött az ideje. A probléma hogy nincs fény. Elsőnek ellenőriztem a fűtését ohméréssel (10ohm volt kb). A lenyeg hogy ép a fűtés.. Utana a futofeszt ami 7.1v volt. Ezt kovetoen a nagyfeszt amit a fold kozelitesnél athuzta szoval az is van. Nem mertem meg de ha meg kell megfogom. Ez utan mit kellene megneznem?
Esetleg csövet a HAM-bazárból is tudsz venni.
A hozzászólás módosítva: Szept 11, 2023
Sziasztok,
Egy 35 éves Philips PM3050 kapcsolóüzemű tápja van az asztalomon. A fő hibája egy (Tepee által előre megjósolt) 220nF X2 kondi, ezt könnyű lesz cserélni. Van még mellette 2db 1nF Rifa, hasonlóan műgyantás kondi, több helyen olvastam, hogy ezeket is érdemes cserélni. Jól sejtem, hogy ide Y kondikat kell venni? (C6002 és C6006 a rajzon.) Ezek 125VAC-ek és a velük sorba kötött 100nF 63V kondikkal alkotnak kapacitív osztót. Hogyan volt ide elegendő a 125VAC? |
Bejelentkezés
Hirdetés |













