Fórum témák
» Több friss téma |
Biztos igazad van, ahogy írtam én nem értek hozzá.
Az órán egy RCA csatlakozó van, és a vezérlő egysége (9V-os elemmel működik) ezen keresztül polarítás váltással ad egy-egy impulzust. Délután méregettem, és nyitáskor +9V jelenik meg rajta egy pillanatra, záráskor viszont nagyjából -6V. A működtetést kvázi kapcsolóval oldanám meg - egy kapcsoló órával tudnám programozni, hogy mikor, mennyi ideig öntözzön.
A kapcsoló órád csak 230v-ot kapcsol?
( Az a kompakt dugaljba dugható 230V-os kivitel? ) A Idézet: ezekszerint nem működik, hogy kűlső jellel kell elindítani és leállítani!?„locsolóóra” Akkor ha jól gondolom, neked egy olyan "adapter" kell amit ha dedugsz a hálózatba, akkor egy + impulzist ad, S ha kihúzod, akkor egy - jelet ad ki a kimenetén. (Csak hogy a problémát letisztázzuk.)
A kapcsolóóra 230V-os, dugaljba dugható, programozható.
A locsolóóra tökéletesen működik, vadi új, csak a benne levő előre programozott locsolások db-száma és ideje nekem nem megfelelő. Ezt szeretném egy külső vezérléssel megoldani, hogy én tudjam szabályozni, hogy napjában hányszor, és mennyi ideig locsoljon. Egyébként az utolsó mondatod majdnem megállja a helyét, annyi kiegészítéssel, hogy nem szeretném bedugni-kihúzni, hanem a programozott időben adjon + impulzust, a programozott idő végén egy - jelet (napjában több alkolommal is)
Hello mindenki!
Nos én annyira nem értek ehhez de szerintem neked valamiféle memória áramkör kell. Pontosabban egy IC amiben az van tárolva, hogy mikor és mennyi ideíg legyen locsolás. De ha pontos áramkört akarsz akkor meg egy óra is kell. Órajel generátorral - pl. az 555 is lehet ilyen - csak azt tudod megoldani, hogy mennyi idő múlva kapcsoljon be illetve ki az öntözés de nem tudod neki megadni, hogy mondjuk délután 17:00-tól 19:00-ig locsoljon. Vagyis meg lehet csinálni de akkor meg neked egy astabil kell valami olyan áramkörrel összekötve ami képes polaritást váltani. Mondjuk erre a célra egy relét is használhatsz. ![]() Meg lehet csinálni 555-el is de akkor az úgy működne, hogy neked kéne elindítani és mondjuk miután beindult 2 óránként bekapcsolna 10 percre az öntöző utána meg ki és újabb 2 óra múlva megint be. Biztosan van más megoldás is - mondjuk a PIC - de én még ehhez sem értek annyira. ![]() Mindenesetre remélem, hogy ez hasznodra lesz amit leírtam. Bye!
Szia!
Na ezzel el is jutottunk az eredeti problémámhoz. Ugyanilyen 24 órára programozható kapcsolóórám van, de mivel az 230V-ot kapcsol, illetve hálózati adapterrel akár 9V-ot, ezért kellene nekem, hogy a megadott intervallum elején a folyamatos 9V-ból csak egy impulzus legyen, a végén meg egy -9V-os (illetve méréseim alapján -6V-os) impulzus.
A kapcsolóórával semmi gond, valamint a locsolóórához sincs semmi köze - egyelőre.
A locsolóórának van előre programozott modulja, amit le lehet húzni róla - ezt a modult akarom kiváltani pont a kapcsolóórával, mert azt úgy programozom, ahogy akarom. A locsolóórán alaphelyzetben semmilyen feszültség sincs. Be- és kikapcsoláskor egy-egy impulzus. A teljesítményes dolgot nem nagyon értem, de mivel a locsolóóra programozó modulja 1 db 9V-os elemmel működik kb. egy évig, így nem hiszem, hogy jelentős lenne.
Az utolsó mondatomat ismételném.
Alapesetben semmi köze 230V-hoz, egy db 9V-os elemmel működik és csak és kizárólag a vízcsapra van kötve. (Gardena T14 egész pontosan a típusa)
Hello!
Bocs, hogy beleszólok, de az a gyanum, hogy ez a szelep egy bistabil rásegítős típusú. Ezért, nyitás és zárás alatt, csak egy impulzus kell, persze fordított polaritással. üdv! proli007
EZ AZ - csak két impulzusra lenne szükségem
A kijelzős rész a vezérlő modul - ebben van a 9V-os elem. Ez a rész teljesen levehető és az alatta levő RCA csatin keresztül adja az impulzusokat
Idézet: „... amit ha dedugsz a hálózatba, akkor egy + impulzist ad, S ha kihúzod, akkor egy - jelet ad ki a kimenetén.” Természetesen ez csak leegyszerűsítés volt a hálózat ki - bekapcsolására, amit a vezérlő kapcsolóóra biztosít... ( Mert lényegét tekintve ez fog történni... )
Köszönöm szépen mindenkinek az eddigi hozzászólásait!
De segíteni esetleg nem tudna valaki?
Hello!
Mérd meg, hogy amikor a 9V-os elemet ráteszed a szelepre, mekkora áram folyik. (és persze közben a telepfeszültségét is, hátha lecsökken) És akkor kitöpizünk neked valamit. Amúgy, ha jól értem, akkor a vezérlő óra 230V-ot kapcsol? üdv! proli007
Nekem ez az ötletem. Gagyi, de talán jó.
Amikor az áramkör megkapja a 230V-ot, a relé meghúz. A C kondenzátor ki van sütve, így amíg töltődik, vezet. Ez a (+) impulzus. Amikor a kondenzátor feltöltődött, a locsolón már nem folyik áram. Amikor megszűnik a tápellátás, a relé elejt, és a terhelésen keresztül kisüti a kondenzátort. Az áramirány itt ellentétes az előzővel. Ez a (-) impulzus. Próbáltam tranzisztorokkal is, de valahogy nem tudtam egyszerűen (esetleg egy tirisztor zárhatná össze kikapcsoláskor a C (+) -t az adapter (-)-ával). Ha a relé 9V-ról kéne hogy menjen, akkor az adapter kimeneteire lehet kötni. A bal oldali diódára igazából csak ekkor van szükség, mert ha kikapcsoláskor csökkenni kezd a feszültség, de a relé még nem ejt el, a dióda lezár, és nem hagyja, hogy a kondenzátor feszültséget veszítsen. A jobb oldali dióda szerintem mindenképp kell, mert enélkül a terheléssel együtt a kondenzátor rezgőkört alkothat, ami ha beleng, visszakapcsolhatja a locsolást. A kondenzátor méretezésére csak saccolni tudok. Én legalább 2000µF-dal kezdenék, de lehet, hogy nagyobb kell. Persze ez az egész csak akkor jó, ha a locsoló nem követel nagy áramot. Diódáknak én 1n400x-et gondoltam. Mi a véleményetetk?
Nagyon ügyes ötlet.
Énis megcsináltam most az előbb a 4013-as változatot de sok alkatrész kellett hozzá. A tiedet kiigazítottam úgyhogy elhagyható róla a relé Nekem a ledeket meghajtotta, biztosat nem tudok mondani mert haldoklik a műszerem, de próbáld ki. Esetleg javítsatok még rajta
Az 1000µF-os pufferkondit lehet növelni is ezzel csak próbáltam.
Mint mondta oleg53 2000µF vagy töb kell, attól függ hány mA áramot vesz fel a vezérlés.
Tetszik ez a tranzisztoros megoldás. Gratula! Nekem nem sikerült kisakkozni ennyi alkatrészből. Ha jól sejtem, csak az kell hozzá, hogy gyorsan süllyedjen a tápfesz kikapcsoláskor. Az meg megoldható egy kis párhuzamos terheléssel a bemeneten.
Kár, hogy 300km-re vagyok az elektrós készletemtől.
Hello!
Igaz, hogy ez az topik elvileg az 555-ös IC kapcsolásokról szól, de hát ez van. Igaz, úgylátom közben elvesztél, de közben elkészítettem neked egy kis kapcsolást. Kissé komplikáltabb mint a kollegáké, de készítettem hozzá nyákot is. Ha tetszik, használd egészséggel. - A bemneti 230V-ot amit az időzítő ad, leválasztottam egy optocsatolóval. (A C1 kondinak mindenképpen 250V~ kondenzátor szükséges!! Y vagy X jelzésű) - A 4093 végzi a jelformálást és a késleltetést. A meghúzási időt a 100kohm-okkal és a 4,7µF-os kondikkal állíthatod be, ha más időzítés kell. - A szelep két végét, az 1 és 2 kimenetre kell kapcsolni. Ha rosszkor nyitna-zárna, fordítsd meg a két drótot. - A készülék tápellátását, most is a 9V-os elem végzi. Az ármfogyasztás szelep zárt állapotában elenyésző, bekapcsolt állapotában is kisebb mint 100uA. (Persze egy adapterről is üzemeltetheted.) - Az optocsatoló lábai között van egy kék vonal, azt ki kell fűrészelni a panelből, hogy a hálózati leválasztás biztonságos legyen!! Adapter esetén is fő a biztonság! Itt víz és villany van!! Szóval óvatosan. üdv! proli007 -
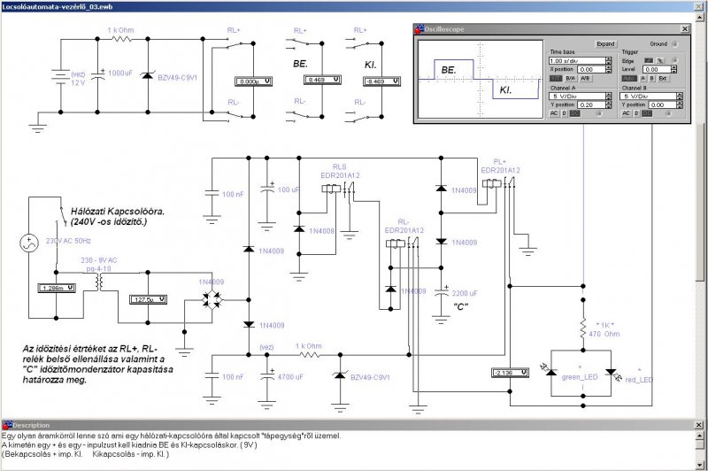
Van itt egy relés "szösszenet". Remélem lesz kedved kipróbálni!
A fölső vázlat a vezérlést és a kimenet állapotait szemlélteti. Az alsó a teljes kapcsolást... Ha kérdésed lenne csak nyugodtan! :yes: Mivel egyedileg kell "behangolni" az időzítést az alkalmazott relékkel, ezért prototípust nem készítettem. Jellemzően a relé(-k) belső ellenállása, az alkalmazott tápfesztől valamint a "C" időzítőkondenzátor értékétől függ. Kiszámítási képletet nekérj! Azt nem tudok adni... De szerintem a "C"-nek 100uf - 4700µF között kell lennie. IC-kkel is meglehet oldani, de jelentő energiatartalékot kell biztosítani az áramkör kikapcsolt állapotú UTÁNTÁPLÁLÁSÁRA. (Nagy kondi, Elem, Akku. vagy KÜLSŐ TÁP Szóval ezt elvetettem mint lehetőséget... Szok sikert! 555--> ON.
Hát, igen. Ez az igazi megoldás.
De az 1N4001-nek nem 50V a zárófeszültsége? Óvatosan. Amúgy szép munka.
Köszönöm szépen az ötleteket, próbálom őket értelmezni.
Hello!
Nincs jelentősége, valójában az 1N4148 is bőven megteszi, vagy kis Graetz. Ugyan is nem figyelted meg, hogy nem a hálózatot egyenirányítja, csak az opto "áramát". Zárófeszültségként, maximum az opto nyitófeszültsége, plusz a Graezt diódák nyitófeszültsége van rajta. Azza 1,5V+2*0,7V Hát ez még 3V sincs. üdv! proli007
Most, hogy mondod, tényleg. Bocs. Így még nem láttam, hogy a Graetz előtt van az előtét. Van mit tanulnom.
Sziasztok!
Bár napokkal ezelőtti a téma, de feltennék egy nagyon kezdő kérdést. A H-hidas locsolóvezérlőben mi a szerepe a bemeneten a 100n-s kondinak? Gyorsítja a bekapcsolást? Ha igen, arra mi szükség? Ha nem, akkor is biztosan kell oda, de miért? Köszi.
Hello!
Egyáltalán nem erről van szó. Mert az opto meghajtásához sajna áramra van szükség, ezért egyszerű előtét ellenállás szerepét tölti be a kondi. Csak a kondi váltakozóáramú ellenállását használja ki. Xc=1/2*Pi*f*C Ellenállást is használhatnánk, csak akkor fűtene szépen. Régen a REMIX gyártott zavarszűrő kondikat ellenállással egybeépítve, azokat eredményesen lehetett használni ilyen céllal. (bár ma is kapható, más gyártmányú, csak nekem nincs) üdv! proli007 ![]() ![]() ![]() ![]() A hülye fejemet! Csak ki kellett volna számolnom, de úgy gondoltam, 100n az elhanyagolhatóan kicsi, és így túl nagy ellenállást jelent. Nade 1Mohm-hoz képest... Köszi szépen.
hi
egy olyan időzítőt akarok építeni ami 4 percenként húzza meg a relét, és 10 másodpercig tartja meghúzva, utána enged, és 4 perc után megint meghúz. sztem ezt legegyszerűbben 555el lehet megoldani, csak eddig nem találtam hozáá megfelelő kapcsolást, meg énis terveztem hozzá párat, olyat is amiben 2db 555 is volt, de nem tudtam kihozni ezt a 4perc és 10másodperces időzítéseket. esetleg valakinek van ötlete hogy hogyan lehetne ezt megoldani? mert én számoltam már minden kapcsolásnál, de ezt nem lehetett kihozni. ja és ehhez nem akarok PICet használni, tudom hogy azzal meglehet csinálni, meg is tudnám, de ezt nem azzal akarom
Hali!
Ezt nézd meg, és kövesd onnan a linket. Az ott megadott értékeket, ha kell módosíthatod, a kívánt idő fügvényében.
Szia.
Nemrég volt szó egy pont ugyanilyen áramkörről, csak kicsit más időkkel. ITT A jelzett megoldás egyetlen hátránya, hogy az idők alapesetben egy bizonyos időalap 2-hatvány-szorosai, de ezen is lehet segíteni.
Hello
Azt szeretném kérdezni, hogy monostabil üzemmódban az 555 trigger bemenete elindítja-e az IC számolását, ha testet kapcsolunk rá, és csak azután adunk tápot az IC-nek? Üdv. |
Bejelentkezés
Hirdetés |








Énis megcsináltam most az előbb a 4013-as változatot de sok alkatrész kellett hozzá. A tiedet kiigazítottam úgyhogy elhagyható róla a relé










