Fórum témák
» Több friss téma |
Fórum » Subwoofer szűrő
Hali isamisa!
Milyen papírra nyomtatod, vagy fénymásolod??? Mert én még nem jöttem ráááá! Írj
Én sima A/4-es lapra. Amit otthon a tintáshoz is hasznáunk. Xerox multi papir. Amire minden rá van irva. ugyan olyan mint a fénymásoló papir.
Én mondjuk csak egy helyen fénymásoltattam de az nem volt jó fajta festék azt nem tudtam átvasalni. Az otthoni lasernyomtató az HP Isa
Hi
Mi a különbség a kapcsi és a beültetési rajz között, 5 alkatrész, de hova és minek? Valaki nem alakítaná át nekem, vagyis kiegészítené, mert meg szeretném tervezni újra, háha kijön valami egyszerűbb nyák... ZoLee A hozzászólás módosítva: Márc 19, 2013
Hello!
Az egész sorsa az lett hogy nekiláttam megrajzolni a nyákot és hétvégéén elfogyott a filcem tartalma és mással meg nemtom jó-e? Na elmentem a Steszkóba vettem filcet. Hazaviszem elkezdenék rajzolni és nem fog. Üres volt az ICO nevű alkoholos filc Utánna ma meg az Fe3Cl fogyott el ma tehát holnap tépek érte a boltba és ha szerencsém van akkor holnap készen is leszek vele. Most odafigyelve fogom csinálni. Csak szépen unotában. :yes: Megpróbálom precízen csinálni. Ha készen leszek, akkor azonnal írom hogy milyen és a tapasztalataimat. Ha meg gondom van akkor úgyis kérek segítséget ha nem gond. Köszönöm a érdeklődést. Oneill
Jaj most mit izélsz?
Ott van az feljavított beültetési rajz amit Norbertó csinált. Ennél egyszerübb nyákot hogy a fenébe hozol ki? Meg minek vele vesződni ha már kész a nyák is csak ki kell nyomtatni. És kit érdekel ha nem ugyan azok az alkatrészek vannak rajta mint a kapcsolásban? Nem véletlen hogy felrakták a beültetési rajzot is mert biztos ilyen cucc volt nekik otthon, és igy is müködik. Eddig még nem volt semmi baja. És Szabi83 is megcsinálta és neki is megy. Most komolyan olyan nagy dolgot csináltok ebből, :no: pedig csak a nyákot kell jól kimaratni és élvezettel lehet fellapátolni rá az alkatrészeket, mert elsőre beindul.
Szerintem sem kell ebböl ügyet csinálni!
Ha látok valami kapcsolásról képet akkor az azért van mert valaki már azt megcsinálta és mivel müködött le is fényképzete... Tehát én mindig jobban hiszek a fotónak mint egy sima kapcsi rajznak!!!!
így van megcsináltam elsőre müxött, csak ami van hozzá erősítő az naon kevés a ládámhoz képest
![]() a nyákot azért akkarja újra csinálni, hogy rajta legyen a "Created by Bagi" szerintem :yes: de ennyi erővel rakja be vmi képszerkesztőbe irja mellé és huzza köré a gndt oszt megvan oldava szerintem!üdv
Hm...
A created dolog nem igazán hajt, de jobban szeretném én magam/nak/ megtervezni, mert eleve gyakorlás, meg azt én csináltam... Ennyi erővel megvehetném boltban kompletten és nincs vele a sok macera... és még talán olcsóbb is... Ennek fíííílingje van... Amugy állítom, hogy a TDA-m nyákja is igényesebb a szkennelt verziónál, de ez magánvélemény... Na meg nem a forrasztáshoz kell ész, és ha vannak jövőbeni terveid, ilyen kis áramkörökkel kell gyakorolni, ami olcsó, egyszerű, és van hozzá nyák, így látod ha valamit elbengáztál... NYáktervező proginál nem a Sprint Layoutra gondolok, mert erról csak a 6éves kori önmagam jut eszembe, hogy nyomdázok aztán rajzolok mellé hátteret, nem is lettem művész.... ![]() Mestereim is ezt a megfontolást támogatják, pedig ők már nem 10esével számolják a projektjeiket! Na meg suliban is ezt tanulkuk és nem az van, hogy egy ember megcsinálja, a többi meg néz... Na mindegy... Nekem ez fontos, aztán lehet megoszlanak a vélemények, szerintem bajom nem lesz belőle, ha megcsinálom mégegyszer... De erről már nem szeretnék több monológot, ilyenre allergiás vagyok, hogy néz ki mikor átfurogatjuk a lyukakat, mert nem stimmel, meg egy lyukba 4 láb megy, szerintem ez gagyi, na meg ha nem megy akkor egyből újat... Olyan ez mint a szakrajz, nem lehet beleturkálni kézzel..., nem hímestojás az... Ott is precizitás kell... Most megint hülyének néztek biztos, de szerintem ez magától értetődő dolog... Nekem ez fontos, talán kitartó munkámmal majd azért viszem valamire, lehet valahol azért értékelik És talán majd egyszer az én rajzaimat marjátok sorozatban, akkor meg már mindegy nekem, csak én csináljam...
Jogos, de úgyis lesz majd még bonyolultabb kapcsolás, aminek meg majd azt szeretnéd, hogy bár csak lenne nyákterve... Én is így voltam vele, de már aminek van terve és bevált azt nem macerálom, aminek meg nincs azt muszáj úgyis megcsinálni!
Na kérem, jól gondolod! Elismerésem, hogy így látod a dolgot, de
A sprint layout NAGYON jó kezdésnek. Itt arra gondolok, hogy nem átrajzolod a meglevő rajzot, hanem MEGTERVEZED vele. Nézd, ha jól megnézem már vagy 25 éve annak, hogy az első multivibrátoros kapcsolásomat megterveztem és nyákot csináltam neki. Én a mai napig is ha lehet a spl-t használom tervezéshez mert nagyon egyszerű! Ha bonyolultabb nyákot kell terveznem akkor is megpróbálom a spl-tal.(max nem jön össze) Ismeretlen alkatrészt is lehet vele készíteni és elég jól támogatja az autoroute-ot is. (bár ezt csak akkor használom ha már nem tudom, hogy hogyan vezessem a vonalat). Jó, igaz, hogy a nyákjaim nagyrészét kockáslapon terveztem és van rálátásom a vonalvezetésre, de sztem pont ilyen célra tervezték a spl-tot. Ha megnézed a HE-n publikált nyákjaimat, azért nem olyan rossz a végeredmény... Tehát harcra fel! (és csak így tovább!)
bele tudnék kötni, de nem teszem
térjünk vissza az eredeti témához... -o- sikerült ?
Még nincs meg, majd átbogarászom az egészet...
De most tele vok projectekkel, megjött a megrendelésem végre
Hi
Ez jó? Azt hallottam, hogy nem jo az ha nem lehet állítani, hol vágjon...? Ebből mi igaz? Lehet ezt kell megcsinálnom, mert lemaradt a megrendelésembol a sztereo poti Állítolag néha tul magasan vág vagy mi? Neked műxik rendesen?
Az, hogy lehet állítani az a mélyhez való könnyebb illesztést segíti szerintem...
Amit én csináltam az tökéletesen működik, a vágási frekvencia is jó. A gyári házimozis mélyek is 150-200hz-nél vágnak álltalában
Oks
Valszeg akkor ezt építem meg…IC-foglalatom van, tehát akár megépíthetem a másikat is később, bár nem drága IC ez... Ja meg a 47 kohm-os log poti jó lesz hangnak? Az LM1036N-be lineáris van, de attól még logaritmikusan szabályoz? Ja meg így legalább tudok erre is kivezetést tenni a hangerőszab elé, meg majd lehet lesz utána is, és akkor látom mennyi van még az erősítőben... Tele vok 5letekkel!!! Lenne egy kis időm építeni....
lineáris, nem fog logaritmikussan szabályozni..
Nem alakítja át, vagy akkor miért nem lehet rátenni logot?
Itt a nyák vázlatosan OrCaddel gyártva, nem tökéletes, lehet még igazgatni kb fél ora alatt dobtam össze csak hogy mégis... Igazán csak egy dolog zavar, egyik kondi lábai között megy vezeték, de az még változhat... Nagyon jo progi ám ez, totál át lehet vele alakítani, és elméletileg ha jó az előzőleg berajzolt kapcsi, nem lehet elkötözgetni...
"Az LM1036N-be lineáris van, de attól még logaritmikusan szabályoz?"
NEM, mert a lineáris, nem fog logaritmikussan szabályozni.. :yes:
Meg tudnátok mondani, hogy A-s, vagy B-s poti kell a sub szűrőbe? (ami a kapcsolások között is van)! A mono potin láttam, hogy logaritmikus, vagyis A-s??mert csak úgy tudom megkülönböztetni, hogy A-s vagy B-s! Ha jól emlékszem, az A-s a logaritmikus, a B-s pedig a lineáris?
Idézet: „az A-s a logaritmikus, a B-s pedig a lineáris?” NEM! A=LIN B=LOG egy mono 47KB -s kell és egy stereo 22KA-s én a 47KB helyet 47K -s álló trimert használtam, mert 1* kell belőni azt sztem, ha pl kocsiba rakod ![]() a stereo 22KA-helyet meg stereo 50KA -sat és müxik
Hali!
Erre mekkora hangerőszabályzó kell? 47kohm? 22kohm nem elég? /az lenne itthon elfekvőben/
elég a 22k-s
THX:
---ZoLee--- végre műxik mind a 3 tda-m, traforol, bordával...
Hi!
Kira a rajz meg minden, megépítettem működik, kössz a segítséget! Egy hiba van rajt: a led polaritása rossz. De ahogy néztem az eredetin is... Mondjuk 2 Ic kellett mert az első megfőtt, de a foglalat jó barát /igaz másodikra én hülye /Azért az eredmény a lényeg, gyönyörű a hangzás így...
Sziasztok
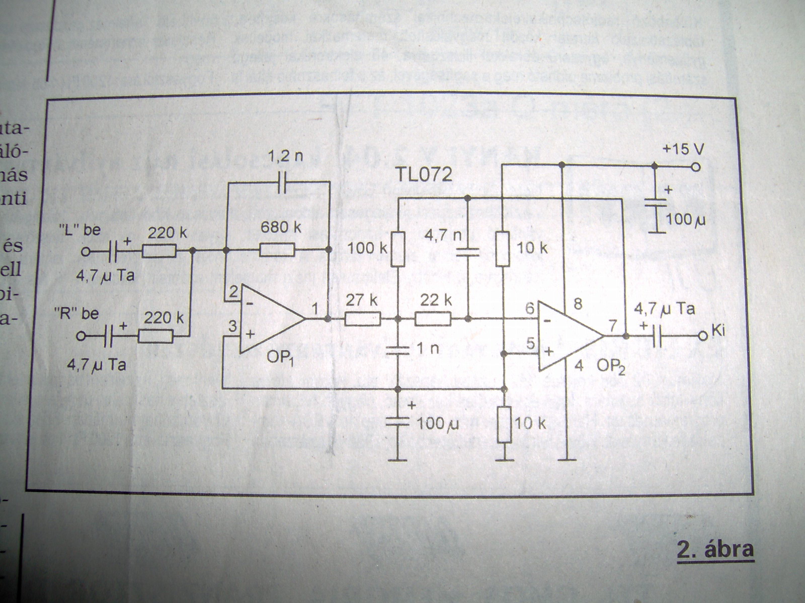
A honlapon van egy subwoofer áramkör (a kapcsolások közt) van benne 2 poti az egyik az erősítést, másik az alulvágást csinálja. Az erősítést végző poti az a hangerőt szabályozza? És a bemenet kisszintű vagy nagyszintű?
Hi!
A beültetési rajzot nézzed, az alapján meg tudod építeni, az jó és működőképes, a nyák is jó... Nekem sikerült... Szerintem hamarosan vége topicod röcidke pályafutásának, mivel át fognak irányítani a Sub filter témába, előtte azért kereshettél volna...! Itt egy átláthatóbb rajz. DE a led polarítása rossz, a többi biztos, hogy jó!
Én is utánaépítettem KeserűCukor képe alapján.
TL 062-vel működni működik, de szinte nem csinál semmit. Hatalmas bemenő jel kell neki, a 47k potit nagy ellenállásúra kell, a 22K sztereót meg alacsonyra kell beállítanom, hogy valami gyenge jel kijöjjön a hangfalból. Próbáltam már előerősíteni, meg utánerősíteni is, meg kettőt egyszerre is, de csak a búgás lett erősebb. Úgy tudom, hogy egy 130W-os hangfalnak erősebben kell nyomnia a mélyet.
ha nem csinál semmit akkor TE, én sztem CSAK gnd és + tápot adtál neki!
ez úgyanis szimmetrikustáppal megy!!(kipróbáltam én is így, -12Vot nem adtam neki akkor semmit nem csinált..) ha mégse (+-táp rendben) így van akkor meg valamit elkötöttél!! nekem szépen müxik! ui: ne5532-vel csináltam ![]() üdv |
Bejelentkezés
Hirdetés |













