Fórum témák

» Több friss téma
Fórum » Hawksford Error Correction
Lapozás: OK   11 / 35
(#) Karesz 50 válasza mcc hozzászólására (») Nov 12, 2023 /
 
Újra megnézem amit most kitettél... lehet elkapkodtam.
(#) mcc válasza Karesz 50 hozzászólására (») Nov 12, 2023 /
 
Idézet:
„A nyák szélét impregnálni kell a légnedvesség ingadozása miatt. Egy 10x10 cm-es, 1,6 mm vastag, kétoldalas nyák kapacitása számolva 277pF (ha a dielektromos állandóját 5-nek veszem). Ezt már valamennyire pontosan meg lehet mérni és ebből nem tudom vajon hány ppm-es 2pF-es kondit "csinálni", amit szükség esetén sniccerrel tudok trimmerelni”


Hááát az üvegszálas panel, mint kondenzátor sokak szerint problémás. Ezért esküsznek sokan a bakelitre, vagy a CEM1-re. Én a teflonnal szemezek, csak meglehetősen drága
(#) Karesz 50 válasza mcc hozzászólására (») Nov 12, 2023 /
 
Egy 10x10 cm-es akármilyen nyákot csak tudok már keríteni valahonnan.

Látom. Ennek basztód a bemeneti fokozata.
(#) mcc válasza Karesz 50 hozzászólására (») Nov 12, 2023 /
 
Gondoltam, jó lesz, ha invertáló visszacsatolást akarsz használni...
(#) Karesz 50 válasza mcc hozzászólására (») Nov 12, 2023 /
 
Az előző "A" osztályú végfokom is hasonló kapcsolású, mint ez az Onkyo. A Burgum meg ezzel szól jól amiről eddig beszélgettünk. Nem merem piszkálni egyelőre, biztosan nem ez a leggyengébb láncszem a végfok kapcsolásában... hanem inkább a vége.
(#) Karesz 50 hozzászólása Nov 15, 2023 / 2
 
Ma kikapcsolódásképpen nyákot ültettem be. Elkezdtem tranzisztorokat beválogatni, aztán nem tudtam abbahagyni, aztán mégis meguntam. Csak kicsit tanulságosak ezek a béták, mert hát nekem most ilyenek vannak éppen itthon, de hozzávetőlegesen mutatja melyik típusnál nagyjából mire lehet számítani az áramerősítésüket és a szórásukat illetően.
A műhelyasztalom olyan, amilyen, azt ne tessék nézni.
(#) shany válasza Karesz 50 hozzászólására (») Nov 16, 2023 /
 
2N5401 és 2N5551:
Innen vettem 100-100db-ot. Eredeti Onsemi, az összes Hfe 120-130 között van... ( egyszerű multiméteres teszttel )

https://www.ebay.com/itm/192114424083


https://www.ebay.com/itm/2N5551-NPN-General-Purpose-Amplifier-Trans...160644

Mod: Hibás link javítva.
A hozzászólás módosítva: Nov 16, 2023
Moderátor által szerkesztve
(#) mcc válasza Karesz 50 hozzászólására (») Nov 16, 2023 /
 
Nekem a BC550CG/560CG elég jól válogatható, a nagyja 520-600 között van. BC547C/557C-ből van itthon úgy 1000-1000db, de azokhoz szinte hozzá sem nyúltam még mérésileg.
A 2N5551/5401 nekem is így szór kb. A 2SC1845/2SA992 (most éppen JCC1845/JCA992 néven fut az Onsemitől) viszonylag jól párosítható 400-500 közötti bétával.
Az egyetlen még állva maradt lábas VAS tranyó a KSC3503D/KSA1381E kilátástalan, a legjobb pár a 85/112 amit eddig találtam, így csak kaszkódban használom mostanában.
Meghajtónak a Toshiba TTC004B/TTA004B valamint a TTC011B/TTA006B (utóbbi a 2SC4793/2SA1837 chipjét tartalmazza) úgy 200 körüli bétával egészen használható.
(#) Karesz 50 válasza mcc hozzászólására (») Nov 16, 2023 /
 
A 2N5401/5551-ből (ezek nem is egy gyártótól származnak) és a 2N3904/6-ből évekkel ezelőtt vettem 100-100 párat. Az utóbbi nagy kincs, a mostaniak nem tudom milyenek.
A BC550/560 nem tudom miért szór ekkorát, majd legközelebb jobban megnézem mit veszek.
(#) Karesz 50 hozzászólása Nov 17, 2023 /
 
Újabb kitérő.
Adott ez a 16 db aktív array izé (2x8 db-ról van szó egyelőre). 10Veff bemeneti feszültség kell neki, hogy "megszólaljon". Így mondta a gazdája. Hogy 1,25Veff-nél még csak "motyog" (16 kW körül).
Van hozzá ez a processzor ami nem tudja kihajtani őket.
Árulnak hozzá meghajtó erősítőt (másfél millióért).
Na vajon kit találtak meg vele aki a töredéknek a feléért bevállal egy ilyet?
Az az egy szerencse, hogy szeretem a kihívásokat is, meg az erősítőket is.
Remélem jól fog működni amit kitaláltam. Nem hifi, de érdekes feladat.
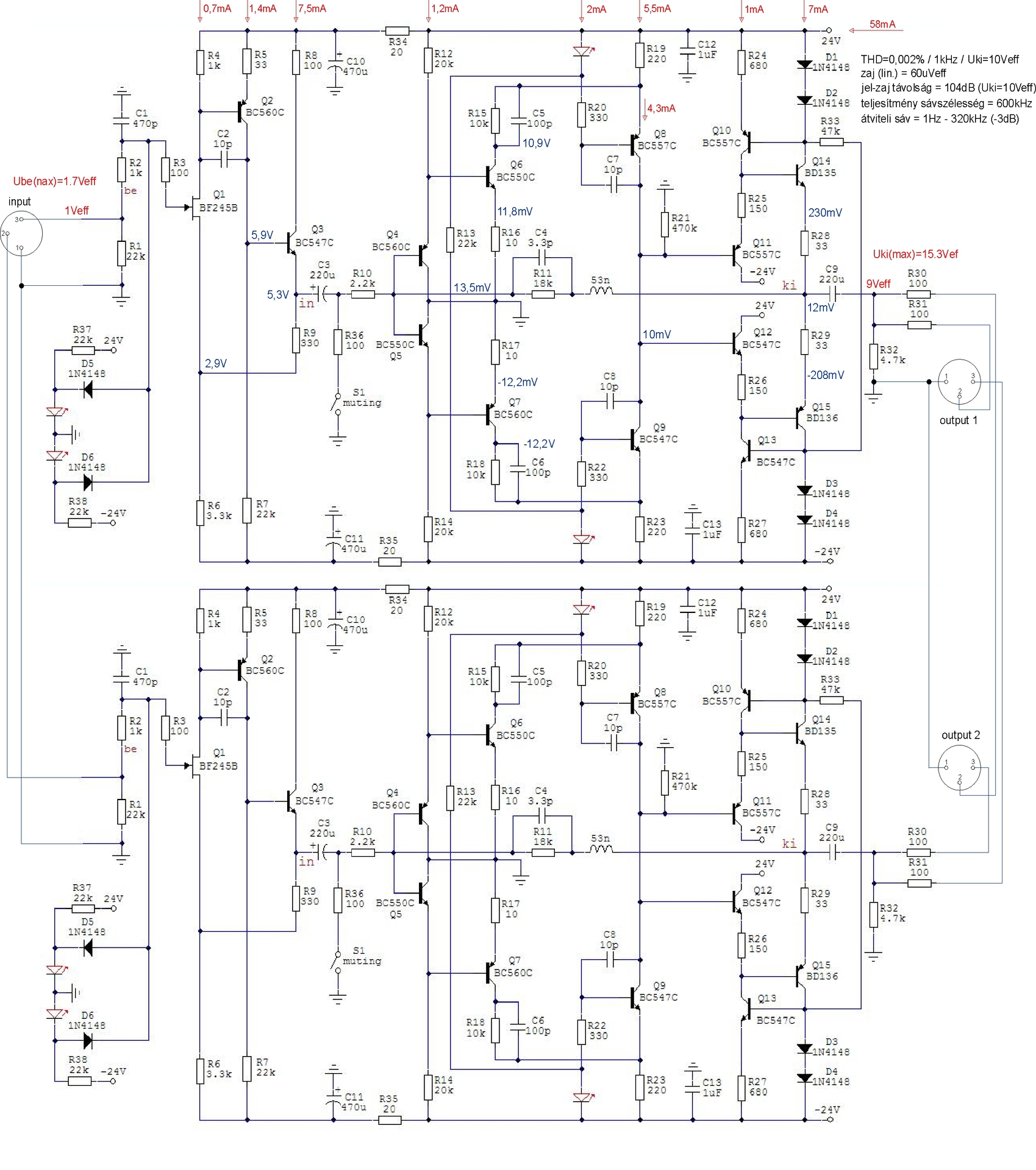
Kiteszem, hátha valakit érdekel (bár már kitettem, de most részletesebben).
A kapcsolást magamtól lopkodtam össze.
Közben annyira megtetszett, hogy magamnak is legyártattam egy panelt. Nem tudom mire lesz jó, de az nem árt ha van a fiókban egy ilyen (is).
(#) mcc válasza Karesz 50 hozzászólására (») Nov 17, 2023 /
 
Ha lehetek gonosz....

5532.jpg
    
(#) Karesz 50 válasza Karesz 50 hozzászólására (») Nov 17, 2023 /
 
Mivel semmit nem szoktam túlbonyolítani, nincs is benne csak 30 tranzisztor csatornánként.
Ennek fejében 600 kHz a teljesítmény sávszélessége. Elég jól tűri a túlvezérlést és a kis terhelő impedanciát. Egy napig szórakoztam a beméréssel, jó játék volt. Nagyon szurkolok neki, hogy jól működjön és jól szóljon, meg, hogy, zajtalan legyen. Még hiányzik a tápegysége és a bedobozolása.
(#) Karesz 50 válasza mcc hozzászólására (») Nov 17, 2023 /
 
Lehetsz...
És most?
A hozzászólás módosítva: Nov 17, 2023
(#) mcc válasza Karesz 50 hozzászólására (») Nov 17, 2023 /
 
Most voltam
(#) Karesz 50 válasza mcc hozzászólására (») Nov 17, 2023 /
 
Úgy értettem, hogy tud ilyet 2db párhuzamosított NE5532 (?)...
(#) mcc válasza Karesz 50 hozzászólására (») Nov 17, 2023 /
 
Csatornánként 1db is, ahogy a dobozok speckóját elnéztem.
200kHz-es négyszöget nem, de arra nincs is szükség. A prociban biztosan van egy fél marék OPA, és a hangdobozokban szintén. Csináltál egy szuper erősítőt, ami közel sem tudja majd kifutni magát a kettő között.
(#) Karesz 50 válasza mcc hozzászólására (») Nov 17, 2023 /
 
A végső terv szerint 2x16 array lesz. Ezekhez 20-30 méter vezeték megy a keverőtől a színpadig. A manual szerint a maghajtó erősítőnek 600 Ohm-ra kell tudnia rádolgozni 10Veff kimeneti jelszint mellett, plusz a nem elhanyagolható kábelkapacitásra. Te sem gondolod komolyan, hogy ezt rá mernéd bízni egy NE553x-re.
Nem szeretném sem égetni magam, sem kétszer dolgozni. Inkább túlméretezem, mint alá.
Lemaradt, hogy a processzor betorzít, mint az állat az opampos kimenetével.
A hozzászólás módosítva: Nov 17, 2023
(#) Karesz 50 válasza Karesz 50 hozzászólására (») Nov 17, 2023 /
 
Azért még kiteszem a nyákrajzot, hátha kedvet kap hozzá valaki brahiból : )
(#) mcc válasza Karesz 50 hozzászólására (») Nov 17, 2023 /
 
Ott van a specifikációjában a 10Vrms/600ohmra. Ha túl akarod méretezni, akkor párhuzamosan kötsz kettőt. De persze: "mindenki másképp csinálja..."

Egyébként meg az opa-s dobozkát teheted a hangdobozok közelébe is, akkor nincs 20-30m kábel.
A hozzászólás módosítva: Nov 17, 2023
(#) Karesz 50 válasza mcc hozzászólására (») Nov 17, 2023 /
 
Hát... most már nem dobom ki... : )
És persze jó lenne tudni mi van a gyári meghajtóban másfél milláért.
Nem gondolom, hogy 2db NE5532.
A hozzászólás módosítva: Nov 17, 2023
(#) mcc válasza Karesz 50 hozzászólására (») Nov 17, 2023 /
 
Semmiképp!
(#) Karesz 50 válasza mcc hozzászólására (») Nov 17, 2023 /
 
El is felejtettem szólni a legújabb "találmányomról". A Burgumban is hasonló, de ez egyszerűbb. Ez a "folded Karesz cascode".
Q6, Q7 nyugalmi áramát nem is annyira az emitter ellenállások stabilizálják, mint inkább a hő.
Úgy beáll termikus munkapontba (féltápfeszre R15, R18-on) mint a sicc - és ez jótékony hatással kell legyen a hangjára is.
Nagyon jól sikerült kis kapcsolásnak tartom ezt az izét. Majd még előkaparom - ha olyan hangulatom lesz - és teszek bele kétpólus kompenzációt, vagy valami ilyesmit.
(#) tothbela válasza Karesz 50 hozzászólására (») Nov 17, 2023 /
 
Ha akartad ha nem, jól belecsöppentél a PA világába. Jó hosszú kábelek, szimmetrikus jeltovábbítás. A paraméterek ha jók az nem baj, bár igaz, hogy a prioritás az más mint hifinél. A torzítás nem akkora gond, ha az 0,1% alatti. A zaj az fontos, azaz a minél kisebb zaj, mert itt 120dB hangosság az normális. A szávszélesség az a minimális szükséges. Ami viszont nagyon lényeges, hogy a be és kikapcsolás tranziensek ne okozzanak gondot. Némítás a kimeneten amíg fel nem áll a rendszer, mert ekkora hangerő mellett nem kellemes ha durrog a hangszóró (k). A -30 és +50 fok közti hőmérséklet tartomány is fontos lehet, valamint a fröccsenő víz elleni tolerancia.
Amúgy teszik a kapcsolásod.
(#) Karesz 50 válasza tothbela hozzászólására (») Nov 17, 2023 /
 
Nem nagyon szeretnék ezekkel a PA technikákkal foglalkozni, csak ezt most bevállaltam mert érdekesnek találtam. Ezek csak 500 W-os végfokok, a 60uV-os kimeneti zajt kb. 10-20-szorosan erősítik. 50nF kapacitív terhelésre zsebre dugott kézzel rá tud dolgozni. Némító van a bemeneten, elvileg nem fog koppanni ki-bekapcsoláskor... majd letesztelem.
A félvezetők nem melegszenek, a munkapontról az előbb írtam, a doboza zárt és RAC-ben lesz.
A trafója a jól bevált GERTH lesz, a max. kimeneti áramának felére méretezve.
(#) tothbela válasza Karesz 50 hozzászólására (») Nov 17, 2023 / 1
 
Azért érdekes, hogy a PA technika sem szabványos. Bár hangosításnál a 0dB jelszint elfogadott szabvány, de már inkább a +6dB a módi, vagy a +23dB. Valamelyik eszement kitalálta, hogy 10V RMS legyen a vonali szint. Persze ekkora hangerőn a zajvédetség miatt érthető. Néha el kell engedni a szabványokat.

Nem kételkedtem az építési színvonaladban, csak jól esett hozzászólni kicsit. Amúgy nem szeretem sem a PA technikát, sem a csöves erősítőket, de folyamatosan ilyen munkákat kapok, ezért ezek vannak előtérben. Nem sikerült kinevelnem egyetlen utódot sem ilyen munkára, ezért beleragadtam, mint ebihal az iszapba.
(#) segítő válasza tothbela hozzászólására (») Nov 17, 2023 /
 
Idézet:
Valamelyik eszement kitalálta, hogy 10V RMS legyen a vonali szint.

Valószínűleg meg akar felelni a trendeknek. Sok píz lehúzása, "új ötletekkel"
(#) shany válasza Karesz 50 hozzászólására (») Nov 18, 2023 /
 
Idézet:
„...600 kHz a teljesítmény sávszélessége...”
Ennek meg 60MHz...
Talán már meg szabad próbálkozni a cd lemez ( Fs=44,1kHz ) lejátszásával...talán. Viszont, ugye manapság a legtöbb hifista ("audiophile") számára is a streaming az elsődleges műsorforrás ( pl. Tidal ), ez meg kezd teljesen a nagy felbontású ( HiRes ) irányba menni ( Fs: 96-192kHz, DSD 128-256 ), vagy pl. Qobuz, HRA Streaming, stb. Esetleg HiRes internet rádió pl. Mother Earth Radio, stb. Az ínyencek meg ugye 384kHz dxd meg DSD512 fájlokat hallgatnak. Egy HiRes flac file lejátszásához nem kellene min 100MHz de inkább 200 ?

PA ügyben:
A minden felöl maximális zavarvédettség ( CMMR, PSRR, EMC ), és ezzel összhangban minimális sávszélesség, "bolondbiztos" működés, túlvezérlés-,túlfeszültség-, mechanikai rázkódás állóság, stb. megbízhatóság ugrik be inkább, az extrém körülmények miatt.
https://www.edn.com/fully-differential-amplifiers-remove-noise-from...gnals/
https://sound-au.com/project176.htm
https://www.ti.com/lit/an/slyt737/slyt737.pdf?ts=1700291236684&...m%252F
A hozzászólás módosítva: Nov 18, 2023
(#) Karesz 50 válasza shany hozzászólására (») Nov 18, 2023 /
 
És még 50 ezerbe sem kerül 1db ADA4870 a Mouser-nél. De ha 100-at veszek akkor már csak 16 dollár/db.
Kb. 40 éve javítgatok alkalmanként PA-t és muszájból tervezgettem már ezt-azt. Nem azt mondom, hogy értek hozzá, de találkoztam már olyannal aki igen : )
A hozzászólás módosítva: Nov 18, 2023
(#) tothbela válasza shany hozzászólására (») Nov 18, 2023 /
 
Persze azt hinnénk a PA technikában, hogy nem kell a minőség. Természetesen ez nem hifi, de megfigyelve például a Line Array hangsugárzó elrendezést, látható hogy minden modulban ott van egy buffer erősítő, amin keresztül kap jelet a következő modul. Nem várható el hogy párhuzamosan kelljen meghajtani akár 16 modulból álló rakatot. Az elsőre rámegy a jel, azon belül egy bufferen keresztül csatlakozhat a következő, és így tovább. 16 modul esetén 15 darab bufferen halad át a jel, mire az utolsó aktív hangsugárzó modulig eljut. Ha mindegyik valamilyen ront a hangképen, az utolsó már elég gyatra jelet kapna.
(#) mcc válasza tothbela hozzászólására (») Nov 18, 2023 /
 
El tudom képzelni, hogy csak át van kötve, mivel egy hangdoboz bemeneti impedanciája 10kohm. Maximum 16 köthető párhuzamosan, ezzel ki is jön az eredő 600ohm…
Következő: »»   11 / 35
Bejelentkezés

Belépés

Hirdetés
XDT.hu
Az oldalon sütiket használunk a helyes működéshez. Bővebb információt az adatvédelmi szabályzatban olvashatsz. Megértettem