Fórum témák
» Több friss téma |
Fórum » Műhelyünk felszerelése, szerszámai
Téma, a műhelyünkben előforduló készülékek, anyagok, szerszámok, eszközök bemutatására, kitárgyalására.
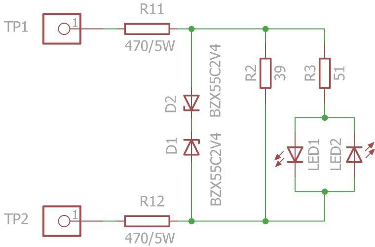
Ha már a beépítve mérésnél és a műszerevő puffereknél tartunk: én ezt a kis "szerszámot" használom évek óta. Mielőtt elkezdenék kondikat méregetni egy panelen, előtte gyorsan végigszaladok mindegyiken, és csak utána vetem be a drága ESR-mérőmet. Hülyeség ellen persze ez sem véd, épp ezért a 230V~ oldali pufferekhez nem is ezt használom.
A működése gondolom egyértelmű, mérőtűk polaritása mindegy, a két led vizuális visszacsatolást ad, van-e még levezetendő töltöttség egy kondenzátorban. Nyomtatott panel nélkül is pár perc alatt és filléres alkatrészekből összedobható, a legelső példányom (utolsó kép) is évekig ment, dobozolás és egyéb csicsa nélkül.
Más:
Most éppen akciós a gyémánt marófej készlet, "Huszat nyolcszázért", a kifli és a tej között...
Egyszer jó .....utánna meg jó lesz stiftnek.
Sziasztok!
Szeretném bemutatni Nektek szerény műhelyem két új tagját. A Banggood-ról rendeltem őket, egész olcsón sikerült hozzájutni mindkét műszerhez.Az első egy OWON HDS2202S típusú kézi műszer, amelybe három műszer van beleintegrálva. Egy kétcsatornás 200MHz sávszélességű oszcilloszkóp, egy 25MHz-es funkciógenerátor, szinusz, négyszög, fűrészjel, lépcsőjel, és Aritrary generátor funkciókkal, és természetesen az elmaradhatatlan multiméter, amelynek van árammérő funkciója is, és négy digites. Csináltam néhány összehasonlító mérést a Tektronix 2246 szkópommal, és Fluke multiméteremmel. Nagyon pontosan mér az OWON műszer, tulajdonképpen nincs eltérés a két mérés között. A másik kis kedvencem az Aneng A3005D típusú toll multiméter, iszonyat praktikus, és pontosan mér ez is. Nagyon jó a mérés helyén látni a mért adatot, és külön piros pontot érdemel a világítási funkciója, amely megvilágítja a mérés helyét. Nagyon sokszor kell sötétben mérnünk, fantasztikus ötlete volt annak, aki ezt kitalálta. Nagyon sokféle mérést el lehet végezni ezzel a kis műszerrel, DC, AC feszültség, Vezetékkeresés (NCV), Ellenállásmérés, szakadásvizsgálat, fáziskeresés, diódavizsgálat, kapacitásmérés, és fázissorrend vizsgálat. Mutatok néhány képet erről a kis műszerről is.
Az OWON valóban nagyon pontos műszer! Épp minap néztem róla videót Bővebben: Link
melyben egy kissebb sávszélességűt tesztelnek,de valahogy az is jóval felette tudott a mérésnek,valószínű "lebutított" lehet..Hasonló kis tollműszer nekem is a minap jött meg,nagyon jó! A hozzászólás módosítva: Feb 2, 2024
Gartulálok a műszerekhez!
OWON HDS2202S-ből pontosan melyiket vetted? Látok 40-110 000 Ft között néhányat. A méréseket tudja menteni? Ha igen, exportálható is?
Köszi szépen, az OWON HDS2202S-t vettem meg, vagyis a 200MHz-est. Van még másféle is, 40-70-100MHz-es is, a 40-es a legolcsóbb, az kerül 40eFt-ba. A típusmegjelölésben az "S" vég jelenti azt, hogy van benne jelgenerátor is. A simában nincs generátor. A szkópban van egy Save gomb, de azzal szerintem csak a beállításokat lehet elmenteni, jelalakot nem. Van hozzá szoftver is, össze tudod kötni a géppel a szkópot USB-n keresztül. Abban talán van erre lehetőség, de még nem faggattam ki annyira. Van a Youtube-on egy srác, csinált egy csomó teszvideót erről a szkópról, ill. a 40MHz-es típusról, ha gondolod nézegesd meg őket.
OWON HDS242S
Tetszik ez a kis kapcsolás. Meg is építem. Köszönöm, hogy megosztottad.
![]() Írtad, hogy a 230V oldali pufferekhez nem ezt használod. Lehet tudni, hogy azokat mivel sütöd ki?
Szerintem egy (nagy kapacítás esetén kettő sorbakötve) 230V 60W izzóval..Én azzal szoktam..
Teljesen jó az izzó, csak sérülékeny.
Tulajdonképpen bármi jó aminek értelmes ellenállása van. Pl. 1kR/10W-os ellenállással már szinte bármit ki lehet sütni. Nagyobb ellenállásnál kisebb lesz az áram, de hosszabb a folyamat. (Ha nagyobb a kapacitás attól még nem kell sorba kötni izzókat, csak tovább tart mire kisülnek. Akkor kellhet több izzó, ha magasabb a feszültség.)
Felpufferelve 230V egyenben kb 330V dc,ha ez nagy kapacítású kondikon van bizony ki tudja csapni a 230V kissebb Wattszámú izzót..
Pontosan érteni véltem az ajánlásodat, és mivel nem rossz ezért próbáltam óvatosan rámutatni a hibára. De konkrétabb is lehetek.
Az izzók számának a szempontjából CSAK a kondenzátor feszültsége számít. A kapacitás csak annyiban befolyásoló tényező, hogy nagyobb érték lassabban sül ki. Persze közelíthetjük onnan is a kérdést, hogy egy kisebb kapacitásban lévő nagyobb feszültség olyan gyorsan "elfogy" a kisütéskor, ami egy tőle kisebb névleges feszültségű izzót már nem tesz tönkre. De ez vagy bejön vagy nem. Ezt is írod: "...ki tudja csapni a 230V kissebb Wattszámú izzót." Itt keverednek a fogalmak. A 230V az feszültség, a Watt pedig teljesítmény, ezért ezeket nem lehet egymáshoz képest kisebb-nagyobb viszonyba értelmezni. De szerintem az a lényeg, hogy kényelmesebb, praktikusabb és sokkal kevésbé sérülékeny egy kisütő ellenállás mint egy izzó. A hozzászólás módosítva: Feb 7, 2024
Izzólámpa ellenállása olyan tizede a névlegesnek hidegen.
Kissebb Wattos izzó azért nem bírja mert sok ideig sül ki,sokáig megy az izzó magasabb feszültségen,a nagyobb Wattszámú jobban beterheli és gyorsabban leesik a feszültség így kevesebb időt tölt a névlegesnél nagyobb feszültségen..
Szia!
"...ki tudja csapni a 230V kissebb Wattszámú izzót." Itt keverednek a fogalmak. A 230V az feszültség, a Watt pedig teljesítmény, ezért ezeket nem lehet egymáshoz képest kisebb-nagyobb viszonyba értelmezni. Számomra pedig egyértelmű: Pl. 325V-ra töltött 1000µF-os kondenzátor kisütésekor a 230V 15W teljesítményű izzó könnyebben kiég mint a 230V 100W vagy 1000W.
A "kisütő ellenállásról" meg annyit,hogy egy audio erősítő 100V 60-80 ezer mikróval pufferezett tápot én kizárólag izzóval sütnék ki..
Szerintem kössetek sorba egy ellenállást az izzóval és az mindenkinek/mindenhova jó
Egy izzó sokkal informatívabb a kondenzátor töltöttségét illetőleg, bár kézrátétellel az ellenálláson is lehet hozzávetőleges becslést végezni.
Csak az izzó nem "süti ki a szemed", de az ellenállás érintése fájdalmas lehet...
Mezei E27-es foglalatú 25W-os izzóval sütögetem ki a kondikat amióta az eszemet tudom, eddig még nem ment tönkre.
Ha javítani való akármiben 330V van a primer pufferen akkor ott már nagyon nagy a baj, mivel olyan sehogy sem fordulhatna elő, hiszen van vele párhuzamosan kisütő ellenállás, ami ha lassan is de ki kell hogy süsse. Nagyon ritkán kell kondit kisütni, általában nem is szoktam, műszerrel rá szoktam mérni és csak akkor sütöm ki ha feszültség van rajta, de ilyen általában 20 esetből ha egyszer van.
Előfordul mikor javít az ember és ki be fugdossa a készüléket..Képcsöves Tv javítgatáskor ez alap mert ott nem sült ki az esetek többségénél.
Szerintem nem keverte. Azt takarja, hogy 230V-os, kisebb Watt-számú.
Gondoltam egy HOBBI elektronikai fórumon megérti ki rendelkezik némi HOBBI elektronikai ismerettel,hogy a"230V-os, kisebb Watt-számú izzó" mit is takar..Látom sokan nem tudják,vagy nem akarják érteni..Én izzóval sütöm és sütöttem,kinek ez nem felel meg süsse mivel akarja (esetleg azzal a középső szrevével is megteheti mire én gondolok
) A hozzászólás módosítva: Feb 7, 2024
Ezt írtam én is Alkotó-nak. Ő írtata, hogy keveredés van.
A hozzászólás módosítva: Feb 7, 2024
Most már nekem is van egy ilyen eszközöm (itt is köszönöm a közreműködést).
Rövidke próbálgatás alapján az első benyomások: - Minden működik amit kipróbáltam. - Tudok vele képet készíteni, és azt kimenteni külső helyre. - Nekem a nagyítás túlzó, még a legkisebb is több mint kellene. Pontosabban nem a nagyítás mértéke zavar egy kicsit, hanem a szűk látótér. Ha a tesztábrát nézem, akkor kb. 15x20 mm-es területet lát a kijelző, aminek a két oldalsó széle már enyhén életlenedik. Az eddig használt állványos nagyítóm csak 5-szöröset nagyít, de látok alatt kb. 5x5 cm-nyi területet. - Korábban már csináltam ilyet, de most is furcsa, hogy nem oda nézek ahol babrálok, de ezt szerintem gyorsan megszokja az agyam. - A saját fénye határozottan erős, ezt is, és a két segédlámpát is "halkítanom" kellett. -Összességében örülök neki, talán tudja kompenzálni egyre romló látásom hiányosságait.
Már megtaláltam amit kerestem.
Sziasztok!
Többeknek válaszolnék... Alkotó: Használd egészséggel. Amit a teszt ábrán látsz minimális torzítást az úgy érzem természetes, de szerencsére képnél nem nagyon zavaró. Tettem alá panelokat bőven a használható szinten belül van. A fénnyel kell játszani de minden esetben be lehet állítani a megfelelő világítást. A fényes diffúzorral amit a saját fényhez adtak nekem sokkal jobb megvilágítást adott mint ha közvetlen látszanak a LED-ek. Ott előfordult, hogy becsillogott és megzavarta a belső ALC áramkört és vagy nagyon leszabályzott vagy túl fényes lett beégett a kép helyenként. Massava: Szerencsére a Kínai mérnökök is fejlődés képesek, gyárilag adnak hozzá kis vezetékes távirányítót, exponálásra, menü beállítására ezt nem kell hozzá barkácsolni. lori: Hogy szemcsés a kép az lehet valami chip probléma sajnos. Nálam a zajosodás a képen csak elég sötét szobában megvilágítás nélkül jön elő. Én is gondolkodom, hogy kellene szerezni egy masszív karos lámpa állványt amit oda tudok húzni magam elé és felülről tartja az egész berendezést. egyrészt ha dolgozok az asztalon és esetleg meglököm akkor nem remeg be, másrészt az alátehető panel méretét nem korlátozza az oszlop. nagym6: Amit leírtál jelenséget az biztos, hogy valami mechanikai gond lesz egy szétszedés jusztírozás rendbe hozhatja a hibát. Én inkább a cmos szenzorpanelre gyanakodnék de az is beállítható. Összességében hasznos kiegészítője a munkaasztalnak. Üdv: Gábor Idézet: „Én is gondolkodom, hogy kellene szerezni egy masszív karos lámpa állványt amit oda tudok húzni magam elé és felülről tartja az egész berendezést. egyrészt ha dolgozok az asztalon és esetleg meglököm akkor nem remeg be, másrészt az alátehető panel méretét nem korlátozza az oszlop.” Karos állvány
Tetszik ez az állvány. Nekem Andonstar van, vajon ahhoz is jó lehet?
Menet kérdés.
A kis akkus kinai furogépemre kellene tokmányt venni, de valahogy nem stimmel a menet. Amit kinálnak arra azt állitják, hogy M7x0,75-ös menetü, én meg ugy mérem, hogy a furogépen valoban 7 mm- es a z átmérö ( 6,9. - 7,0 mm mér a tolomérce) de a menetemelkedés egészen biztos, hogy nem 0,75 hanem Witworthos 40G 1/8 -as. Ilyen tokmányra viszont képtelen vagyok rábukkani. Ez s olyasmi mint a hajdani angol kollégám annak sem lehetett soha méreteket adni. A zsebei televoltak mindenféle sablonokkal, hogy azok szerint mondjam meg neki milyen méretü furo vagy menetvágo kell, mert olyan, hogy 1/8-s ismeretlen fogalom volt számára. Ma is még megvannak a sablonjaim ezért tudom, hogy az a menet nem metrikus. Találkoztatok már ilyesmivel? Kérdés, hogy a kinaiak egyáltalán meg tudják mérni azt a nyavajás menetet. Sajnos nem egy közismert gépröl van szo. A hozzászólás módosítva: Feb 21, 2024
|
Bejelentkezés
Hirdetés |













A Banggood-ról rendeltem őket, egész olcsón sikerült hozzájutni mindkét műszerhez.

















