Fórum témák

» Több friss téma
Fórum » Retro számítógépek
 
Témaindító: gyerek67, idő: Nov 21, 2014
A retro, '80-as, '90-es években készült számítógépek bemutatásával, javításával, moddingolásával, illetve korszerűsítésével foglalkozó topik.
Lapozás: OK   25 / 29
(#) levente507 válasza HA5AWS hozzászólására (») Feb 15, 2024 /
 
A neten található több kapcsolás is a bonyolulttól az egyszerűbbig mindenféle verzióban. Szerintem én ezt fogom megcsinálni. Ahogy kaptam csak simán a video outról van kivezetve, ami akár még jó is lehetne, de nem az egyelőre.

zxvid.png
    
(#) Massawa válasza HA5AWS hozzászólására (») Feb 15, 2024 /
 
Attol függ, hogy milyen jelformátum van benne. Azért kiváncsi leszek az eredményre.A ZX Spectrum nagyon ki volt találva.
(#) jefflynn válasza kadarist hozzászólására (») Feb 15, 2024 /
 
Ez másképp működik, a buszról lekapkodja a videó memória írásokat, és abból csinál képet. Nem én terveztem, neten több helyen megtalálható.
(#) kadarist válasza levente507 hozzászólására (») Feb 15, 2024 /
 
Elviekben a modulátor IP bemenetén mér a kódolt PAL színes videojel van jelen, ha az LM IC a helyén van. A zavarosság jelszint-eltérés miatt is lehet, ezért mindenképpen érdemes lenne az antennakimenettel próbálkozni, azt rákötni egy tévé tunerjére.
A hozzászólás módosítva: Feb 15, 2024
(#) HA5AWS válasza kadarist hozzászólására (») Feb 15, 2024 /
 
Szia!
Teljesen felesleges a modulátort belevinni a próbába. Egy video bemeneten kell menjen minden gond nélkül. Az RF csak bonyolítja a beállítást.
Üdv: Gábor
(#) kadarist válasza HA5AWS hozzászólására (») Feb 15, 2024 /
 
A ZX Spectrumnak nincs video kimenete, csak RF vagy az újabbaknál RGB. Minden más verzió nem hivatalos.
(#) HA5AWS válasza kadarist hozzászólására (») Feb 15, 2024 / 1
 
Szia!
Eddig nem is a gyári kivitelről beszéltünk. Ott tényleg nincs video kimenet. A modulátor bemenő jele az elég jól használható videó jel. Nagyon régóta csak azt használom a mai napig. A régi crt készülékek gond nélkül mennek vele, az új lcd és egyéb készülékek nagy része szintén elfogadja. Kipróbáltam LG Samsung tv-ken jól működik. Sok spectrum klubba voltam sok kis gépen vezettük ki a videojelet sokak megelégedésére.
Üdv: Gábor
(#) Massawa válasza kadarist hozzászólására (») Feb 15, 2024 /
 
Én ugy emlékszem, hogy volt neki video kimenete, a jel ami a modulatorba ment. Az már ugy ahogy video formatum volt. A korábbi képen is meg van jelölve pirossal. S ha jol emlékszem a Spectrumhoz volt egy docking station ott ki is volt vezetve.
(#) HA5AWS válasza Massawa hozzászólására (») Feb 15, 2024 /
 
Szia!
Az eredeti ZX Spectrumon és a plus-on se volt kivezetve a video jel. Illetve a 15A jelű élcstlakozón ott volt a jel de akkora digitális zajjal, hogy használhatatlan volt. Azt csak utólag lehetett kihozni a gépből közvetlenül a modulátorról jó minőségben. A Spectrum 128-as gépen az RGB jelek voltak kivezetve azzal már sokkal szebb képe volt de az egy újabb konstrukció. Az eredeti 48-K s verzió még nagyon minimalista kiépítés volt. A hátsó élcsatlakozón ugyan kivezették a két színkülönbségi jelet (R-Y, B-Y) és az Y jelet de nagyon kevesen voltak akik használták is. Nagyon nehézkes volt a szintillesztés. Nem beszélve arról, hogy nagyon kevés TV rendelkezett ilyen bemenettel.
Üdv: Gábor
A hozzászólás módosítva: Feb 15, 2024
(#) Massawa válasza HA5AWS hozzászólására (») Feb 15, 2024 /
 
Enyém ha jol emlékszem 48k-s volt. Valahogyan biztos kivezettem, mert bejártam vele a világ 1/6-t , ( az volt az elsö hangeffektus generátorom). Késöbb szereztem hozzá docking stationt is a normális nyomtatohoz, nemcsak a termohoz. Azon már biztos volt video kimenet.
(#) nagym6 válasza HA5AWS hozzászólására (») Feb 15, 2024 /
 
Idézet:
„A modulátor bemenő jele az elég jól használható videó jel.”
Én is kivezettem, nekem is jól működött CRT tévén (Issue 3).
(#) levente507 válasza nagym6 hozzászólására (») Feb 15, 2024 /
 
Issue 2-es alaplapom van. Ezt produkálja:
1-2. RF és modolt video kimenet egyszerre bedugva (nagy képernyő a video out a kicsi az RF out)
3-4. Kihúzott video csati és csak RF a kicsi képernyőn.
A LOAD "" paranccsal (Ami piros és kék váltakozó keret eredetileg)

+ kérés: ha valakinek megvan a "spider" mod a mi az ULA LOAD problémáját hidalja át kérlek töltsétek fel. Egész délelőtt a netet gugliztam, de "schematic" ábrát nem találtam csak képet, ami nem annyira megbízható. Köszi.
(#) lazsi válasza levente507 hozzászólására (») Feb 15, 2024 /
 
1-2. A videokimenetre kapcsolt TV leterheli a jelet, ezért a a modulátor túl kis szintet kap. Emiatt a kis TV még szinkronizálni sem tud rendesen... (Egy emitterkövető segíthet a dolgon...)
(#) levente507 válasza lazsi hozzászólására (») Feb 16, 2024 /
 
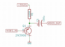
Köszönöm mindenkinek a segítséget. Végül a 100mF kondis video moddal és a trimmerek beállításával kb. 5 perc alatt beállt a szín is.
Es még egy retrós CRT csíkozás is látható az LCD kijelzőn. Ez lehet beállítás, gond de így "szép".
(#) kadarist válasza levente507 hozzászólására (») Feb 16, 2024 /
 
Az 100 µF-os modding hová került?
(#) levente507 válasza kadarist hozzászólására (») Feb 16, 2024 / 1
 
Elnézést nem írom le részletesen, így talán gyorsabb: https://blog.retroleum.co.uk/electronics-articles/repairing-a-zx-sp...-mods/

Van YT videóm a végeredményről, ha valakit érdekel beteszem a linket akár privát is.
(#) vargham hozzászólása Máj 27, 2024 / 1
 
Érdekes Commodore 1571 mod:
1571 to 1581
(#) somitomi hozzászólása Szept 26, 2024 /
 
Ismét előszedtem a szekrényből apám régi ZX Spectrum+-át, mert már egy ideje őrizgetek egy képcsöves TV-t a lakásban csak ezért. Sikerült baromarc módon fordított polaritással bele dugnom a tápot, úgyhogy jól ki is nyírtam, pedig korábban csak a billentyűzet gyengélkedett az elöregedett fólia miatt. LM7805 szerencsére akadt a fiókban, de ezzel nem vagyok kint a vízből. A készülék mutat életjeleket, még TV kimenet is van, csak csíkokban szalad a kép. Kerestem egy szervizkönyvet és az abban leírtak szerint ellenőriztem a tápfeszültségeket, de csak a pozitív 5V működik, minden más nulla vagy csak egy-két volt. Ez alapján a transzverter körül keresném a hibát, de szeretnék némi segítséget kérni, hátha van már némi tapasztalat arról, hogy miket szokott kinyírni a fordított tápfesz a Spectrumban. Elsőre a transzverterben keresném a hibát, de őszintén szólva nem igazán értem a működését, másrészt meg lehet eleve tévúton vagyok.
Előre is köszi
(#) pont válasza somitomi hozzászólására (») Szept 27, 2024 / 2
 
Sajnos segíteni nem tudok, de sosem értettem, hogy készítenek egy számítógépet, millió alkatrésszel, és nem képesek egy polaritásvédelmet megoldani, ne adj Isten egy diódával, Enterprise 128 detto....
(#) vargham válasza pont hozzászólására (») Szept 27, 2024 1 /
 
Ezek filléres gépek voltak, rövid távra tervezve.
(#) lazsi válasza vargham hozzászólására (») Szept 27, 2024 / 1
 
Akkor - ott fontos szempont volt az olcsóság, de nem a rövid távra tervezés! A kettő gyakran együtt jár, de nem feltétlenül! Akkora volt a felvevőpiac, hogy nem abból kellett forgalmat generálni, hogy tönkremegy az előd (mint manapság), hanem abból hogy az utód sokkal többet tud (és felülről kompatibilis az előddel - nem úgy mint manapság...), meg terjed a jó híre.
A Spectrum+ egy kicsivel az eldobható kategória fölött volt. A Spectrum-hoz képest kevés változtatással hozták ki, az egyik legfontosabb újdonság a billentyűzet minőségibbre való cserélése.

Egyébként meg minek polaritásvédelem? A saját hálózati tápegységét nem lehet fordítva rádugni. (Aki meg házilag barkácsol, figyeljen oda mit csinál... Én egy két világháború közötti rádió hangszóróját nyírtam ki a figyelmetlenségemmel: a hangszóró vezetékét dugtam be a konnektorba a hálózati kábele helyett... Persze, ha van rajta csatlakozó, elkerülhető lett volna.)
(#) HA5AWS válasza somitomi hozzászólására (») Szept 27, 2024 /
 
Szia!
Sajnálattal hallom, hogy ismét elpusztult egy Spectrum...
Elég sok érzékeny alkatrész van ami a fordított tápnál tönkremehet. A tápegység inverter ami a +12V-ot és a -5V-ot előállítja az egy tranzisztor. ZTX650. Sajnos ami a rosszabb eset az alsó 16K memória IC-k. 8 db 4116-os DRAM. Időnként ha a -5V nincs meg akkor is elszáll. Cseréjük elég babra munka 8x16 lábat kell kiforrasztani. Célszerű foglalatot berakni kiforrasztás után. A ROM IC szintén érzékeny 27128 EPROM-mal helyettesíthető. Az ULA helyettesítésére nincs lehetőség (bár láttam már ULA klónok leírását) ennek a cseréje a legegyszerűbb foglalatban van. A felső 32K cseréje szintén munkás darab. 8 db 4164-et célszerű beépíteni lehetőséget adva a lapozó elektronika beépítésére. Másolóprogramok és egy két játék használja. CPU is érzékeny Z80A. Cseréje megoldható, még fellelhető. Célszerű CMOS típust választani, kevésbé melegszik a táp IC. Vannak még megoldások a melegedéssel kapcsolatban, célszerű megcsinálni.
Első körben mérj zárlatot a tápfeszültség lábakon az IC-k nél, miután nincs túlterhelés a táp élesztése után lehet a jó IC-ket beforrasztani illetve foglalatba berakni. Ha van lehetőséged az IC-ket egy másik készülékbe kipróbálni, gyorsabban lehet haladni. Saját paneljében elég nehéz tesztelni, egy leragadt adat vagy címvonal is megállítja a szerkezetet.
Sok hosszú éjszakát lehet ráfordítani...
Sikeres javítást kívánok.
Üdv: Gábor
(#) vargham válasza lazsi hozzászólására (») Szept 27, 2024 /
 
A legfontosabb szempont volt az olcsóság. Ebből következett a nem tartósra tervezés. Ezért nem volt bennük se fordított polarítás védelem, se ESD védelem, se rendes hűtés. És még sorolhatnám.
(#) HA5AWS válasza pont hozzászólására (») Szept 27, 2024 / 1
 
Szia!
Ez sajnos nem műszaki probléma elsősorban hanem felhasználói hiba. Benzines autóban sincs megakadályozva, hogy gázolajat tankolj bele. Eleve feltételezik, hogy a hozzá adott kiegészítőkkel fogod használni. Ott nem fordul meg a polaritás! PC alaplapok sincsenek védve ilyen szinten pedig vannak sokkal drágább panelek. Mindenféle mókolt gányolt tápot nem teszünk készülékekre. Ez főként vonatkozik azokra akik használni akarják és nem értenek az elektronikához. Dugnak mindent mindennel ha belemegy biztos jó! Szakember előbb mér utána kapcsol.
Üdv: Gábor
(#) sany válasza HA5AWS hozzászólására (») Szept 27, 2024 /
 
Azért egy dióda...
(#) lazsi válasza sany hozzászólására (») Szept 27, 2024 / 1
 
Az pont eggyel több alkatrész, kettővel több forrasztás, 1/2 cm2-rel nagyobb helyigény, 0.7 V-tal kevesebb biztonsági tartalék a 9V-nál (7%-kal kisebb feszültségingadozás-tűrés, vagy 7%-kal nagyobb menetszám a hálózati trafón).
Miközben idegen tápegységgel történő használatára, vagyis a dióda szükségességére igen-igen kicsi az esély.

Vargham írta:
Idézet:
„A legfontosabb szempont volt az olcsóság. Ebből következett a nem tartósra tervezés.”

Ez a kettő nem következik egymásból!!! Lehet tartósra ÉS olcsóra tervezni!
És különösen nem a "rövid távra tervezés"!
Pl. spórolni lehet úgy is, hogy megvesznek egy csomó hibás 64k-s RAM-ot, amik csak félig működnek, és szépen kiválogatják, hogy melyiknek melyik fele jó, és beépítik a megfelelő tartományhoz. A selejtes 64k-s RAM valószínűleg még a jó 32k-snál is olcsóbb volt (hiszen a gyártónak az tisztán eladhatatlan selejt, vagyis hulladék).
A hozzászólás módosítva: Szept 27, 2024
(#) Doky586 válasza sany hozzászólására (») Szept 27, 2024 /
 
12V 3A eszköz esetén:
- nyitóirányú dióda: 0,7V 2W veszteség + hűtőborda
- záróirányú dióda esetén: 4A -0,8V ezen negatív feszültség még így is károsítja a finomabb áramköröket.

Teljesen bolondbiztos készüléket nehéz és drága építeni.

Ennél sokkal bonyolultabb relés eszköz kell ha fordított polarizációtól akarsz egy eszközt megóvni, és akkor még nem beszéltünk arról hogy óvjuk meg attól is hogyha 12V helyett közvetlen ~230V ot dug rá...
A hozzászólás módosítva: Szept 27, 2024
(#) sany válasza lazsi hozzászólására (») Szept 27, 2024 /
 
Teljesen igazad (igazatok van). De ezekre gondolniuk kellett volna a tervezéskor.
(#) vargham válasza sany hozzászólására (») Szept 27, 2024 /
 
Érdemes meghallgatni a még élő tervezőmérnökök youtube videóit. A home computer szegmensben minden fillér számított. És a fejlesztés időzítésében nem volt más cél, mint a karácsonyi szezon előtt megjelenni.
Tehát gyorsan, olcsón. A minőség másodlagos.
(#) somitomi válasza HA5AWS hozzászólására (») Szept 27, 2024 /
 
Húbakker, ez nem hangzik jól, pedig eddig úgy-ahogy bizakodtam, mert a processzor környékén láttam életjeleket oszcilloszkóppal, TV modulátor bemenetén is volt valami videojelnek tűnő történés. Sajnos nincs másik készülék, szóval nehéz dolgom lesz ezek szerint. Francért nem tudok odafigyelni
A "mókolt" tápra mentségként csak azt tudom felhozni, hogy a gyáriban valamikor leégtek a diódák és ugyan már újraépítettem, de az eredeti kábel nincs meg hozzá.
Következő: »»   25 / 29
Bejelentkezés

Belépés

Hirdetés
XDT.hu
Az oldalon sütiket használunk a helyes működéshez. Bővebb információt az adatvédelmi szabályzatban olvashatsz. Megértettem