Fórum témák

» Több friss téma
Fórum » Kombikazán működési hiba
 
Témaindító: gpepe79, idő: Nov 29, 2009
Témakörök:
Lapozás: OK   572 / 612
(#) patexati válasza VIM hozzászólására (») Jún 12, 2024 /
 
Szia!Igen ezt sejtettem.Valószínű leéghetett emiatt mert nem volt a másik tekercs vele sorba kapcsolásilag.
A hozzászólás módosítva: Jún 12, 2024
(#) VIM válasza patexati hozzászólására (») Jún 12, 2024 /
 
Ahogy a ventilátor bekötésénél sorolja a színeket aszerint jó lett visszadugva mindhárom vezeték.
(#) patexati válasza VIM hozzászólására (») Jún 12, 2024 /
 
Igen valószínű jó..Ki kell méregetni a tekercset.Menni kéne ha ad rá tápot.Ha nem megy akkor rossz és ha leégett kell neki melegedni,szagának is kéne legyen.Jó lenne mérni mekkora áramot vesz fel..Kb 300mA kéne legyen max 500mA
A hozzászólás módosítva: Jún 12, 2024
(#) fakezű válasza patexati hozzászólására (») Jún 12, 2024 /
 
Sziasztok,

A délutánból este lett, de sajnos az eredményen nem változtatott.
A ventilátor továbbra sem indul.

Tekercsek ellenállása a kivezetéseken:
Fekete (N) - Barna (M) 1,5 Ohm
Fekete (N) - Kék (C) szakadás
Barna (M) - Kék (C) szakadás

Külső tápkebellel csatlakozva:
Fekete (N) - Barna (M) leveri a megszakítót
Fekete (N) - Kék (C) nem indul
Barna (M) - Kék (C) nem indul

Szag nincs, melegedés nem lett megnézve, inkább nem lett fogdosva.
(#) qut88 válasza fakezű hozzászólására (») Jún 12, 2024 /
 
A kismegszakítót a lakásban esetleg nem verte ki az első alkalommal ? Egyébként ez a jelenség, hogy a panel a két fokozatot egyszerre adta rá a ventillátorra. Ilyenkor lőttek a ventillátornak kapásból + a panel is érdekes lehet.
(#) patexati válasza fakezű hozzászólására (») Jún 13, 2024 /
 
Szia!Sajnos akkor lőttek a tekercsnek mert a főtekercs megszakadt .Vagy tekercselés ha valaki vállalja,vagy csere..A kazánt egy 60W izzóval lehet a ventillátor helyén tesztelni ,hogy ad ki tápot induláskor vagy nem.Utána le kell neki állni hibával.
(#) fakezű válasza qut88 hozzászólására (») Jún 13, 2024 /
 
Amíg bent volt a helyén, addig a beépített 2A biztosítékot verte ki. Kiszerelve, és külső táppal próbálva verei le a kismegszakítót.
"a panel is érdekes lehet" Ez az jelenti, hogy a panel is sérülhetett? Vagy eleve a panelon romlott el valami, és ezért adta egyszere a min és max fokozatot is a ventilátorra?
(#) fakezű válasza patexati hozzászólására (») Jún 13, 2024 /
 
Szia,

Igen, ez a motor elköszönt. (Egyébként 1996-os a cirkó)
A cseredarabok elég húzos árban vannak. Ráadásul nem is könnyű ilyen két sebességes 61W-os változatot találni. Talán a tekercselés is megoldás lenne, ha roncsolás mentesen ki lehetne szedni a csévetestet a vasmagból. Néztem videót, illetve találtam képet is, azok alapján ezeknek a motoroknak ilyen U alakú vasmagja van, és a csévetest be van ütve az U szárai közé.
Az izzó bekötést a próbához a közös és a min fordulat vezetékekre érted? Mert gondolom, indulásnál a panel először a minimum fordulat vezetékre ad feszültséget.
(#) proli007 válasza fakezű hozzászólására (») Jún 13, 2024 /
 
Hello! Nem tudom, csak egy tipp, de a Gorenje mikro ventilátora nagyon hasonlít erre. Esetleg megkérdezhetnéd nincs-e valakinek talonban ilyesmije.
(#) fakezű válasza proli007 hozzászólására (») Jún 13, 2024 /
 
Szia,

Köszi, de azt képet csak példának tettem be, hogy (szerintem) ezeket a fajta motorokat így szét lehet szedni, a vasmag roncsolása nélkül.
A szóban forgó ventilátor motorját itt láthatod.
(#) VIM válasza fakezű hozzászólására (») Jún 13, 2024 /
 
Szia! Ha ezt vesszük alapul, hogy kettő sebességes de régi típus, akkor ennek jónak kell lenni attól eltekintve, hogy a motor saját hűtésére a ventilátor a belső oldalon van nem a tengely végén. Ettől olcsóbban és újat garaniával nem lehet fellelni. A zárlatot nagy valószínűséggel a tekercs menetzárlata okozta a maga 1.5 óhmjával. Ahonnan a képet ollóztad ott a vezeték keresztmetszete okozott vagy nem egy kis ellenállásbeli eltérést és a watt is másként alakult a tekercselés után de a végén elfogadható lett a motor hőmérséklete a mérések alapján.
(#) patexati válasza fakezű hozzászólására (») Jún 13, 2024 /
 
Induláskor a max fokozat megy!Utána lép vissza ha beáll a keringés és nem kell sok kraft..Azok a beütések egy menetet képeznek az aszinkron motor állórészén itt nem kapacitív a segédfáziseltolás hanem induktív így nem kell kondenzátor.Mint a kora is mutatja szinte elpúsztíthatatlan,viszont minden véges..
(#) fakezű válasza VIM hozzászólására (») Jún 13, 2024 /
 
Szia,

Találtam Ebay-en egy olasz kereskedőt, lehet hogy ő lesz a megoldás. Sokféle új ventilátort árul, többek közt 2 sebességes 65W-osakat is. Pl.: Bővebben: Link Bővebben: Link
Írok neki pontos cirkó tipust, és küldök képet a régi ventilátorról. De ő is kéri, hogy legyen egyeztetés vásárlás előtt, hogy ne legyen kompatibilitási probléma, aztán oda-vissza kelljen küldözgetni a csomagot.
Írtam egy felújítónak is, még várom a válaszát.

Meg még igazából bizonytalan vagyok abban, hogy a zárlatos ventilátor nem tett-e kárt a vezérlőpanlben. Vagy fordítva, a hibás vezérlőpanel miatt lett zárlatos a motor, ahogy itt egy kolléga írta, hogy egyszerre adta a motorra a min és a max fordulathoz tartozó kábeleken a feszültséget. Nem lenne jó az új ventilátorral tesztelni ezt a lehetőséget...
(#) fakezű válasza patexati hozzászólására (») Jún 13, 2024 /
 
Oké, tehát akkor az izzót a közös és a max fordulat vezetékére kell kötni, és akkor az világít indulásnál, ha jó a táp a panelen. Illetve így lehetne megnézni a közös és a min vezeték között is, csak ott akkor nem szabad világítani az izzónak induláskor.

Vagy akkor be lehet egyszerre a két izzót is kötni a két ágra?
A hozzászólás módosítva: Jún 13, 2024
(#) patexati válasza fakezű hozzászólására (») Jún 13, 2024 /
 
Igen prbáld meg kárt nem tehetsz bent a módszerrel.
(#) patexati válasza VIM hozzászólására (») Jún 13, 2024 /
 
Itt úgy van megoldva a második fokozat,hogy az aszinkron motor mi turbinával van ellátva azzal még egy tekercs sorba van kapcsolva ez az a 1,5 Ohmos tekecs annyira gyengíti a pulzáló mágneses teret,hogy sokkal nagyobb lesz a slip és a motor lelassul terhelésen..Ennél a főtekercs jóval nagyobb ellenállású és ugye induktív tekercs lévén ezek induktív ellenállása sokszor nagyobb.Ugyanígy működnek a szobai kommersz venntillátorok minek esetleg még szóbajöhet az állórésze,de gázkészülék lévén nem javaslom a kényszerátalakításokat mivel itt tervezett az adott fordulat és nem mindegy,hogy megy az a turbina.
(#) qut88 válasza fakezű hozzászólására (») Jún 13, 2024 /
 
Igen, a panel okozta ezt a problémát. Nézd meg az alját, hogy nem-e látsz égésnyomot.
A hozzászólás módosítva: Jún 13, 2024
(#) fakezű válasza patexati hozzászólására (») Jún 14, 2024 /
 
Szia,

Megvolt a teszt, a két izzós próbakábellel.
Úgy lett bekötve, hogy az egyik izzó a ventilátor barna és fekete vezetékeire (max fordulat), a másik izzó a ventilátor kék és fekete vezetékeire (min fordulat)
A cirkót bedugva a max fordulathoz tartozó izzó világít (ahogy előre mondtad is), a másik nem. Így elméletben a panel nem adja rá induláskor a mindkét fordulathoz tartozó feszültségeket.
Ezzel a teszttel persze többet nem csinál a cirkó, a szivattyú sem indul, stb.

Viszont ha indulásnál szájjal fújva van a presszosztát csöve, akkor életre kel a cirkó, bekapcsol a szivattyú, bekapcsol a nagy láng őrlángról. Úgy, mint amikor rendesen működik a melegvíz készítés.
Azt viszont nem lehet így tesztelni, hogy amikor így rendben elindul, akkor mikor vált át a max fordulatról a min fordulatra, mert ahhoz folyamatosan fújni kellene a csövet. De a cső nem olyan hosszú, ezért elég közel van az ember a főlánghoz... Szóval valahogy meg kell majd toldani a gumicsövet, meg akkor már azt is meg kell oldani, hogy ne szájjal kelljen fújni.

Gondoltam, hogy a próba idejére át kellene hidalni a presszosztátot, és akkor egyáltalán nem kellene levegő neki.
(#) patexati válasza fakezű hozzászólására (») Jún 15, 2024 /
 
Ne teszteld így!Jó lesz az a panel szerintem.Akkor vált át mikor már kiegyenlített a keringés és csak sorban hozzákapcsolja a segédtekercset egy relé.Ha lsz másik motor akkor első dolgod legyen kimérni a tekercset és a mért eredmények alapján bekötni!
(#) patexati válasza patexati hozzászólására (») Jún 15, 2024 /
 
A nyákot jó lenne látni a hátsó felén is hol a csatlakozó és a relék vannak akkor vissza tudnám követni az áramkört.
(#) VIM válasza patexati hozzászólására (») Jún 15, 2024 / 1
 
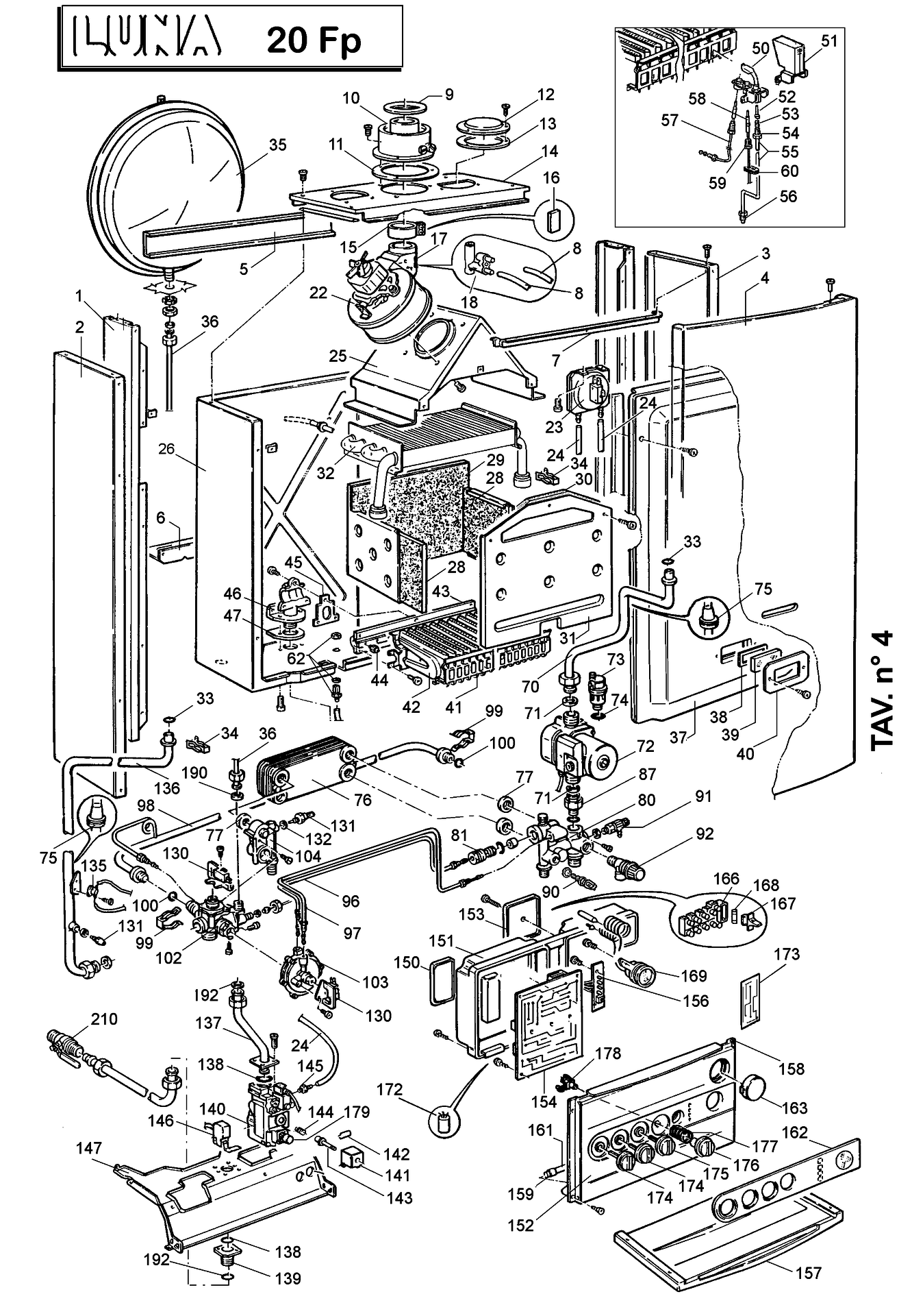
Szerintem ez az előfordult eset akkor fordulhatna elő ha a két fordulat reléi beragadnak azaz az egyik fordulathoz meghúzva marad a másik az érintkező beégése miatt. Ocean Luna 20Fp JJJ005626880
A hozzászólás módosítva: Jún 15, 2024
(#) patexati válasza VIM hozzászólására (») Jún 15, 2024 /
 
Szia!Úgy nézem két külön tekercsnek kell lenni nem sorba hanem átkapcsolja a csatlakozó melletti első relé mit ki kéne cserélni mivel így tényleg necces és el lehet égve a husszú évek alatt RT424024..A mögötte lévő relé csak a bekapcsolást végzi..Ha lesz motor ki kell mérni a tekercseket.
(#) VIM válasza patexati hozzászólására (») Jún 15, 2024 /
 
Hát nekem már jojózik a szemem de a képek hátha segítenek kibogarrászni a két relé kapcsolási feladatát. Nekem legalább is úgy tűnik mint ha a második relé az a presszosztátot ellenőrizné .... vagy mi. A különálló az a szivattyúé.
(#) VIM válasza fakezű hozzászólására (») Jún 15, 2024 /
 
Szia! Egy kérdést ha lehet a ventilátorral kapcsolatban, hogy sikerült e levenni a turbinát vagy nem is volt szükséges?
(#) patexati válasza VIM hozzászólására (») Jún 15, 2024 /
 
Én is belekeveredtem már mert nem tudom mi mit kap így nehéz képekről,de az átkapcsolást az a relé végzi a másik váltó érintkezőpár is kapcsol valamit.Most nincs időm mert dolgom van..
(#) patexati válasza fakezű hozzászólására (») Jún 15, 2024 /
 
Nézz szét a hirdetések közt én találtam egyet bár nem tudom pontosan milyen a kazánod.Bővebben: LinkEz ajándék ha azonos..
A hozzászólás módosítva: Jún 15, 2024
(#) fakezű válasza patexati hozzászólására (») Jún 16, 2024 /
 
Szia,

Rendben, ha meglesz a másik motor akkor ki lesznek mérve a tekercsei. Sajnos egyelőre sehonnan sem érkezett válasz. Ennyi idő alatt már kézzel meg lehetett volna tekerni az állórészt, még úgy is, ha csak óránkét 20 menetet teker rá az ember, szépen precízen.
Szerintem is a párban lévő relék közül egyik a ventilátoré, a másik meg a presszosztáté. De én nagyon nem értek hozzá. Ami biztos, hogy a magában lévő relé a keringető szivattyúhoz tartozik. A mellette lévő szürke, 2 pines csatlakozóból a barna és kék vezeték közvetlenül a szivattyúra csatlakozik.
Ezen nem fog múlni, ha lesz ventilátor, akkor ki lesz cserélve a három relé is.
(#) fakezű válasza VIM hozzászólására (») Jún 16, 2024 /
 
Szia,

A turbina nem lett levéve, csak ki lett tisztítva. A felső csapágy háza, illetve az állórész lett leszedve, és így az alsó és felső csapágy és hozzáférhető lett annyira, hogy kapjanak egy-egy csepp olajat. 2. kép
Ezután teljesen el is csendesedett, és a légszállítása is nagyobb lett.
Azért kérdeztem rá a szétszedésre, mert a ventilátoroknál az olajozás csak tüneti kezelés szokott lenni hosszabb-rövidebb időre, és ha már nagyon beteg a csapágy, akkor előbb utóbb visszajön a zörgés és cserélni kell. És akkor legyen valami irány amerre el lehet indulni a szétszedésben.
(#) fakezű válasza patexati hozzászólására (») Jún 16, 2024 /
 
Köszi, de ez volt az első, hogy szétnéztem az online hirdetések közt. Lett volna kerületen belül is egy komplett a Marketplace hirdetések közt szintén nagyon olcsón, illetve két másik is nem messze, de az összes kéményes változat, azokban meg nincs ventilátor. Amit a Jófogásról linkeltél az is 20P, ami kéményes. A parapetes száma 20FP.
A hozzászólás módosítva: Jún 16, 2024
(#) fakezű válasza patexati hozzászólására (») Jún 17, 2024 /
 
Szia,

Ezek a tipusú relék vannak benne.
Lehet nem jelent semmit, de a csatlakozóhoz közelebbi, ami elvileg a ventilátorhoz tartozik, külsőre megviseltebbnek néz ki. Olyan, mintha melegedett volna, és ezért sokkal fakultabb rajta a felirat.
A csere után biztosan leugrik róla a műanyag ház, hogy kiderüljön, milyen állapotban van belül.

Akkor a képek szerint kell 1 db 240VAC 5A 24VDC, és 2 db 240VAC 10A 24VDC, ha jól értelmezem.
(bár a párban lévő reléknél a másodikon szerepel a 12VDC és a 24VDC is)
Egyelőre nem találtam ilyeneket a HESTORE-ban, és a Kerekes utcában sem.
Következő: »»   572 / 612
Bejelentkezés

Belépés

Hirdetés
XDT.hu
Az oldalon sütiket használunk a helyes működéshez. Bővebb információt az adatvédelmi szabályzatban olvashatsz. Megértettem