Fórum témák

» Több friss téma
Fórum » Villanyszerelés
 
Témaindító: kumpl, idő: Júl 16, 2008
Témakörök:
  1. A mélyreható szakmai kérdések, magyarázatok kitárgyalása, kifejezetten szakmai fórum: Szakmai.
  2. A forrasztott / rossz a wago / jó a wago kötés témakörök többször kitárgyalásra kerültek, ezért arról kérjük ne nyissatok új vitákat. Műszaki tény, hogy gyári vezetékösszekötők (pl. rugós/csavaros kapcsok, stb) a szabvány megfelelősség miatt kerülnek alkalmazásra (MSZ EN 60204-1:1995 15.1 szakasza, illetve MSZ HD 60364-5-52:2011 szabvány 526.2. pontjának 1. megjegyzésében felsorolt követelmények/indokok a forrasztott kötés elkerülésére épületvillamosság esetében) mert tanusítottak, míg a forrasztott kötés alapesetben nem tanusított, csak és kizárólag akkor ha külön bevizsgáltatod az adott forrasztott kötést. Ide kapcsolódó általatok írt hozzászólások: #1, #2, #3, #4, #5
Lapozás: OK   969 / 1016
(#) proba válasza zoka hozzászólására (») Szept 5, 2024 / 1
 
Aluhoz a 222 224 773 vagy 2273 kezdetűek használhatók pasztával.
A hozzászólás módosítva: Szept 5, 2024
(#) Ge Lee válasza zoka hozzászólására (») Szept 5, 2024 /
 
Egy oldalról összesodornám az alu szálakat rendesen, 2db fogóval, utána nyomnék rá egy érvéghüvelyt, majd a hüvelyt még beszorítanám egy sorkapocsba. A rezet is túlélné.
(#) gyulank válasza erbe hozzászólására (») Szept 5, 2024 /
 
Lehet kacskaringósan egyértelműbb lett volna. Ettől egyértelműbb nem lehet. Minden oda van húzva ahova megy. A kötések, a vezetékek, a 2 kábel átvezetőn, még lerajzoltam a biztosíték táblát is, meg a kapcsolót meg a nyomáskapcsolót. És jól gondoltam, mondjuk nem nagyon lehetett volna más vezeték. De nem tudom, hol és miért nem érintkezett. Vagy ötször, különböző időben rámértem az elzöldült és fekete vezetékre, és szakadás volt. Aztán leszedtem a nyomáskapcsoló fedelét, rámértem, vezet, visszaraktam, levettem a kapcsoló műanyagját, rámértem, vezet, visszaraktam, rámértem fent a 2 vezetékre, és vezet. Az elektromágnes 2 kapcsán, ha az a 2 az, azon 500 ohm van így, hogy nem kötöttem ki semmit. Kipróbálni nem próbáltam, mert lehet, hogy nincs már benne elég olaj, mióta kiömlött. De tényleg azért is érdekes, mert egyik méréshez se kellett megmozdítanom se a kábelt, meg semmit. De mindegy, majd esetleg mindegyiknél kiveszem, visszateszem. Viszont az áramot sem tudom, hogy állíthatnám 3,35A-re, mert csak azok a számok vannak a skálán.
(#) Ge Lee válasza gyulank hozzászólására (») Szept 5, 2024 /
 
Idézet:
„a piros vezetékek arra utalnak, hogy van föld,”
Nem, az nem arra utal, hanem arra, hogy van egy piros nullázó szál, földelés, földelőcövek nem biztos hogy van, sőt majdnem biztos hogy nincs.
A Kádár kockának meg kell csinálni a fal vízszigetelését, mert nedvesedő falra nem lehet szigetelést rakni, utána szigetelni kell a födémet és körben a falakat és már nincs is vele semmi baj.
(#) gyulank válasza Ge Lee hozzászólására (») Szept 5, 2024 /
 
Azt már mondtam, hogy nincs, de 10m-rel arrébb van az oszlopon. Úgy értettem, hogy a piros arra utal, hogy 3 vezeték megy a földelt konnektorokba, nem 2, amire gondolhatnék a sok földeletlen csatlakozó alapján. A bojlerhez is 3 megy.
(#) proba válasza Ge Lee hozzászólására (») Szept 5, 2024 /
 
Nem, a piros vezeték arra utal, hogy van ott egy piros vezeték. Ismerősnél az egész ház piros vezetékkel volt szerelve ( 50-es évek) egyszerűen azért mert az volt. Nagybátyám házában a fázis volt a piros. nálunk otthon valóban piros a föld és a nulla is néhol...
A hozzászólás módosítva: Szept 5, 2024
(#) zoka válasza SKY hozzászólására (») Szept 5, 2024 /
 
Szia, köszönöm az ötleteket. Sajnos a vakolat nagyon vékony, talán fél cm, illetve van egy gyári kb 3-4cm széles és 1,5 cm mély horony, oda nem igazán fér el semmi, csak falon kívüli kötődobozok.
(#) zoka válasza proba hozzászólására (») Szept 5, 2024 /
 
Szia, én is úgy tudtam, hogy ezek, de volt olyan villanyszerelő, aki azt mondta, hogy a 2273 nem.
De a gyártó oldalán is írja, sőt pasztával mehet bele réz és mellé alu is.
(#) zoka válasza Ge Lee hozzászólására (») Szept 5, 2024 /
 
Erre én is gondoltam, de inkább most azt javaslom, hogy cseréljék rézre ezt az áramkört, az lenne a legbiztosabb. Maga az ötlet jó, mert ha csak simán bele dugod a két tömör eret az érvégbe, akkor kisebb felületen érintkezik, viszont ha össze van tekerve, már önmagában is megáll, próbáltam is, de még a 6-os érvég sem ment rá, maga az alu 1,8mm vastag. Mindenképp a hosszú érvéggel lenne érdemes, egy oldalról a sorkapocsba, hogy 2 csavar szorítson rá fémlappal.
(#) zoka válasza proba hozzászólására (») Szept 5, 2024 /
 
Sajnos a hozzászólásom másik fele nem ment át, és módosítani sem lehet.
Amit még a képhez hozzáfűznék:
Mivel az egyik dugalj cseréjénél össze volt sodorva az alu vezeték, és azt levágva már nem ért volna el a kötési pontokig, csak a 2273-as wagóval és pasztával lehetett a kötést elvégezni, és leágazni a dugalj felé rézzel. Ez így megfelelő?
(#) gyulank válasza gyulank hozzászólására (») Szept 5, 2024 /
 
A villanykapcsoló lehet rossz. Lehet zsíros is, nem tudom, de összevissza mutat, 10-200, és több ohm.
(#) proba válasza zoka hozzászólására (») Szept 5, 2024 /
 
5 cm széles - 1 cm mélybe a csilláros Wagó szerintem pont befér. Ha eltolva szereled keskenyebbe is. Igaz az egyik vége hajlékony kábelhez van, de a tömört is megfogja. Abból van alupasztás is Arra vigyázni kell, a karját ne nyomja semmi, mert akkor lazul a kötés.

Amúgy nálunk összetekerve 7-10 cm hosszan az aluvezetékek már 30-40 éve elvannak anélkül hogy látszódna bármi melegedés.
A dobozba gondolom más is szokta így csinálni. Ha szerencséd van a doboz alján elfektetve elférnek.
(#) Joe_001 válasza zoka hozzászólására (») Szept 5, 2024 /
 
Szia!
AZ OBOnak van 80x25 ös doboza. Ez elég kicsi és egy kötés belefér,egymás mellé a 3-as toldó WAGO. én azzal csinálnám a WAGO annyival többet ad hosszban, hogy egy elvágott kábelt össze lehet kötni.
A Wago
(#) bbb válasza Joe_001 hozzászólására (») Szept 5, 2024 /
 
Ezt a kapcsot aluhoz nem használhatod pasztával sem: terméklap
(#) Joe_001 válasza bbb hozzászólására (») Szept 6, 2024 /
 
Ezt nem figyeltem, bocs.
(#) erbe válasza gyulank hozzászólására (») Szept 6, 2024 / 1
 
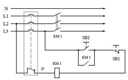
Csökevényes villanyszerelő képzésemmel nem így képzelek el egy elektromos rajzot.
A biztosítéktábláról is írogatsz. Sorba vannak kötve a biztosítékok. Hogyan?
A bemenő oldalon szokás különválasztani az erősáramú és vezérlő részeket. Tehát ha kitekered a 3 db kicsi biztosítékot, a két nagyon keresztül a vezérlést ki tudod próbálni olaj nélkül is. Mivel a két nagy biztosíték 2 fázist ad át, azt jelenti, hogy a mágneskapcsoló tekercse 380 V-os.
Itt egy alap bekötés nyomógombokkal és átalakítva nyomáskapcsolósra.
(#) gyulank válasza erbe hozzászólására (») Szept 7, 2024 /
 
Jó, mindegy mi van az óradobozban. A te rajzaidból nem látszik, hogy mi hova megy igazából, de attól még tudom, csak én a képen húztam be amin amellett, hogy jelölve van ami jelölve van, mint RTS, látszik, hogy az hol van. Csak mert azt állítod a te rajzodon több az információ. Ezt a részét én is lerajzoltam, csak az én rajzomon látszik, hogy a relén hova van kötve. Azóta magamtól gondolom, hogy melyek a relé csatlakozók, magamtól gondolom azt is, hogy az alsó 2 érintkező a hőkioldó, de még mindig nem tudom mi mondjuk az A-jelű, és mikkel van összekötve amit esetleg nem látok. És mondom, hogy a villanykapcsoló vezet rosszul. De nem tudom, hogy szedjem szét annyira, hogy csináljak valamit a kapcsolójával. Meg amúgy akkor meg elvileg nem védi a motort, mert hiába van legkisebbre állítva, ha az annyi amennyit ír. A motort meg meg se tudom mozdítani pedig már leszedtem a másik végét is, és előbb hajlik meg a fém lapát.
(#) erbe válasza gyulank hozzászólására (») Szept 7, 2024 / 1
 
Nem én rajzoltam, ezek általános rajzok. A mágneskapcsolókon meg ahány, annyiféle jelölés lehet. Ráadásul tucatnyi segédérintkező közül lehet választani. (Bármelyik villanyszerelő bármilyen mágnekapcsolóval be tudja kötni.)
Olajkapcsolóhoz nem hinném, hogy kapsz külön hőkioldót, de léteznek kifejezetten erre készült külön egységek. Önálló hőkioldó. Nem a motor üzemi áramára kell állítani, hanem legalább 1,2 -1,5-szörös értékre.
Idézet:
„A motort meg meg se tudom mozdítani pedig már leszedtem a másik végét is, és előbb hajlik meg a fém lapát.”

Ezzel kellett volna kezdeni. Csapágycsere, tisztogatás.
(#) gyulank válasza erbe hozzászólására (») Szept 7, 2024 /
 
Ez már önmagában leváltaná ezt. A 3,35*1,5=5 tehát ha így számolunk, ha teljesen lehúzom, kb. 4,8A-re állítódik, ha 5,2-6,9-ig 2 vonal, az 5,2 alatt meg még van negyednyi távolság, viszont az olyanok amit linkeltél 1,5kW-ra mind max. 4A-esek, ahogy eddig láttam.
(#) erbe válasza gyulank hozzászólására (») Szept 7, 2024 /
 
A linkelt csak egy példa. Mutathattam volna akár 0,26 A-est is. Nálam itthon pl. 10-13 A-esek vannak.
(#) gyulank válasza erbe hozzászólására (») Szept 7, 2024 /
 
De az alap kérdéseim közt az elején benne volt, hogy mi helyettesítheti ezt, mai cuccok közül, és keresgéltem sokat. Ahogy írtam, 1,5kW-ra max. 4A. Láttam sokfélét, mindegyik külön teljesítményre, és a 1,5kW-osok tán 3,3-4A-ig voltak, de ezt most fejből írom. De nem azt mondtam, hogy nincs nagyobb A-re, de abban az intervallumban amit arra ajánlanak, nem megy fel 5A-ig, az már magasabb teljesítményben van, ahol 5A a legalja, és nem tudom mennyi a teteje. Gondolom befolyásolhat valamennyit, hogy már nem 220 van. De a 3,35A-se tudom hogy jön ki az 1500W-al.
A hozzászólás módosítva: Szept 7, 2024
(#) erbe válasza gyulank hozzászólására (») Szept 7, 2024 /
 
Amit írtam, az alapján a 4 A éppen megfelelne (I * 1,2). A teljesítmény kiszámításához figyelembe kell venni a hatásfokot és a cosFi-t is.
(#) gyulank válasza erbe hozzászólására (») Szept 7, 2024 /
 
1,5-öt is írtál, azzal meg 5A, aszerint meg a mostani is jó.
(#) gyulank válasza gyulank hozzászólására (») Szept 8, 2024 /
 
Szóval leszedtem a motort, és kipróbáltam a relét, és kapcsol. Azt, hogy vezet-e nem néztem, de eddig kapcsolni se kapcsolt. Off, de nem tudom, hol kérdezzem, tettem még fel a motorról pár képet, hogy kell szétszedni, és milyen sorrendben?
(#) erbe válasza gyulank hozzászólására (») Szept 8, 2024 /
 
Vedd le a Zéger gyűrűt a ventillátor felől! Húzd le a ventillátort. Tekerd ki az összefogó csavarokat! A szélek óvatos kopogtatásával (gumikalapáccsal vagy fával) üsd le a ventillátor felőli pajzsot! Ha az állórészt megfogod és a tengelyvéget odakoppantod valami masszívabb fatuskóhoz, lecsusszanik az állórész. Az első pajzs nehezebb lesz. Legjobb lenne olyan átmérőjű csőbe csúsztatni a forgórészt, amiben nem szorul meg, de nem is lötyög nagyon. A csőbe gumi vagy egyéb puha dolgot tömni, hogy ne verje agyon a tengelyvéget a forgórész, ha leesik. Majd réz vagy alumínium rúddal ütögetni a lapátkerék közepén a tengelyvéget. Az öntvény lapátkerék eléggé törékeny.
(#) gyulank válasza erbe hozzászólására (») Szept 8, 2024 /
 
Azóta már mindent kicsavartam, a ventit levettem, a forgórész kijön, de a 3 csavaros rész nem jön szét a lapátkeréktől. Szóval valahogy ki kéne ütnöm a közepét. Az nem baj, hogy kicsavartam a 3 csavaros részt? Összecsavarjam mielőtt ütöm? Amin van a csőcsonk.
(#) erbe válasza gyulank hozzászólására (») Szept 8, 2024 /
 
Nem kell összecsavarni.
(#) Tomi111 válasza gyulank hozzászólására (») Szept 8, 2024 / 2
 
Szia! Ez egy bajai szivattyú. Hol tartasz a szétszedéssel? A szivattyú felől kezdd! A 4db 6-os csavar fogja össze a szivattyút. Először lejön a szélső pajzs( a szívó oldal a collos csővel) . Ott lesz egy bronz lapát. Ez ékkel van a tengelyen, valószínű jól rágyógyulva. Óvatosan ütögetve vedd le. Az ék nem jön ki, mert hosszú, az fogja a másik lapátot is! Ugyanis ez egy kétlépcsős szivattyú! A lapát levétele után levehető a két "lépcső" közti öntvény közdarab. Utána még egy lapát jön az említett ékkel. Ez is nehezen fog lejönni, ha 30 évet állt. Utána levehető a nyomóoldal öntvény oldala. Ezt 3 db 6-os csavar fogja a motor pajzsára. Itt többféle volt. Van, aminek a pajzson belül a motorban vannak a csavarfejei, ekkor először szét kell húzni a motort. Volt olyan, amikor a motor pajzsában tőcsavarok vannak és a motor és a szivattyú között 3 db 6-os anya látszik. Ekkor ezeket hajsd ki villáskulccsal. utána kihúzható a motor tengelye a szivattyúból. Itt szimmeringek lesznek, 3 db, ( de belefért 4 is - én 4-et szoktam beletenni). utána már csak a motor van, abban két csapágy van, ez egyszerű.
A gond a tengellyel lesz, ahol a szimmeringeken futott. Általában belemaródnak a szimmeringek peremei. Ezt így ne rakd újra össze!! Fel kell hegeszteni, majd esztergályossal leszabályoztatni méretre! Azt hiszem 16-os átmérő a gyári méret. ( a szimmering 30*16*7-es ha jól rémlik, de mérj utána! a 8mm széles is belemegy, meg a 16-os helyett a 15-ös belső átmérőjű is, ha kopottabb a tengely, olyat szoktam venni bele.)
Összerakás fordított sorrendben! Jó vagy új csapágyakkal, új szimmeringekkel( a tengely beledugásakor vigyázz, meg ne sértse a szimmeringek tömítő élét!! Be szoktam jól zsírozni a tengely végét! A lapátokhoz lehet új éket kell reszelned! És tömítés kell az öntvény felek összeéréséhez! Papírból kell kivágni! ( kb 108mm külső átmérő rémlik 10mm falvastagsággal, de nem biztos! Mérj) A normál A4-es papírnál kicsit vastagabból vágd ki, de ne legyen túl vastad! Pl füzetborító jó lehet! Kettő kell értelemszerűen. Zsírral kend meg összerakásnál! A 4 db 6-os csavar meghúzásakor nem szorulhat meg a forgórész! Ha kicsit akad, de kézzel áttekerhető, az jó lesz. A szivattyú középső darabjának oldalán van egy kiálló rész( a kör oldalán egy helyen) Ugyanilyen jelölés van a szívó oldal öntvényén is. Ezek összerakáskor essenek egybe! Lényeges. Meghatározza a belső részen lévő átömlő lyuk helyét( a két lépcső között)!
Utána ennek jónak kell lennie! Ha nem szorul, a motor el tudja indítani és a szimmeringek tömítenek, ennek szívnia kell. Viszont nem önfelszívó! Fel kell tölteni vízzel, nem lehet levegős! Így kell a szívócső végére lábszelep. És kb. 5-6m mélyről tud felszívni! A vízszinttől függően tud akár 4bar-t is nyomni a tartályba. A kútból nem fogyhat ki a víz, mert akkor lelevegősödik és nem szív, újra fel kell tölteni.
Egyébként örök darab. Édesanyámnál a mai napig üzemel egy locsolásra. Van több tartalékom is, ha szimmeringes lesz, 10 perc alatt kicserélem és megy tovább.

u.i: a szimmeringeket úgy rakd be, hogy a belső kettőnek a lapát felől legyen a rugója, a külsőnek kifelé! Zsírozd meg a rugókat bőven!
A hozzászólás módosítva: Szept 8, 2024
(#) Tomi111 válasza gyulank hozzászólására (») Szept 8, 2024 /
 
Csatoltam képet, melyik jelölésre gondoltam a középrész és a nyomóoldal pajzsán. Ezek essenek egybe! ( előbb lehet a szívóoldalit írtam)
(#) Kinka István hozzászólása Szept 11, 2024 /
 
Sziasztok!
Bakony BS No.2-U és No. 4-U kismegszakítók milyen karakterisztikájúak? Csak az L-ről találtam infót.
Következő: »»   969 / 1016
Bejelentkezés

Belépés

Hirdetés
XDT.hu
Az oldalon sütiket használunk a helyes működéshez. Bővebb információt az adatvédelmi szabályzatban olvashatsz. Megértettem