Fórum témák

» Több friss téma
Fórum » Indukciós főzőlap javítása
 
Témaindító: csiperke, idő: Okt 25, 2009
Témakörök:
Lapozás: OK   37 / 40
(#) erbe válasza vfd ora hozzászólására (») Dec 1, 2024 /
 
Igen.
Korábban kérdezted, hogy MCU nélkül meg lehet-e hajtani a főzólapot. Hogyan, mikor az vezérel mindent? Az deríti fel, van-e edény, mekkora, ...
(#) vfd ora válasza erbe hozzászólására (») Dec 1, 2024 /
 
Ez a problémám, hogy keresi az edényt, azért csipog, végül kikapcsol! Mindegy mekkora a mérete, nem érzékeli, pedig megfelelőek az edények! A Q1 és a Q2 ki lett véve és jónak bizonyult, a Q3 és Q6 lehet hogy hibás?
(#) erbe válasza vfd ora hozzászólására (») Dec 1, 2024 /
 
Csak úgy tudja felderíteni az edényt, hogy áramimpulzusokat enged a tekercsbe az IGBT-vel. Hogy igazából mit figyel, én sem tudom. Lehet az áramimpulzus emelkedési meredeksége vagy bármi, amit segédeszköz nélkül mérni tud és összehasonlítja a referenciatára értékeivel. A tekercs mellett nincs mérővezeték, ami visszacsatolást adhatna.
(#) moltam válasza vfd ora hozzászólására (») Dec 1, 2024 /
 
(#) vfd ora válasza erbe hozzászólására (») Dec 2, 2024 /
 
Van egy Fuse1 kékszínű, és lent pedig T-Temp zöldszínű vezeték!
(#) vfd ora válasza moltam hozzászólására (») Dec 2, 2024 / 1
 
Köszönöm a segítséget!
(#) erbe válasza vfd ora hozzászólására (») Dec 2, 2024 /
 
A fuse = biztosíték túlmelegedés elleni védelem. Kiolvadó hőbiztosíték. A Temp a hőfokszabályzáshoz használt termisztor. Mindkettő a tekercs tetején a hővezető paszta alatt van.
(#) vfd ora válasza erbe hozzászólására (») Dec 2, 2024 /
 
A fuse diode állásban mind a két irányban 000 és sípol.
A másik, ellenállás mérésnél 123K mutat.
(#) erbe válasza vfd ora hozzászólására (») Dec 2, 2024 /
 
Természetesen. Hiszen a biztosíték egyenesen átvezeti az áramot. Ha ráteszed az ujjad a másikra, ami olyan, mint egy kis üvegtokos dióda, a műszeren változni fog az érték, ahogy melegszik.
(#) vfd ora válasza erbe hozzászólására (») Dec 2, 2024 /
 
Ezek szerint ezek is jók, szépen csökken az ellenállása 116K egy érintés után! mostmár a Q3 és Q6 lehet hibás, vagy az IGBT?
A hozzászólás módosítva: Dec 2, 2024
(#) erbe válasza vfd ora hozzászólására (») Dec 2, 2024 /
 
Természetesen az IGBT.
(#) vfd ora válasza erbe hozzászólására (») Dec 2, 2024 /
 
Remélem úgy lesz!
Bemérni macerásabb mint kicserélni.
A dióda híd esetleg?
(#) erbe válasza vfd ora hozzászólására (») Dec 2, 2024 /
 
Ha van bármi működési jel, sípolás vagy kijelző, akkor a diódahíd jó.
(#) vfd ora válasza erbe hozzászólására (») Dec 3, 2024 /
 
Az normális, ha az IGBT alatt nincs szigetelő lemez, csak a hővezető paszta?
A hozzászólás módosítva: Dec 3, 2024
(#) vfd ora válasza erbe hozzászólására (») Dec 3, 2024 /
 
IGBT cserélve, a helyzet változatlan! Egyes kép hálózatba dugás, majd kiírja a 8888 csipog egyet, és kialszik minden, Ha bekapcsolom ---- csík jelenik meg, utánna vezérlem, állíthatók az értékek, de nem melegít csak csipog!
Ennyi!
(#) erbe válasza vfd ora hozzászólására (») Dec 3, 2024 /
 
Milyen az IGBT hátoldala? Fekete műanyag vagy szürke fém?
Egyébként nincs semmi gond, ha a hűtőborda nem érhet hozzá semmihez és kívülről csavarhúzóval, dróttal nem elérhető.
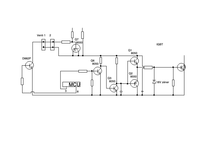
Ilyen tapogatózással, amit műveltél, nehéz bármit is megjavítani. Egyrészt az IGBT-vel kellett volna kezdeni, másrészt kezdőként legalább az IGBT meghajtását le kellett volna rajzolni. Akkor hamarabb tudjuk, hova kell nyúlni.
(#) erbe válasza vfd ora hozzászólására (») Dec 3, 2024 /
 
A képeken nem látni vízzel telt edényt.
(#) vfd ora válasza erbe hozzászólására (») Dec 3, 2024 /
 
Az IGBT hátul fém, mint az előző.
Ráhelyezett edénnyel teszteltem, mint mindig de csak csipog!
A bekapcsolo első érintésére ---- és lehet kapcsolgatni a funkciókat, de csak csipog, és végül kikapcsol.
A bekapcsolot kétszer érintem meg akkor a második érintésre 8888 és az összes funkció LED világít, és nem lehet kapcsolgatni a funkciókat, majd egy idő múlva kikapcsol.
A meghajtás már egyszer lerajzoltam az MCU 3 lábától indul
(#) erbe válasza vfd ora hozzászólására (») Dec 3, 2024 /
 
Elnézést, igazad van. Ezt már én is láttam. Már csak az érthetetlen, ha mindent végigmértél és jó, hol a hiba? A további feladat már csak szkóppal teljesíthető.
Egy egyszerű tesztelési lehetőség.
A tekercs helyére bekötsz egy próbalámpát. A termisztort, biztosítékot dugd a helyére, mert nem tudom, hol mit engedélyeznek. Remélem, félre tudod tenni a felső részt, hogy ne zavarjon. Előre forrassz be egy 2,2 kOhmos ellenállást a Q6 tranzisztor bázisára, rá egy szál vezetéket. Bedugod a dugaljba. Semmit nem kell nyomogatni. Nem kell bekapcsolni. Óvatosan a vezetékkel, mert azon is rajta a hálózat. Gondolom, leválasztó trafód nincsen.
Ha ezt a vezetéket +5V-hoz érinted, majd elveszed, a próbalámpának világítani majd kialudni kell. Az MCU bemenete nem kaphat káros áramot vagy feszültséget, mert arrafelé is van egy 2,2 kOhmos ellenállás. A bázisfeszültség meg nem lehet több 0,6-0,7 V-nál. Ha nem történik semmi, rögzítsd a műszer kapcsait a GND-re és a 18 V-os Zenerre a két ellenállás közé. A vezeték érintésére fel kell ugrani a feszültségnek, elvételkor leesik.
Többit majd ezen teszt után.
(#) elactrofan válasza vfd ora hozzászólására (») Dec 4, 2024 /
 
Azért azt nem hiszem el, hogy képtelenek vagytok egy normális képet készíteni!
(#) vfd ora válasza elactrofan hozzászólására (») Dec 4, 2024 /
 
Melyik képpel van probléma, vagy mitől lenne normális?
(#) kadarist válasza vfd ora hozzászólására (») Dec 4, 2024 /
 
Ellenfényes a kép, tehát a kamera van megvilágítva, nem a tárgy.
(#) vfd ora válasza kadarist hozzászólására (») Dec 4, 2024 /
 
Igen, ez igaz!
(#) vfd ora válasza erbe hozzászólására (») Dec 6, 2024 /
 
Ide érinthetö az 5V, a j5-j6, vagy külön 5V kell? A 18V-os zéner a D11 pozitív lába.

S73R4429.JPG
    
(#) erbe válasza vfd ora hozzászólására (») Dec 6, 2024 /
 
J5-j6 mindkettő +5V. Bármelyikhez érintheted. Ha rá tudod csiptetni a D11 két végére a műszert, az a legegyszerűbb.
(#) vfd ora válasza erbe hozzászólására (») Dec 10, 2024 /
 
Sikerült a mérés! Q6 bázisát 2,2K val érintve az +5V hoz, és izzó a tekercs helyére bekötve.
Bekapcsolásnál +5V érintése nélkűl relé behúz a D11 0V, érintésre D11 +18V de az izzó nem világít, elvéve 0V. Mérve az izzónál szintén 0V!
(#) erbe válasza vfd ora hozzászólására (») Dec 10, 2024 /
 
Ott valami még mindig nincs rendben, ha azt mondod, hogy új IGBT-t raktál bele.
Kis ellenállás a Zener és IGBT között?
A hozzászólás módosítva: Dec 10, 2024
(#) vfd ora válasza erbe hozzászólására (») Dec 10, 2024 /
 
Igen az IGBT cserélve lett! A kis ellenállás ami a G és az E között van, az lehet hibás?
A másik rajzon rosszul rajzoltam le a kis ellenállást, mert kimaradt! Esetleg a nagyáramú dióda híd nem mehetett tönkre?
A hozzászólás módosítva: Dec 10, 2024
(#) erbe válasza vfd ora hozzászólására (») Dec 11, 2024 /
 
Idézet:
„Esetleg a nagyáramú dióda híd nem mehetett tönkre?”

Ennek az eldöntéséhez ismerni kellene a főzőlap erősáramú bekötését. De már régen kimérhetted volna. Van DC 320 V a kimenetén, vagy nem?
(#) vfd ora válasza erbe hozzászólására (») Dec 11, 2024 /
 
Bekapcsolás után kiírja a +320V, majd lassan lenullázza magát!
Következő: »»   37 / 40
Bejelentkezés

Belépés

Hirdetés
XDT.hu
Az oldalon sütiket használunk a helyes működéshez. Bővebb információt az adatvédelmi szabályzatban olvashatsz. Megértettem