Fórum témák
» Több friss téma |
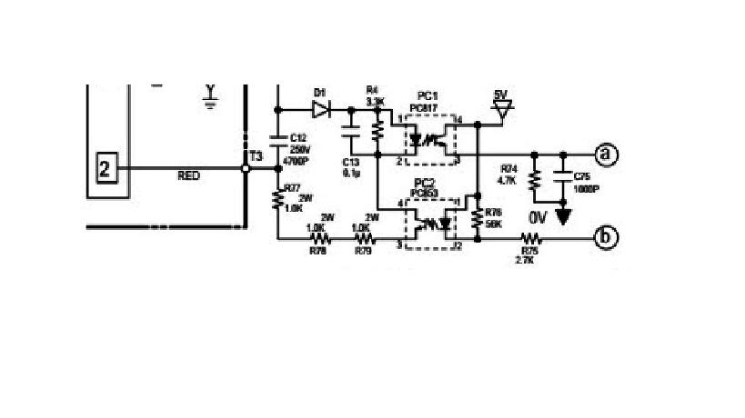
Akkor nézd meg az optó bemenetén lévő kondit
Kiforrasztottam és 30pF körül mérek rajta. Nem tudom mennyi kellene hogy legyen. Egy hasonló rajzon ezen a helyen 100n kondi van.
Ha nem zárlatos akkor máshol van a probléma , az optók biztosan jók ?
Kiszedtem és úgy teszteltem őket egyesével. Egy led-et kapcsoltam velük ki-be 5 Volton. Hacsak nagyobb fesznél nem húznak át de nem látszik rajtuk melegedés nyoma.
Akárhogy töröm a fejem nem látok logikát mi melegítheti az ellenállást. Az optók zárlata de azok működnek.
Lehet a beltéri felől jön valami fesz ami megsüti az ellenállást.? Egy másik rajzon ilyesmit találtam.. A bejövő 220 váltót egyenirányítva leszabályozva állítja elő a komunikációs "jelet". Lehet a zéner vagy valami megpusztult és az viszi a kültérit is magával.?
Elhozták a beltéri egység panelját. Összekötöttem a kültérivel és úgy tűnik kommunikálnak. Megy a négyszög az optókon mindkét oldalon. Tesztelni hogyan lehet a többi része nélkül?
Szia, nekem áll egy Samsung klíma ilyesmi miatt, ...
Ezekben 3 mcu van, egy a beltéri kettő a kültériben, ez a kettő is galvanikusan el van választva egyik az érzékelőket a másik a motor dsp ami az ipmet hajtja. E kettő között halt el a kommunikáció, mert a dsp egyik belső tápja zárlatos lett, és nem válaszol a periféria utasítására... Egy feszültség tüske kinyirta villámlás ill áramszünet miatt.
Közben látom a képeket, ez nem tűnik olyanak, valami szupresszor vagy relé hiba, ill. Potenciál eltérés a kettő, beltéri és a kültéri között.
Szia.
A szupresszor az mi? Kifejtenéd bövebben.?
Ott, ahol a túlfeszültséget kell megakadályozni, leginkább kamikáze módon.
Egy fórumtárs javaslatára lecsekoltam a reléket, és a négy irányú szelep relé kontaktjai között behúzva 7-8 Ohm ellenállás van. Adatlap szerint 100m Ohm kellene legyen. Bővebben: Link A többi relé ok. Nem hiszem hogy innét kaphat visszajelzést, de cserélem. Próbáltam melegíteni a panelt hátha előjön a hiba de nem sokra jutottam. Egyedül a kommunikációs vonalon egy 2.2k PTC ellenállás melegedésre természetesen megnyúlik és így megszűnik a jel.
Elmondás szerint a klíma elindult majd rövid üzemidő után E1 és ennyi.
Én nem tudom Te mit csinálsz, csak a feltett kérdésedre válaszoltam, mert Pipi nem volt itt..
Még tart a kommunikációs hiba. Egy nyitott kérdés: A kültéri-beltéri egységek négyszöggel kommunikálnak. Ez normál esetben az "N"hez viszonyítva váltakozva pozitív és negatív periódusú kellene hogy legyen.? Mert most nézem hogy esetemben csak negatív irányba mozog.
Ez jó kérdés, csak a saját szenvedésem alapján ami egy Samsung 15 éves klíma, van tapasztalatom. Ott rs485 kommunikációt valósítanak meg. Az olyan mint írod, a szerviz leírása is írja, a jelek ilyen vizsgálatát, ott is kitérnek a szimmetriára. Vagyis hiba van ha nem teljes a jel... Valami zárlat okozhat ilyet, pl. dióda...
Sziasztok!
Mi a tapasztalat, tálcafűtést hány fok alatt célszerű bekapcsolni, pont 0C ?
SzelepÜdv! Klímásokat kérdezném, jól gondolom e, a linken látható szelep gázáramlási iránya a két külső menetes rész felől halad az egy belső menetes anya felé?Valamint az egyik szelep kiszerelhető, ha nekem csak az egyik ágába szükséges? Mennyi ennek az üzemi nyomása? Nem volt még ilyen a kezembe, így csak a képek alapján próbálok tájékozódni. A hozzászólás módosítva: Jan 28, 2025
Akár +1-2 fok környékén már mehet, legyen langyos a tálca .
Nem! Ez egy sima elosztó csatlakozó. Ahol nem látsz tűszelepet , belső menetes rész, az a rész megy rá egy fix csonkra és a tűszelepes csatlakozók biztosítják az üzem közbeni le-fel rakható egységek számára a csatlakozást. Elméletileg hűtőközeg veszteség nélkül.
Áramlási irány nincs. Ha nem kell az egyik tűszelepes csonk csonk, akkor az a korrekt megoldás hogy egy zárókupakot teszel rá.
Én is pont erre gondoltam
Akkor nem értem. A képeken az látszik, hogy mindkét külső menetes ágában van valami szelepnek látszó tárgy, közepén az az acéltű. Vagy az nem az? Mindjárt készítek Móricka rajzot mihez kell(ene)...
A hozzászólás módosítva: Jan 28, 2025
Tehát van egy kiszuperált hűtő kompresszor, és palackos "kerékfújtatót" akarok kreálni belőle.
A hűtő kimenő csonkra ami ∅=8mm rá akarok forrasztani egy SAE 1/4" csatlakozót. A palack egy szintén kiszuperált SAE 1/4" szeleppel ellátott típus (a nem újratölthető fajta). Ebből a szelep nyakrészt körbevágva kitekerhető teljesen a szelep, így marad két nyílás, az eredeti SAE 1/4" kimenő csonk, és a szelep felől függőlegesen egy nem tudom milyen belső menetes cső. A függőleges belső menetes csőre egy összekötő taggal menne a nyomáskapcsoló. Az eredeti palack kimenő nyílás, hűtőkompresszor és nyomásleeresztő szelep összekötését pedig tömlővel oldanám meg. Ezek közé kell egy T elágazás, amiben a palack felé visszacsapó szelep van. Szóval az egyik verzió, hogy a kompresszorra csavaroznám a T elágazó idomot, vagy a másik verzió, hogy a palackra csavaroznám a T elágazó idomot. Kérdés, hogy létezik e ilyen T elágazó idom, ami a palack felé engedi a gázáramot, visszafelé pedig nem? A leeresztő szelep felé pedig nem kell semmilyen szelep.
Van olyan cucc ami az egyik irányva engedi a gázáramot a másikban nem (visszacsapószelepnek hívják ) de a hűtős fittingek közt nem találsz ilyet .Viszont ha kerékpumpát akarsz csinálni kár "túlagyalni " a dolgot tedd a levegőpisztoly "slaugját" egyől a kompra .
A hozzászólás módosítva: Jan 29, 2025
azt a tűt úgy képzeld el mint az autó gumiban a szeleptűt. tehát a rácsatlakozó csőben is van egy ellen darab amit megnyom.
de bizony van hütős visszacsapószelep is.
Igen visszacsapó szelepnek hívják ismerem... A palack is kell.
|
Bejelentkezés
Hirdetés |















