Fórum témák
» Több friss téma |
Ha szkóp-képet teszel fel, legyen látható a kezelőszervek beállítása, vagy add meg a beállításokat!
Oszcilloszkóp beállításSziasztok!Segítséget szeretnék kérni! Hozzám került a nevezett oszcilloszkóp, véleményem szerint, asztigmatikus beállításra szorul. A megjelenített kép egy része éles, más része életlen! Miután Hameg szkóp esetén nem végeztem ilyen műveletet (van olyan szkóp, amelynél előlapról kezelhető a probléma), itt közvetlenül a szkópcső nyakán levő panel az, ahol a beállítás elvégezhető, ráadásul a a panel belső oldalán. A kapcsolási rajz alapján az R6024 trimmerrel lehetséges az állítgatás, bekapcsolt állapotban. A rajz alapján (a panel amerikai vetítésű), így a helyzete fordított a képen. Kérdésem jól azonosítottam be a trimmert,vagy sem? Üdv: Gyula
Hello
Nagy valószínűsíthetőleg az a trimmer lesz az, bár nem látom a teljes rajzot.
Sok szkópnál oda van írva a trimmer mellé funkciója, hátha ennél is.
Hello!
Sikerült beállítani. Ő volt amire gyanakodtam. Üdv!
Ennél semmi nincs odaírva! Lásd a képet a panelról!
beállítva! Üdv!
Köszönöm mindhármuknak a segítséget, elnézest hogy megszűntem egy időre, egyéb dolgok csaptak le rám. Namost akkor ha jól értem akkor az első rács mindenképpen nagyobb negatív feszt kéne kapjon mint az anód, de a fókusz, ami a wehnelt hengernek hívott cucc, az lehet pozitívabb, de mindenképpen negatív a sasszihoz képest, igen? Mert akkor viszont itt erős gáz van. Tdi75, a szabályzókból régen is szarakodott a függőleges, mostanra teljesen beállt, rendeltem új duplex potit hozzá összemértem és ugyanúgy működik mint a régi, de beépítés után sincs kép akárhova tekerem, a vizszintes pedig jól működik és nem recseg. Játszottam a fényerővel és a fókusszal is de semmit nem mutat akárhogy keresem jobbra balra, fel és le.
Üdv nektek István
Ahogy megyünk a katódtól egyre távolabb, úgy növekszik a potenciál a katódhoz képest. Másként nehéz sorsuk lenne az elektronoknak.
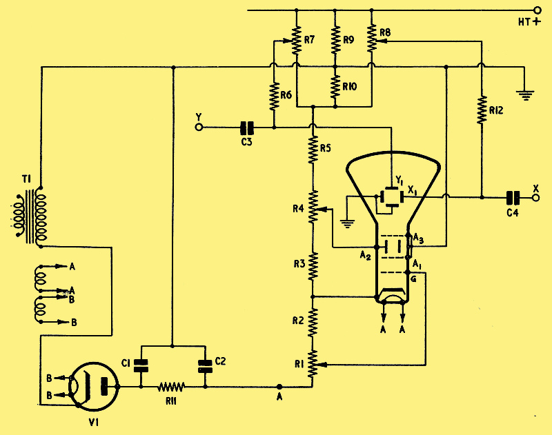
Elnézest ha borzalmas baromságot kérdezek, de nincs egy ismerősöm se akit tudnék fárasztani ezekkel, de akkor itt ezen a diagramon a katód pozitívabb mint a G1, de a A1 és A3 testelve van, a fókusz viszont pozitivabb mint az előző kettő... Nem értem ez hogy enged így át bármiféle elektront... Nekem már nem tanítottak elektroncsövet elektronikaórán, ami megvan hogy ha a rács ugyanott van mint a katód akkor nemigen akarnak az elektronok arra repkedni. Amit mérek viszont az baromság, amit ez a rajz mutat nemértem, amit meg ti mondtok logikus ugyan de olyan szinten nem ezeket mérem, hogy már azon tűnődöm hogy a multiméterhez is hülye vagyok
Idézet: „katód pozitívabb mint a G1” inkább a G1 negatívabb, mint a katód, ahogy minden rendes elektroncsőnél lenni szokott. Lényegében ugyanaz, mint amit írtál, de így szoktuk meg, célszerűbb is így megjegyezni. Idézet: „de a A1 és A3 testelve van” Az A1, A2, és az A3 a fókuszáló rendszer (elektron optika) részei. Az A3 tkp az elektróda rendszer anódja, ennek ugyanazon a potenciálon kell lennie, ami az eltérítő rendszer van. Az eltérítő lemezek egyik oldala földpotenciálon van, ezért az A3 is. (feltehetően félvezetős kapcsolás végén üzemel). Csöves meghajtás esetén ez a pont kb 250 V körüli potenciálon szokott lenni.
Az első rács (Wehnelt-henger) valójában egy lyukas pohár alakjával akkor is átengedi az elektronokat, ha negatívabb a katódhoz képest. Ez azért van így, mert ez a rács már az elektronoptika része, az elektronnyaláb kialakításában is részt vesz. Bővebben: Link
Kezd összeállni a történet, előszedtem a gépet is meg a méréseket amiket legutóbb csináltam rajta, a henger itt pozitívabb volt nekem kb 20 volttal, de ami abszurd az a sasszihoz képesti 200 volt pozitív, a hetes lábon, ami elvileg test, de az astigmatizmust állító poti van ott nekem ami viszont elmegy egy táphoz a trafó után. Létezik hogy pozitív fesz legyen akárhol? A nagyfeszt bíró multiméterem benthagytam a melóban, holnap rámérek megint, de ez akkor is feltűnt hogy ez itt érdekes. Létezik ilyen vagy én néztem valamit a cseh kettőn?
Köszönöm az okítást uraim! A hozzászólás módosítva: Jan 27, 2025
Idézet: „Létezik hogy pozitív fesz legyen akárhol?” Persze, hogy létezik. A HT+ az valamekkora pozitív feszültség, ez azért van, hogy a R7, R8 potenciométerekkel az elektronsugár függőleges, és vízszintes pozícióját + / - állítani lehessen. A nagyfeszültségű negatív táp testpontjához (ami a saszi) csatlakozik az R9, R10 osztó, ami beállítja a ks cső tápellátásának testhez képesti viszonyát. Az eltérítő lemezeket kivéve a testhez képest csak negatív feszültségeket kell mérned. Az eltérítő lemezek nem testelt párján a helyzetállító potik állásától függően tudsz pozitív, nulla, és negatív feszültségeket mérni. A mért értékeket érdemes a kapcsolási vázlatba beírni. Szkóp beállítás"Szevasz!A szkópodon nem jó a sugár visszafutás kioltás. A képernyő felvételed alapján tudom ezt mondani. Ha megjavítod sokkal szebb képeket fogsz látni az ernyőn. Üdv. M." Telefonról kapja a jelet, nem tudom van e köze hozzá. A héten megjön egy generátor, kíváncsi leszek azzal jobb lesz e. Hogyan kellene neki kezdeni ennek a sugár visszafutás beállításnak?
Legfontosabb a kapcsolási rajz.
Nekem a képcső nyakra épített panelen volt a hiba, nem ez a szkópom, de EO tip. A visszafutáskor egy kondival az egyik rácsot lezárásba viszi.
Remélem jó részt képernyőfotóztam ki
A hozzászólás módosítva: Jan 30, 2025
Idézet: „Telefonról kapja a jelet, nem tudom van e köze hozzá.” Nincs. A vizsgált jel a függőleges eltérítő csatornát (lemezeket) használja, a visszafutás pedig a vízszintes csatornát (lemezeket). A visszafutás kioltást a T2018 tranzisztor végzi, a C2033 kondenzátoron keresztül (12. összekötés). A visszafutás kioltás jel időzítését, paramétereit az MP5 mérő ponton ellenőrizheted, egy másik szkóppal. A hozzászólás módosítva: Jan 30, 2025
Sziasztok!
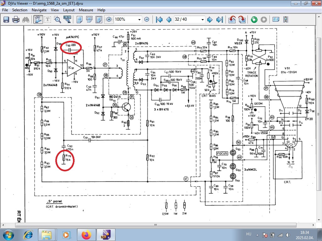
Tegnap este kibukott néhány dolog az EMG szkóppal. Meglett részben a nagyfesz hullámzásának az oka. Egyrészt észrevettem hogy ki van hagyva egy ellenállás a kapcsolásból. Illetve ki van szedve... mert a helye megvan, de az látszik hogy onnan ki lett valami forrasztva. Az az a bizonyos 15 K ellenállás ami pirossal lett bekarikázva a rajzon. A másik hogy a rajzon a 200Pf visszacsatoló kondenzátor a 741 es műveleti erősítőn kevésnek bizonyult. Baromi gyors volt a szabályozás és nagy. A bekarikázott 200 Pf kondenzátor. Oda kapott helyette egy 10 Nf os kondit és azonnal beállt egy szinte beton stabil rezgés. Miután megkapta a 15K ellenállst egyből jobb lett a nagyfesz, majd amikor a vcs tagot lecseréltem a 10 Nf kondira minden jó lett. Csak arra tudok gondolni hogy én is azzal kerültem szembe amivel anno a gyártósoron bajlódtak, hogy a bizonytalan beszerzési helyekről vásárolt félvezetők szinte köszönőviszonyban sem voltak a katalógusadatokkal. (Hiába volt rendben amit én vettem, a munkaponti beállítások az eredeti alkatrészekhez lettek beállítva). De hogy ne csak szövegeljek képek. 1. A táp rajza 2. Az ellenállás nélküli jelalak a BD241 tranya kollektorán. 3. Ez már a 15K-s ellenállással szintén a BD241 kollektorán. 4. ilyen lett a kép miután már nem hullámzott a CRT tápfesz. Látható hogy nem pöttyökből áll a rajzolata hanem egyenletes. 5. végül a tesóval együtt, háttérben pedig egy ükszülő a hőskorból. synchroscope 1581/s
Pici helyesbítés. Az az ellenállás egy dolog hogy ki volt szedve, R75 15k ohm de helyette egy rövidzár volt beforrasztva.
Szép munka!
Volt ilyen szkópom, illetve az elektronkapcsolós testvére, kettő is. De a vége felé már annyi bajom volt velük, hogy megszabadultam tőlük. Sőt, olyan TV oszcilloszinkroszkópom is volt, az első szkópom. Miután kicseréltem benne két marék elkót sok évig használtam. Annyira sokat ment az eredeti helyén, hogy durván be volt égve a vízszintes csík a képernyő közepén....
Pedig úgy tudom, hogy ennek a ks csőnek már síkaluminizát az ernyője a jobb hőelvezetés, a beégés ellen. De biztos úgy használták, hogy reggel bekapcsolták, este kikapcsolták. Ment, ha kellett ha nem. Mint a kattogós Wellert. Az is így ment nálunk a cégnél.
Köszönöm. Azért van bennük kontakthiba még bőven. Azért az a halomnyi foglalatban lévő tranzisztorláb szinte kifogyhatatlan mennyiségű hibákat tud eredményezni.
A hozzászólás módosítva: Feb 5, 2025
Nem tudom, hogy az EMG-ben mennyire jók a tranyó foglalatok, de egy régebbi TEK ilyenekkel van tele. Aranyozott, egészen pici foglalatok. Egyetlen hibásat sem találtam közöttük. Valószínű, azért teszik foglalatokba, mert így a panelek élesztése egyszerűbb.
A kapcsolók már sokkal problémásabbak. Különösen azok, amik nem aranyozottak és még szétszedni sem lehet őket. Idézet: „"Valószínű, azért teszik foglalatokba, mert így a panelek élesztése egyszerűbb."” Pontosan így van. Erről Sipos Gyula írt egy nagyon érdekes cikket anno. Többek között leírta azt is, hogy a Motorola mérnökével ültek a mérőlaborban és csak pislogott a mérnök úr, hogy az ő általuk leszállított tranzisztoroknak eszük ágában sem volt úgy működni, ahogy az a katalógusadatokban le volt írva. Így aztán az EMG-s mérnökök már rutinosan cserélgették a tranyókat a foglalatokban, hogy éleszthessék a paneleket.
Én mindig azt hittem, hogy azért, mert ezek végül is differenciál erősítőket alkotnak és könnyebb fokozatonként bemérni. Mondjuk nagyon nem mindegy, hogy mennyire vannak párban a tranyók, hiszen egy szkóperősítőben nincs negatív visszacsatolás.
Orion EMG Servotest 1931/BTisztelt Fórumozók!A fent említett oszcilloszkóp a HOR potméter forgatásakor a képeken látható módon viselkedik. Van valakinek ötlete, hogy mi lehet a baj? Itt van egy VIDEÓ is a jelenségről. A hozzászólás módosítva: Feb 11, 2025
A 45° -os "görbe" azt jelzi, hogy némi fázishibával ugyanaz a jel van mindkét csatornában. Ha jól látom, az eltérítő (sweep) kapcsoló int állásban van, ilyenformán az eltérítő generátor csak erősítőként működik.
A bemeneti jel pedig valami brumm lehet.
Köszi a hozzászólást!
Amikor először láttam a hibát, azt hittem, hogy a függőleges eltérítéssel van baj. Aztán a tekergetéseknél előjött, hogy itt valami jel került a bemenetekre. Egyelőre annyit csináltam, hogy átcserélgettem benne az azonos csöveket, de semmi változás. kerestem hozzá rajzot, de az Elektrotanyán lévő, ami egy 1956-os Rádiótechnikából való, nem teljesen fedi a valóságot... ![]() Majd még nekiülök, ha több időm lesz.
A szűrőkondikat, tápfeszültségeket, különösen az eltérítő generátor tápját ellenőrizni kell. Nem megy az eltérítő generátor.
EMG 1568/2 (TR 4655/2) időalap-hibaHozzám került egy EMG 1568/2 (TR 4655/2) szkóp.Első körben úgy tűnik, mindössze egyetlen hibája van: Nem indul el az időalapja. Az X eltérítése működik: helyzete állítható, X-bemenetre adott jel megfelelően eltéríti. Van-e tipikus hiba ilyen esetben (mi szokott tönkremenni), hogy azt az 1-2 alkatrészt nézzem meg első körben? |
Bejelentkezés
Hirdetés |























