Fórum témák

» Több friss téma
Fórum » Erősítő mindig és mindig
Mielőtt kérdezel, a következő két dolgot ellenőrizd! I. A helyes tápfeszültségek megléte. II. A kimeneten van-e egyenfeszültség. Élesztés.
Lapozás: OK   2555 / 2576
(#) reloop válasza tomi1990120 hozzászólására (») Jún 9, 2025 /
 
A hatástalanítás abból áll, hogy a bementi differenciál-erősítőből kiveszed az R5052 ellenállást (egyik lábát elcsíped) és a kimeneti pontnak adsz egy test, hogy ne generáljon véletlen DC hibát.
(#) tomi1990120 válasza reloop hozzászólására (») Jún 9, 2025 /
 
Még annyit talán megpróbálok vele hogy kicserélem benne az összes tranzisztort újra hátha segit rajta.Aztán ha ez sem jön be marad a kiiktatás.
(#) tomi1990120 válasza tomi1990120 hozzászólására (») Jún 9, 2025 /
 
1 kábel nem volt bedugva azért nem indult el...Az lehet hogy a R5272 ellenálláson nem mérek semmit?
(#) tomi1990120 válasza tomi1990120 hozzászólására (») Jún 9, 2025 /
 
Újra megmértem a nyugalmit most csak 160mV van az ellenállásokon.
(#) reloop válasza tomi1990120 hozzászólására (») Jún 9, 2025 /
 
Az eddigi tapasztalatok alapján kell legyen feszültségesés az R5272-n, inkább a mérésben lehetett hiba.
Az Q5262 és Q5252 most bent vannak? Ha igen, nézd meg milyen határok között állítható a 100 Ohm segédellenállásokon eső feszültség a a 2k-s timmer végállásaiban. Ha a trimmer középállásához kb. 500 mV tartozik, akkor ezen az álláson hagyva mehet a segédellenállások helyére a végtranzisztor.
(#) tomi1990120 válasza reloop hozzászólására (») Jún 9, 2025 /
 
A Q5262 és a Q5252 nincsenek benn.Nem mértem rosszul az ellenállásokat rendesen erintkezett a mérötüske mert amikor áttekertem ellenállás mérésre akkor az kiirta de feszultséget nem mutatott rajta.Q5272 és a Q5282 0.0v van lehet azért mert nincs benn a fentebb emlitet két tranzisztor?
(#) tomi1990120 válasza reloop hozzászólására (») Jún 9, 2025 /
 
Megvan miért mértem 0v-ot a két ellenálláson.Elfelejtettem hogy ott fel van szakadva a vezetösáv és mikor kivettem a tranzisztort onnan levettem az atkötést is
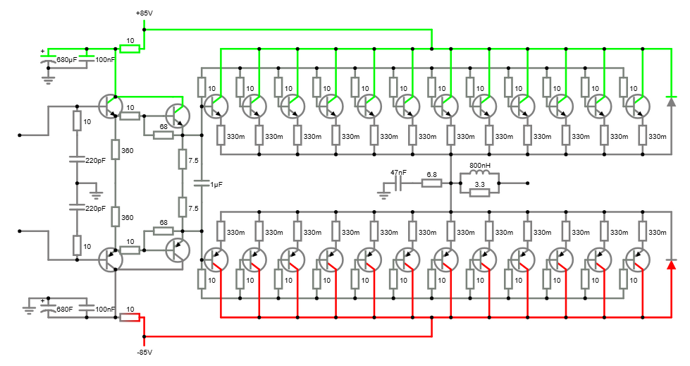
(#) firstman válasza firstman hozzászólására (») Jún 11, 2025 /
 
Osztottam, szoroztam és végül ilyen lett. A predriver és driver fokozatok le vannak 10 Ohmokkal választva a fő tápsínekről, külön 680µF pufferrel megtámogatva. Több dolgot is elkövettem a parazita oszcillációk elkerülése érdekében. Ebben a kivitelben már van kimeneti L-R szűrő is, ami a gyári modellekben egyébként nincs. A kimeneti tranzisztorok a sor közepéről kapnak tápot. A fontosabb vezetősávok a nyák mindkét oldalán ki lettek alakítva. A kapcsolás elrendezésével visszatértem az Adcom megoldásához, azaz meghagytam a driverek B-E ellenállását, illetve a jelentős kapacitású switchoff kondenzátort. A meghajtó fokozatok A osztályban mennek. Az előmeghajtók bázis kompenzálását is áthelyeztem erre a panelre. Nem maradt túl sok változtatási lehetőség, de ha van valami észrevételetek azt szívesen meghallgatom.
(#) tomi1990120 válasza reloop hozzászólására (») Jún 12, 2025 /
 
Szia megmértem az R5282 és az R5272 ellenálláson eső feszültséget és kb amit írtal annak a fele van meg 600mV.Visszaraktam a két tranzisztort is amit kivettem a 2sc5171 et cseréltem újra nyugalmi marad ugyanannyi.
A hozzászólás módosítva: Jún 12, 2025
(#) reloop válasza tomi1990120 hozzászólására (») Jún 12, 2025 /
 
Az R5472-t úgy emlékszem cserélted, nem árt azért rámérni.
Az R5352, R5362, R5472 együtt kb, 120 Ω, épp úgy mint az R5282 és az R5272. Ha az utóbbiakon 600 mV esik, akkor R5352, R5362, R5472 együtt szintén 600 mV-ot kéne ejtsen. A Q5432, Q5442 bázisain, a mérésedből tudjuk, hogy ±1,3 V van. Ebből levonva a bázis-emitter feszültségeket (0,6 V) marad ±0,7 V, tehát R5352, R5362, R5472 ellenállásokon összesen 1,4 V esik. Ebből következik, hogy az értékük nincs nincs rendben.
(#) tomi1990120 válasza reloop hozzászólására (») Jún 12, 2025 /
 
Pár napja végigmértem egytöl egyig az összes ellenállást és összehasonlitottam a müködö oldaléval es mind egyforma volt nem voltak eltérések.Az lehetséges hogy terhelés alatt megváltozna az ellenállása valamelyik ellenállásnak?
(#) reloop válasza tomi1990120 hozzászólására (») Jún 12, 2025 /
 
A 82 Ω ellenálláson eső feszültséget vesd össze a jó és a javítás alatt álló csatornánál!
Berakva a meghajtó fokozat második tranzisztorát, az alábbi szimulációhoz hasonló feszültségeknek kell esni az áramkör ellenállásain. Nézd meg hol van jelentős eltérés!
(#) tomi1990120 válasza reloop hozzászólására (») Jún 13, 2025 /
 
Szia.Végre azt hiszem megtaláltam a hibát,a Q6002 mérve jónak tünt de mérés közbe észrevettem hogy nagyon ugrál az értéke össze vissza mig a többié nem.Kicseréltem és a nyugalmi már minimumon 360mV feljebb tekerve szépen be tudtam állitani 490-re .Holnap bele rakom a végtranyókat és meglátjuk mi lesz.Köszönöm a kitartó segitséget
A hozzászólás módosítva: Jún 13, 2025
(#) reloop válasza tomi1990120 hozzászólására (») Jún 13, 2025 /
 
Ez érdekes jelenség, a Q6002 a soros ellenállás miatt a végtranzisztor leégés legszerencsétlenebb forgató könyve szerint se kaphatott túlterhelés. Lehet pont ez a tranzisztor volt a hiba forrása. Ahogy az öreg szakik mondták: "elkorhadt".
(#) tomi1990120 válasza reloop hozzászólására (») Jún 13, 2025 /
 
Kiszedve szakadás volt minden irányba,egyik lábra se mutatott a múszer.Én is azt olvastam neten azt írta egy gyerek aki sok onkyot javított hogy az a tranzisztor sosem ment tönkre.De érdekes beforrasztva megvoltak az értékei a jó oldallal osszehasonlítva,de azt hiszem bázis collector mérése közbe dióda álláson a mutatot érték 800-ról indult azt beesett 690 köré na ezt a többi nem csinálta az egybő jó értéket mutatott.
(#) reloop válasza tomi1990120 hozzászólására (») Jún 13, 2025 /
 
Becsülöm a kitartásod. Nagy kellemetlenségtől kímélted magad azzal, hogy nem ültetted be idő előtt a végtranzisztorokat. Itt kellett volna kiderüljön, hogy az R6002 és/vagy az R6012-őn a vártnál jóval nagyobb a feszültség.
(#) tomi1990120 válasza reloop hozzászólására (») Jún 13, 2025 /
 
Neked is köszönöm a kitartó segítségedet remélem működni is fog már beültettem a végeket épp rakom össze csavarozok stb.Indításkor tekerjem minimumra a nyugalmit vagy maradjon 490?
(#) reloop válasza tomi1990120 hozzászólására (») Jún 13, 2025 / 1
 
Jó a 490 mV induló értéknek.
(#) tomi1990120 válasza reloop hozzászólására (») Jún 13, 2025 /
 
100w izzóval indítanám de indításkor világít az izzó azt kikapcsol az erősítő,próbáljam meg nélküle?
(#) CHZ válasza tomi1990120 hozzászólására (») Jún 13, 2025 /
 
Power rele erintkezoit at kell kotni izzos inditashoz. Egyebkent kattog, ujrainditgat….
(#) tomi1990120 válasza CHZ hozzászólására (») Jún 13, 2025 /
 
De az izzó szerintem teljes erővel világít
(#) CHZ válasza tomi1990120 hozzászólására (») Jún 13, 2025 /
 
Ha kicsi a teljesitmenye, nagyob W izzo csak parazslik.60W kb jo bekapcsolva teljes feny, maj parazslik ha ok minden. Ha a rele nincs atkotve akkor marad a nagy fenye, mivel mindig ujra indul nem tudja az elkoat feltolteni.
A hozzászólás módosítva: Jún 13, 2025
(#) tomi1990120 válasza CHZ hozzászólására (») Jún 13, 2025 /
 
100w-al próbáltam
(#) CHZ válasza tomi1990120 hozzászólására (») Jún 13, 2025 /
 
Rele erintkezoje at volt kotve?
(#) tomi1990120 válasza CHZ hozzászólására (») Jún 13, 2025 /
 
Nem nem volt.Melyiket kéne átkötni a 220v-t?
(#) reloop válasza tomi1990120 hozzászólására (») Jún 13, 2025 /
 
Erről már tettem említést, ha jól emlékszem. Akkora a készülék alap-áramfelvétele, hogy legalább 250 W-os izzó kell a működére bírásához, ez viszont a védelem funkciót erősen korlátozottan látja el. Ha nincs alkalmas labortápod, kénytelen vagy kockáztatni.
(#) tomi1990120 válasza reloop hozzászólására (») Jún 13, 2025 /
 
Akkor vagy lesz csatt vagy nem lesz .Mivel labortápom nincsen.
(#) CHZ válasza tomi1990120 hozzászólására (») Jún 13, 2025 /
 
Igen azt, standby modot kapcsol. Ha atlotod a 100W izzo meg ok es ved is valamit, de en 60w ossal kezdenem. Atkotott relevel csokken az aram, mivel nem indulgat ujra, feltudja tolteni az elkokat es beall kis aram
A hozzászólás módosítva: Jún 13, 2025
(#) tomi1990120 válasza tomi1990120 hozzászólására (») Jún 13, 2025 /
 
Annyi történt,hogy semmi nem történt kb ugyanaz mind izzóval kattan és kikapcs.
(#) CHZ válasza tomi1990120 hozzászólására (») Jún 13, 2025 /
 
Melyik rele kattan? Power rele atkotesevel a vegfok tapok izzoval is merhetoek, csak lenyegesen kisebb lesz a feszultseg, Igy merheto a vegfok kimenetek DC szintje, ami lenyeges .
A hozzászólás módosítva: Jún 13, 2025
Következő: »»   2555 / 2576
Bejelentkezés

Belépés

Hirdetés
XDT.hu
Az oldalon sütiket használunk a helyes működéshez. Bővebb információt az adatvédelmi szabályzatban olvashatsz. Megértettem