| Fórum témák 
 
 » Több friss téma | Fórum » Autós erősítős kérdések, problémák 
			Témaindító: Thomas10100, idő: Dec 28, 2005		 
			Témakörök:
			
		 
				A BC212 lábait áthajtogattad az elvárt lábkiosztásúra?						 
				Igen at,viszont nem ellenoriztem,hogy ep-e a tranzisztor.						 
 
				Az 1 amper teljesen korrekt, viszont nekem a ez a kúszás  mint feszültségben, mint áramban, nem tetszik! Ennek meg kellene tudni az okát!						 
 
				Hetvegen folytatom!						 
				Sziasztok. Talaltam A1015-ot itthon,kicsereltem a BC212-t es indult az erosito! Aramfelvetele 1A,tapfeszultseg +-33.3V-ra all be. Koszonom mindenkinek a segitseget! Hifonics EuropaSziasztok.Hifonics Europa VII erősítőben szeretném rendbe rakni ezt a "kuplerájt". Nem tudom milyen indíttatásból lett átalakítva de működőképes az erősítő. R103-303:1.5k értékűek viszont az R402-390k az R202-470k..e-kettőnek feltételezem egyforma értékűnek kell lennie. TL074-es IC ellenállásai a bemeneti RCA csatlakozónál. Eredeti értékeket nem tudok sajnos,service manual-t sem találtam. https://kepkuldes.com/image/t6ryprg https://kepkuldes.com/image/t6ry5i7 https://kepkuldes.com/image/t6ryFNQ A hozzászólás módosítva: Jan 23, 2025 Titan TA-X102 300W hibaSziasztok!A képen látható erősítőben elfüstölt 3db IRFZ46N fet. Elég ezt a hármat cserélnem vagy még kondit vagy egyebet is érdemes vele cserélni? A hozzászólás módosítva: Jan 29, 2025 Moderátor által szerkesztve 
				Így elsőre az azért függ attól, hogy mit csinálnak a kérdéses alkatrészek és hogyan (mitől) pusztultak el.						 
				Szia!  Mérd ki átellenben a diódákat és az erősítő végtranzisztorait. A javítás úgy szép, ha leválasztod az átkötések kiforrasztásával az erősítőt. Megnézed a 494 IC kimenetén a négyszögjeleket és teszterre kötve a trafót, az drótként vagy induktivitásként viselkedik? Ha megkerül a ±20-30 V-os táp, akkor visszakötheted az erősítőt. Míg tart a javítás csak 2 A áramkorláton, vagy 21 W 12 V izzón keresztül tápláld! Míg terheletlenül 2 A-nél többet vesz fel, addig sajnos hibás a készülék. A penelről a kormot le kell szedned, mert vezetőképes. Nekem erre a nitro-hígító vált be. 
				Valószínűleg a 4-es kondi csoport melletti két dupla átkötés lesz az a kondikhoz képest egy és három óránál. J19-20-21-22 jumperek talán? Nem találtál zárlatos félvezetőt? 
				Nem találtam máshol zárlatot. Kicseréltem a feteket és szkóppal meg is lettek a 15V 39Khz négyszögjelek. Megy az erősítő rendesen. Köszi szépen. Középen a kettő 3W-os ellenállás viszont 77°C-ra melegszik. 
				A 3 W-os ellenállások valószínűleg a Zener diódák előtétei. A 70-80°C ugyan még elfogadható, de nem az örök élet titka. A helyzeten 5 W ellenállással tudsz javítani. 
				Az ellenállás értéke megegyezik a NYÁK felirattal?						 Ceeroy 150Sziasztok! Egy kis erősítőt kötöttem ki, ami addig jó volt, amíg én hülye vissza nem kötöttem fordított polaritással. Azóta majdnem úgy működik, mint előtte, viszont két perc alatt tojást lehet sütni a hűtőbordán kis hangerő mellett. A tápfeszültség leesik 6-7 volt közé. Szétbontva hibás alkatrészt nem találtam. De lehet feszültség alatt jön ki valaminek a baja. Valaki tudna segíteni melyik alkatrész szívat?Köszönöm! 
				Szia! A Q24 tranzisztor feletti ellenállás égettnek néz ki. Az nem jelent jót a hozzá kapcsolódó MOSFET számára, ha jól látom Q26 a pozíciószáma. A tápban a 494 PWM vezérlő és a 393 komparátor IC-k megszenvedhették a fordított polaritást. 
				Az az ellenállás valóban égett, de az értéke megvan. De ki fogom cserélni. A mosfeteket érdemes kicserélnem? Én is azokra az ick-re gondoltam, de nem vagyok szakértő. Ami még feltűnt hogy a tekercs alatti egyenirányítók annyira felmelegedtek, hogy még az ónt is megfolyatta.						 
				Az IRF MOSFET-eket forraszd ki és mérd ki őket. A Gate lábak helyén testhez képest négyszögjelet kell látnod, vagy multiméterrel kb. fél tápot. A 393 bemeneti feszültségei alapján ellenőrizhető a kimenet helyes állapota. Az egyenirányítók normál üzemben is nagyon melegednek teljes terhelésnél. Az ónozásukat futtasd újra! 
				Az égett ellenállat felőli tranyót és diódát is nézd át, azok is szeretnek szakadni, vagy zárlatban menni, de sanszos a 494 hiba, ha nincs a tápjában soros dióda...						 
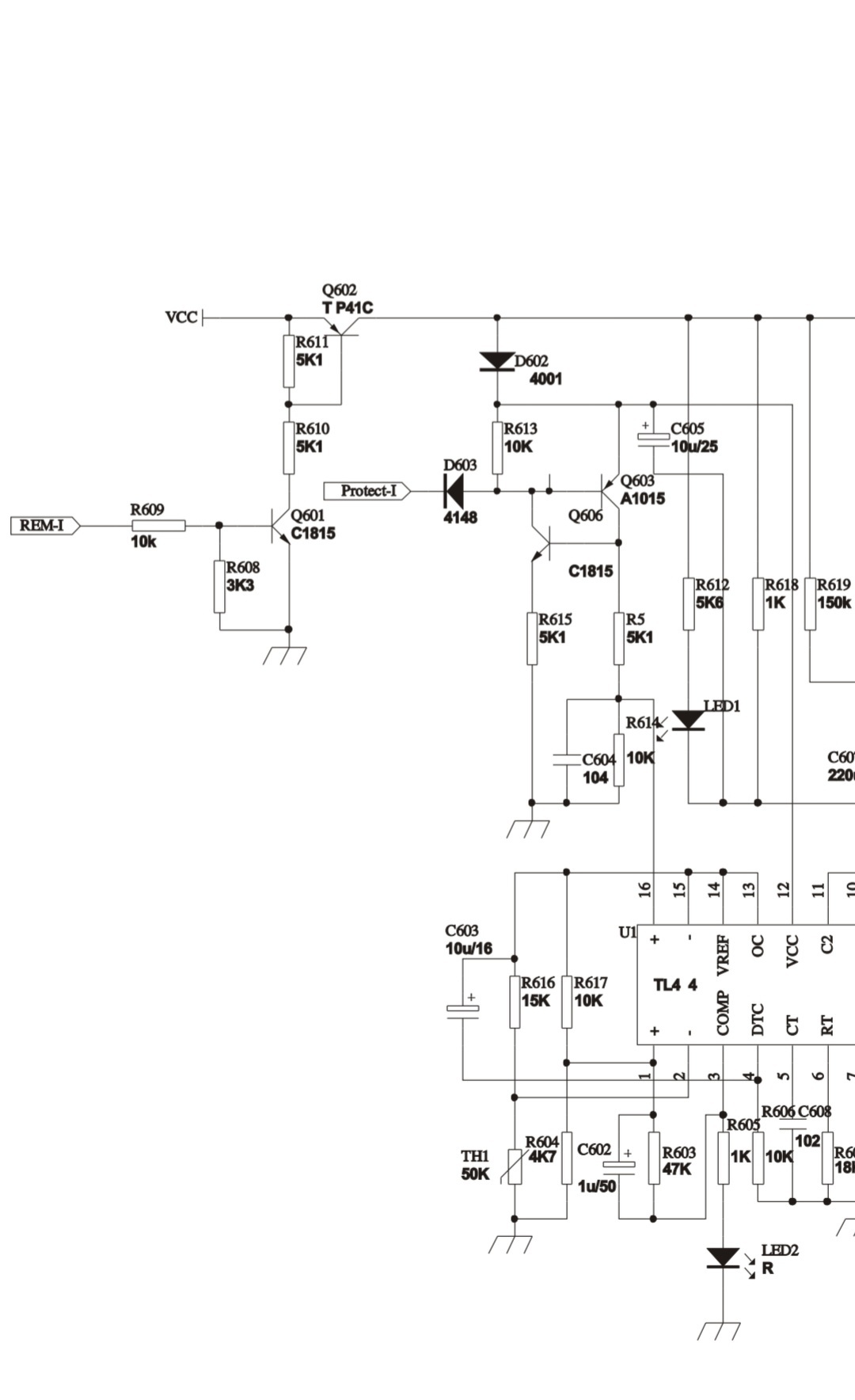
				Köszönöm a segítséget! Kicseréltem a 393 komparátort, és mind a 6 mosfetet. Most már működik, minden ok. Viszont újabb hibás erősítőt kaptam. A típusa: MAC Mp4000. 12 voltot rákötve működik ahogy kell. A probléma az hogy akkor is amikor nem kap a REM feszültséget. Tehát nem kapcsol ki. A Rem bemeneten nincs feszültség amikor a fix 12 voltot rákapcsolom, vagyis nincs összekötve. Pedig hirtelen erre gondoltam hogy valaki direktre kötötte a két bemenetet. Nézegettem a kapcsolási rajzát, de nem egyértelmű, mert a rajzon és a nyákon más jelzések vannak. Próbálom kibogozni, de lehet hogy itt hamarabb megkapom a választ a hibára. Amúgy egyszerűnek tűnne ha ez lenne a szakmám.. ? Jó lenne megértenem hogyan működik ez a kapcsolás, úgy általában, mert gondolom az összes autós erősítőben hasonló kapcsolást használnak. 
				Üdv! A Remote 12 V nyitja Q601-et (az öcsipanelen Q2), Q601 nyitja Q602-t (öcsipanelen Q1). Ha Q602 nyitva, akkor kap tápot a 494-es és már működik is verkli. Remote nélkül feszültséget mérsz az R611 (öcsipanelen R8) ellenállás lábain. Ha nulla, akkor Q602 zárlatos, vagy egyéb okból átvezet a 12 V táp a 494 felé. Ha 0,6-0,7 V, akkor Q601 zárlatos. 
				Üdv! Úgy látszik valaki babrált már a panelon. Az A1015 és c1815-öt valaki kicserélte A1013 és C2383-as párra. Zárlatot ugyan nem mértem, de lehet hogy ez okoz zavart? Ezek cserélhetők BC557, és BC547 párra? Az a bajom, hogy a "szervizkönyvben" nem jól vannak feltüntetve az alkatrészek. A rajzon sem értem miért van TIP410 a Q602-nél..? Az alkatrész listán kettő Q1 van. Mintha nem lenne elég baj hogy alig értek hozzá...   Tehát akkor a Q1 lenne az A1015, Q2 a C1815? 
 Kapcsolási rajzot keresekÜdv !Kapcsolási rajzot keresek , Macrom M2SW.801 aktív autós szubwoofer -hez . Ha van valakinek , az is segítséget jelentene. Rajz híján , bizonytalan vagyok több alkatrész megfelelőjében . 
 
				Üdv! Ha nem kerül rajz, fotózd le a panelt és add meg mely alkatrészekben vagy bizonytalan.						 
 
				Üdv ! Táp fettek cserélve voltak . Ami benne volt most az 78N75 . Nem értem minek ekkora , bár 1 db totál zárlatos . Táp fesz. 33V  Bemeneti biztosíték 10A. Segédtáp:+ - 10 és 12V. Kevésnek találom. Segédtápot előállító tranzisztorok a képen láthatók. 
 
 
				Üdv !A linkelt tranzisztorok jók . Azonos méretű és kivitelűből van több típus is .Ez fettes végfok és SMD-s minden más alkatrész . Erősítő működik , de túl nagynak találom a nyugalmi áramát , felépítése és teljesítményéhez képest . 4 csatornás erősítő bekötéseSziasztok,egy egyszerű kérdésem lenne, egy hifi rendszert építek az autómba. Van egy négycsatornás erősítőm, 1,2 csatornát jobb bal oldalra, a 3-4 est hídba kötve szeretném meghajtani a mélyládát. Ilyenkor a fejegységről a sztereo jelet jelet símán szét kell ágasztatni? Szóval a jobb oldal megy az 1 csatornára, a bal pedig a 2-4 csatornára? előre is köszi 
				Jobb oldal 1 és a 3 csatorna, bal oldal 2es és a 4es.						 | Bejelentkezés Hirdetés | 




















