Fórum témák
» Több friss téma |
"Tehát multiplex szinkronjel kellene a PIC-ből" És azt honnan veszed le? Mer bármakkor is a PWM frekvenciája, az interferálhat a muiltiplex léptetésével. Ha közel van a két freki egymáshoz, "hullámozni" fog a kijelzés.
Ezt az idődiagramot nem tudom Te rajzoltad, vagy a dokumentációból nézted ki? Mert ha jól sejtem nem ez van megoldva az MPX programban. Ugyan is, hogy ne legyen a kijelzők között "áthallás" a vezérlés módjának a következőnek kellene lenni. - Kiteszi a szegmens adatot - Bekapcsolja az anódot - Kikapcsolja az anódot - Kiteszi a következő szegmens adatot. Avagy az anódot nem simán sorba lépteti, hanem minden anód átváltása között van egy szünet. Mivel az 4028 kimenetén a Q0 és a Q7 nincs használva, ekkor a kimenetre, a 0 vagy 7 kódot teszi ki. Vagy is az anódok multiplexálása pld. úgy menne 0-1-0-2-0-3-0-4-0-5-0-6 és elölről. (Vagy ugyan ez, de nem a 0-val, hanem a 7-essel.) Ha a szegmens oldalon van megoldva az "áthallás", az is megoldható. Mert a CD4543, csak a 0..9 számot dekódolja. Ha BCD 10..15-öt adunk ki, sötét marad a digit. Tehát ekkor az anódok léphetnek 1..6-ig sorba, de a szegmens adatok kiadása kötött, kell a 10..15 közüli kódból kitenni valamit, hogy a kijelző az anód váltások között sötét tudjon leni. Tehát szinkronizálni ehhez lehetne az LCD PWM jelét. De ezt a gondot a legésszerűbben a programban lehetne kezelni. (Amit ne tőlem várj!) Remélem érthető a dolog.
Teljesen igazad van, én is úgy tudom, hogy minden digit váltás között legyen egy szünet, mert így nincs átúszás a kijelzők között.
Idézet: „úgy menne 0-1-0-2-0-3-0-4-0-5-0-6 és elölről” Azt, hogy a program így van megírva vagy sem azt nem tudom, de így logikus. Ezt a szinkron jelet én előállítom a 4028-as A,B,C bemenetéből egy három bemenetű vagy kapuval, ez nem probléma. Ha a szünetek itt benne vannak, akkor előállt a szinkronjel. ( ha nincsenek benne, akkor gáz van, mert nem lesz belőle "órajel" csak egy L vagy H szint. Ha jó a szinkron jel, akkor ezt bevezetem a 324-es 9,12 lábára, és az U1b részt kihagyom. Persze hogy mikor, az kérdés, de kipróbálom. Szerintem ez működőképes. - szerinted ?
A programot nem is kell ismerni, egy szkóp kell és meg lehet nézni, hogy a 4028-as Q0 kimenetén van-e minden váltáskor magas jel. Ha van, akkor a szünetekben valóban 0 van. De nem biztos, hogy az ilyen módú szinkronizálás elégséges a megoldáshoz. Egyébként az anódot is lehet kapcsolni a PWM bemenettel, ha a jelet a "D" bemenetére kötöd. Mert ha az magas, akkor nem lehet 1..6 a kimeneti szám.
A hozzászólás módosítva: Nov 12, 2018
Szia!
Hát így néz ki. Az anódok multiplexálása : 1-7-2-7-3-7-4-7-5-7-6-7 és elölről. A 0 nincs használva. Sajnos nem hozta a várt eredményt, nem lett azáltal jobb hogy ezt használom PWM szinkronjelként, így visszatérek a Te eredeti megoldásodhoz, vagyis marad a 324-es oszcillátora. Mindent kipróbáltam, variáltam játszottam az értékekkel, és nem jobb. Megfelelő lesz így is, be lehet állítani. Csak ugye az ember mindig jobbat akar. Nem jött be. Köszi szépen a munkát, üdv janigel
Hello! Az anód PWM vezérlését is meg lehet oldani, csak ismerni kell, az időzítéseket. Vagy is hogy meddig tart egy 7-es jel hossza, és meddig tart egy pld. egy 1-es. Valamint hogy a CDS milyen értékénél induljon a szabályozás és mekkora az értéke "sötétben". Vagy is ahol véget ér a leszabályozás. A 7-est kell kikapuzni, és beavatkozni a 4028 D bemenetével lehet.
Ez mind igaz amit leírsz, de már a nyákot kell terveznem, és ezekhez már szkóp is kellene.
Eddig még megvoltam a PIC-es frekimérőmmel és kézi műszerrel. Dugdosós panelokon próbáltam eddig, és már szét is szedtem. Ebbe már újra nem megyek bele. Köszi, sokat segítettél. János
Azt azért hozzáteszem, hogy próbáltam a 7-essel szinkronizálni.
A dekóder Q7 4-es lábán ott van a kész szinkronjel. A=1 B=1 C=1 esetén minden digitváltás között kiadja a LOG "H" szintű inpulzust, még kapuzni sem kellett. Itt a freki 460 Hz körüli. A használt kimeneteken 76 Hz körül mértem, ami logikus. Mégse vált be. Na, - mostmár aludni kell. Szia
Hello!
Ha megméred a Q7 kitöltését, akkor abból már ki lehet számolni a 7-es és a számok idejét. De ha nem tudsz kitöltést nézni, akkor is, ha DC-ben mérsz. Mert az átlagérték és az 5V viszonya tudatni fogja az impulzusidő és a periódusidő arányát. Mert a periódus, a 460Hz-ből láthatóan, hogy 2,17ms.
Szia Hp41C !
Sikerült jól beállítani a távirányító kódokat a nagy LED kijelzős DCF órához. A távirányító URC-1 a cím 0AH a kód 0803. Idáig ez rendben, működik is. A PDF fájlban a bekeretezett billentyűket nem használom. Viszont az óra ezekre is reagál - ( amit nem kéne, mert félrenyomásnál elállít valamit). Lehet-e a programban ezeket a kódokat kitiltani ? Az eredeti program a Nixie628_2.57_PCF8583_NoRGB.HEX fájl. Ha tudsz segíts. Köszi janigel
A cikk óta a program jelentősen fejlődött, több parancsa lett. Ebben a verzióban a parancsok táblázata az EEProm memória 0x40 címétől egészen a 0x60 címig tart. A 0x60 címen van a lezáró 0x80, ami nem parancs, hanem csak a táblázat végét jelzi.
Ezen a 32 címen egyedieknek kell lenniük a kódoknak. Az átkódoltban a cikk szerinti 0x40 .. 0x54 címek közötti területet módosítottad. Sajnos így a 0x05, 0x06, 0x07, 0x08 0x09 kódok kétszer szerepelnek.
Ezek szerint 0x54 - 0x5F -ig fel kell tölteni egy olyan kóddal, amit a távirányító nem képes kiadni ?
És ha igen, mi legyen az a kód ? Lehet bármilyen, pl. FF ? A hozzászólás módosítva: Nov 20, 2018
Így jó lesz ?
Mert pillanatnyilag nem tudom kipróbálni. A hozzászólás módosítva: Nov 20, 2018
Az össze kódnak eltérőnek kell lennie. a 0x54 -től kezdődő 12 db 0xFF helyett írd be a következőket:
A hozzászólás módosítva: Nov 21, 2018
Ezt így már értem.
Köszi. Ezek a kódhelyek ebben az órában milyen funkciót látnak el ? Mert én csak a Mule-2 leírását találtam, és ebből indultam ki. Bővebben: Link Mule-2-ről még egy videó is van itt. Ahogy írod is, ez viszont már egy bővített verzió, (amit láttam is a menüjében) de nem tudom hogy a többszöri gombnyomásra mik jelennek meg a kijelzőn, és miket lehet állítani. Ennek a leírását nem találom.
Kipróbáltam ezt : 0xFF 0xFE 0xFD 0xFC 0xFB 0xFA 0xF9 0xF8 0xF7 0xF6 0xF5 0xF4
Nem hozott eredményt, a kijelző továbbra is reagál a nem használt kódokra. Méghozzá így.
A 9. Menu az óra IR kód kijelző menüje. Itt kijelzi a vett kódokat és a toggle értékét ha egymásután ugyanazt a gombot nyomogatod. Ha a kijelzett kód szerepelne az eepromban, akkor a hozzá tartozó parancsot az óra azonnal végrehajtaná, kiugrana a 9. Menüből. Én ugy szoktam az eepromot új távirányítóhoz beállítani, hogy törlöm az összes parancs távi kódját az eepromból, a 9. Menüben felírom a kódokat, milyen gombra mit lát az óra. Aztán beírom az eepromba az értékeket. A nixis dcf topikban ott van az újabb mule változatok leírása és a távi használatának magyarázata excel táblával stb. esetleg nézd meg.(az óra decimálisan irja ki a vett kódot +127 a toggle bit, az eepromba hexában kell beírni)
A hozzászólás módosítva: Nov 21, 2018
Eddig rendben is lenne, hiszen
0x47 megfelel decimális 77 -nek, 0x77 megfelel decimális 119 -nek, 0x0D megfelel decimális 13 -nak, 0x21 megfelel decimális 33 -nak és 0x11 megfelel decimális 17 -nek. Egyenlőre nem tiszta, hol és miért reagál ezekre a kódokra. Ha csak ebben a menüben, akkor teljesíti a feladatát, megjeleníti az RC5 távirányító által küldött kódot. A hozzászólás módosítva: Nov 21, 2018
Oké, mindent értek.
Köszi neked is a magyarázatot. Viszont keresgéltem sokat a leírást stb. amit említettél, de nem találtam. Ebben segítenél ?
Akkor minden rendben, mert csak megjelenít és nem változtat semmit.
Ebben a menüben ez a feladata. Már értem.
Itt volt róla szó pl. , a menük leírását hp41c a hexeket tartalmazó zip álományokban mellékelte (olyan txt mint, amit most is küldött neked az előbb)
Köszi szépen.
Visszatértem a Mule-2-höz Minden jól működik.
Szia proli007 !
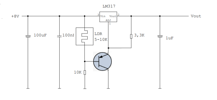
Ezt a kapcsolást kipróbáltam, nagyszerűen működik. Az LDR a fény hatására csökkenti a feszültséget lineárisan. Nekem viszont fordítva kellene hogy működjön, vagyis fény hatására nőni kellene a feszültségnek. Ezzel lehetne jól megoldani a fényerő szabályozást az órában. A PWM szabályozás nem igazán jön be. Mit lehet tenni ?
Hello! Pld. valahogy így.
Szia !
Nem bírtam kivárni a holnapot. Kipróbáltam, működik tökéletesen. Ez már a végleges, beállítottam jól szabályoz. Szuper vagy, köszi szépen, Te mindent megoldasz. Jó hogy vagy nekünk. ![]() Üdv janigel
Szia!
Bemeneti feszültség fügvényében változik valamit a kapcsolás? 15V-os bemenetet szeretnék.
Hello! Természetesen változik, mert a bemeneti feszültségből osztjuk le a moduláló feszültséget.
Ha ugyan azt a kimeneti feszültségtartományt szeretnéd elérni mint 8V-nál, akkor az LDR számára stabilizálni kell a feszültséget egy 2k2-vel és egy BZX55C8V2 zénerrel.
Nekem 12-15V-os tartományban kellene. El tudnád magyarázni, hogyan számolod ki a szükséges összetevőket?
El tudom magyarázni, csak épp nem tudom mi lenne a működési igény. Mert a kérés abból indult ki hogy Janigel azt mondta, hogy neki ez a kapcsolás amit feltett megfelelő, csak fordítva szeretné, hogy működjön. Tehát ha nő az LDR ellenállása (sötétedik), akkor az eredeti növeli a kimeneti feszültséget, Ő pedig azt szerette volna hogy csökkenjen. Én meg megfordítottam.
De hogy mihez kell, hogy változik nála az ellenállás én arról nem tudtam semmit, csak a rajz alapján vettem figyelembe az 5k-10k értékváltozást. A valóságban az LDR sokkal nagyobb tartományban változik, típustól és a megvilágítás mértékétől függően. Ez pedig azt jelenti, hogy számít hogy mit teszel bele, hol helyezed el az érzékelőt (hogy ott milyen tartományban változik az ellenállása a fényre) és nem utolsó sorban, hogy az ellenállás változásra milyen feszültségváltozás a kívánt cél.
Szia!
Nekem is az kellene, hogy ha nő az LDR ellenállása, csökkenjen a kimeneti feszültség. Az LDR-nek én is 10K gondoltam. fényre ha csökken az ellenállása, olyan 5k körül már lehet max a kimeneti feszültség. Az LDR-t majd beállítom a fényviszonyoknak megfelelően. Alapból maradjunk a 15V bemenetnél, az LDR 5k-10k, és a kimenet 12-15V. Előre is köszi |
Bejelentkezés
Hirdetés |














