Fórum témák
» Több friss téma |
Értem mire célzol, természetesen a tiszta "B" osztályban a keresztezési po tón és környékén megemelkedik a kimeneti ellenállás. A szerző éppen ezt próbálta megragadni, mivel ilyenkor tud a kimeneti jelez hozzáadni. Hogy ez mennyire hatásos, az kérdéses. Egy szimulációt azért megér.
Idézet: „Te amúgy szívbaj nélkül csinálsz tized százalék alatti torzítású erősítőt, azaz 10A csúcsáramnál 10 mA javító áram elég.” De ennek a 10mA hibaáramnak a terhelésen kell átfolynia, azaz ott kell kioltani a torzítást. Ha terhelés 8R, a kimeneti ellenállás 0.1R, akkor 81-szeres áramnak kell folynia a hibajavító áramkörön: tehát 810 mA-nek.
Tegnap mással szórakoztam. Edison az 500. sikertelen izzólámpa kísérlete után azt mondta, hogy most felfedezett 500-féle módszert arra ahogy nem lehet izzólámpát készíteni. Valami hasonlókkal próbálkozom (mert ráérek). De jó ez arra, hogy ne fussunk felesleges köröket a jobbnál is jobb hibajavítók újra feltalálásával.
Az egyik módszer amikor fogunk egy kis torzítású "A" osztály végfokot és azzal próbáljuk kinullázni a nagyáramú végfok hibáit. Ilyen pl. a Sandman (Technics Class AA). Igaz, hogy ott Wheatstone-híd van. De ezt a kis torzítást meg lehet közelíteni híd nélkül is. Arra gondoltam, hogy legyen két azonos kapcsolástechnikájú végfok. Az egyik szolgáltatja a kimenő áram 90-95%-át... a másik ekkor 10-20-szoros terhelést "lát" a kimenetén, amire nagyon kis torzítással tud rádolgozni. Előre látható, ha "fő végfoknak" keresztezési torzítása van, akkor ez a végfok dúskál a magas fokszámú páratlan harmonikusokban. De látni szerettem volna mekkora munkát kell elvégeznie a hibajavító erősítőnek. Nem akartam túlbonyolítani a dolgot, úgy is itt van ez a kis aloha, fogtam és megdupláztam: "rajz" Nem kell látni a kapcsolást, mert mindegy milyen. A "fő erősítő"-nek kicsit megnöveltem a zárthurkú erősítését, hogy a kimenetével soros ellenálláson kompenzálja a feszültségesést. Úgy állítottam be, hogy a "hibajavító erősítő" kimenetén a lehető legkisebb áram folyjon, tehát még "A" osztályban maradjon. Most mutatok háromféle torzítást: - torzítás: a "fő erősítő" torzítása. (Simám kiiktatom az alsó erősítőt és mérem a felsőt, az alohát). Nem kell százalékot számolni. A Nocht szűrő kimenetén 1,1 mVpp van. - torzítás terheletlenül: ez 0,283 mV. (De ha nulla lenne, a végeredmény akkor sem változna jelentősen.) - kimeneti áramok: ez az az arány aminél kisebb áram nem tud folyni a "hibajavító" erősítőn, mert ennek fázisa 90 fokot siet. - hibajavítás: most megnézzük mit csináltunk, azaz most mit mutat a Nocht szűrő. 0,456 mVpp van a kimenetén és iszonyatos kriksz-kraszk. A hibajavítás próbálja eltüntetni a keresztezési torzítást. Persze ehhez a hibajel felharmonikusait kell(-ene) eltüntetnie. A torzítás nagyjából 7 dB-lel csökkent. És két végfokot kellett ehhez "csinálni". Tehát iszonyatos gyors és iszonyatosan kis torzítású hibajavító erősítő kell ahhoz, hogy hibát eltüntesse. Egy ideális erősítő. Amink nincs. - Fouerier hibajav: Azért nézzük meg a spektrumképét is annak amit a Nocht kimenetén látunk. A vékonyabb sárga vonalak a "fő erősítő" felharmonikusai. Mivel az "A" osztályú végfok ellene dolgozik a fő erősítőnek, annak is megnő a torzítása 1-2 dB-lel az alapesethez képest. Tehát két bármilyen/bármekkora bonyolultságú végfokot csinálni nem érdemes szerintem - a torzítás csökkentésének reményében - mert nem biztos, hogy hallható javulás lesz a végeredmény. Viszont könnyű így még rosszabb hangot csinálni az eredetinél (az alapkapcsolásnál). Szerény véleményem szerint.
Azért biztosra akartam menni és ma még szórakoztam valamennyit ezzel a kapcsolással.
Azonos fázisba hoztam a két végfok kimeneti jelét, így a hibaáram a fő végfok áramának ötvened részére csökkent. Ezen a hibaáramon jól látszik, hogy a keresztezési torzítást adja hozzá a kimeneti jelhez ellenfázisban. És most nézzük meg mennyivel csökkent a torzítás a Nocht szűrő kimenetén. 456,26 uV-ról 434,49 uV-ra. Gyakorlatilag semennyit... vagyis keveset. Idézet: „Tehát iszonyatos gyors és iszonyatosan kis torzítású hibajavító erősítő kell ahhoz, hogy hibát eltüntesse. Egy ideális erősítő. Amink nincs.” Na ja....és az általában használt global NFB elve hogyan is működik? ![]() TJ.
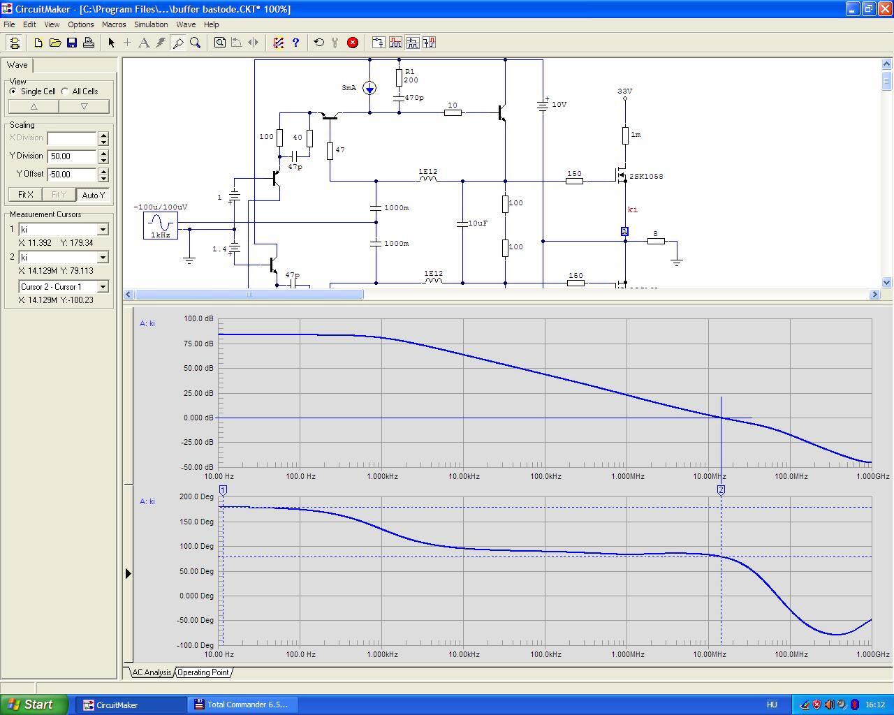
Ismét a buffer.
Tudok olyat szimulálni, mint amit Douglas Self mért: a keresztezési torzítás változását a nyugalmi áram függvényében. Ez csak mint érdekesség, de még jó lehet valamire. Ennél érdekesebb amit játszás közben észrevettem. Ha leterhelem rezisztíven a fetgörbítőt R16-tal nyilvánvaló. hogy változik (csökken) a hurokerősítés és ezzel együtt magasabb frekvenciák felé mozdul a domináns pólus. Ez eddig rendben van, senkit nem ért váratlanul. De! Miközben a hurokerősítés 70dB-ről 34dB-re csökken, a keresztezési torzítás mit sem változik. Ez normális? Igen. Mert már írtam, hogy a torzítás a jelkésleltetés függvénye. Nem árt ezeket a dolgokat megjegyezni.
Nálam most nincs globális visszacsatolás. Vagy mi a kérdés?
Továbbra is buffer. Igazolódni látszik az elméletem, de még más kapcsolásokat szimulálni fogok ellenőrzésképpen. Abban az ötször egymás utáni hsz sorozatomban azt állítottam, hogy a torzítás csökkentésében nagyobb szerepe van a sebességnek (a késleltetésnek), mint a visszacsatolási tényezőnek.
Most fogom ugyanazt a buffert és nem csinálok vele mást, csak úgy kompenzálom, hogy "gyorsabb" legyen. - buffer speed kapcs: mutatom a két kapcsolás közötti különbséget. Kevés alkatrészből áll, nincs sok lehetőség a kompenzálásra... azt a keveset használom ki ami van. Két (pár) RC taggal gyorsítom a meghajtást az emitterkövető és a földel bázisú fokozat között, valamint csökkentem a horokerősítést R16-tal. - buffer speed hurokerősítés: Mutatom mit érek el ezzel. Mindig a piros vonal lesz a kompenzált (felső) erősítő görbéje... és a kompenzált bufferől beszélek - Az egységerősítési frekvencia több mint egy oktávval magasabbra tolódik: 2.9MHz > 7.3MHz - A hurokerősítés 20dB-lel csökken (1kHz-en 18 dB-lel) - A fázistartalék 10 fokkal kevesebb (71/81 fok) - buffer speed Nocht: Ha helyes lenne az a puritán megközelítés, hogy a zárthurkú rendszer torzítása a visszacsatolási tényezővel arányosan csökken a nyílthurkú rendszeréhez képest, ez most megdőlni látszik. A 18dB-lel kisebb hurokerősítés 18 dB-lel nagyobb torzítással járna. De nem ez történik. A torzítás csak 3 dB-lel nőtt. Azonnal szemünkbe ötlik, hogy más jellegű ez a torzítás. Talán ügy jellemezhetjük, hogy "lágyabb". - buffer speed Fourier: De ne jellemezgessük szemmértékkel, hanem nézzük meg a Fourier sort. A 2. harmonikus azonos szinten van. A 3. a kompenzálténak 13 dB-lel nagyobb. Emiatt mutat a Nocht szűrő 3 dB-lel nagyobb jelszintet. Ezután az összes többi harmonikus úgy alakul, hogy kompenzált esetben a páros harmonikusok magasabbak,a páratlanok alacsonyabbak. "Hallom-e a hangját" a két kapcsolásnak? Szerintem az fog lágyabban szólni amelyiknek a páratlan harmonikusai kisebbek, de ebbe ne menjünk bele mert ez "szubjektivitás". - buffer speed futási idő: Nézzük még meg (brahiból) a csoportfutási időket. Ez szoros összefüggésben van az egységerősítési frekvenciával. Nyilván a gyorsabb változatnak kisebb a késleltetése. - buffer speed négyszög: Mint már említettem, a négyszögjel átvitel "benne van a fázistartalékban". Tudjuk, hogy a túllövés mentes négyszögjel átvitelhez 76 fokos fázistartalék kell. (a kompenzálté 71 fok, a kompenzálatlané 81 fok). Tehát nem amiatt kell az egységerősítési frekvenciát a lehető legmagasabbra kitolni mert denevérek vagyunk és halljuk a 200 kHz-et, sem pedig azért mert 500 kHz szeretnénk kisebb THD-t mérni... sem pedig azért mert nagyobb jelemelkedési sebességet akarunk elérni. Az az egyetlen hót egyszerű oka van, hogy a gyorsabb meghajtó fokozat gyorsabban nyitja ki (zárja le) a "végfeteket". Hogy a FET-eknél maradjunk most. A hozzászólás módosítva: Nov 11, 2025
Úgy érzem még egy apró szösszenet hozzá tartozik a legutóbbi hozzászóláshoz.
A hurokerősítés Bode-ján látjuk, hogy kompenzálva a domináns pólus 1.1 kHz-ről 27 kHz-re tolódik fel. De nincs "ingyen ebéd" mert az erősítéstartaléka a gyorsabb buffernek 13 dB-lel kisebb, tehát háklisabb lesz a kapacitív terhelésre, azaz instabilabbá válik. De - az extrém terhelésektől eltekintve - a gyakorlatban nem terhel 1-2 nF-nál nagyobb kapacitás egy végfokot. "Extrém terhelés" alatt olyasmire gondolok például, hogy mondjuk 50m-es a hangszóró vezeték. Ha számszerűsítjük a THD-t a frekvencia függvényében: Kompenzálatlan esetben: 1 kHz-en - 0.003%, 10 kHz-en - 0.03% Kompenzálva: 1 kHz-em - 0.004%. 10 kHz-en - 0.012% Tehát a gyorsabb buffer torzítása 1 kHz-en 2,3 dB-lel nagyobb, 10kHz-en 7,6 dB-lel kisebb.
Ha gyorsabbá akarom tenni a FET meghajtást, muszáj betenni elé egy emitterkövetőt. De így három pólusunk lesz. Elég szerencsétlenül jön ki minden, mert a domináns pólus frekvenciája feljebb tolódik 22 kHz-re. A FET bemeneti kapacitásai adottak, ennek a pólusa 5-10 MHz környékére esik és nem lehet ezzel mit kezdeni. Egy emitterkövető meg gyors (ezért kell bele tulajdonképpen), ez meg felmegy úgy 80 MHz-re. A fázistartalék pont nulla fok lesz, tehát gerjedni fog. ("b törésponti frekvenciák" Bode).
- buff bode: két napja kompenzálom, de még mindig nem az igazi és nem tudom lehet-e (tudok-e) ezen még javítani. A futási idő elég jó lett, 2ns 100kHz-ig. De azt a két csúnya púpot eltüntetni már igazi művészet lenne. Még próbálkozom. - buff négyszög: most nem haszontalan elővenni a négyszögjelet a stabilitásvizsgálathoz. Nyilván ott látható benne az a két "pukli". - buff négyszög meghajtás: csak úgy lehet stabillá tenni a rendszert ha nagyfrekvencián kiiktatom az emitterkövetőt és a földelt bázisú fokozat veszi át a meghajtó áramot. 100 kHz fölött lesznek ennek kellemetlen következményei. Viszont a keresztezési torzítás eltűnik 1kHz-en. A teljesítmény-sávszélesség kb. két oktávval nő. Kérdéses, hogy melyik buffer fog jobban szólni... a stabilabb (másodrendű), vagy a gyorsabb és egy nagyságrenddel kisebb torzítású (harmadrendű)? A hozzászólás módosítva: Nov 14, 2025
Összerajzoltam a VAS-t a bufferrel. Nem nő jelentősen a THD (100kHz-en 0,3%).
Négyszögjel-átvitelnél a VAS szépen "elsimogatja" a buffer túllövését, azaz korlátozza a jelemelkedési sebességet kb. 10V/us-re, de ott vannak a FET meghajtás hibái a kollektor áramokban. Valami jobbat kellene kitalálni ennél...
Én nem tennék be emmitterkövetőket. Inkább az alapkapcsolást variálnám át nagyobb áramúra. Még a 2us oldalmeredekségű négyszöget is átviszi. A THD 0,017-re megy le, 20V kimenetnél.
Miután ez egy buffer, kicsit nehézkes megmondani, hogy melyik a bemenet, melyik a kimenet. Szerintem, ilyenkor a hibajel a generátorfeszből kivonva a kimeneti jelet, persze zárt hurokban. Ezt a jelet kell nézni, természetesen négyszögnél. Ez ad információt a TIM-ről. Ez csak tanács, természetesen nem kell figyelembe venned. A hozzászólás módosítva: Nov 15, 2025
Szerintem kell bele az emitterkövető, mert ettől lesz kicsi a futási ideje és ezzel együtt a torzítása. (Ez legutóbb 0.00018% volt 1kHz-en 18V kimeneti szinten.) Csak hát szinte reménytelen ezt a kapcsolást (ötödik változat) jól kompenzálni. Ezért már kitaláltam egy másik buffert... de még folyamatban van.
Miért lenne nehézkes megmondani melyik a bemenet? Három bemenete van és egy kimenete. Mutatom: Ui.: pontosabban hat bemenete van, mert a két táp és GND is felfogható bemenetként. A hozzászólás módosítva: Nov 15, 2025
Inkább nem vitatkozok veled, semmi értelme. Csak egy javaslat volt.
Azért ha mutatnál valami kapcsolási rajzot is valamivel okosabb lennék, mert ezzel így, hogy "javaslat" nem sokra megyek. Én sem vagyok gondolatolvasó.
Már mutattam, amire azt írtad, hogy nfb, meg buffer, előtte egy akármilyen fokozattal. Ha azt a posztomat elolvastad volna, akkor megértenéd, hogy mit ajánlottam az előbb. De mondom, nincs jelentősége. Máshogy tudjuk a dolgokat. Van ilyen.
A "fetgörbítő" is csak egy egyfokozatú feszültségerősítő. Emitterkövető > földelt bázis. A visszacsatolás felől nézve pedig földelt kollektor > földelt bázis.
Ha kicsit átforgatom benne a tranzisztorokat ugyanúgy megmaradnak ezek a fokozatok, de kevesebb feszültségreferencia kell hozzá és könnyebb (jól) kompenzálni. Nem elhanyagolható szempont, hogy automatikusan beállnak a munkapontok. De még nekem is emésztenem kell kicsit ezt a kapcsolást, hogy mennyire lenne életképes.
Majd meghallgatom ha elkészültél vele.
Ez azt jelenti, hogy ha az Alohában a fetek elé beraknánk egy emitterkövetőt, akkor még ennél is jobb lehetne a hangja?
Feltettem magamnak a költői kérdést: mi az amit látok a képen, de valamiért soha nem akart eljutni a tudatomig? (Találós kérdésként is feltehettem volna, de nem akarok poénkodni vele.) Rávezetem magam a válaszra. Van a végfoknak egy kimenete (a GND-vel együtt kettő) és van a műterhelés. A kettőt vezeték köti össze. 10 cm vezeték induktivitása 100 nH.
20-30 cm hosszú vezetékkel számolhatunk, aminek van kb. 400 nH induktivitása. A hangszóró vezetéknek 5-10-szer ekkora és ennek még valamekkora hullámimpedanciája is van (közelítőleg gyök L/C), de nem tudjuk ez kinél mekkora. De azt a 400 nH-t a továbbiakban kötelező jelleggel bele rajzolom a szimulációkba, mert drasztikusan változik tőle a fázistartalék.
Szabadjára engedem a fantáziámat... bármit kipróbálhatok, ami éppen eszembe jut.
A FET-et azért szeretem mert alig kell a meghajtásához vezérlő teljesítmény. De ezzel a gate kapacitással nagyon meg kell küzdeni. Ha továbbra is megelégszek 20W-tal (és megelégszem ennyivel) akkor a gyakorlatban a legdurvább esetben sem kell +/- 1mA-nél nagyobb gate árammal számolni. Ekkora meghajtó áramhoz szükséges-e ellenütemű (komplementer) meghajtó fokozat? Nem biztos. Nem tudom eldönteni egyelőre. Rajzoltam egy ilyet. Elég kicsi a THD, de még mindig ott van az a fránya keresztezési torzítás. Ha eltűnt volna, akkor mivel szórakoznék tavaszig : ) Tehát elégnek tűnik egy "sima" áramgenerátoros, vagy "utánhúzott" emitterkövető is. Másrészt meg ennek a fokozatnak kicsi a teljesítmény sávszélessége. Hamar elfogy az emitterkövető árama a frekvencia növekedésével. A tapasztalat szerint nem elég jó a hangjuk az ilyen meghajtóknak. De ki tudja. Meg kellene hallgatni. De ehhez meg kell építeni. Feleslegesen meg nem akarok dolgozni, úgyhogy még tovább törpölök majd ezen. Sehogy nem akarnak most egybeesni a Bode-okon az egységerősítési frekvenciák. Vagy rosszul szimulálok valamit, vagy ezek a fokozatok viccelnek meg valami miatt, amit nem veszek észre. Félre is teszem egyelőre ezt a kapcsolást... csak azt szerettem volna megmutatni, hogy talán nem is kell annyira elbonyolítani a buffer meghajtó fokozatát. De valami jobbat kell kitalálni. Idézet: „Ez ad információt a TIM-ről.” A világért sem akarok vitatkozni semmin - és nem is fogok - csak mutatom a tényeket. Ha kimeneti jelet kivonom a bemenetiből akkor nem torzítást látom, hanem azt az árammal arányos feszültséget az összegzőponton, ami lényegében a gate árammal arányos, pluszban még hozzáadódik ehhez az emitterkövető bázisárama (ami elhanyagolható ezen a frekvencián). Négyszögjeles meghajtásnál ugyanez a helyzet. Az emitterkövető árama pontosan a gate áramok összege. Ha megnézem a négyszögjel átvitelt (a kimeneti jel a kék, a bemeneti jel a zöld) és kivonom a kimeneti jelet a bemenetiből (piros) akkor az összegzőponton azt a feszültséget látom ami arányos - a gate árammal - arányos a kompenzáló tagon (C4-en) átfolyó árammal - plusz az emitterkövető bázis áramával. A négyszögjelnek annyira magas a felharmonikus tartalma, hogy ezek a frekvenciák az egységerősítési frekvencia fölötti tartományba esnek. Az egységerősítési frekvencia fölött nincs visszacsatolási tényező. A fokozatok nyílthurokban erősítenek. A sleew rate gm/Ct*Au. A gm=Q1+Q2 meredeksége, a Ct=C4+a gate kapacitások, Au az erősítés.
Remek. Csak én nem erről beszéltem.
A hozzászólás módosítva: Nov 18, 2025
Idézet: „A tapasztalat szerint nem elég jó a hangjuk az ilyen meghajtóknak. De ki tudja. Meg kellene hallgatni.” Tudom, hogy nem szívesen látsz a témádban!? Csak segítségül, hátha megerősíthetlek annak ellenére, hogy az elvekhez gyurivagyok. Szóval, régebben a KT VF2-jét azért építettem át VF4-re, mert a VF3 után lélektelennek éreztem a VF2 hangját a tranzisztoros meghajtó miatt. Mert ugye az egész munkálkodás lényege az új bringa érzékelhető hangja lenne feltételezhetőleg... Sikeres továbbiakat! A hozzászólás módosítva: Nov 18, 2025
Nem értem mi ebben a lényeg. Én csak az akkumulátorokat szeretném kispórolni az új kapcsolásból. Arra megy ki a játék, hogy akkuk nélkül legyen olyan jó hangja az új kapcsolásnak, mint a mostaninak van. Minden más marad a régiben, csak éppen az akku-mentesítéshez egy teljesen másmilyen kapcsolást kell kitalálni.
Csak is az általad említett, tranzisztoros meghajtó a FET végfok előttre, annak hangjáról írtam, amit.
A hozzászólás módosítva: Nov 18, 2025
Leszimuláltam Mzperx "B" osztályú végfokát. Három pólusú kompenzáció. Elég tanulságos.
Nem pontosan olyan a Bode mint nála - a tranzisztorok típusa miatt - de hasonlít. 100 dB a hurokerősítés, 10kHz-re van kitolva a domináns pólus - innen 24dB/oktáv meredekséggel esik - és 1.4 MHz-en éri el az egységerősítési frekvenciát. A fázistartalék 84 fok. Mérve, nagyon sok nulla van a tizedes vessző után. Minden információ megtalálható róla a diyAudio-n.
Valami ilyesmire vágyom, de még ennél is sokkal jobbra... de ez már majdnem tetszik. Persze még messze van a vége, de lehet, hogy ez a bastode lesz mégis. Nem tudom.... még feljebb kellene tolni a domináns pólust és lejjebb vinni az egységerősítési frekvenciát.
A "hogyan tegyünk be három mozdulattal egy elefántot a hűtőbe" tipikus esete. Az 5 éves gyerek tudja, a felnőtt nem, mert túl bonyolultan gondolkozik. Mindig ez történik velem. Nem tudok egyszerűen gondolkodni. Mikor már készen van a 12 tranzisztoros fetmeghajtós buffer, nyolcpólusú kompenzációval, felteszem magamnak a kérdést: hogyan hajtsuk meg két lépésben JÓL a fetet. Hát a francba... fetgörbítő > emitterkövető. Itt van az orrom előtt már mióta. Ezzel készen is van a buffer, a VAS meg már majdnem. Ez az alapkapcsolás. Ezt már csak elrontani lehet. Persze még rengeteg mindent ki kell dolgozni.
- A THD 1 kHz-en 0.0002% és nincs keresztezési torzítás. Arra az "U" betűre gondolok. - 10 kHz-en 0.001% és látszik, hogy a VAS-t terheli be a buffer, emiatt van. - a buffer futási ideje... gyakorlatilag nincs késleltetése - buffer nyílthurkú erősítés... másodfokú rendszer előrecsatolással. Nem tud gerjedni, mert a fázistolás (eméletileg) soha nem éri el a -180 fokot. - Kapacitív terhelésre is stabil marad, a fázistartalék nem változik... (most még gyengécske az 45 fok...)
Ezt a kapcsolást gyorsan el kell felejteni. Mutatom.
Ha például R5-nek 1% a szórása, 6.4 VDC lesz a kimeneten (az egyéb más szórásokkal nem is érdemes tovább foglalkozni). DC szervót a csatolókondi miatt (C1, C2) nem lehet használni mert be garantáltan fog lengeni a kimenet. Tehát visszatérek a differenciál erősítős bemeneti fokozathoz és a DC csatoláshoz. |
Bejelentkezés
Hirdetés |












































































