Fórum témák
» Több friss téma |
Fórum » Labortápegység készítése
Hello!
Semmi szimuláció, csak józan paraszti ész: A) IC leszabályoz, kimenete a nullához közelít. A tranyó BE lavina után, az aksiból, a BE szakaszon át, a maximális (IC áramkorlát által meghatározott) áram folyik. (nincs bázis ellenállás) Bázis-kollektor dióda zárva. B) Nagyon nem mindegy, hogy történik. - Aksi rajta, tápfesz elmegy. Kondiban el kezd csökkenni a feszültség, addig a pontig, míg a BE belavinázik. (Ha IC beállított feszültsége nem kisebb mint az aksi, akkor IC kimenete a tápfelé törekszik.) A bázis-kollektor dióda szép lassan kinyit, és nem engedi a kondit tovább kisülni, a bázisban az áramkörök fogyasztásával meghatározott áram folyik. Ezt valószinűleg bírja. - A táp ki van kapcsolva, puffer kisütve, az aksit a táp kimenetére teszed. Az áram ugyan úgy fog folyni, mint előző esetben, csak a kisült kondi miatt nem korlátozza semmi. Ettől elvileg meggunnyad. De mivel egy tranyó nem egészen két dióda, csak moddellezni szoktuk így, fordított C-E bekötés esetén is szokott működni, itt meg pont ez van, így nem megy tönkre. Példa rá, a Köbzoli tápja, ahol bika ruszki tranyók vannak benne. (még a rugdosást is kibírja, szédületesen túl vannak méretezve) A többi állapotban szerintem úgy van, ahogy feltételezed. Az IC adatlapon a maximális adatokat nézed. De elfelejted, hogy a bememeti feszültség gyakorlatilag alig lehet több, mint a tápfesz. Az meg kisütött pufferkondi esetén nem 32V, hanem nulla! (Ezen a destruktívon én is jót mulattam. Ez olyan mint a magyarban, az "ártani nem használ" kifejezés. Azaz, ha az időjárás olyan marad mint volt, akkor "nem változik") Egyébiránt Freddi-vel értek egyet, a táp nem aksitöltő. Egyszerűen nem azonosak a követelmények benne, még ha áramkörileg hasonló is. (Gondljunk csak arra, hogy a töltés végén az aksit általában le kell venni a tápról, és nem maradhat a töltés végfeszültsége rajta...) Szóval cipőt, a cipőboltban. Abban egyetértek, hogy minden szélsőséges helyztet meg kell vizsgálni. De szerintem a szimulátor nincs mindenre kiképezve. Azaz havária helyzetre nem jó a modell ami benne van. Sokszor a gyakolat és a használat során merül fel valami probléma, amire keressük a kérdést. üdv! proli007
Szia Proli007, köszönöm a választ!
Azt hiszem a végére értünk: B/2 esetből B/1-et lehet csinálni, ha van az áteresztő tranyón visszacsapó dióda. Hiszen akkor az akku rögtön feltölti a tápegység pufferjét. Ezzel az IC bemenetek is védve vannak, mert az IC így kap tápfeszt, méghozzá nem sokkal kisebb feszültésgűt, mint ami a bemenetére fog jutni. (Sajnos ezt sem tudtam, hogy a bemenetre kapcsolt fesz nem lehet nagyobb az IC tápfesznél.) B/1 esetet azt mondtad, túléli, probléma kilőve. Akkor marad az "A" eset, ott pedig minden azon múlik, hogy az IC kimenete mit bír ki. Nos, ha az eredeti, hármas* darlington kapcsolást nézzük, akkor ott van egy 3,9K-s bázisellenállás, ami még harminc voltos akku esetén is 10ma alá korlátozza az áramot. IC kimenet is megmenekült. Ha nem tévedek, akkor minden problémát megold a visszacsapó dióda beépítése. És ezek szerint melegen ajánlott a beépítése. *Zárójeles megjegyzés: Ha nem akarok hármas darlington használni, csinálok negatív tápot -> az árammérő IC a feszszabályzó bemenetét húzza le -> nincs vagy kicsi a bázisellenállás akkor meg bevethető még az Rx-el soros dióda ötlet is kombinálva a visszacsapódiódával. Ehhez félve mellékelek egy rajzot, remélem nem fatális hülyeség. (Ezzel akku fel tudja tölteni a tápegység pufferjét, de az áteresztőtranyókat nem tudja lavinába vinni, így IC/b kimenetet nem tudja felhúzni. Remélem a rajzom nem fatális hülyeség.) A szimulációval a normál működést vizsgáltam. Kíváncsi voltam, hogyan alakulnak a bázisáramok meg a BE (nyitó irányú) feszültségek a darlington részben, Az IC/b kimenetérből a bázisellenálásra eső feszültség különböző bázisellenállásokkal és az áramkorlát működésekor. A lavinahatást az ISIS nem is szimulálja, ha akarnám sem. Ja leesett, miért nevettek a "nem destruktív"-on. Offtopic, utoljára: "Gondljunk csak arra, hogy a töltés végén az aksit általában le kell venni a tápról, és nem maradhat a töltés végfeszültsége rajta..." NiMh akkut kapacitása tizedének megfelelő árammal korlátlan ideig (napokig) lehet tölteni, nem károsodik. A fölösleges naftát elfűti. Nagyobb árammal pedig csak és kizárólag úgy töltök labortápról, hogy ülök mellette és figyelem az akkufeszt. (Jellemzően töltési grafikont is rajzolok, hogy ellenőrizzem, milyen kondicióban van az akku) Amikor elkezd csökkeni lekonyulni a grafikon vége, kész a töltés. (Egy valamire való töltő is így működik, deltapeak vagy dV-nek is hívják) A LiPo akkukkal viszont még ezzel sincs gond. LiPo akku kapocsfeszültsége a töltés vége fele eléri a cellánkénti 4,2V-ot. (És erre az értékre állítod be a labortáp feszültségét) Így az áram elkezd majd szépen csökkenni. Ha az áram a kezdeti töltőáram tizedére esik vissza az akku tele van. Ha rajtahagyod, a töltőáram kis idő elteltével gyakorlatilag nullára csökken, olyan, mintha ott sem lenne az akku. Miután áram nem folyik, a LiPo akku is korlátlan ideig a tápon lóghat károsodás nélkül. Sőt, a labortáp még indikálja is a töltés végét, kialszik az áramkorlát led. Ezért SZVSZ nem vad dolog akkut tenni a labortápra, csak körül kellett járni. Köszönöm a segítésget.
Örülök hogy rendeződött minden. Egyébként az IC tápjánál lehet magasabb is a kimeneti fesz, azok a lebegőszabályzós elrendezések. Nézd meg az uA723 pdf-et amit feltöltöttem ha érdekel, abban van olyan elrendezés is. . uA723_TUNGSRAM.pdf .
A relés kiegészítés igazán NiCd/NiMHd celláknál jön jól mint leválasztás, és savas akkuknál. És ha egy hőérzékelő is be van kötve rá hátul, nyugodftan lehet vele tölteni a kapcsolóórával. A lítium polimert tényleg nem illik otthagyni. Annak idején azért nem tudtak lítium cellát készíteni (stabilat), mert állandóan kigyulladt nekik a legváratlanabb pillanatokban. Majd tíz évig tartott nekik, hogy bezárják a tüzet a cellába. De azért manapság is kigyullad némelyik, bár ritkán. Akinek a a fél arca leégett az szerint nem olyan ritkán Szerk: tévedtem, relatív magasabb. De azért lehet olyan szabályzót készíteni, aminél magasabb. Én már csináltam olyat is. Low-droppra volt szükségem, és megoldottam pnp áteresztővel.
Hello!
Hát ezt a rajzot elkapkodtad. - Ha van soros dióda, az gyakorlatilag megakadályozza a feszültség visszajutását, így reverz dióda nem is szükséges. De ha van, szigorúan a tranyóra, nem a dióda előttről! (ártani nem használ) Plusz, így még értelmetlen is, mert még is visszavezeti a feszültséget és kisüti az aksit. Holott az volt az egyik cél. - Látom az áramkorlát működését nem nézted át, mert most a IC/d nem a shunt ellenálláson eső feszültséget figyeli. Nem tudom, hogy az aksi cellák töltésével kapcsolatos infókat honnan szedted, mert én bevallom, még a mai napig nem vagyok tisztában a NiMh cellák töltési eljárásával. Egyiket sem tartom jó módszernek. (pld. -dV mérését is csak 1C feletti töltőáram érték mellett lehet detektálni, én meg azt túl magasnak tartom. De az aksik is, mert tapasztalatom szerint sorra dobják fel a talpukat.) A legtöbb töltési eljárás fikciókon alapul, az aksi gyártók meg hallgatnak. Nekik az eladás a cél, nem az aksi élettartama. De ez a topik, nem az a topik… üdv! proli007
Reverz dióda azért kellett, hogy ha a tápegység pufferjét a kimenetre kötöt akku fel tudja tölteni, ezáltal az IC-k kapjanak tápfeszt. (Te írtad, hogy az IC tönkremegy, ha kikapcslt tápfesz mellett feszültséget kap a bemenete)
Az, hogy az akksit kisüti, erről a dologról már régen lemondtam, ez nem érdekes. Shunt ellenálláson eső feszültség? Akkor az árammérő rész működését benéztem. Jó, ezt majd értelmezem, az tán még fog menni. Az ábrát felejtsük el! Részemről szívesen megosztom az akkus infóimat veletek, míg nem szólnak ránk! -dV értéket lehet detektálni még C/10 áram esetén is. Rajzolj egyszer egy töltési grafikont, meglátod! Ez cellánként jellemzően -5mv. Egy négy cellás akkupakk esetén ez -20mV és azt már azért meg lehet mérni. Persze nem árta a jó kontaktus. (Én jellemzően összeforrasztot akkupakkokat töltök, ott ezzel nincs gond) Ha több töltést nem tud felvenni az akku, akkor elkezd melegedni. Ennek hatására az elektródán gázbuborékok képződnek, és emiatt elkezd esni a feszültsége. (Ha jól tudom) Na, ezt figyeli a dV töltő, és ezért nagyon jó. Az akkut két dolog teszi tönkre: túlfeszültség (1,65V ha jól tudom per cella), ami a túlságosan nagy töltőáram miatt léphet fel, valamint túlmelegedés. Ezért is a töltőáram a felelős. Hogy egy akkut mekkora árammal tölthetsz, ebből a két dolgoból ered, és akkuja válogatja. A lassú töltés sem mindig ideális. Ez is akku függő. Vannak olyan nagyáramú akkuk, amiket kimondottan 1C közeli árammal érdemes tölteni, cserélbe kedvezően változik meg a kisütési feszgörbe. (Persze lehet, hogy az élettartamuk így csökken) De egy valamire való gyártó ad olyan diagrammot is, amin különböző tölsőáramok mellet mutatja, hogy az akki hány ciklus után veszti el a kapacitásának X, jellemzően 20%-át. Az akkukkal kapcsolatban sokféle mendemonda kering. Relfextöltés meg miegymás. -dV a tuti, de mégjobb, ha ezt kombinálod a dT-vel. (dT előbb jelzi, hogy tele az akku, mint a -dV) Nagy újdonság most az A123 akku, amit húsz perc alatt tele lehet tölteni, nem olyan kényes, mint a LiPO, és a gyártó garantálja a 20perces töltés mellet (és igen nagy áramú kisütés mellett) az 1000 ciklust. Már itthon is beszerezhető modellboltokban, de még nem volt szerencsém kipróbálni. Az akkus infóimat saját tapasztalataimból és a http://forum.rcmodell.hu/ fórumon olvasottakból gyűjtöttem. Freddi: igen, a LiPo az "bazi" tűzveszélyes. És mechanikai sérülésekre is igen érzékenyek és gyulladnak. Főleg azok a modellező akkuk, amiket én használk, mert azon a kis súly miatt csak egy zsugorfólia van. Modelboltba lehet kapni direkt LiPo töltő tasakot. Megfékezi a lángot, "csak" a füstöt engedi ki. De LiPo-t azt tényleg nem hagyunk felügyelet nélkül. (Én az akku szempontjából írtam a korlálan ideig töltést. Az akkunak tényleg nem árt) Én jellemzően whiskis fémhengerbe állítva töltöm, és nem ülök mellette. De ez egy másik téma, ebbe nem akartam belemenni.
Hello!
Igen, közelítőleg ezt írtam, de azt is, hogy a tápfesz felé menő diódákkal, meg lehet védeni, a bemenetet. Illetve, hogy a 150kohm soros ellenállás már lehet kellő védelmet nyújt, még ha a bemeneti tranyó belavinázik is. Gondolom "áramkorlátozó részt" akartál írni. Ami egyébként nem elég korrekt ebben a kapcsolásban. üdv! proli007
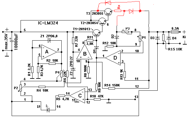
Az IC-t hogy lehetne ellenőrizni?
Lehet benne vmi
thxLenne egy másik kérdésem: az Rx-et hogy lehet kimérni?
Üdv !
Szeretnék egy kis :help: kérni labortápegység épitéséhez (kép lent). Ezt szeretném megépiteni, de sehol nem találom a nyák és beültetési rajzát ha valakinek megvan és feltenné megköszönném !
köszi
Üdv.!
Ezt a képet hol találtad?
Üdv !
Itt olvasgatam kb ugy a 70. oldal körül de több ilyen bemutató képel találkoztam ! Tudom hogy tied a terv!!!
Hazaértem, átnéztem 2x mindent; forrasztások, bekötések, stb. D2-t kiforrasztottam, kimértem, jó. Az IC adatlapjában találtam tesztkörnek való kapcsolást, teszteltem, jó. Rx szintén... És mindezek ellenére nem szabályozza az áramot. A LED néha gondol egyet és villog, de hamar abba is hagyja. Egyszerűen nem látom a hibát
Esetleg a kapcsolásban lenne vmi hiba? Van vkinek ötlete? :bummafejbe: Mit lehetne még mérni és hol? (egy venti volt a tesztterhelés, ha szabályoztam a feszt, az áram is változott, de csak ekkor, a potira nem reagál)
Sziasztok!
Összeraktam az alanti tápot. Megy is rendesen, kivéve az áramkorlátot. Ill szabályoz az is, de a led nem működik. Már kicseréltem mindent. De képtelen vagyok rájönni, hogy miért nem működik. Lenne valakinek valami 5lete? Köszönöm előre is!
Ha te mondod... Kép: Hivatkozás
Amúgy mi volt a gond? Nem volt rajta terhelés?
-10K helyett 100k-t tettem bele.
-Amikor észrevettem, kiszedtem. -Előszedtem egy belevalót. -Cseng a telefon. -Telefon le. -100k-s ellenálás vissza a helyére. - néztem ki hülyén a fejemből, hogy akkor most miért nem megy...
Hello!
Egy problémára keresek megoldást. Csináltam egy lm317-essel egy egyszerű szabályozható feszültségű tápot. Ment is egy darabig, aztán a poti (rendes karos, de csak egy fordulatú) nagyon úgy tűnik, hogy elszált, ezáltal a kimeneti feszültséget nem igazán tudom szabályozni. A kérdés az, milyen néven keressek boltba, olyan potit, ami nem fog elszállni egy olyan tápban ami 0-35V 3A?
Szia!
Be tudnál linkelni egy konkrét kapcsolást? Ha csak nem az LM317 kimenetére tetted a potit (remélem hogy nem), akkor nem mehetett tönkre. Ha semmit nem szabályoz, akkor nem a poti 'szállt el' , hanem valószínűleg (sőt, egész biztosan) a 317-es. A potit úgy tudod megvizsgálni, hogy kiforrasztod, és megméred hogy változik-e tekergetés hatására az ellenállása. Viszont egész biztos hogy nem ott van a hiba, cseréld ki az LM317-est és menni fog. Gondolom valami ilyesmi lehet a kapcsolásod, mint amit a mellékleteknél is csatoltam; ebben pedig gyakorlatilag csak az LM IC mehet tönkre ilyen tünetekkel. Egyébként mekkora a fesz a 317-es előtt? És utána, a kimeneten?
Pontosan ez a kapcsolás, és ki nem forrasztottam a potit, csak a két lába között mértem ellenállást, és van egy pont kb 100-200 ohm körül, ahol egyszer csak ugrik egy nagyságrendet mega ohmok irányában, tehát szerintem a poti ment tönkre, a két végállásban 27V illetve 35V jön ki, tehát valamit mégiscsak szabályoz, csak ugye nekem a 3V-ra volt eredetileg belőve.
A röhely az egészben az, hogy mikor tönkrement (volt némi sercegő hang, de füst nem), nem volt a kimeneten semmi, csak a feszmérő. (És tök érdekes volt, mert mikor kihúztam a 220-ból, feszmérő még mindíg 30V köröli értéket produkált, azt hittem hogy a nulltérből veszi az energiát és megoldottam a világ energiaproblémáit, azután rájöttem, hogy a csak a birka nagy kondiban maradhatot bent a cucc, amit a kimenetek összeérintésével sikerült is 0-ázni (pedig milyen jó lett volna stabil 30V betáplálás nélkül )
Ja értem, így már más. Kár hogy nem jött be az ingyenenergia, mi?
![]() Idézet: „A kérdés az, milyen néven keressek boltba, olyan potit, ami nem fog elszállni egy olyan tápban ami 0-35V 3A?” Tehát akkor az eredeti kérdésedre válaszolva, a potinak ilyen megközelítésből nincs köze a táp kimenőáramához és -feszültségéhez (persze valójában van, de potit nem így kell venni hogy ilyen és ilyen tápba kell). Tehát egészen egyszerűen csak megmondod a boltosnak hogy mekkora ellenállású poti kell neked (jelen esetben 5K ohm), és hogy lineáris vagy logaritmikus legyen-e a karakterisztikája (neked most lineáris kell). A teljesítményét nem kell megemlíteni, általánosságban fél- vagy egy wattos (nem tudom melyik) potikat lehet kapni a boltokban, ha nem beszélsz róla akkor ilyet fognak adni. Nagyobb teljesítményű potit is lehet néhol kapni, de ide az fölösleges lenne. Nekem is van nagyon régről egy ilyen lm317-es tápom, abban is csak egy mezei poti van.
Az lm317-ben van egy 3A-es korlát, azért vettem ilyet, hogy ne tudjon tönkremenni. Mitől mehet tönkre?
A másik az, hogy 50-60 fokos volt az ic mikor működött, ez normális? (egy majdnem 20 centi hosszúhűtőborda van rajta, a bolban úgy adták, hogy ekkora kell ehez a fesz, amper tartományhoz)
A hűtőzászlón mérhető 50-60 fok még egyáltalán nem vészes - bár a tokon belül ennél némileg magasabb a hőmérséklet. De ne félj, lakik benne hővédelem is.
Idézet: „Az lm317-ben van egy 3A-es korlát” Biztos hogy a 3A-es verzió az? Csak mert lm317-esből létezik 1.5A-es is, és az az elterjedtebb is. Ha mondasz egy pontos típust (pl. LM317HV) akkor meg tudom mondani hogy az hány amperes. Idézet: „Mitől mehet tönkre?” Pl. induktív terheléstől.
Közben itthon megnéztem LM350-es van benne, az 3A
Rátettem egy másik potit, az is elfüstölt, szerintem a stab ic-nek is annyi. Most levettem a trafó feszt a felére, holnap újra megpróbálom azért nézzetek már rá erre a kapcsolásra ha van egy kis időtök, mert én a szememet kinéztem de hibát nem látok rajta, valamitől mégis csak elfüstölt az lm és vele a poti is, ami elméletileg nem lehetne.
Nekem volt egy olyan történetem még régen, hogy túl magas feszt adtam a stab IC-nek és ezért elfüstölt mindig a poti, és a stab IC-is.
Egy darabig nálam is ment a dolog, aztán pukk. Na szóval ilyen probléma nem lehet nálad?
Hali!
Szerintem is ez lesz a gond, azért vágtam át a 2*15V-os trafót 1*15-re. Még így is 18 jön ki belőle, ha azt megszorzom 2*vel akkor az 36! Persze ez már nem segít azon, hogy 2 sorozatot füstöltem el, csak azért mert egy trafó 20%!!!!!-ot téved a felírthoz képest, én meg voltam olyan hülye, hogy nem mértem meg! Mindegy ezt az én hibám is.
Megnéztem a rajzodat amit feltöltöttél... elég érdekes.
Na menjünk sorba: 1.: A 2200 µF-os kondinak ott semmi keresnivalója nincsen, ahová bekötötted. Azt vagy a graetz híd után kéne bekötni (LM350-es bemenete és föld közé), vagy ha nagyon muszáj, akkor a kimeneti pontok közé (ahonnan a szabályozott feszültséget leveszed). De semmiképpen nem való oda, ahol most van! 2.: D2 dióda felesleges, azt vedd ki onnan, úgy, ahogyan van. Ha ezek a módosításokat megcsinálod, akkor egész biztosan működni fog! Sok sikert! |
Bejelentkezés
Hirdetés |





thx

Esetleg a kapcsolásban lenne vmi hiba? Van vkinek ötlete?
:bummafejbe: Mit lehetne még mérni és hol? (egy venti volt a tesztterhelés, ha szabályoztam a feszt, az áram is változott, de csak ekkor, a potira nem reagál)






