Fórum témák

» Több friss téma
Fórum » Alacsony költségű digitális oszcilloszkóp
Lapozás: OK   9 / 118
(#) bbatka válasza MaSTeRFoXX hozzászólására (») Jún 12, 2006 /
 
Tudom régebben már beszéltünk róla, de nem találtál azóta esetleg valami gyors 16bites számlálót? Mármint legalább 40Mhz-re gondolok. Nagyon leegyszerűsítené a kapcsolást. Az ATmega64-nek mennyi a műveleti sebessége (művelet/s) és honnan szerzed be? Úgytudom elég gyors, talán csak a dsPIC veszi fel vele a versenyt.
(#) MaSTeRFoXX válasza bbatka hozzászólására (») Jún 12, 2006 /
 
Hát nem találtam 16biteset, csak 74hc4040-et mi 12bit, de lehet hogy sorba lehetne kötni őket. Mondjuk az enyémhez majd nem kell sorbakötni
Az ATmega64 -nek a sebessége 1Mips/1MHz-en, tehát 1 órajelciklus alatt egy műveletet végez el. A maximális órajel pedig 16MHz. Ehhez pedig assembly-ben kell programozni.
Én az avr-t ki akarom hagyni a mérésből. "Csak" mérés/olvasást, a kijelző , a gombok, és az usb és I2C-s eeprom kezelésére akarom majd használni

Az atmegát pedig szegeden a RET kft-től (www.ret.hu) veszem meg majd, 2300Ft ért, de lehet hogy atmega128 lesz belőle, attól függ hogy mennyi bmp, és milyen komoly menü lesz majd benne
(#) Gory válasza bbatka hozzászólására (») Jún 12, 2006 /
 
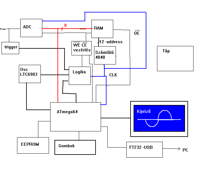
Az ATMEGA64-nek ha jól tudom a maximális műveleti sebessége 16 Mhz-es kristállyal 16MIPS. ITT szerezhetsz legolcsóbban. Felteszem a legújabb analóg szekciómat. a műveleti erősítő tipusa még nem kiforrott. Meg a digitális rész blokkvázlatát is. Még nem valami részletes, sokat kell majd kisérleteznem vele de szerintem ennél a szkóp verziónál maradok majd végleg. Néhány megjegyzés hozzá.

Az analóg átalakítást 4,096V-os referenciával fogom csinálni, hogy kiküszöböljem a táp ingadozásából fakadó hibákat. Az utolsó erősítő fokozatban is ehhez viszonyítva lesz az offset állítása vgy egy potméterrel, vagy egy pontos feszültségosztóval. Az offszet konstans kb +2V lesz, amivel az ADC tartományába tolom a jelet. A többi offszetet a PC szoftverben lehet majd állítani, és a triggert is ott akarom megcsinálni. (Alternatív megoldásként az adc felső 4 bitjét kapuzom valami előre beállított értékkel)

Az ADC sebessége 1MSPS, és az USB modullal elviekben ezt real-time át lehet küldeni a PC-re, megfelelő dirverrel. Tehát a mintavétel 1Mhz lesz maximálisan. A frekvenciát változtatni lehet egy multiplexerres megoldással mint a ti verziótokban. Az ADC közvetlen az USB modulnak adja az adatot 8 bites paralell módon. A sebességingadozás áthidalására van egy FIFO tár az usb-n, és egy bit jelzi hogy nem képes adatot küldeni. (Még át kell gondolnom hogy az ADC adatkonverzió kész nevű jele adja az órajelet az usb modulnak, vagy pedig a buffer telítettségét is bekapuzzam valahogy)

Amikor adat érkezik a PC felől (erősítés állítása, órajel állítás) akkor az USB jelzi a mikrokontrollernek, ami lekapcsolja az ADC-t az adatbuszról és felcsatlakozik a 74LS245-ös bufferral a kellő irányba. Átállítja a megfelelő multiplexereket és visszaadja az ADC-nek a buszt. A mikorvezérlővel lehet majd lekapcsolni az órajel generálást vagy az usb modult ezt még nem dolgoztam ki.
(#) MaSTeRFoXX válasza Gory hozzászólására (») Jún 12, 2006 /
 
Húúú! Itt tényleg olcsó! Csak az a gond hogy BP-n van 1800Ft az ATmega128 Szegeden meg 3000Ft, jó kis hasznot rátesznek...
vajon mennyiért küldik postán?
(#) Gory válasza MaSTeRFoXX hozzászólására (») Jún 12, 2006 /
 
Kb 800 vagy 1000Ft. A RET-nél 1000Ft azt tudom. Az MSC meg inkább nagykereskedésekkel foglalkozik. A kiskereskedelmi eladás az úgy megy hogy bemész az irodába és ha van raktáron akkor tudsz venni. Érdemes telefonon felhívni őket. Én azt szoktam mert eléggé kinn vannak és feleslegesen nem szeretek 2 órát menni
(#) Gory válasza Gory hozzászólására (») Jún 12, 2006 /
 
Rendeltem mintát pénteken az ADS830-ból. Megjött!!! Nemrossz a csomagküldés arrafelé.
(#) bbatka válasza bbatka hozzászólására (») Jún 12, 2006 /
 
Az az ötletem támad hogy tömbösítek. Külön kártyán lesz a nagyszkópban a számláló (74LS161) és a memória. Van néhány bontásra ítélt alaplapom. Lehetne a kártyafogadó pl. PCI csatlakozó.
Látom Gory szépen alakul a szkópod neked is. Így már szimpatikusabb az analog rész. Szerintem azért próbáld le egy próbapanelon mielőtt véglegesen megépítenéd. Sose lehet tudni.
(#) Gory válasza bbatka hozzászólására (») Jún 12, 2006 /
 
Egy a gond vele. Ahogy számolgattam kb 12 ezer Forintból jönne ki. Akkor meg lehet hogy jobban járok ha megépítem én is az LCD-s egységet. A chicadnél 16 ezerért kapok egy 320*240-es kjelzőt, ami nem olyan kicsi azért. Az ADS830-ból 4db-ot is kaptam ingyen. A többi alkatrész még úgy 4-5 ezer forint. USB -re van pic18F4450-em amire már nem is kell költeni. Szóval 22 ezerből egy elég pofás szkópom van 10-20Mhz-el. Persze elég sokat kell az LCD vezérléssel majd szórakozni, de lehet hogy megérné.
(#) bbatka válasza Gory hozzászólására (») Jún 12, 2006 /
 
Hát igen. LCD-vel azért mobilabb a szkóp mint PC-vel.
(#) bbatka válasza bbatka hozzászólására (») Jún 12, 2006 /
 
Jó vásárt csináltál az ADS830-al. Most nézegetem az adatlapját.
(#) MaSTeRFoXX válasza Gory hozzászólására (») Jún 12, 2006 /
 
Én is 320x240-es LCD-t rendeltem a chipcad-től. Nem volt nekik fekete-fehér (zöld) kijelzőjük, ezért kék-fehéret rendeltem, legalább így dizájnosabb lesz.
Ha AVR-t használsz BASCOM-mal, akkor nem kell kínlódni az LCD vezérléssel. (Mondjuk teljes (tört) verziót kell használni hozzá. Ha kell oda tudom adni.) Az a jó benne hogy, paintbe meg lehet rajzolni a menüt, mint egy mobiltelefonon az ikonok, ezt el kell menteni bmp-be, majd a bascom be tudja fordítani az AVR-be. Ott már csak rajzoltatni kell egy négyzetet amivel mászkálunk a különböző ikonok között
(#) bbatka válasza MaSTeRFoXX hozzászólására (») Jún 12, 2006 /
 
Eltudnád nekem küldeni a tört progit? Elöre is köszi.
(#) Gory válasza MaSTeRFoXX hozzászólására (») Jún 12, 2006 /
 
Ez ilyen egyszerű? Akkor lehet hogy efelé kéne elindulnom. Valami jó ATMEGA kéne hozzá. A 128-assal az a bajom hogy azt mikroszkóppal kellett beforrasztani, DIP-tokos meg nincs ha jól tudom. Úgyhogy lehet hogy valami nagy ATMEGA64-et használnék hozzá. Utána nézek a BASCOM-nak, hogy milyen kijelzőt tud kezelni, meg hogy mennyire processzoréhes, mert ha mindenféle számításokat is kell kirajzolás alatt csinálni az megnehezíti a dolgokat. (Pl peak-to-peak, min, max, cursoros mérések)
(#) MaSTeRFoXX válasza Gory hozzászólására (») Jún 12, 2006 /
 
Mindjárt le lehet tölteni a honlapomról
Most megy fel. kb 10 perc
Atmegából a legnagyobb az ATmega32 ami DIP tokban van, de ez a 32 I/O láb az nekem kevés. A bascom, ha jól tudom, és főleg ez a verzió csak 320x240-es kijelzőt tud kezelni, és T6963C vagy KS0108 vezérlő IC-set. Az elterjedtebb a T6963.
(#) MaSTeRFoXX válasza MaSTeRFoXX hozzászólására (») Jún 12, 2006 /
 
Fenn van!
(#) Gory válasza MaSTeRFoXX hozzászólására (») Jún 12, 2006 /
 
Köszi letöltöttem.
(#) MaSTeRFoXX válasza Gory hozzászólására (») Jún 12, 2006 /
 
A jelenlegi elgondolásom szerint itt van a tömbvázlat

tomb1.GIF
    
(#) Gory válasza MaSTeRFoXX hozzászólására (») Jún 12, 2006 /
 
Elsőre elég jól néz ki. Azon gondolkodom, hogy nem lesz-e kevés az ATMEGA ide. Elég sokáig tart szerintem mire a memóriából előszedi az adatot és megjeleníti. Így a folyamatos módban elég lassú mintavételezés tesz lehetővé. Például ha egy Tektronix digit szkóphoz hasonlót akar építeni az ember (persze csak 1 csatornásat 10-20 Mhz mintavételezéssel, kevesebb funkcióval 100% pre és post trigger), akkor ahhoz legalább valami FPGA kéne, a kijelző vezérléséhez plusz közben a memóriából előszedni az adatot. Igazából nem tudom hogy hogy működik az a belinkelt LCD-s oszcilloszkóp, de szerintem az annyi hogy megtölti a memóriát kb 200 mintával és kirajzolja így két mérés közt viszonylag sok idő telik el. Tehát csak a single shot módot lehet vele megcsinálni, de a 200 minta az egyszerre kevésnek tünik nekem. Javíts ki ha valamit rosszul értelmezek.
(#) MaSTeRFoXX válasza Gory hozzászólására (») Jún 12, 2006 /
 
Hát az majd kiderül. . Ez szerintem csak kb 150- 180 mintát fog elmenteni. Maga kiovasás a RAMból szerintem nem olyan lassú művelet, hisz az AVR valahol 15MHz körül fog járni az RS232 miatt, a számláló és a RAM meg bírja ezt a tempót. A rajzolásban még nem vagyok biztos... úgy kb 4-500ns-okat látok az adatlapban. Ha ezt felkerekítjük 1ms-ra akkor 1KHz-el dolgozik az LCD vezérlő IC, van kb 150 pont, akkor 0,15 s alatt rajzolja fel az ábrát, vagyis ha folyamatosan megy akkor 6,6Hz-el frissít. (Az más kérdés hogy maga az lcd-n látunk e valamit). Nem tudom hogy jól gondolkoztam-e, de szerintem ha másodpercenként frissítene csak, nekem még így is jó lenne
(#) Gory válasza MaSTeRFoXX hozzászólására (») Jún 12, 2006 /
 
Kéne valami jó leírás egy ilyen LCD-s gyári szkóp működési paramétereiről. Amit én használtam az egy professzionális Agilent meg egy kis Tektronix DSO. Tegyük fel hogy egy olyan burst-ös jelet akarok vizsgálni, ami 40Khz-es csomagokat jelent mondjuk 1ms hosszan és mondjuk másodpercenként 20-at. Ez elég életszerű példa szerintem és nem tettem magasra a lécet. Ahhoz hogy minden csomagot el tudjak kapni, a memóriából való kiolvasást +képernyőre kirajlzolást kb 49ms alatt végre kell hajtani. Ehhez viszont másodpercenként több mint 20 képernyőfrissítés kell. És ezt a Tetronix tudta is arra emlékszem, de majd megnézem a multisimben milyen fps-t lehet neki beállítani.
(#) MaSTeRFoXX válasza Gory hozzászólására (») Jún 13, 2006 /
 
Na, ma délután megérkezett az LCD kijelzőm!
Most már lehet vele kísérletezni. Most azon töröm a fejemet, hogy hogy lehetne kultúráltan valahagy szalagkábellal összehozni
(#) Norberto válasza MaSTeRFoXX hozzászólására (») Jún 13, 2006 /
 
Én ugyanígy morfondíroztam rajta sokat, és arra a következtetésre jutottam, hogy beleteszek egy Berg-tüskesort, ami hátrafelé néz (az LCD felől van forrasztva). Ez azért jó, mert egyszer kell össz-vissz beforrasztani. Volt itthon Berg-mama csatlakozóm is, és így bármit hozzá tudok illeszteni könnyedén. Lévén szó arról, hogy sok ilyen mama-csatlakozóm van, amiből ha 1-2 sort esetleg sokszor forrasztanék, és emiatt megég/megolvad, stb., akkor csak kicserélem a "mama-sort" és visszadugom a tüskékre...egyszerű és nagyszerű megoldás.
(#) MaSTeRFoXX válasza Norberto hozzászólására (») Jún 13, 2006 /
 
Valószínűleg én is így fogom tenni. Van egy 2*16 karakteres alfanumerikus lcd kijelzőm, arra egy tüskesor van ráforrasztva, és erre csak rákell dugni a párját, meg tök jól belemegy a breadboardba.
Csak az a gond hogy a szalagkábel az 1,27 mm-re van osztva, ez meg 2.54, vagy kehet kapni ilyen szalagkábelt is?
(#) Norberto válasza MaSTeRFoXX hozzászólására (») Jún 13, 2006 /
 
Szerintem nem igazán van olyan kábel. Persze biztos van, de nem egy elterjedt dolog. Inkább használd akkor minden második eret
(#) MaSTeRFoXX válasza Norberto hozzászólására (») Jún 13, 2006 /
 
Jó ötlet!
Átnéztem az összes szegedi alkatrészbolt árlistáját, de sehol sincs...
(#) Gory válasza MaSTeRFoXX hozzászólására (») Jún 13, 2006 /
 
Jól néz ki. Ez mennyibe került? Fogadok egy VB meccsre nyerek és szerzek én is egy ilyet.
(#) MaSTeRFoXX válasza Gory hozzászólására (») Jún 13, 2006 /
 
A chipcad-től rendeltem, ez most náluk 16 920Ft.
Hát nem olcsó, de nem volt nekik most hagyományos színű lcd-jük, amit rendelnek az meg 2,5 hónap alatt jött volna meg, a nyáriszünet végére

Itt vannak a kijelzők
[link=http://online.chipcad.hu/www/arak.aspx?group=020603]http://online.chipcad.hu/www/arak.aspx?group=020603[/link]
(#) bbatka válasza MaSTeRFoXX hozzászólására (») Jún 14, 2006 /
 
De nagyon dekoratív. Még a végén én is kedvet kapok a grafikus LCD-hez.
(#) Gory válasza bbatka hozzászólására (») Jún 14, 2006 /
 
Jaja, sokkal jobban néz ki mint a sima LCD. Én a vezérlését szerintem assemblyben írnám meg, vagy C-ben. Szerintem gyorsabb lenne mint a BASCOM. Bár azt nem igazán ismerem. De a C-t és az assemblyt lehet JTAG-en keresztül debuggolni egy olcsón megvehető (és 2-3 ezerért építhető) debuggerrel.
(#) MaSTeRFoXX válasza Gory hozzászólására (») Jún 14, 2006 /
 
Én maradok a basic-nél. Nincs kedvem megírni hozzá a vezérlést, ráadásul örülni fogok ha az elvem működik. És bmp-t akkor bele se tudnék rakni. Megyek le a műhelybe, forrasztok rá csatlakozót, aztán meg majd kiderül, hogy működni fog-e
Következő: »»   9 / 118
Bejelentkezés

Belépés

Hirdetés
XDT.hu
Az oldalon sütiket használunk a helyes működéshez. Bővebb információt az adatvédelmi szabályzatban olvashatsz. Megértettem