Fórum témák
» Több friss téma |
- Ez a felület kizárólag, az elektronikában kezdők kérdéseinek van fenntartva és nem elfelejtve, hogy hobbielektronika a fórumunk!
- Ami tehát azt jelenti, hogy a nagymama bevásárlását nem itt beszéljük meg, ill. ez nem üzenőfal! - Kerülendő az olyan kérdés, amit egy másik meglévő (több mint 17000 van), témában kellene kitárgyalni! - És végül büntetés terhe mellett kerülendő az MSN és egyéb szleng, a magyar helyesírás mellőzése, beleértve a mondateleji nagybetűket is!
Sziasztok!
A segítségetekre lenne szükségem. Vettem egy csöves előerősítőt, és egy IC-s végfokot. előerősítő végfok Tápként kaptam hozzá két egyforma trafót, hogy kössem keresztbe őket, és akkor használhatom a fenti konfigurációban. (A fenti linken, az akciós trafókból kettőt). A kérdés, hogy hogyan kössem őket keresztbe? A másik kérdésem, hogy kaptam doksit hozzájuk kapcs. rajzzal, de nem világos, hogy hová megy a fűtés a csövekre, az nincs jelölve. És hány volt? AC vagy DC kell neki? (3xECC 83) Hát igen, kezdő vagyok, és bíztam benne, hogy szájbarágósabb lesz a leírás... Van itthon kész tápegységem, lehetne azt is használni talán, de a kapcsolásban az van leírva, hogy +Ut: 250V. Ez azt jelenti, hogy 250V DC kell a kapcsolásnak? Vagy az éppen a fűtés? Ha valaki megépítette már a kapcsolást, kérem segítsen! Köszönöm
Igen, de nem ez a kérdés...
![]() A csövek elég drágák... Viszont ha készen veszek csöves cuccot gitárhoz, az sokkal drágább. És mivel érdekel az elektronika, gondoltam összekötöm a kellemest...
hüm-hüm...
trafóval együtt már nem is olyan sok az a 12 és fél ezer..szvsz A csövek fűtése 6,3 V! Az anódfesz lehet a +250V... A fűtéshez használhatsz váltót (ha pontos) de van aki esküszik a stabilizált tápra...(7805 megemelve) Én is.
Csak azt nem értem, hogyan kapok két tápegységből, 250V-ot?
Plusz még kell +-30V a végfoknak, és 6.3V a fűtéshez... Ez nem áll össze.
Ahhoz kell még egy külön trafó, vagy tekercs a trafón... Ha graetz hidat használsz, akkor egy kb. 175 V-os tekercs
Hm.. Ennél azért kezdőbb vagyok...
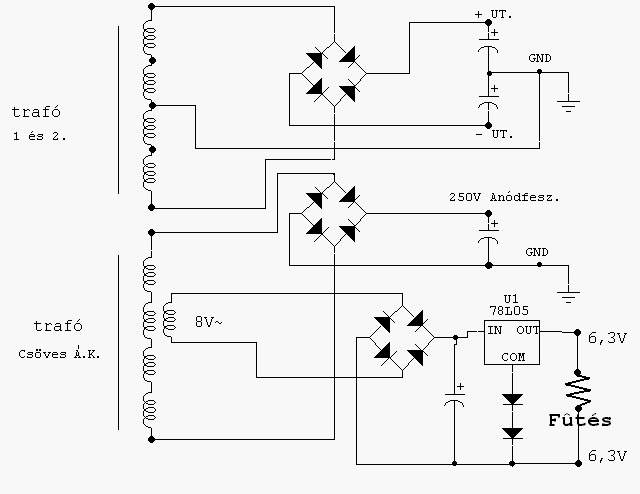
![]() Szóval mellékelem a kapcs. rajzot. Hová csatlakozik a fűtés 6,3V-ja? Ez pedig a két trafó. Szóval hogy tudok ezekkel +250V-ot csinálni? Meg +-30-at, és +6,3-at? Mindezt egyszerre? Bocs a kezdő kérdésekért...
A fűtés 6,3V-ja mindegyik cső 4. és 5. lábára megy. Ezeket valószínűleg látni is fogod a nyákon, ha minden igaz akkor párhuzamosan vannak kötve.
A trafóval kizárt dolognak tartom hogy egyáltalán használni tudod az erősítődhöz. A végfokod 70W-os ez a trafó meg csak 40W. Ráadásul a kijövő 2x14V az is távol áll a 30V DC-hez képest. 250V-ot ezekkel biztos hogy nem tudsz csinálni. Talán fűtéshez jó, ha a 8V-ot egyenirányítod, majd stabilizálod 7806-tal
Igen, azt tudom, hogy nem lesz 70W, de egyelőre az a lényeg, hogy szóljon. Aztán jöhet a nagyobb trafó. Én sem értem a 2x14V-ot, de Urbán úr azt mondta, ezzel a két trafóval tudok olyan tápegységet csinálni (keresztbe kötve a kettőt), amivel működik... Ezt nem értem.
hát nem tudom.... ha tényleg kezdő vagy muszáj volt mindjárt egy csöves előerőssitővel kezdened??
Azért az ezer forintér én a piacon 2db 200Wattos Trafó vettem, amik +-45Voltot meg +-30Voltot tudnak...13eFt-ból meg már nagyon jó erőssítőt lehet építeni... Tudom hogy a gitár szépen szól csöves erőssítővel. De nem vagyok benne biztos hogy pont az urban 7294-esl fogja jól birni. Az ok hogy a marshal is ilyennel csinálja de az arra van kihegyezve... Van itt egy topic direkt gitárerősítő építésére. Olvasgasd.
Nagyon édesek vagytok, de miért félti mindenki az én pénzemet? Ezt akartam megvenni és kész!
Nem kell kapcsolásokat vadászni a neten, alkatrészek szintén minden egyben van, nem értem ezeket a pénzes megjegyzéseket. Nem ezzel kezdem, csak itt merülnek fel egyes problémák, amik máshol még nem. ezért vagyok itt. Én azt gondoltam, ezért van ez a fórum... Közben rengeteget olvasok szakkönyveket is, de pont erről nem szól egyik sem, hogy hogyan csináljunk tápegységet két trafóból. Nem biztos, hogy a TDA végfokkal fogom használni az előfokot, azt csak azért vettem mert olcsó, szintén egyben minden, és azon is tudom gyakorolni az építést. Aztán ha beválik együtt akkor jó.
Jólvan jól van. nem kell azért leharapni a fejem,
Ha ezt akartad hát semmi baj nics akkor. A te meglátásod is helyes. Na de az biztos hogy azokból a trafókbol nem tudod meghajtani az előfokt. Az szent...
Oké, oké!
Nem harapok.Na pont ez az, Urbán mester mondta hogy meg tudom, nekem meg úgy tűnt, hogy nem. Azt mondta kössem keresztbe őket, de nem tudom hogy kell. Ti sem? Mindegy, találtam itthon egy erősítőből kiszedett tápegységet, amin van +-40V terheletlenül (ez ha terhelés alatt van kevesebb lesz?), és van rajta még olyan AC ami 70V, de az most nincs egyenirányítva. És hogy mérem meg, hogy hány W-os? Egyébként vicsys rajza nem jó? (Köszi vicsys!) Ha nem akarom stabilizálni a 6,3V-ot, akkor hogyan tudom még elérni azt a feszültséget? Sima ellenállással?
Szerintem a próbák idejére a tápegységeket neked külön kellene kialítani! Az egy-egy trafó a törpefeszültségű részeket táplálná. Egy másik, ami egy kicsit nehezebb dolog, meg a csöves áramkört. Erre a legegyszerűbb megoldás az ha egy csöves rádió tápegységét használod, legalább próbára, és ha a készüléked - berendezésed - összeáll, utána érdemes megkeresni egy céget aki méretez és tekercsel trafókat. (Így lesz a legbiztonságosabb!) Ők megtervezik, leméretezik, és elkészítik a független és elszigetelt feszültségeket előállító trafót...
Idézet: „Egyébként vicsys rajza nem jó? (Köszi vicsys!)” A fűtőfesz és az anódfesz váltóáramú tekercseit szigetelten kell kialakitani... /Lásd mellék./ Idézet: „Mindegy, találtam itthon egy erősítőből kiszedett tápegységet, amin van +-40V terheletlenül (ez ha terhelés alatt van kevesebb lesz?)” Ez ha terhelés alatt van kevesebb lesz!!! Legyegyszerűbb a trafó magméretéből kiszámolni a várható teljesítményt. Vagy a trafó huzal adataiból is lehet következtetni! Mert a huzalnak van egy maximális árama amit nemlehet károsodás nélkül átlépni! További részleteket a trafós és tápegységes fórumokon olvashatsz... Idézet: „Ha nem akarom stabilizálni a 6,3V-ot, akkor hogyan tudom még elérni azt a feszültséget? Sima ellenállással?” Soros ellenállásal a legegyszerűbb... (OHM törvény. :nezze: )
Nagyon köszönöm a válaszokat, és Jani, neked a rajzot különösen!!
"Soros ellenállásal a legegyszerűbb... (OHM törvény. )" Hát igen, csak mindig elbizonytalanít, hogy gondolom az egyszerű megoldás is helyes, csak a "profik" mindig valami bonyolultabbat ajánlanak... ![]() Persze előnye van a stabilizálásnak, csak most nincs ilyen IC-m. Köszi!
Hmm.. Viszont nem értem, hogy a rajzon, a csöves áramkör tápból hogy jön ki a 250V?
egy dioda nyitofeszultsege 0,6 szorozva2 + 5=6,2
gondolom
177VAC + (2 * Dióda nyitófeszültsége) = 177V + 1.2V = 178.2V AC
178.2V * 1.414 (GÖK2) = 251.9748VCD Üresjárat csúcsfeszültség. Ez a képlet kisseb feszültsége is jó!
én se értettem, hogy 28VAC-ből egyenrángatva hogy lesz 250v...
lehet h irtad, csak én se olvastam h az a tekercs 177V-ra van tekerve..
Nem akarom magamat isméteni
, de a Idézet: hozzászólásomban írtam, hogy:„(#28495) _JANI_” Idézet: „... Szerintem a próbák idejére a tápegységeket neked külön kellene kialítani! Az egy-egy trafó a törpefeszültségű részeket táplálná. Egy másik, ami egy kicsit nehezebb dolog, meg a csöves áramkört. ...” Természetesen a csöves fokozatnak a 28VAC nem elég! (De, ha anyi 28VAC-s trafót kötsz sorba hogy az 178VAC kiadja!? ) Idézet: „„(#28495) _JANI_” hozzászólásomban írtam, hogy:” ezt olvastam tudomásul vettem, csak nem vettem a lapot h akkor mán a 177v-os tekercs a "képzeletbeli trafón" van. amugy szentem is ha már áldoztál rá akár hány ezret akkor, ahogyan azt _JANI_ is mondta csináltass trafót neki, de elötte keressél rendes gitár erősítőt!! ne tdaval... szentem üdv
Elkészült a TDA, és működik! :yes:
Meglátom milyen lesz együtt a csővel, ha nem jó, van gitár végfokom is, csak kb. max 25W. Először sikerüljön a csöves előfok, aztán ráérek gondlkodni a végfokon. Köszi az eddigi segítségeket! Még jövök!!
Örülök nagyon, mert kész a kis csöves!
)Kérdés: próbaképpen sem lehet meghajtani kisebb feszültséggel mint 250V? Pl. 80VDC-vel meg sem nyikkan? Ja és még egy: Ha két trafót használok, azok egy földön legyenek? És a hálózati feszültséget hogyan kötöm rá a két trafóra? Csak egyszerűen továbbviszem egyikről a másikra?
Szerintem keresd meg a csővek adatlapját!
Abban le van írva, hogy milyen feszültségeken lehet a csövet használni. Szerinten a 80VDC egy kicsit kevés a csöveknek. Legylább 180-200VDC legyen. Idézet: „Ha két trafót használok, azok egy földön legyenek?” A lemeztestre gondolsz? Idézet: „És a hálózati feszültséget hogyan kötöm rá a két trafóra?” A hálózati oldalakat (primer) párhuzamusan kell kötnöd. (Ha mind a két trafód 240VAC-s.) Idézet: De nem sorosan!„Csak egyszerűen továbbviszem egyikről a másikra.:yes:” Ja! Kira lett az előfokod!
Lassan már bonyolultabb a trafó, mint az erősítő!
![]() Köszi szépen, így érthető, és világos! Szépek a csövek nagyon, és már nem is fázom!!
Hi
Most például egy 100Wos szimmetrikus erősítőnek kell +-50V, akkor az kb ugye felvesz 150W-t....-ez csak példa- Akkor az hogayn lesz? Felvesz mindegyik 50Vos kimeneten 150wot vagy egyen csak 75öt és így lesz az 2*75 tehát 150? |
Bejelentkezés
Hirdetés |







, de a
)




