Fórum témák
» Több friss téma |
Valaki tudna segíteni abban hogy hogyan lehet egy 7 szegmenses LED kijelzőt vezérelni (hogy számokat írjon ki, meg ilyesmi)
Ez lehet, hogy jó...
[link=http://www.hobbielektronika.hu/linktar/?ss=7+segment&btnkeres=Keress%21]http://www.hobbielektronika.hu/linktar/?ss=7+segment&btnkeres=Keress%21[/link]
na még 1 x:
[link=http://www.hobbielektronika.hu/linktar/?ss=7+segment&btnkeres=Keress%21]http://www.hobbielektronika.hu/linktar/?ss=7+segment&btnkeres=Keress%21[/link]
Szia Sonic!
Mire szeretnéd használni a 7 szegmenses kijelződ? Csak egyszerű "léptetésre" mint számláló például vagy vmi komolyabb dologra, mint pl: egy stopper vagy ilyesmi?
régi p1 ből van egy 2 és kettő 7 szegmenses kijelzőm. (199 a max amit ki írt)
ebből szeretnék amolyan hangerő kijelzőt. TI tudnátok segíteni biztossan benne! lehetőleg ne PIC-kel. a jelet a szentem az lm1036 előfok hangerőszabjáról lehetne lopni, és erre rakni valami számlálos cuccot gondolom, de ez még kevés :nemtudom: :help::worship::worship::worship::worship:
senki sem tudja, hogyan lehetne ezt össze hozni??
Itt tulajdonképpen feszültséget kellene mérni?
aham, mivel én nem tudom, h mit lehetne forrásnak használni
Valami olyan jel kell, ami nem ingadozik a zene ütemével, mert ha ingadozik, akkor nem lehet leolvasni a kijelzőt...
várj..
az előfok fesz vezérelt.. potival osztja a feszt, úgy vezérli a hangerőt. a fesz meg stabil 7805 + 1 dióda ~5.4V
Akkor mérd meg a feszültséget digitális multiméterrel, hogy nem ingadozik-e a zene miatt. (Én nem értek hozzá...) Ha nem ingadozik, csak a hangerőtől függ, akkor érdemes próbálkozni. A Maximnak meg az Intersilnek vannak analóg-digitál konverter IC-i...
Sziasztok.
Nekem is lenne egy kerdesem: 2X7 szegmenses(2X7szegmens+2pont) kijelzoim vannak. A bekotesrol fogalmam nincs,de tappal kikeresem melyik lab melyik. A meghajtast uC-vel gondoltam multiplexalva. (szoftveres BCD) Az erdekelne,hogy a sorrend hogy van a szegmenseknel? Vagyis milyen sorrendben kell kotni egy 7 bites portra? Koszi.
Szia
Nem tudom neked megmondani pontosan hogy melyik kivezetés melyik szegmenst vezérli, de ha diódás a kijelző, multiméterrel ki tudod méregetni hogy hogyan vannak benne a ledek, és utána meg helyesen bekötve megnézed hogy melyik láb melyik szegmenst működteti... kis türelem kell hozzá...
Az teljesen mindegy! Neked csak szoftveresen kell a szegmenseket kezelni, persze csak az azonos szegmenseket kell öszekötnöd a multiplexeléshez...
A 7-szegmenses ledkijelző szegmensnevei:
Igen,ezt tudom..
De engem a szegmensek sorrendje erdekel,mert ra kell kotnom egy portra,es nem tudom a sorrendet.
Általában így szokott lenni a bekötésük, csak nem mindegy h közös kollektoros v közös emitteres...
7SEG
Az első az a,
második a b, harmadik a c, negyedik a d, ötödik az e, hatodik az f, hetedik a g, [off]nyolcadik a pont. Erre gondoltál?
Hát, inkább úgy mondjuk közös anódos vagy közös katódos.
a uC -ben szoftveres BCD lesz.Igy egyik portra fogom kotni a kijelzoket.Mar hogy lenne mindegy a bekotes?
Koszonom a rajzot! Gondolom hogy a-g -ig rendre bekotve a port 0-7 labaira jo lesz..
Mivel szoftveresen fogod a potokat kezeli a hardver bekötéséhez nem kell mereven ragaszkodni!
Avagy, Úgy tervezd meg a nyákot, ahogy a leg egyszerűbb... a konvertálást meg úgyis programból fogod elvégezni. Egyszeű hardver, bonyolult szoftver...
Kozos anodu kotes lesz..ez alapjan:
uC+7seg
persze persze közös anód meg katód
Pin Function:
1 G 2 F 3 Common A/C 4 E 5 D 6 DP 7 C 8 Common A/C 9 B 10 A
És egy - két példa: :wow3:
Koszonom mindenkinek!
Mostmar atlatom az egeszet. Ha valaki veletlen talalkozik 2X7 segmenses kijelzo labkiosztasszal kerem ossza meg..
Íme a 2x7 szegmenses kijelző bekötése.
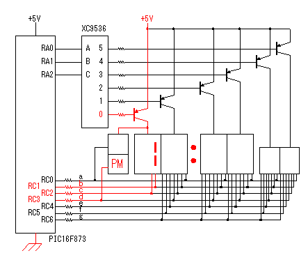
Én meg küldök egy képet, ami a kijelzők vezérlését demonstrálja.
|
Bejelentkezés
Hirdetés |








