Fórum témák
» Több friss téma |
Készítek egy kütyüt, ami telepes táplálású lesz. Kérdésem, hogy tutok-e ajánlani valami nagyon kőegyszerű kapcsolást, amivel az akksit ( 12V-os savas ) meg lehet védeni a mélykisüléstől? Én olyasmire gondolok, hogy : akksi negatív - ellenállás - Zener - akksi másik vége. Innen van egy "kapcsolt" feszültségem a Zener és az ellenállat közös pontján. Ezt lehetne egy FET-re kötni, aki kinyit, ha a fesz. oké és elzár, ha a fesz. alacsony.
Az még a kisülés ellen nem véd, csak jelez.
És ha a FET-et a csatlakozóra kötöm? Tehát egy kapcsolóként funkcionálna az akksi és a "külvilág" között.
Egyszer felraktam egy ilyen célra szolgáló kapcsolást ide.
Lehet, hogy én nem értettem a kérdésed. A topic címe szerint kisülés elleni védelemről van szó. Egy aksit csak akkor nem lehet kisütni, ha közben az töltve is van. Talán, ha pontosítanád, mire gondolsz?
Mélykisülés van a téma címében, és a kezdő hozzászólásban. Tehát hogy ne merüljön cellánként 1,75V alá.
És neked ez egy "kőegyszerű" kapcsolás? Én valami ilyesmire gondoltam ezzel a címszóval:
http://hozso_001.extra.hu/miscellaneous/nokiacable/powerup.html ( az oldal alján ) Csak nem vagyok benne biztos, hogy ez így rendesen működik...
Köszi, ez már jobban tetszik, frappáns, korrekt megoldás. De én ennél is egyszerűbbet keresek ( ha van egyáltalán
)Hogy értsétek miről van szó: egy SMS-küldő riasztóról van szó. Alapvetően hálózatról megy, de áramszünet esetén ( vagy ha a rosszfiúk lenyomják a biztit ) akkumulátorról megy. Namost, ha sokáig megy az akksiról, de a tulaj nem tud kimenni kikapcsolni, akkor ne kelljen már neki új akksit venni. Ezért gondoltam arra a kapcsolásra, amit a másik válaszomba belinkeltem. Az akksi töltött állapotban lenen bekötve, a hálózatról egy ellenálláson keresztül folyamatosan töltve lenne. Tehát ennek az áramkörnek kizárólag mondjuk 10V-os akksifesz alatt lenne szerepe. Olyan FET kellene ehhez, aminek a gate fesz-drain source ellenállás karakterisztikájában kb. 1.5 V-on van egy "könyökpont".
Ilyen célra muszáj hiszterézist vinni a rendszerbe, és olyan FET biztosan nem létezik, aminek az is van.
Taktikát változtatok!
Íme, ezt alkottam: Bővebben: Link remélem, más számára is átlátható. ( Az oldal alján lévő rajzról van szó. ) Ez így már persze bonyolultabb, mint amiből kiindultam, de talán biztosabb. A rajról lemaradt a hiszterézis az IC2C-ről, azt majd teszek bele. A működését leírtam a rajz alá. Véleményetek érdekel, hogy ez így vajon működhet-e?
Az akku hogyan lesz töltve? Mert szerintem túlbonyolítod a dolgot (annak ellenére, hogy valami nagyon egyszerűt akarsz). Az akkut ilyen helyen készenléti töltéssel célszerű tölteni, vagyis tartani rajta a 13,8V feszültséget. Ha a hálózat elmegy, akkor az akku egyedül marad, és a feszültége rövidesen leesik 12,5V környékére. Ezután ahogy merül lassan csökken a feszültség. Ha a cuccod meg tudja oldani, hogy akkor kikapcsoljon, ha mondjuk 11V-on van a feszültség, és bekapcsoljon, ha 13V-on van, akkor nyert ügyed van. Ezt pedig egyetlen komparátor, aminek van hiszterézise, lazán megcsinálja.
Azt, hogy van-e hálózati feszültség, azt meg optocsatolóval figyelném, aminek a ledje egy kondenzátorral sorban lenne a hálózatra kötve. Ha a tranzisztora zárogat 50Hz frekvenciával, akkor van hálózat. Ha nem zárt teszemazt 1 másodpercig, akkor kimaradás van. Ezt akár egy RC szűrővel megszűröd, és egy komparátorral figyelheted.
Az sajna nem fért rá a rajzra. Úgy lesz megoldva, ahogy írod: 13.5 V körüli fesz. táplálja az érzékelőket és egy ellenálláson keresztül az akkura kapcsolódik. Dugasztápról jön a hálózati fesz., az egyik komparátor ezt figyeli. ( LineOK ) A CON3 csatin keresztül megy át egy optóra, aminek a fogadó oldalán egy kontroller figyeli, hogy van-e hálózati fesz. Ha az akksifesz. lecsökken 11V alá-környékére, akkor megy egy SMS a gazdának, hogy innentől a működés bizonytalan és hogy menjen és cseréljen akksit, vagy kapcsolja vissza a hálózatot. Ha a fesz. tovább csökken, akkor kellene ennek a harmadik komparátornak lekapcsolni az akksit teljesen a rendszerről, hogy ne menjen tönkre. De kezd fölém nőni a project ( én programozó vagyok, nem coulomb kergető
), lehet, hogy beteszek ide is egy kontrollert, aki a power managemant-et elvégzi. Ezzel csak az a bajom, hogy az érzékelőkkel egy földön van és akármilyen hosszú kábeleket kiráncigálhatnak a lakásban az érzékelőkhöz, félek, hogy összeszed valami zavart és megbízhatatlan lesz...
Épp ezt akartam ajánlani, hogy hamár úgyis van kontroller, akkor ha több lépcsőben akarod az akkufeszültséget nézni, akkor bízd azt is kontrollerre (akár a fő kontrollerre, akár egy kis 8 lábú segédre). Kevesebbet fogyaszt, mint akármilyen komparátoros figyelő, és teljesen lekapcsolhatja a cuccot az akkuról, miközben sajátmaga rajta maradhat. Az 500uA körüli fogyasztásával (vagy még az alattival, ha sleep-be küldöd) simán elvan hetekig. Csak ne a szokásos 78L05-el stabilizálj tápot neki, mert az maga lenyel 5mA-t, hanem nézz kis nyugalmi áramú szabályzót. Pl. a Microchip MCP1703-as jelzésű szabályzója nagyon jó ilyen célra.
A zavarok ellen meg szűrni kell, nincs más megoldás.
Kerestem az archivumban (
), volt már ilyen téma. Ott is a leválasztott tápot javsolták. Munkámból kifolyólag PLC-kel dolgozok, azok ( legalábbis a "komolyabbak" ) mind független tápról mennek és a ki/bemenetek optókkal le vannak védve. Szóval maradok inkább két külön tápfesznél...
Hello!
Esetleg egy ötlet. üdv! proli007
Itt egy rajz. Az alsó része az érdekes ( IC2C ). A T2 egy P-csatornás FET, ez kapcsolná ki a feszültséget, ha az akkumulátor fesz. nagyon alacsony. Próbapanelen összeütve működött a dolog szépen, a végleges áramkörben azonban már oszcillál. Mivel a tápfesz szűrő kondik csak lassan sülnek ki, a komparátorok ref. feszültsége és az LM324 tápja is lassan csökken, így mielőtt kikapcsolna teljesen, egy rövid időre visszakapcsolja a FET-et, ismét megjelenik a tápfesz. Így oszcillál szépen az akku elpusztulásáig. Arra gondoltam, hogy a bekapcsolást valahogy meg kellene késleltetni. Kérdés, hogy hogyan. Gondolom kondi + dióda a megfelelő helyekre. De hova?
Hello!
Nem látom a képen, amire hivatkozol. (Amúgy ha már az XnView progival készíted, miért nem vágod ki a megfelelő részletet, és *.png-ben mentve, sokkal jobban látható.) üdv! proli007
Hello!
Már kezdem érteni. - De ha azt a feszültséget figyeled, amit ki is kapcsolsz, akkor tényleg oszcillálni fog. - A hiszterézist is át kell gondolni, mert ha az aksi terhelése megszűnik, emelkedni fog a feszültsége. Szóval, hogy vissza jöjjön ezután, vagy nem, vagy ha már feltöltődött az aksi, csak akkor... A biztonsági filozófiát át kellene gondolni, hogy mit szeretnél. - A komparátor IC pozitív visszacsatolása sem szimpatikus, mert a poti állásától nagymértékben függ. A poti állítási tartománya is túlzott. - Miért nem közvetlen az aksi feszültségét figyeled? Itt úgy is az aksi védelméről lenne szó. És a referenciát is különállóan alakítanám ki. - Ha egy CMOS tárolóban tárolnád az infót, ami közvetlen az aksiról táplálkozik, akkor annak terhelése minimális a kimerült aksi számára. - Ha a referenciát is lekapcsolod a táppal, akkor biztos mindig bajod lesz. (Kissé "digitális" a gondolkodásod. Az analóg részen a fontosabb feszültségeket "bedrótozza" az ember, mert különben nehezen érthető, ki mikor honnan jön, honnan táplálkozik.. ha csak egy részletet lát az ember.) üdv! proli007 Idézet: „De ha azt a feszültséget figyeled, amit ki is kapcsolsz, akkor tényleg oszcillálni fog.” Próbapanelen működött. ( Mondjuk ott nem voltak pufferek a tápon. ) Idézet: „A hiszterézist is át kell gondolni, mert ha az aksi terhelése megszűnik, emelkedni fog a feszültsége. Szóval, hogy vissza jöjjön ezután, vagy nem, vagy ha már feltöltődött az aksi, csak akkor...” Ha lekapcsoltam és biztonsággal lezárt a FET, már nem tud visszakapcsolni! Csak akkor, ha megjön a hálózati fesz. Ha a hálózati fesz. megérkezik, akkor viszont rögtön be kell kapcsolni a FET-et, hogy az akku töltődni tudjon. ( Első körben T1 bázisára teszek egy kondit, mondjuk 1µF-t. Aztán diódát R12-vel párhuzamosan, hogy amikor be akar kapcsolni akkor R12-n folyjon az áram, kikapcsoláskor viszont a diódán át, így valószínűleg elég késleltetés lesz, hogy nem kapcsoljon vissza idő előtt. )Idézet: „Miért nem közvetlen az aksi feszültségét figyeled? Itt úgy is az aksi védelméről lenne szó.” De hát azt figyelem a C komparátorral. Idézet: „(Kissé "digitális" a gondolkodásod. Az analóg részen a fontosabb feszültségeket "bedrótozza" az ember, mert különben nehezen érthető, ki mikor honnan jön, honnan táplálkozik..” Ez igaz, alapvetően programozó vagyok,az elektronika analóg része nincs a kisujjamban.
Hello!
Idézet: „Ha a hálózati fesz. megérkezik, akkor viszont rögtön be kell kapcsolni a FET-et, hogy az akku töltődni tudjon.” Itt azért valami árulás van! A Fet-oda-vissza működik? Egyébiránt, a Fet-ben van egy parazita dióda, ami "viszáramnál", egyből működni fog. Idézet: „Első körben T1 bázisára teszek egy kondit, mondjuk 1ľF-t. Aztán diódát R12-vel párhuzamosan, hogy amikor be akar kapcsolni akkor R12-n folyjon az áram, kikapcsoláskor viszont a diódán át, így valószínűleg elég késleltetés lesz, hogy nem kapcsoljon vissza idő előtt.” Igen, de ez átgondolatlan. A bázisnak nem a nyitva tartását kell tárolni, hanem a zárását. A bázis-emitter egy nyitott dióda, aminek impedanciája igen alacsony... Én inkább a D9-el kísérleteznék. Mert oda a dióda helyett ha egy zénert teszel, akkor feszültség csökkenés esetén, már nem lenne meg a T1-hez szükséges nyitófeszültség, mikor összeomlik az LM tápja. (jelenleg ez 1..1,5V-körül van. Az alap probléma, hogy az LM tápját, és egyben a 2,5V referencia feszültséget is lekapcsolod. Így nem csoda, ha a komparátor visszabillen. Én az egész áramkör helyett, még mindig a T1 helyére tett TL430-al próbálkoznék, mert annak belső referenciája van. Meg is hajtja a Fet-et, csak a hiszterézis részt kellene kimunkálni, hogy honnan jöjjön vissza és mekkora legyen. Javaslom, hogy blokkvázlatosan rajzold le magadnak az áramkörök a működést amit meg szeretnél valósítani, mert abból látni fogod a csapdákat (ha igaz). Hol érzékelsz, mit komparálsz, honnan táplálod, mit kapcsolsz, hogy töltődik az akksi... (egyébként a "biztikiverő" Zéner nyitó irányban is működik, tehát a párhuzamos 1N szükségtelen) üdv! proli007
Sziasztok!
Egy kézi reflektorba akarok mélykisülés elleni védelmet beépíteni. 2db 6V 4.2Ah akksi van párhuzamosan kötve, és egy 6V 55W izzó a terhelés. Tudna valaki összedobni egy kapcsolást, ami kis helyen elfér? Eddigi elképzelésem alapján a főkapcsolót is kicserélem 2állásúra, így bekapcsolt állapotban működne a lámpa az áramkörön keresztül, és csak kikapcsolt állapotban lehetne tölteni az akksit. Üdv. Fec
Hello!
Rajzoltam neked egy kapcsolást. Kissé komplikáltnak tűnik, de nem az. (remélem használható is..) - Tekintve, hogy a lámpát úgy is kapcsolni kell, kézenfekvő, hogy megoldja egyúttal a ki-be kapcsolást is. Itt ezt egy nyomógomb végzi. - Kikapcsolt állapotban kb. 250uA-t fogyaszt az áramkör, bekapcsolva kb. 2,5mA-t. - Az aksi feszültségét, a TL431 figyeli, a két párhuzamosan kapcsolt ellenállás megválasztásával lehet a lekapcsolási pontot beállítani. Beállítani tápegységről célszerű, de akkor a lámpa helyett egy kisebb fogyasztásút alkalmazzál, mert megrántja a tápot rendesen a halogén és egyből kikapcsol. - Az aksi feszültsége is esni fog, a lámpa bekapcsolásakor, ezt is be kell számítani a beállításkor. (vezeték hosszak is számíthatnak) - A tápfeszültségben lévő dióda miatt az áramkör tápfeszültsége, kb. 0,6V-al alacsonyabb, mint az aksi feszültsége. De közvetlen az aksit nem igazán lehet figyelni, a bekapcsoláskori feszültség lökés miatt, de ezen próbál segít a 100µF-os kondi bekapcsoláskor. - A Fet-et a terhelésnek megfelelően kellene megválasztani. Az alkalmazott típusnak kis küszöbfeszültségűnek, és kis RDS-on ellenállásúnak kell lenni. Én két párhuzamos IRLR-re gondoltam, de lehet "bikább" jobb lenne. - A méret rajtad múlik, hogy hogy tudod megoldani. (SMD esetleg) üdv! proli007
Üdvözöllek, én is ezen gondolkodom. Az itt közölt egyszerű megoldások nekem is túl bonyolultak.
Az első amit meg kellene szüntetned, az a két aksi párhuzamos üzeme, vagy diódákon keresztül kösd őket össze, mert megeszik egymást. Ha még nem késő, a lámpában úgy is van kapcsolód ami az izzóhoz megy. Ide kösd be egy tranzisztor E-C-át. Lényeges: Emitter a kapcsoló, rajta keresztül az akku felé néz. Bázist egy kb 4,7-es zenerrel, vele sorban kb 30 ohmmal az akku másik sarkára. Ha nem kapcsolod be, nem fogyaszt, ha bekapcsolod a tranyó telítésbe megy, amíg van elég feszültség, utána nem bír kinyitni, így rá fogsz jönni, hogy tölteni kell, ha meg bekapcsolva hagytad, kialszik. Töltés meg nem zavar, mert akkor úgy is ki van kapcsolva, de az sem baj ha nem. af
Szia!
Első olvasásra tetszik az ötlet. Nem tudnál egy vázlatot rajzolni az elképzelésedről? -csak hogy tisztán lássam, melyik alkatrész hova kerül. Előre is köszi Üdv.
Nem a rajzolás az erősségem, de mellékelem. A nagy áramra való tekintettel (55W-os izzó kb 9A), valószínűleg darlingtont célszerű használni és valami nagyobb teljesítményű tranyót, mert 0,3 - 0,4 V maradékfeszültség mellett is lesz 3-4 W veszteséged rajta. Az ellenállás értéke akkora, hogy a legmagasabb akkufesznél se haljanak meg a Zener és a bázis. (kb 5-20 mA) A zener fesz +B-E nyitó (vagy kettő, ha darlington) ne legyen kisebb a megengedhető alsó akkufesznél, kb 5,5 V-nál. Az meg, hogy PNP vagy NPN mindegy, attól függ melyik ágba rakod. Sajnos nem vagyok naprakész a mostanság használatos kapcsolóelemekből, de ha valakinek van jobb ötlete a tranzisztornál az érdekelne. Már, ha kisebb maradékfesszel tudna kapcsolni. Ezek a kézi reflektorok elég gyenge konstrukciók ezekkel a 4 Ah-ás aksikkal. Talán ezen lehetne segíteni más, jobb fényerejű izzókkal. Krypton? Van ilyen tapasztalat?
Egyébként lehet, hogy emiatt jobb lenne egy sima kisfesz relét meghajtani a tarnzisztorral, és akkor a disszipáció sem lenne érdekes. Kösz af
Sziasztok!
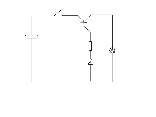
Én ezt az egyszerű kapcsolást követtem el akkuvédelem tárgyban. A kondi az izzó hidegellenállása miatt kell. Ha lekapcsol a védelem, semmi kisütőáram nem folyik többé. Viszont kényes-érthetően a kapcsoló minőségére. Könnyen át lehet alakítani két nyomógombbal történő ki-be kapcsolásra, és az előző hátrány nem jelentkezik többé
Ha a TL elkezdi csökkenteni a tranyó bázisáramát, akkor szinte lavinaszerűen...
Persze van egy-két hátránya az áramkörnek, például hogy a tranzisztoron eső feszültséggel is számolnunk kell az osztó méretezésénél Én csak kis pár W-os izzót üzemeltettem vele, de megfelelő darlington alkalmazásával nyilván nagyobb áramokat is le tud adni...
Sziasztok
![]() Azzal a kérdéssel fordulnék hozzátok,hogy van-e valakinek rajza olyan túlfeszültségvédőről,amit autókarosszéria heggesztéskor csiptetnek fel az akksira? Ugyanis a modernebb járművekről nem lehet büntetlenül csak úgy levenni a sarukat.(Gondolok itt rádió-újrakódolásra légzsák és ABS elektronikára,motorvezérlő modulokra)Szóval van valakinek megoldása arra,hogyan védhetem meg az autóelektronikát a heggesztéssel járó ívgyújtási erős áramlökések nullára csillapításában?Gyárilag baromi drága egy ilyen kütyü,de nem akarom azt,hogy egy itthon barkácsolt szerkezet a méregdrága elektromos alkatrészek rovására menjen. Ha van valakinek egy biztonságos kapcsija akkor ossza már meg velünk ![]() Köszi előre is
Autókarosszériát nem valamilyen lánghegesztővel hegesztenek? Egyébként le lehet venni a sarukat, csak a rádió szokott szórakozni, de annak meg be kell szerezni a kódját előre. Mondjuk biztos van olyan autó, ami problémázik, de ha elárulod hogy milyen autóról van szó, akkor biztosan lesz itt valaki, aki meg tudja mondani, hogy kell-e valamitől tartani vagy sem.
|
Bejelentkezés
Hirdetés |




)
), volt már ilyen téma. Ott is a leválasztott tápot javsolták. Munkámból kifolyólag PLC-kel dolgozok, azok ( legalábbis a "komolyabbak" ) mind független tápról mennek és a ki/bemenetek optókkal le vannak védve. Szóval maradok inkább két külön tápfesznél... 









