Fórum témák
» Több friss téma |
Fórum » RIAA korrektor
Témaindító: Ghost Rider, idő: Aug 25, 2006
A C9 nek mennyinek kellene lennie? Az tápfesz szürés vagy mi lehet?
Köszi, hogy megnézted! Sajna nem sokat értek hozzá...
Én már régen próbálom meggyőzni de nem hisz nekem
Igen az a frekis zajokat szűri le, azt nem érdemes kihagyni, tedd csak bele, értéke 47-220nF
Dehogynem hiszek Nektek! Nagyon köszönöm mindenkinek a segítségét! Mostmár nyugodtan összerakom ezt a komoly erősítőt!
![]() Végülis komoly, mert enélkül kidobhatom a bakeliteket...
Részemről köszönöm a segítséget, gondolom mostmár törölni is lehet ezt a beszélgetéseket. Igaz nem tudom esetleg érdekel-e valakirt még rajtam kívül?
Köszi a megoldásokat! Jó éjt mindenkinek!
Szerintem nem kell trölni, de átlehet helyezni Ide. Ne legyen több ugyanolyan topik.
Hello!
Nekem van egy TDA2030ból készült stereo végfokom,ezzel nem lehetne valamit kezdeni hogy basszusa is legyen,mert ha bekötöm a lemezjátszó és a vonalbemenet közé a kellő erősségü hang az megvan de a basszus az nincs. Lehet vele valamit kezdeni??? Kössz üdv!
Sziasztok!
Engem Stereo RIAA korrektor kapcsolás,és nyákterv érdekelne! Kössz!
Ez nem jobb?
edgar találta,néztem hogy az 1. két IC az a táphoz van ![]() Aztán láttam hogy elvan választva a korrektor a táptol ![]() Ez ahogy nézem stereo és egy kis nyákon van,és az LM833-as IC van rajta! ))Üdv!
Sziasztok! Megépítettem a gilszkilabor.freeweb.hu oldalon található riaa kapcsolást és valami nem stimmel mert a magas hangok nagyon torzítanak, és a kimeneten is nagyon nagy jel van , lehetséges hogy túlvan vezérelve az IC vagy mitől lehet?
Az ok , én piezora tippeltem , mert az okozhatott volna ilyen gondot .
Akkor valamit elköthettél , eredeti nyák szerint készítetted ? Úgy működni kellene elsőre .
Igen minden az eredeti szerint van csak én 1 oldalas nyákra csináltam. Az ellenállásokat kiválogattam az ic TL072 (ez volt itthon). Lehet hogy piezo én csak azért írtam MM et mert olvastam az egyik topikba itt h az MM nek kOhm -os ellenállása van hát megnéztem és volt is kb 100kOhm de csak mert rajtá felejtettem az áramkörön . Most megnéztem és "mincs" ellenállása elvileg akkor ez piezo nem?
Akkor jól gondoltam piezó fejjel szerelt lemezjátszód van , de nem baj köss vele párhuzamosan kb . 1K ellenállásokat ( L/R) és rendben lesz a hangja .
Köszönöm szépen a segítséget! Mostmár működik, bár még a magas átvitellel vannak gondok, még mindíg kásás, hol lehetne ezen állítani valamit?, de amúgy 100x jobb lett.
A fej hibáit teljesen nem lehet megszüntetni , esetleg megpróbálhatod 1k alatti ellenállás párhuzamus bekötésével , valamivel még lineárisabb lesz az átvitele . Addig csökkenthető az ellenállás értéke , amíg elegendő szintű jelet kapsz a kimeneten . Kristály PU -k sajnos kommersz készülékekben van és a hangminőségük sem az igazi , de így korrektorral a maximum kihozható vele .
Ha veszek egy olcsó használt MM eset 5-6 ezer körül az megéri? Csak jobb lesz mint ez. Igen ez tényleg ilyen kis bovli "hifi" szerűségbe volt, nem is vártam tőle sokat már ránézés alapján sem.
Ha a piezo PU-t akarod MM-re cserélni , akkor érdemes megnézni , hogy lehetséges-e .Lényegesen nagyobb súlya miatt , nem biztos , hogy beállítható a kívánt tűnyomás .A kar kivitele meghatározza , hogy érdemes-e beruházni rá , nem lesz egyszerű tökéleetesen behelyettesíteni .
Talán jobb megoldás venni olcsón gyárilag MM fejjel szerelt lemezjátszót . Bővebben: Link
Használt lemezjátszóra gondoltam szóval ha megéri akkor inkább veszek mint hogy ezzel játszogassak. Körülnézek, mire kell ügyelni a vásárlásnál?
Ha olcsót veszel akkor is legyen valamilyen márka , AKAI , PIONEER , TAYA , ezek olcsón megvehetőek .
Ha többet is szánnál rá , akkor , DUAL THORENS .. Tű és a fej sértetlen legyen , csapágyak stb..
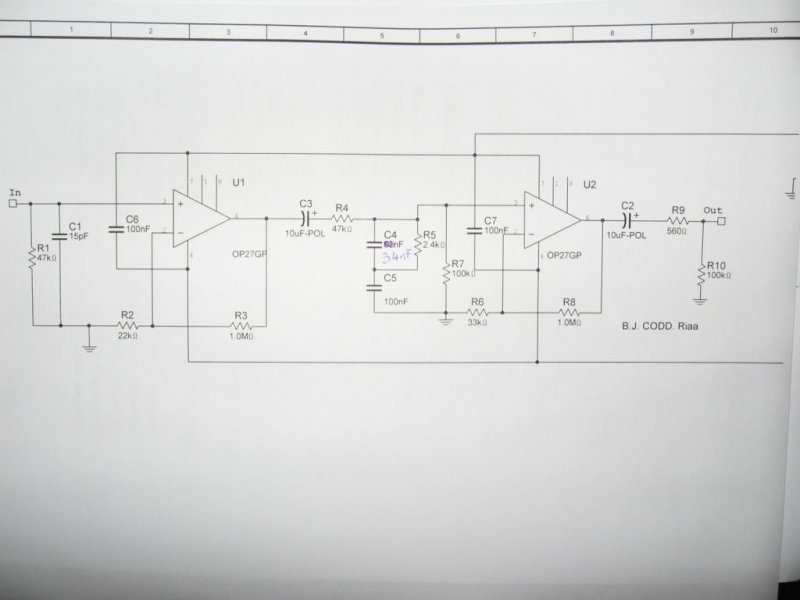
Sziasztok.
Egy régi riaa kapcsolást találtam meg, ami B.J. CODD nevéhéz fűzödik és anno az RT. hasábjail jelent meg. Ez egy olcsó költségvetésű, de nagyon jó hangú kapcsolás(többek állítása szerint jobb, mint a HFM1). Aki megépíti az használjon TL072 v. 074-es ic-ket, mert az eredetiben is ez van, evvel van a legjobb hangja. Táplálás: 2db 12V 7Ah akkuval kizárólagosan.
Sziasztok!
Csöves RIAA korrektor érdekelne, mégpedig olyan amit ECC82 elektroncsövekkel lehet megcsinálni! Köszönöm!
Sziasztok!
Kérdésem csak annyi lenne:Riaa korrektor létezik transistoros is? Mert nekem van egy Orion Orister SE1015-ös erősítőm,és csak tranyókat látok,IC-t nem. |
Bejelentkezés
Hirdetés |












