Fórum témák
» Több friss téma |
Én a ledfüzérek egyik ledjét lecserélném egy ellenállásra .Lásd oldal előtétellenállás számoló képlete.(sok led még nem 3 V hanem kevesebb,meg a 12 v sem mindíg 12V ,néha több.)
Lásd az első oldali kapcsolás értelemszerűen bővítve ,de "jukat" futtat.Szerintem 6 tranzisztortól többet nem várhatsz. Némely kerékpár villogó viszont teljesítheti igényeidet.
A Hobbielektronika.hu leírása szerint elkészítettem a LED-es villogó rendszert. Innen:
http://www.hobbielektronika.hu/kapcsolasok/elektronikai_alapkapcsol...z.html Azonban sajnos mégsem mködik. Egészen biztos vagyok benne,hogy én hibáztam. Kérnék egy hozzáértőt, hogy segítsen nekem kideríteni,mit és hol rontottam el. Az általam elkészített rendszert 2 képmellékleten mutatom be (lásd: lejjebb) Előre is köszönöm mindenkinek a segítséget!
milyen alkatrészeket használtál fel mert nem mindegy hogy mienek itt az enyém nézd ezt meg én is web oldal alapján csináltam
Süsd ki a kondikat, nekem is az volt a baja anno...
Mondjuk egy kis értékű ellenállatot (páz tíz ohm) kötsz a kivezetéseire, vársz pár másodpercet, majd kiszeded az ellenállást és bekapcsolod a villogót. Simán rövidre is lehet zárni, csak akkor nem tudom hogy nem-e sérül a kondi.
szia kapcsolási rajzot nem tudok de tudok egy honlapot ahol tudsz ijen villogót venni kb 2000ft-ért www.conrad.hu és itt keresd meg.
Naa!
Azért egy ilyen kis két LED-es villogót jobbára a műhely összesöpréséből össze lehet dobni! Nem kell azért 2K HUF-t kifizetni a konrádnál! Ráadásul abból, ha csak beforrasztgatja az alkatrészeket egy kész NYÁK darabkába, nem fog tanulni! Igenis, tessék hibát keresni! Abból lehet tanulni, nem pedig a KIT összerakásból!
A bázis és kollektorköri ellenállásokat biztosan felcserélted! :bummafejbe:
A LED-ek innen nem látszanak jól. De azokat is le kellene ellenőrizni! Gondolom a te esetedben kék a + !? :miaz: Megéri FEKETÉT vagy KÉKET - pontnak választani. S a PIROS ( esetleg szükség esetén más egyéb szint görcsel ellátva ) + nak. ... Szóval, én is egy alapos ellenőrzést javasolok!
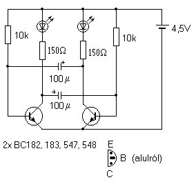
Ez tuti, mert a 10kOhm kerül a bázisokra, a 150Ohm pedig a LED-ekhez!
Az OFF-TOPIC bejegyzéseket töröltem.
Niedziela kívánságának megfelelően az inkriminált mondatot úgyszintén. Ahhoz viszont szigorúan tartom magam, hogy a kifogásolt kifejezést (és annak különféle módosulásait) a fórumban tűzzel-vassal fogom irtani!
Mindenkinek nagyön köszönöm a válaszokat! Tüzetesen átnézek mindent, és lehetőség szerint értesítelek titeket az eredményekről.
Esetleg tudna nekem valaki mutatni ugyanilyen két LED-es villogó kapcsolási rajzot, csak kicsit egyszerűbben , vagy esetleg másképp? (lehet,hogy ez a legegyszerűbb,csak nekem nehéz átlátni?)
Egyszerűbb megépíteni, de sokkal öszetetebb az 555-ös.
G-man: Egy pár alkatrészt nem nehéz összekötni a rajz szerint. Ha kell egyesével vesd össze a rajz alkatrészeit a kész műveddel. Hidd el sok tanulságot le lehet vonni a kis áramkör élesztésénél. Megéri egy kicsit még foglalkozni vele! S az ne vegye el a kedved ha elsőre nem működik. Mert jó alkatrészekkel GARANTÁLTAN MŰKÖDIK A KAPCSOLÁS! Elcsúszni a tranzisztorok rossz bekötésével; a kondenzátorok LED-ek fordított polaritású bekötésével; és az ellenállások felcserélésével lehet. De hogy én is ajánljak valamit: Idézet: „Hipertakarékos LED-es villogó[1].GIF”
Lehet rosszul látom a kapcsolást.
LED és a 47 ohm -on keresztül töltődik a kondi (miért van a + fele a 2.2M felé ?) másik amit nem értek: PNP bázisa alacsonyabb feszen van mint az emitter tehát mindig telitésbe van amitől az NPN is. LED mindig világít. Én ebben nem látom a villogást :no:
Ilyesmi anyagokat hasznáktam fel én magam is, csak az ellenállásnak más a színe.
Arra szeretnélek kérni, hogy fényképezd le a villogódat alulról is, mert nekem a te villogód átláthatóbbnak tűnik. Előre is köszi!
150 ohm, és 10K ( 10000 ) ohm !
Valamit nagy segítség a honlap Segédprogramok / Program(fül) / Ellenállás érték színkódból. A tied is átlátható! Csak egy két ( 3 - 4 ) alkatrész van rossz helyen!
Én is megépítettem azt az energiatakarékos villogót! S elsőre
Valahol a ki mit épített topikban meg is lehet találni... Ja a szimulátorprogram is begondolkodot :buck: a kapcsolástól.
összedobtam hirtelen én is kíváncsiságból.
Tényleg jó Multisim nálam sem tudott mit kezdeni a dologgal
Tegyél rá EXTRA-NAGYFÉNYEREJŰ LED-ET!
Tapasztalatom szerint a szimulátor progik nem tudnak mit kezdeni ezekkel a kapcsolásokkal, ahol a tranzisztorok apró különbözőségén múlik a működés, mert ezek a progik mindig állandó, ideális tranzisztorokat feltételeznek, ami - nyilván - nem létezik.
Annyit még tisztázzunk, hogy az alábbi mellékelt kép felülnézeti,vagy alulnézeti? Továbbá hogy a kapcsolási rajzok felül vagy alulnézeti képek? Ezek nekem nem tiszta dolgok
Azt hogy érted, hogy "alul- vagy felülnézeti" képek?
Ezek kapcsolási rajzok, nem beültetésiek! A nempolarizált alkatrészek (kis kondenzátorok, ellenállások, induktivitások) lábai felcserélhetőek, de pl. egy tranzisztor esetében korántsem biztos, hogy a középső kivezetése a bázisa. Ezek a rajzok csak azt mutatják, hogy mit mivel kell összekötni elektromosan. (Nagyon leegyszerűsítve a dolgot, persze.) A beültetési rajz egy külön "tészta"...
A LED polaritását könnyű beazonosítani egy megfelelő előtétellenállással és egy áramforrással.
A kondenzátoron is fel van tüntetve ha polaritásfüggő... A tranzisztoroknak viszont egyáltalán nem mindegy hogy hogyan van bekötve!!! De OTT van egy tokrajz! S benne a kivezetések neve is fel van tüntetve. DE hogy még kukacoskodjam egy kicsi! MELLÉ VAN ÍRVA, HOGY "alulnézet"! Ekkor a lábak felfelé (forrasztási oldal fele) állnak, és ennek megfelelően kell behelyezni a nyákba (áramkörbe).S példának itt egy villogó. Az egyik kép a beültetési oldal felöl, míg a másik kép a forrasztási oldal felől mutatja a kész áramkört. Vesd össze a elvi rajzal és megtalálod a különbségeket... |
Bejelentkezés
Hirdetés |









:hehe:



