Fórum témák
» Több friss téma |
Le szimuláltam, nekem nem működött.Ha a nyomógombot egy pillanatra nyomtam meg akkor is megvillant a led, ha folyamatosan nyomtam akkor is világított.
És ha megváltoztatod az ellenállások mértékét?
Nem ide való, de milyen tesztert használsz?
Hááát... elég értelmetlennek látom még átrajzolva is a kapcsolást.
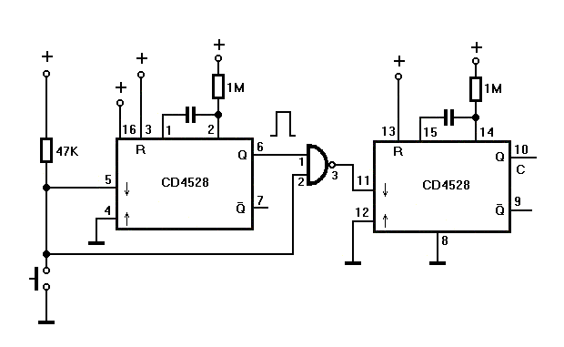
Az a helyzet, hogy az bonyolítja a megoldást, ha a rövid nyomásnak kell aktívnak lennie. Ezt kettős monostabillal lehet megoldani (pl:4528,4538).
Én erre gondoltam...
A gomb megnyomásának pillanatában az ÉS kapu (4093) egyik bemenete 0-ra kerül, miközben a lefutó élre induló első monostabil kvázistabil állapotába billen (annyi időre, amit a gomb "rövid" nyomására szánsz), Q kimenete az ÉS kapu másik bemenetét 1-be teszi erre az időre. Így ha ez időn belül el is engeded a nyomógombot, akkor mindkét bemeneten 1 van, a kimeneten 0 lesz, ami beindítja a második monostabilt ami a tkp késleltetést adja.
Köszi sebi a segítséget!
Akkor mi történik az áramkörben ha folyamatosan nyomom a gombot?Mert nekem az kellene hogy ha momdjuk 3-4 mp-ig nyomom a gombot akkor már nem szabad h. beindítsa a késleltető áramkört (http://www.hobbielektronika.hu/forum/files/0f442b67970e403cd10f6f8113df59ce.gif) csak abban az esetben indulhat be, ha a gombot egy pillanatra nyomom le.
Ez pontosan azt teszi. Ha folyamatosan nyomod a gombot (azon az időn túl, amit az első monostabil meghatároz) akkor az ÉS kapu bemenetéről "eltűnik" a H-szint (a zárt nyomógomb miatt a másik bemeneten ekkor L-szint van) hiába engeded el, akkor már nem indítja a második monostabilt.
Köszönöm a segítséget!
Még annyi kérdésem lenne hogy a kondiknak milyen értéket adjak, mire szolgálnak benne? Mégegyszer köszönöm a rajzot!
Ezt illesztő alkatrészek nélkül is beköthetem a késleltető kapcsolójának helyére?
Mivel nem tudom, hogy annak milyen a bemenete ( az indítás H, vagy L szinttel történik) így ezt nem tudom. A második monostabillal kb 5percet is lehet késleltetni, ha a Tied valamiért feltétlen kell, akkor az és kapu kimenetéről kellene illeszteni.
Ha a tápjuk közös lesz (max 15V a CD sorozatnál), akkor csak azt kell megnézni, hogy az indító nyomógombja tápot v talajt ad. Legrosszabb esetben kellhet egy optocsatoló...
Egy relét szeretnék vele meghajtani, ezért gondoltam h. kelleni fog az is. (a késleltetés alatt azt érted, hogy ha ga gombot csak egy pillanatra nyomom le akkor az áramkör elindul és mondjuk 10mp-ig behúzva tartja a relét? Mert nekem az kellene.)Gondolom a késleltetés idejét akkor a kondik értékével tudnám beállítani. Azt hogy testet ad-e a kapcsoló vagy tápfeszt azt még nem tudom, de rövidesen megfogom vizslatni.
Bocs de kicsit láma vagyok az elektronikához.
Nekem is kellene egy olyan kapcsolás ahol ha megnyomok 1 nyomógombot 1 pillanatra, akkor behúz 1 relét 1-2 percig.
A rajz alapján megépíted a bal oldalon látható részt, a kondival beállítod az időt. A Q kimenetre teszel 2k-s ellenállással egy NPN tranyót, aminek a kollektorába kötöd a relét. Relé a +-ra, emitter a talajra. (relével párhuzamos diódát ne hagyd ki - katóddal a + felé - mert a tranyó elhalálozhat.)
Sziasztok,
segítséget kérek: nem vagyok elektronikailag képzett, de szükségem van egy OLCSÓ és egy magamfajta láma :lama: által is összerakható késleltetőre ami max 1,5 V -ról táplálkozik, és egy kicsi karácsonyfaizzót a kapcsolástól számított 5.-ik mp-ben felkapcsol.... Mivel :lama: vagyok, akár még fizetek is valakinek, hogy csináljon ilyent. Az fontos, hogy kicsi legyen. naon kicsi.... Szóval: segítség?
Jéé.. a témafigyelő ma dobta fel a kérdésed, hogy lehet márc27 a dátum? Végülis mikori a kérdés?
A tápfesz alá helyezéstől 5mp, vagy külön kapcsoló működtetése utáni 5mp-re gondoltál?
Sziasztok!
Tudna nekem valaki segyteni! Egy kesleltetés kapcs.rajzát keresem,amivel egy 12V-os relés áramkört szeretnék késleltetni,kb 10-15 másodpercre,tehát ne húzzon be a relé csak 10-15 másodperc eltelte után.Olyan rajzot keresek amiben nincs IC csak tranzisztor. A segítséget elore is megköszönöm
hello !
legegyszerűbb késleltető, annyi hátránya van, hogy oda vissza késleltet. Ha ez igy nem jó, akkor egy tranyót tegyél még utána.
Hello. Nagyon bizonytalan a relé behúzása,a lassan emelkedő feszültség miatt.
Itt is van átmenet a tranyó kapcsolásában.
Persze. Kellene egy küszöbérték-kapcsoló: komparátor (de nem akar IC-t),schmitt-trigger 2 tranyóval, vagy UJT. Nagyobb tápfesznél DIAC (35V kell).
Nagyon szépen köszönöm a segítségeteket,hétvégén megépítem és kipróbálom!!!
é
Sziasztok.
Egy kéréssel fordulok Hozzátok. Egy ismerősöm megkért, hogy a tolatóradarjához készítsek egy késleltetést. Mégpedig a csipogójához. Az a problémája ugyanis, hogy nagyon szűk a garázsa, és megőrűl a csipogástól, mire betolat oda. (A garázsban nem kell a radar, mert egy "fekvőrendőr"-szerűség van a garázs fala előtt, aminek ha nekigurul a kerék, akkor kb. 3-4 centire megáll a faltól a kocsi.) Szóval egy olyan kapcsolást kellene ehhez csinálni, ami egy gomb megnyomásának hatására 1-2 percre megszakítja a csipogó piezójának a vezetékét, majd az adott késleltetés után visszazárja magától. Azért nem jó egy ki-be kapcsoló, mert a vizuális kijelző a kesztyűtartóban van, ugyanis utólag beépített cuccról van szó, és a LED-es kijelző nem találtatott méltó kinézetűnek ahhoz, hogy a műszerfalon trónoljon. Tehát csak hangjelzés van, nem figyelmeztetne semmi a kikapcsolt radarra, ezért kell automata késleltetés. Elvárás még, hogy 12-15 VDC-ről működjön, és csak a ciklus futása alatt fogyasszon áramot, a késleltetés ideje nem túl fontos, a lényeg csak az, hogy 1 és 2 perc között legyen. Lehetőleg nagyon egyszerű, IC illetve PIC mentes kellene, valamiféle tranyós-ellenállásos-kondis-relés, mert igencsak korlátozottak a lehetőségeim, a tudásomról már nem is szólva. Kapcsolt teljesítmény nagyon kevés, csak a piezó csipogóra küldött jelet továbbító vezetéket kellene nyitni/zárni. Előre is köszönöm az ötleteket, és elnézést, ha esetleg nem voltam körültekintő, de nem találtam hasonló dolgot sehol.
Helló!
Én egy olyan nagyon egyszerű késleltetőt szeretnék ic nélkül csinálni, amely 12V ról müködik, és ha adunk egy pozitiv 12V os jelet akkor a késleltető behuzva tart 5 másodpercig egy kis 12V-os relét, és a jel továbbra is marad akár több órán át is mindegy meddig de a lényeg az hogy a relé 5 másodperc mulva elenged. Biztos van rá egy két tranzisztoros, diódás, kondis, elllenállásos nagyon egyszerű kapcsolás, de próbálgattam és még nekem nem sikerült müködőképeset előállítani, csak olyat, hogy amig kapja a jelet, addig meghuzva tartja a relét, ha elveszem a jelet, akkor a relé 5-6 másodperc mulva enged el-ez a normál késleltető. Várom az ötleteket, minnél egyszerübben, kapcsolási rajzokat.
Hello, ennel egyszerubbet nem tudtam osszealitani:
Kép: Hivatkozás
Kb. igy lehetne egyszeruen megoldani:
Kép: Hivatkozás Amikor az S1 nyomogombot megnyomjak (1-2 sec) a rele azonnal behuz mindaddig amig a kondenzatoron a feszultseg nem eri el a tranzisztor nyitofeszultseget(Ube + Uz). Ekkor a rele elenged, az ontartas kontaktus is megszakad es nem fogyaszt az aramkor. Nem bibelodtem a kondenzator gyors kisutesen mert semmi ertelme.
Szia edgar, köszönöm szépen a rajzot, szerintem jó lesz. Relének majd választok egy többérintkezőst, és akkor simán ott szakítom meg a csipogó jelét is, vagyis csak akkor fog csipogni, ha nincs feszültség alatt a relé. A tranzisztorok kivitele gondolom a relétől függ. Mármint, hogy milyen teljesítményűek legyenek.
Kösz a kapcsolási rajzot, nagyon szuper.
Tranzisztornak jó 2db bc 182? Vagy más bc-s kell?
Helló!
Esetleg meglehetne oldani ugy ezt a kapcsolási rajzot, hogy mégegy kondit berakni, kb 2µF-at aminek az lenne a szerepe, hogy abban a pillanatban amint a kapcsolás 12V-ot kap, mig egyből ne huzzon be a relé, csak 1-2 másodperc múlva, és ezután már nagyszerü ez a kapcsolási rajz. Esetleg kiegészítenéd ezzel a kondival a rajzot. Előre is köszi.
Szivesen, sok sikert.
A tranzisztor (a masodik) a rele arama szbja meg. |
Bejelentkezés
Hirdetés |







