| Fórum témák 
 
 » Több friss téma | Fórum » Csöves erősítő készítése Ne feledd betartani a fórum viselkedési szabályait, és a topik megmaradásának feltételeit. [link] A téma átmenetileg fagyasztva lett, hozzászólni nem tudsz! 
 
				Sziasztok! Még kezdő vagyok csöves témában, ezért kérnék egy kis segítséget. 12AU7/ECC82 helyett mennyire használható az orosz 6N8SZ (cirill 6H8C), eltekintve attól, hogy oktál fejű? Különösen az érdekelne, hogy kis anódfesszel is képes hasonlóan működni, mint a 12AU7? Egyenlőre kisérletezgetni szeretnék velük (gitárhoz előfok, booster, torzító, stb) és ilyen tipust lehet, hogy tudnék jutányos áron keríteni. A válaszokat csak lassan, érthetően kérném, hogy én is megértsem...   
 
				A két csőnek nagyon hasonlóak az adatai úgy mint, erősítés, meredekség, anódáram. Azt nem tudom hogy kisebb feszről is hajlandó-e az orosz dolgozni. Ezeket a csöveket nem annyira előfokban használják, ott inkább az ECC83-mat mert nagyobb az erősítése. Hanem meghajtónak és fázisfordítónak a végcsövek elé. 
 
				Egy őslény ( 1955 )könyvemben szerepel a csöved, amihez legjobban hasonlít,  az ECC40, ami  igen barátságos cső. Régen sokszor használtam. Tulajdonképpen az ECC82 - höz nem  áll messze. Az, hogy sziveskedik e alacsony anódfeszen  jól működni, arról már nincs adatom, ki kell próbálni.						 
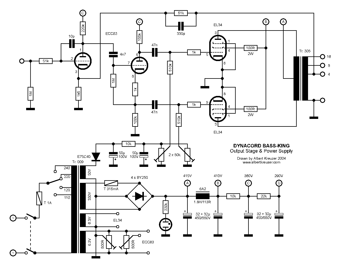
				A következő kapcsolást hogy lehetne úgy átalakítani hogy ne kelljen külön tekecs az előfesznek?						 
				Egy ellenállás osztóval leosztod az anódfeszből, és azt egyenirányítod! Marshallék is használták ezt a megoldást.						 
				Olyan kérdésem lenne, főleg a tapasztaltabb kollégák felé, hogy mit jelent az pl egy EI vasmagnál, hogy "négyszázas", vagy "háromötvenes". csak hallottam erre arra ilyesmit, és én sajnos nem tudom    
				Úgy jó ahogy a mellékletben van? az ellenállások értékei is megfelelőek?						 
				Ha jól okoskodok, akkor így kb 190 V DC lesz a dioda után, amit pl 100 V-os pufferek nem bírnak. 120 K helyett lehetne mondjuk a duplája. A Marshall így oldotta meg!						 
				Mivel greatz hidas az anódfeszed egyenirányítása, sajnos nem tudod onnan megcsinálni a rácselőfeszt, mert ugye hol lesz az előfesz testje (vagy egyutas egyenir. kellene az anódnak vagy duplatekerccsel kétutas). A fűtőfesz sokszorozása lehet megoldás.    Arra valaki (talán Jani) múlt héten tett is be egy jó kapcsolást.   
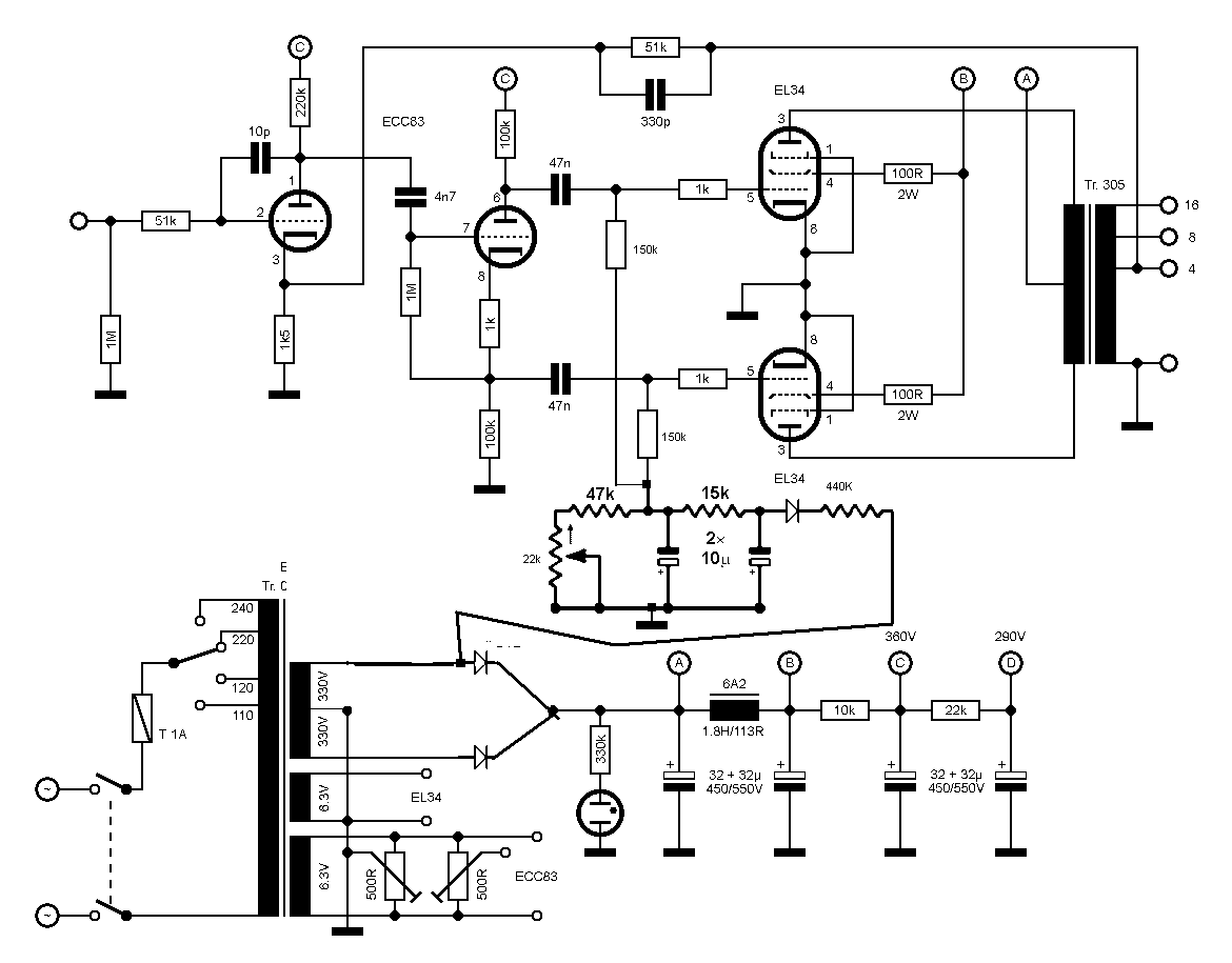
				Kicsit mégjobban átdolgoztam és remélem így már jó lesz.						 
				Így már jó természetesen.   De egy balansz nem ártana. 
				Köszi    Sikerült közben találnom egy remek hálótrafót házzá. Vagy 2 éve menekítettem ki egy roncs eag erősítőből. Sajna az előfesz tekercse leégett rövidzár miatt de szerencsére az anódfesz és a fűtés még jó. A kimenőtrafót az Eag057 es műhelyrajza alapján fogom megtekerni a viszacsatoló tekercsek nélkül. Az előfokcső meg ecc808 lesz mert abból van ithon bőven. Ha kész leszek akkor majd küldök képeket   
				Sziasztok! Nincs véletlenül 1 db működő 6p3sz csövetek? Elcserélném, 1 db kellene. üdv 
				-Én csak simán, csövenként egy- egy potit szoktam berakni a szűrt negatív rácselőfeszre (akkor persze nem kell balansz), közepével a rácslevezetőre. Keveslem a 10+10 µF-ot szűrésnek.    
				A szúrés úgyis nagyobb lesz minenűt az előfesznél minimum 2x 50uF. Nem elég így hogy mindkét cső előfeszét együtt álítóm? Muszáj beállítani csövenként külön külön? A hangzáson javít valamit hogyha külön balanszolom a csöveket?    
 
				Mennyire legyen csiki az az anódfesz ? Hirtelen ilyeneket találtam a fiókban: 6N3P kettőstriod 150V 6N6P kettőstriod 120V, 11mA/V meredekség ! 6ZS1P, 6ZS2P 1X pentod 120V kis zajú 6N15P kettőstriod 100V 28D7 kettős sugártetrod 28V ! És persze ott vannak a szubmini csövek, amik nálam 12V-ról pengenek. 
				Köszi a választ. Magasszintű mozgótekercses, kb. annyi feszt produkál, mint egy normál dinamikus. 
				Közben már én is utánanéztem, csak megzavart az MC-khez képest roppant alacsony ár.    
				Nullkilométeres E jelzésűek. Melyik legyen? 
				Hali! Megjöttek a cuccok, köszönm szépen még egyszer! Tegnapelőtt feladtam a kondikat, megérkeztek?						 
				Mindenkinek csövekben, trafókban, és kondikban gazdag boldog Újévet kívánok!!!!!						 
 
				Sziasztok  kellene nekem egy segitség egy 10w-os erösitöt készitéséhez kellene egy olyan panelt csinálni hogy 9v-rol vagy menjen. hogy tudnátok-e segiteni nekem. elöre kösz. b.u.é.k. mindenkinek. 
				Nem tudom, csak sejtésem van (de azért leírom). A szilícium ötvözésű vasak általában 2,5-4,2 % szilíciumtartalmúak, esetleg arra utalhat. 
 
				Szerintem kapcsitápos topikban kéne nézelődnöd, itt nem hinném, hogy valaki 9 V ról akarna 300 V-nyi anódfeszt előállítani (100-200 W közötti teljesítményfelvétellel). Ha kész az erősítő, akkor 9V dc.-ből 230 V 50Hz (színusz) ac. előállítására alkalmas transzverter kellhet (de 9V-ról 15-25 A közötti ármfelvétel lesz). Nagyon távoli a csöves technikától az ilyen megoldás.						 
				Gyanítom, hogy Sturbi válasza a helyénvaló, régi könyvekben kellene utánanézni. De erre az idén már nem lesz lehetőségem.     
				Ha már ilyen szép ducik vannak, akkor már 2-t kérek     , mert nekem nem ilyen dagadt 6p3sz van. De szerintem ezek 6P3SZ-E csövek. PCL86-t tudok adni, 6e5p nagy meredekségű tetródát (2db, sturbi kedvenc csöve) Melyiket választod? üdv: Müszi 
         már egyet találtam és csak annyi hogy egy ic-kel és hütés amivel elő tudok hozni 50w-nyí teljesítményt. de köszi ezen is gondolkodom köszi helló b.u.é.k | Bejelentkezés Hirdetés | 






