Fórum témák
» Több friss téma |
Fórum » Csöves erősítő készítése
Ne feledd betartani a fórum viselkedési szabályait, és a topik megmaradásának feltételeit. [link]
A téma átmenetileg fagyasztva lett, hozzászólni nem tudsz!
Sziasztok!
Még kezdő vagyok csöves témában, ezért kérnék egy kis segítséget. 12AU7/ECC82 helyett mennyire használható az orosz 6N8SZ (cirill 6H8C), eltekintve attól, hogy oktál fejű? Különösen az érdekelne, hogy kis anódfesszel is képes hasonlóan működni, mint a 12AU7? Egyenlőre kisérletezgetni szeretnék velük (gitárhoz előfok, booster, torzító, stb) és ilyen tipust lehet, hogy tudnék jutányos áron keríteni. A válaszokat csak lassan, érthetően kérném, hogy én is megértsem...
A két csőnek nagyon hasonlóak az adatai úgy mint, erősítés, meredekség, anódáram. Azt nem tudom hogy kisebb feszről is hajlandó-e az orosz dolgozni. Ezeket a csöveket nem annyira előfokban használják, ott inkább az ECC83-mat mert nagyobb az erősítése. Hanem meghajtónak és fázisfordítónak a végcsövek elé.
Egy őslény ( 1955 )könyvemben szerepel a csöved, amihez legjobban hasonlít, az ECC40, ami igen barátságos cső. Régen sokszor használtam. Tulajdonképpen az ECC82 - höz nem áll messze. Az, hogy sziveskedik e alacsony anódfeszen jól működni, arról már nincs adatom, ki kell próbálni.
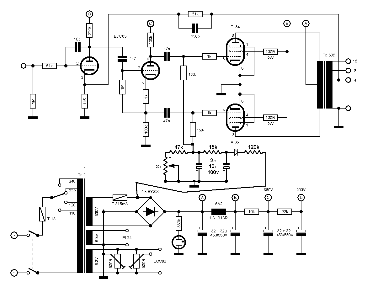
A következő kapcsolást hogy lehetne úgy átalakítani hogy ne kelljen külön tekecs az előfesznek?
Egy ellenállás osztóval leosztod az anódfeszből, és azt egyenirányítod! Marshallék is használták ezt a megoldást.
Olyan kérdésem lenne, főleg a tapasztaltabb kollégák felé, hogy mit jelent az pl egy EI vasmagnál, hogy "négyszázas", vagy "háromötvenes". csak hallottam erre arra ilyesmit, és én sajnos nem tudom
Úgy jó ahogy a mellékletben van? az ellenállások értékei is megfelelőek?
Ha jól okoskodok, akkor így kb 190 V DC lesz a dioda után, amit pl 100 V-os pufferek nem bírnak. 120 K helyett lehetne mondjuk a duplája. A Marshall így oldotta meg!
Mivel greatz hidas az anódfeszed egyenirányítása, sajnos nem tudod onnan megcsinálni a rácselőfeszt, mert ugye hol lesz az előfesz testje (vagy egyutas egyenir. kellene az anódnak vagy duplatekerccsel kétutas). A fűtőfesz sokszorozása lehet megoldás.
Arra valaki (talán Jani) múlt héten tett is be egy jó kapcsolást.
Kicsit mégjobban átdolgoztam és remélem így már jó lesz.
Így már jó természetesen.
![]() De egy balansz nem ártana.
Köszi
Sikerült közben találnom egy remek hálótrafót házzá. Vagy 2 éve menekítettem ki egy roncs eag erősítőből. Sajna az előfesz tekercse leégett rövidzár miatt de szerencsére az anódfesz és a fűtés még jó. A kimenőtrafót az Eag057 es műhelyrajza alapján fogom megtekerni a viszacsatoló tekercsek nélkül. Az előfokcső meg ecc808 lesz mert abból van ithon bőven. Ha kész leszek akkor majd küldök képeket
Sziasztok!
Nincs véletlenül 1 db működő 6p3sz csövetek? Elcserélném, 1 db kellene. üdv
-Én csak simán, csövenként egy- egy potit szoktam berakni a szűrt negatív rácselőfeszre (akkor persze nem kell balansz), közepével a rácslevezetőre. Keveslem a 10+10 µF-ot szűrésnek.
A szúrés úgyis nagyobb lesz minenűt az előfesznél minimum 2x 50uF. Nem elég így hogy mindkét cső előfeszét együtt álítóm? Muszáj beállítani csövenként külön külön? A hangzáson javít valamit hogyha külön balanszolom a csöveket?
Mennyire legyen csiki az az anódfesz ?
Hirtelen ilyeneket találtam a fiókban: 6N3P kettőstriod 150V 6N6P kettőstriod 120V, 11mA/V meredekség ! 6ZS1P, 6ZS2P 1X pentod 120V kis zajú 6N15P kettőstriod 100V 28D7 kettős sugártetrod 28V ! És persze ott vannak a szubmini csövek, amik nálam 12V-ról pengenek.
Köszi a választ.
Magasszintű mozgótekercses, kb. annyi feszt produkál, mint egy normál dinamikus.
Közben már én is utánanéztem, csak megzavart az MC-khez képest roppant alacsony ár.
Nullkilométeres E jelzésűek.
Melyik legyen?
Hali! Megjöttek a cuccok, köszönm szépen még egyszer! Tegnapelőtt feladtam a kondikat, megérkeztek?
Mindenkinek csövekben, trafókban, és kondikban gazdag boldog Újévet kívánok!!!!!
Sziasztok
kellene nekem egy segitség egy 10w-os erösitöt készitéséhez kellene egy olyan panelt csinálni hogy 9v-rol vagy menjen. hogy tudnátok-e segiteni nekem. elöre kösz. b.u.é.k. mindenkinek.
Nem tudom, csak sejtésem van (de azért leírom).
A szilícium ötvözésű vasak általában 2,5-4,2 % szilíciumtartalmúak, esetleg arra utalhat.
Szerintem kapcsitápos topikban kéne nézelődnöd, itt nem hinném, hogy valaki 9 V ról akarna 300 V-nyi anódfeszt előállítani (100-200 W közötti teljesítményfelvétellel). Ha kész az erősítő, akkor 9V dc.-ből 230 V 50Hz (színusz) ac. előállítására alkalmas transzverter kellhet (de 9V-ról 15-25 A közötti ármfelvétel lesz). Nagyon távoli a csöves technikától az ilyen megoldás.
Gyanítom, hogy Sturbi válasza a helyénvaló, régi könyvekben kellene utánanézni. De erre az idén már nem lesz lehetőségem.
Ha már ilyen szép ducik vannak, akkor már 2-t kérek
, mert nekem nem ilyen dagadt 6p3sz van.De szerintem ezek 6P3SZ-E csövek. PCL86-t tudok adni, 6e5p nagy meredekségű tetródát (2db, sturbi kedvenc csöve) Melyiket választod? üdv: Müszi
már egyet találtam és csak annyi hogy egy ic-kel és hütés amivel elő tudok hozni 50w-nyí teljesítményt. de köszi ezen is gondolkodom köszi helló b.u.é.k |
Bejelentkezés
Hirdetés |





Sikerült közben találnom egy remek hálótrafót házzá. Vagy 2 éve menekítettem ki egy roncs eag erősítőből. Sajna az előfesz tekercse leégett rövidzár miatt de szerencsére az anódfesz és a fűtés még jó. A kimenőtrafót az Eag057 es műhelyrajza alapján fogom megtekerni a viszacsatoló tekercsek nélkül. Az előfokcső meg ecc808 lesz mert abból van ithon bőven. Ha kész leszek akkor majd küldök képeket

