Fórum témák
» Több friss téma |
Fórum » Csöves erősítő készítése
Ne feledd betartani a fórum viselkedési szabályait, és a topik megmaradásának feltételeit. [link]
A téma átmenetileg fagyasztva lett, hozzászólni nem tudsz!
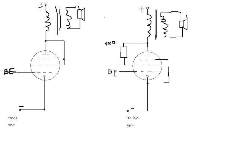
Én az alábbi kapcsolást építem meg.
Az anód fesz 350V. Akkor ennek mindenképpen kell 60V a rácsra. Jól gondolom?
Nekem úgy van kötve,hogy:első rács ugye a jel,második az anódra 100ohmmal,a harmadik a katódra (a foglalaton).
Nekem 360V-ról megy -35V előfesszel és 80mA körül eszik a cső. Szerintem elég lesz nyikolaj,de én még elég "kezdő" vagyok,majd a többiek...![]() Na,én is ezt csináltam meg,csak nekem a második rács az anódra van kötve 100ohm/5W ellenállással(pentódának van kötve a GU).360V-ról megy -35V előfesz,és nekem kb 80mA-t eszik. Ja,meg én 6H8C csővel hajtom meg,de ez lényegtelen.Emlékezeteim szerint az eredeti rajzon sem kell -60V. Szerintem így is jó:
Nekem van külön tekercs a hálózati trafón a segédrácsfeszhez.
Ha pont -35 volt kell akkor is kell tartalék tehát -50V elég lesz. Mert kell egy R-C szűrőtag is bele mindenképp. és meg azon is ejteni kell 5-10 voltot.
Zoli, nekik 350V-on van a segédrács ezért kell -35V. Nekem meg 250V-on van és van -35 voltom de ebből csak -25V kell a 90mA anódáramhoz. Szóval amint az előbb írtam nekik -50V-ból kéne kiindulni, azt még megszőrni R-C szűrővel és úgy mehet a potira. És a poti után se árt egy hdegítő kondi.
Szerintem nem kell fesz osztó csak egy soros ellenállás. Meg kell nézni mennyit eszik a segédrács 250V-ról 90mA anódáram mellett a csőtáblázatban. És a 100 voltot ezzel az értékkel elosztani és megvan a kívánt ellenállás. Nekem nincsenek GU50 karakterisztikáim. Az erősítőt nem tudom megbontani egyhamar ezért nem ígérek biztosat. De ahogy az elején írtam úgy meg lehet határozni.
10mA segédrácsáramnál kellene 10K ellenállás és 1w-al fűtene. De szerintem nincs ekkora áram ott. Tehát egy kicsivel nagyobb ellenállás kell. Én megnézném 15 és 22K-val és megmérném a segédrácsfeszeket. De most ezt nem tudom megtenni belátható időn belül. Valaki, aki tudja nézze meg, vagy marad a táblázat és a számolás
Saját kreálmány a táp és a korrektor is .
Összeszedem a rajzokat és majd mutatom .
így aztán teljesen triódának kötötted a csövet
Ha a segédrács 400V közelében van , akkor kb. -50V kell előfesznek .
Az osztót így lehetne kivitelezni . Vagy alkalmazol köztes megoldást , fiksz és előfeszültséges beállítást egyidejűleg , akkor kisebb - előfesz is alkalmazható , de kell katódellenállás is . Nem rossz ez a megoldás sem , mert a cső öregedése miatt fellépő véltozásokat picit kompenzálja .
Ez az anód tápja .
Többit elküldtem levélben.
Nagyon köszönöm mindenkinek a segítséget.
Sikerült sok információhoz jutnom. Ezek alapján már ki tudom választani a számomra legkedvezőbb megoldást.
Most nézem az osztóban a C2 értke kicsit nagy , elég 1-10u is , mert nagy időállandó miatt gondot okozhat a - előfesz késése.
Mindenkinek:
Nem így vannak a kötések?:
A második rajz hibás így a jó:
jóvan,mert nekem így van kötve...Régen rajzoltál egy GU50 SE rajzot az EM84-hez, meghajtócsővel,és ott úgy van,ahogy rajzoltam(alulról a 2. rács 100ohm-al az anódon,a 3. a katódon).És azt írtan,pentódába kötve .Ki is van nyomtatva,itt van előttem.Akkor ez így....?Mert nekem így szépen megyen,akkor kössem át? Upsz.Na Köbzolikám menny az előzmény hsz-re,ott van a rajzod.
Hello! a Hangszerforum.hu-n a GREG erősítők topikban kérj nyugodtan információt Greg-mestertől nagyon jó erősítőket épít csodás hanggal a megrendelő igényei szerint.
Te a topik indítóra válaszoltál?
Már a 727. oldalnál tartunk
Ha valakinek profi válasza kell akkor szívesen ajánlom figyelmetekbe a GREG erősítők építőjét becenevén Greg mestert a hangszerforum.hu-n a greg erősítők topikban .Ő szívesen válaszol a kérdésekre.
Minek könyörögjünk másnak, mikor itt van az oldalon CHZ, Sturbi, Köbzoli, Djhans, stb.
Köszönjük és személyedet sem kellene kihagyni .
Amióta feltettem képeket az utolsónak szánt SE dobozáról (PCL86) nem haladtam vele semmit. Lehet hogy az idén nem készül el idő hiányában. Pedig "csak"
a dobozt kéne kifúrkálni, bekábelezni meg lefesteni. Mentségemre legyen hogy most a szabadidőt ami szerelésre van szánva, csöves rádiók javítására fordítom. Jövő héten is érkezik egy. Szóval messze még az első PP de jobb későn, mint soha. Nem romlanak meg a kimenő trafók a szekrényben (mert még nincs rájuk feltekerve a huzal) |
Bejelentkezés
Hirdetés |



vagyok,majd a többiek...
Szerintem így is jó: 


.Ki is van nyomtatva,itt van előttem.
Upsz.
rádiók javítására fordítom. Jövő héten is érkezik egy. Szóval messze még az első PP de jobb későn, mint soha. Nem romlanak meg a kimenő trafók a szekrényben (mert még nincs rájuk feltekerve a huzal) 