Fórum témák
» Több friss téma |
Fórum » Csöves erősítő készítése
Ne feledd betartani a fórum viselkedési szabályait, és a topik megmaradásának feltételeit. [link]
A téma átmenetileg fagyasztva lett, hozzászólni nem tudsz!
Sajna lakótelepi vagyok, de hetente 2x én is tavon vagyok, , az Alpári holtág tavirózsáin ülünk csónakban és horgászunk kisebb nagyobb sikerrel.. Megnézem a képeidet, fájditom a szivem.
Ez is csak ezért lett csak mono mert a hálózati trafó eléggé picike , először teszteltem ! és nem igazán birt volna két csövet tartósan ellátni energiával! Próbálkoztam két cső fűtésével csak azt már nem szerette! Még egy trafót meg nem akartam beletenni , ez úgyis csak kisérletnek indult jókis időtöltés! Majd a követező az már Sztereó lessz ! pcl86 se
Olvashattál, az elektroncso.hu-n. Ott olvastam én is ezt, de akkor sem igaz.
Azért ez a mono mostmár marad így ahogy van, remélem és nem szeded szét!!!
Nem nem leszz szétszedve ! most már egy két általam épített dolgot azért szeretnék elrakni magamnak . Mert eddig csak szinte iparszerűen gyártottam a sok sok erősítőt meg a hasonló elektronikákat / Tranzisztoros/ az elmúlt 30 egy nehány évben .és öszintém mondhatom ebből a rengeteg általam összerakott termékből egysem maradt nálam?
Hát igen, a saját kis gyűjteménynek megvan a maga varázsa.
Vegyük úgy hogy az imént elszóltad magad és megfelelő anyagi juttatás ellenében vállalsz dobozkészítést esetleg asvállóból is? Ezt tudva lehet hogy át lesz építve az EM83-as kütyüm amit néhány hónapja prezentáltam!
Arra emlékszem az egy jó kis szerkezet!Ötletes volt a kialakítása a toroid közepébe a cső! Ha megkérnek természetesen segítek amiben tudok bár már a cégnél eléggé korlátoltak a lehetőségek !Van még kb egy tábla 2mm saváló lemezem !
Csak gondold végig, ugyanők leírják, hogy a triódának kötve sokkal kevesebb teljesítményt szolgáltat. Szerinted a triódának kötött pentódánál a segédrácsra becsapódó elektronok nem létesítenek áramot, ami hozzáadódik az anódáramhoz, ráadásul vezérelt is mindkettő. Mégis kisebb a teljesítmény.
Az UL kapcsolástechnika átmenet a pentóda, és trióda között. 0%-nál pentóda, 100%-nál trióda. Ha belegondolsz, a pentóda "felé menet" egyre kisebb tekercsrészen tud "hatni" a segédrács áram, mégis amikor teljesen elfogy, akkor legnagyobb a kivehető teljesítmény. Ezzel jó nagy ellentmondásba kerülnek. A CHZ által is említett 40% körüli megcsapolás azért alakult ki a gyakorlatban, mert ez az a határ, ahol inkább az előnyei vannak meg az UL-nek, a teljesítménycsökkenés még nem jelentős.
Akkor majd lehet hogy meg leszel kérve általam (az a gyönyörű szenvedő szerkezet...). Bár az igazat megvallva lehet hogy az EM83-at hagyom úgy mert egy másik projecthez keresek méltó dobozolást. Ez egy hidegkatódos numerikus kijelző elektroncsövekből (IN-18) kialakított óra. Bocs a megfogalmazásért de így talán nem off-olok és mégsem kellett átrángatnom téged a nixie-s topicra
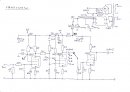
Így áll most a RIAA korrektorom, egy jó darabig így is marad, mert igen szépen szól.
Csak pentódás beállítás kellett?
Eléggé bátor dolog volt a így ketté választani a korrekciós tagokat gondolom számoltál a cső kapacitásaival is .
Muszáj volt, nagyon érzéketlen erősítőim vannak most, normál érzékenységű végfokkal jó lett volna triódás kötésben is (nagyobb erősítési tényezőjű csövek kellettek volna az első két fokozatba, de mindenáron 6zs45-el akartam korrektort csinálni, mert ezekkel még sehol nem láttam semmilyen kapcsolást), meg akkor elég lett volna egy katódkövető, vonali erősítő helyett.
A magas korrektor cseles valóban, de nagyon jó. Nagy amplitúdójú magasak eleve nem kerülnek az alacsony tápfeszű cső bemenetére. Nyilván számolni kellett a csőkapacitásokkal is (félkezes hasraveréses alapon), először a számolt 150 K/470 pF volt benn, utána hallás alapján 2 lépésben lett a 220 pF. A mélynél jó lett a számolt érték, bár a 36 K ilyen volt kéznél (hátha nem lesz kicsi), de bevált módszerrel került bele.
De kis aranyos!!!
Nagyon kis pikk-pakk!! teljesen tetszik, és gratulálok! És szerencsére légszerelt-bakelitszegecselt technológiával készült, és így nem anakronisztikus látvány, mint a LED-el világított elektroncső, IC-s távirányítóval... Szerintem is hagyd meg így monoblock-nak, és ha tudsz, építs mellé egy ugyanilyet.
IMI!!!
Az én két , majdnemtökegyforma 6p3sz-es, és 6L6-os erölködőm is UltraLineárban, és símán kötve 10w külömbséget mutatott, kapcsolásváltoztatás nélkül, azonos beállításban! UL 50%=30w G2 100ohm +Ut-re=40w /450v-ról/
szia!
Ha már nem zavar-flusztrál a kezdeti összezörrenésünk, amit én már el is felejtettem , akkor ütközhetünk, én a CIB-bankba, és a trombita utcai O&V Tksz-be szoktam járni minden hónapban, és a héten még el kell ugranom!Priviben pontosíthatunk! Elég szubjektív fogalom, mi a jelentős. A 10W már jelentős, de tulajdonképpen mindegy, hogy 30, vagy 40W-os, szobába. Jani próbálgatta azt a csúnya drótkupacot, és a 28W-jával teljesen elégedett volt, csodálkozott is, mekkorát szól. Én is elgondolkodtam, kell-e a 6P45Sz "uborkásüveg". Trafóügyileg a PL500 20.000 HUF-al kevesebbe fáj. Szerintem a kb 20 (használt) PL500-sal még hosszú évekig elmuzsikálnék.
Nézegettem a korrektorod átvitelt és kb. +-5dB között megy .Töréspontok is elcsúsztak ..
Szerintem kicsit változtatni kellene , 36K helyett 85k és a 220p az 470p , talán próbáld ki .Lehet , hogy nem jön be , de nem nagy beavatkozás lenne . Itt láthatod a görbéket .
Én is ezeket az értékeket számoltam. A magasnál biztosan nem jó a 470 pF (itt a fej típusát is erősen kalkulálni kell), legalábbis ha 36 K marad a mélynél. 82 K-s előtéttel majd megpróbálom még (ha találok), akkor lehet hogy feljebb kell mennem a 220 pF-al is a számított érték felé.
Magasnál az ellenállás induktivitása sem hagyható figyelmen kívül...., nemigen szimulálható ez a rész.
Hogy jobban látszon , itt van a freki/fázis menet is az eredeti és ajavasolt ..
A változtatos után -1dB belül vagyunk.
yo!
csütörtökönként én max 13:30 ig érek rá mert utána nekem suli!(keddenként úgyszint) a többi napom általában szabad,de a héten tuti ráérek!estefelé leszek megint itt he-n 1/2 9 - 9 felé! addig is jó csövezést! (nem csak neked,hanem minden ,,csöves" társunknak itt a fórumon! )
Azért 2db ellenálás párhuzamosan ezt megoldja .., fülre ez nem belőhető .
Fázismenet is sokkal rosszabb az eredetinél.
Sziasztok!
Elnézést hogy így bele offolok.... Egy kezdő kérdésem lenne (a kezdő kérdésekhez is írtam...de azt nem látogatják ennyire ektívan mint ezt a topicot.....). Van egy sima műveleti erősítőm, ami 1x-et erősít. A kérdés az lenne, hogyha én ezt az erősítőt egy olyan 5V-al táplálom meg amin van valamekkora zaj...pl +-250mV, és a bemenetére egy nagyon stabil 1V-ot adok akkor a kimeneti jelemen is rajta fog csücsülni ez a zaj vagy nem? Tehét kérdés az hogy egy sima erősítő mennyire zajtűrő, azaz a tápzaja ráül e az erősített jelre...? A másik hogy miven különlegesebb egy videó erősítő mint egy erősítő? (Nagyobb a belső ellenállása? Jobban elnyomja a zajt? Miben speciálisabb?) Előre is köszönöm!
OK .
Én azért bízom ebben a szinulációban , mert több korrekton is átfuttatam pl. SP8 és megmutatta a különbségeket . Az igaz , hogy idealizált helyzetet szimulál , de dúrva hibákat nagyon jól megmutat .
Igen a zaj mindég ott van, és ahogy erősítesz az is úgy erősödik. Szűrd meg a tápot, és nincs zaj.
A videó erősítőt hogy érted? A videó erősítő a videó jelet erősíti, az audió, meg az audió jelet.
A középiskolai tankönyvemben így van leírva: Videó, vagy szélessávú erősítőnek nevezzük azt az erősítőt, ami DC-től több MHz sávszélességű.
|
Bejelentkezés
Hirdetés |



, akkor ütközhetünk, én a CIB-bankba, és a trombita utcai O&V Tksz-be szoktam járni minden hónapban, és a héten még el kell ugranom!
Elég szubjektív fogalom, mi a jelentős. A 10W már jelentős, de tulajdonképpen mindegy, hogy 30, vagy 40W-os, szobába. Jani próbálgatta azt a csúnya drótkupacot, és a 28W-jával teljesen elégedett volt, csodálkozott is, mekkorát szól. Én is elgondolkodtam, kell-e a 6P45Sz "uborkásüveg". Trafóügyileg a PL500 20.000 HUF-al kevesebbe fáj. Szerintem a kb 20 (használt) PL500-sal még hosszú évekig elmuzsikálnék.
csütörtökönként én max 13:30 ig érek rá mert utána nekem suli!(keddenként úgyszint) a többi napom általában szabad,de a héten tuti ráérek!estefelé leszek megint itt 




