Fórum témák
» Több friss téma |
Fórum » Csöves erősítő készítése
Ne feledd betartani a fórum viselkedési szabályait, és a topik megmaradásának feltételeit. [link]
A téma átmenetileg fagyasztva lett, hozzászólni nem tudsz!
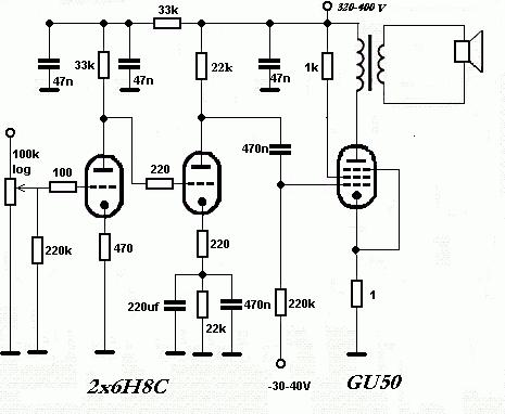
Hát igen nagy gondban vagyok, most tekerem a táptrafót. Én is SE kapcsolást akarok, strereóban.melyiket javasoljátok, nem volna baj ha 10 watt felett lenne a teljesítmény.
Akkor mihez tekered a táptrafót ha még nem tudod hogy melyik kapcsolást szeretnéd ?
igen ismerem, de én a könnyik felét akartam megfogni a dolognak. A trafóval nem lessz gondom, a kapcsoláson filózok, melyik legyen. Találtam 3 félét is. Valószínű hogy a Bozó Balázsét építem meg.A müsziét ismerem az az egyszerűbb változat. Ez lessz a vizsgamunkám. A műhelyben röhögnek rajtam hogy ilyen primitív ósdi dolgokkal foglalkozom.
Mostmár tudom melyiket csinálom.
Ez a kapcsolás lessz, csak 1db 6H. csővel.
Még valamit elfelejtettem kérdezni tőletek az AE 782/A-val kapcsolatban. Hétvégén tervezem, hogy megkeresem mi a baja, de ezt a munkát szeretném azzal kezdeni, hogy kicserélem a régi kondenzátorokat újakra. Na most a kérdésem az lenne, hogy milyen típust tegyek bele? A méretek nagyjából 22n, 47n, 150n, 100u, 50uF, ilyesmi. A néhány pF-os kondikat hagynám, talán nincsen bajuk, de a többi helyére milyet tegyek? Gondolom az elkó helyére elkót, de a többi? Kerámia? Vagy fólia? Vagy milyet?
Köszi, kemil
A végcsöveket(2 db G807) lehet ugyanazon fütötekercsről füteni az egyenirányítócsővel(ez81)?
Nem igazán vagyok jártas a csöves technikában, nem szeretnék észt osztogatni, de az én gyári csöves erősítőmben is EZ 81 egyenirányító van, és mindkét végfokcső fűtését ő látja el. Tehát szerintem lehet.
De azért várj meg egy két rutinos kollégát...
Köszönöm, akkor igyekszem ilyeneket venni
En nem allnek neki esz nelkul kondit cserelgetni, sokat ronthatsz vele a keszulek gyarilag eleg jo hangjan. Ha megis ragaszkodsz hozza en Wima MKP 10 kondit javaslok.
8 ohmos hangfalat is lazan elviseli, nemkell sorba kotogetned!
Akkor szerintem máris tekerheted a táptrafót, 6,3 volt , 12,6 volt , 30-40 volt, "300volt," bár ez függ hogy csöves vagy diódás eggyenirányítást választasz? Azt nem éretem hogy egy 6H cső, ezt csatornánként gondoltad? Nekem már megvannak a trafóim , bár én már régebben választottam a számomra szimpatikusabb kapcsolást.Eddig ITT tartok , most per pill jegeltem a gu projektemet .Mielőtt nekilódulnék addig szeretnék még egy két csöves kis kütyüt összehozni ! némi tapasztalat szerzés sosem árt .
Sajnos muszáj cserélni, mert valaki kicserélte az összeset ész nélkül, fóliára, kerámiára mindenféle típus van benne. De felírtam az általad ajánlott típust. Köszi
Ugy mar mas tema. Ajanlom, merd meg mekkora a kondik labanak a tavolsaga, hogy a boltba megfelelot tudj venni.
Pl a wima 400V os kondija meretben kb egyezik a regebbi remix axialis 250V osokkal, igy szepen a helyere illik es nem lesz takolas a dologbol!
Pontosan ezt akarom én is összerakni, még minden nincs meg hozzá, de igyekszem. Azt hiszem kondi terén a lomexet ki kell fosztani. A tápegységbe 220 uf elkókat teszel? A 40 voltot a 300-ból megcsapolhatom ugye?
Biztos meglehet a 300 voltból is ,feszosztással oldani . De valahol talán itt a topikban olvastam hogy az előfesznek szerencsésebb egy külön szekunder ? Vagy a fütőtrafóról fesz sokszorozóval megoldani . Nekem egy külön picike trafó lessz betéve , így tudtam összehozni! Igen az anódnak 220 uf lessz betéve . A legtöbb alkatelemet a HQvideo ban szoktam venni! A lomexet nem igazán ismerem majd megnézem .
Mielőtt még feleslegesen dolgozol.
Ezt a kapcsolást én tettem fel. Kevés lesz a 40V. Tekerd nyugodtan 60V környékére. Deszka modellben meg építettem és kellett neki min 50V. Érdemes kicsit túl méretezni. A 6H8C mindkét triódájára szüksége van a tisztességes kivezérléshez.
Képzeljétek, tegnap javítottam egy DINACORD EMINENT II. -es ének keverőerősítőt.
A 4db előfokban ECC808-van, egyenirányított, és szűrt 12v-al...(úgy ..szták szét, hogy ECC85-öt dugtak bele, és a graetz híd sittyyy...) ECC808 semmivel nem helyettesíthető? (van még 2 db, azaz már csak egy..) Vagy esetleg csak átkötéssel ECC83? Majd rakok fel képeket!
A soldano végfokot most fejeztem be, ez már a második volt, és ott úgy van a Bias, hogy a 2x370 volt meg van 50 voltnál csapolva, és az egyutas egyenirányítás után 2 db 100 uf kondi szűri, de a pozitv sarok van a testen, és Így lessz -54 volt.
Gondoltam ha ott jó akkor itt is jó lehet, a Gu 50-nél.
Csak átkötéssel pótolható mással.
Úgy hallottam hogy az ECC83 továbbfejlesztett változata a 808, de nem nagyon terjedt el, mert csövet nem fejlesztettek utána, jött a tranyó.
Még egy apróság!
Mivel még nem készült el a kimenő trafóm ezért átalakított háló trafóval próbáltam. A végleges hangminőségről semmit nem tudok mondani.
Mit értsek azon , hogy csak 1db 6H. csővel...?
Ha oldalanként gondoltad akkor ok . Nagyon ismerős ez a kapcsolás nekem is .. nyikolaj -nak igaza van , -50-60V DC legyen az előfeszhez , föleg ha a g2-t felkötöd a tápra és az közelíti a 400V-ot.
Bocsi az előbb nem jól írtam. Ránéztem a kapcsolásra, és azt hittem hogy 2 db 6H ..cső van benne. Rögtön rájöttem, hogy az csak 1 cső külön van jelölve. Eddig egy olyan kapcsolást nézegettem, ahol 1 cső volt jelölve.
60 Voltnál csapoltam meg a szekundert, 300 voltot teszek rá.
sziasztok!
Van két PL500-om és szeretnék csinálni egy PP végfokot de fogalmam sincs hogy mekkora vasmagot igényel a kimenő 30W-on? Valamint a hálótrafó áramait sem tudom, lehet h később sztereó változat lesz tehát 2szeresre kell terveznem. van egy 320W-os toroidom az szerintem elég lesz. A mellékelt kapcsolás mennyire jó szerintetek? A másik két cső a kapcsolásban egyik ECF80 a másik nem tudom milyen és hogy honnan tudok ilyeneket szerezni? Régi rádiókban van? A PL500akat tvből szedtem ki, megvan a többi cső is! PY88,PCH200,PCL84,PCL85,PCF802,PCL86 két garnitúra
Sziasztok!
Került hozzám ma mégegy garnitúra APX-100 táptrafó és kimenőtrafó. A táptrafót lehet használni, én egy EL34 PP-be már használtam egyet, ami egy ismerősnél azóta is működik. A kimenővel nem tudom mit lehet kezdeni, a vas talán SM102 hypersil lehet. A táptrafón van 2x166V, 40V előfesznek és 6.3V is. Ha esetleg valakit érdekel, fel tudom ajánlani a tegnapi építőelemek mellett ezeket is csereberélni. Baromi nehéz amúgy mindkettő
Így már értem .
Elég 45V AC , 60V sok lesz , de azzal is megoldható .
Az a két cső -egy cső, csak a rajzon külön van jelölve.
Helló!
Mire csereberélnéd a táptrafót? Úgynézem a PL500 pp-hez jó lenne, de nem tudom elbírna e két ilyen végfokot? Van egy másik kapcsolás, ez csak 25W-os, néztem a 30W-osnak már bonyolult a kimenője
Habár a végcsövek fűtése akkor nem tudom miről menne
a 40V-ot egyenirányítod, szűröd, puffereled, és mehet a 2 sorba kötött végcső fűtőszálra
![]() Így kb 57V-ot kapsz. Ha beteszed a csöveket (leterheled a kört) akkor úgyis esik kb 2 V és így 55V körül be is áll
A minap találkoztam ezzel a különleges formájú zöldséggel, és azonnal eszembejutott, hogy mire is emlékeztet
![]() Háát nem megdöbbentő a hasonlóság? |
Bejelentkezés
Hirdetés |











