Fórum témák
» Több friss téma |
Fórum » Wand Clock
Sziasztok!
Megcsináltam a Proli007 szerinti áramkört, és működik. Itt mostmár csak a lengési freki a probléma. Ha kisebb, (12Hz most), akkor jobban "széttnyílnak" a karakterek, kitöltődik a rezgés amlitúdója. Ha nagyobb lesz a lengési freki, akkor viszont "besűrűsödnek" a karakterek egyre szorosabbra, ahol már olvashatatlanok lesznek (18Hz-nél már színte egymásra vannak íródva). Néhány felvételben iigy néz ki most. Sziasztok.
Szia Proli007!
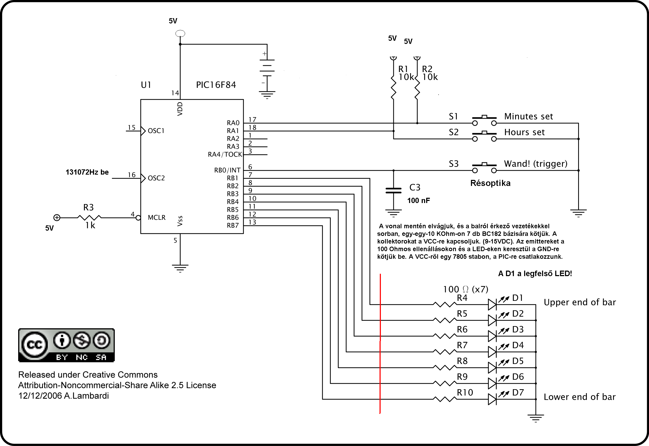
Röviden leírnám Neked, miért kellett négyszerezni ezt a 32768Hz-es kvarcot. Az eredeti program egy PIC16F84-re van írva, ezzel a frekivel. (Magicwand31). Olyan lassú a progi "feléledése", és csak néhány Hz-es lengési frekin működik, (3-6Hz!), hogy át kellett kicsit módosítani. Ezért vált szükségessé a legalább 4*-es freki. Bbatka szépen át is írta, és abban a reményben vettem újra elő, hogy sikerülne igy beűzemelni. Lehet hogy meddő projekt lesz továbbra is, de mindenhogy végig szeretném járni ezt az utat az újabb megoldásokkal. Vannak máris jobb eredmények. Szia.
Hello!
Oké, 3..6Hz az igen darabos lenne. Amúgy jól néz ki. Én nem szeretnék a PIC progiba belemenni. üdv! proli007
Szia Proli007!
Szia Bbatka! - Megy a MagicWand31/131072Hz-es óra 22Hz-es rezgési frekin! Itt van az elkészített óráról néhány kép, és egy csepp AVI is. Sziasztok!
Sziasztok!
Nagyon szépen működik a Wand Clock II. ezzel az egyszerű kis PIC16F84-re írt programmal. A pontossága is megfelelő. Egy archivumban rögzitettem a készülő óra néhány fontosabb epizódját. - Ez csak egy óra, semmi mást nem tud és nem is csinál a 6 digites kijelzésen kívül. A karakter-kiírási beállításokat, a 2. résoptóval lehet "középre" zárni. Ez is résoptikai vezérlésű önrezgő kapcsolással lengeti a kart. Egyszeűsége folytán, könnyen megépíthető verzió lett. Sziasztok.
Sziasztok!
Megint a MagicWand-ról néhány kép, és az eredeti működéséről egy AVI, nagyon érdekes kézi vezérléssel... Az erdeti Magicwand31-től mostmár lényeges külömbségeket sikerült elérni a kijelzés és a rezgési frekvencia szintjén. (26HZ-en rezeg 4-ik napja, és csak 2-3 másodpercet késik azóta.) Itt kell megköszönnöm Bbatka és Proli007! kiváló munkáját is ebben a projekt II-ben. Sziasztok.
Szívesen. Tetszik amit látok. Az a 2-3s még túl sok 4 nap alatt. Szerintem érdemes lenne néhány kvarcot kipróbálnod.
Hello!
Erős a gyanúm, hogy termosztát , vagy szerencse nélkül nem lesz pontosabb. Ha jól számlom, ez a hiba kb. 8,7ppm. A kavics, meg kb 20ppm-es. A 3sec/4nap, egy év alatt 4,5perc hiba. üdv! proli007
Igazad van. Elfelejtettem a 4(nap)-el osztani. Nem is rossz.
Szia Bbatka!
Elég jól sikerült megépíteni ezt az órát, az előszedett "régi" kisérletek alapján, és az újabb fejlesztésű kiegészítő elektronikával. Az óra csak két nyomógombot tartalmaz az idő beállításához, a perc és az óra előre léptetésével. Nagyon csendes lett a működése is, a sok kisérlet eredményeként. A lengő tápegység stabja, (LM317 az lengési amplitúdó mértéke), és a tekercsmeghajtó végtranyó, (BD241), hűtve vannak a folyamatos üzem miatt. (320mA/12V). Kis fényerejű vörös SMD LED-ek alkotják a kijelzőt. (Ezen még változtatni akarok kékre, de ha nagyon zavaró lesz a fényerő éjszaka, akkor visszaépítem. Már csak olyan kijelzőket szerelek össze, amelyek kompatibilisek az eddigi megépitett ilyen típusú óráimmal). - A rugólemez: egyik nagy szerszám és minden egyéb egy helyen, áruházban találtam olyan "Német" gittelőlemez garnitúrát (499Ft!), 0.3mm-es lemezvastagság, erről egy kis archivumban képet is találtok), amelyből számtalan méretű és alakú laprugót lehet késziteni. Forrasztaható a lemez a bevonata miatt! Eddig négy ilyen szerelt kijelző-kar-mágnes-rugólemez összeállításom van már ezekből elkészítve. Szia.
Szia Proli007!
Pont fordítva van, amit eddig itt a lengésről gondoltam. Vagyis, ha növelem a rezgési frekit, akkor szélesednek ki a karakterek az amplitúdótól függetlenül. Ha lehetne ilyet kérni Töled, akkor annyi változtatást kellene eszközölni az oszcillátor és négyszerező kapcsolásán, hogy lenne egy 65535Hz-es változat is. Ez azért volna fontos, mert most kb.:40Hz-es lengéssel lehetne teljesen az amplitúdóhoz kiszélesiteni a kijelző karaktereit. Ha minden igaz, akkor a 32768 megduplázva, éppen 20-24Hz-en lenne szétthúzva a lengési tartományhoz. - Kicsit túlbonyolitottam, de a lényeg: talán elég lenne a kétszeres freki is az óra meghajtásához. Szia.
Szia Bbatka!
Ha még megvan a magicwand31-es projekted, akkor arra szeretnélek megkérni, hogy légyszives írj egy olyan 65536-os verziót, amely 6 digites kijelzéshez van megoldva. Ha sikerülne, tedd elérhetővé a HEX állományt. Szia.
Sziasztok!
Már magam sem tudom, hány kisérletet végeztem ezekkel az órákkal, de még mindig találok újabb megoldásokat, lehetőségeket, mert akad mindig valami... Itt van a kíszálesitett nagy amplitúdójú rezgéssel végzett próba eredménye. Nem tudom a rugólemez meddig fogja birni ezt az igen komoly igénybevételt. (Az a probléma, hogy ekkor már túl nagy áramokat vesz fel a meghajtóáramkör. Néztem H-hid vezérléssel is, ott csak töredéke (0.06A!), a felvett áram). Azt hiszem, az optóvezérlést ki kell majd terjeszteni a H-hidra is valahogyan. Egy kép és egy AVI erről. Sziasztok.
Nagyon köszönöm a gyors segítséget. Ha megnézed a mostani kijelzés módját, (Ora_1), akkor bizonyára látod, hogy a két szélső értéktől jóval beljebb van kijelzés. Ez egy bizonyos szempontból nagyon jó, mert itt nem "torzitanak" még a karakterek. Eléggé homogén a kijelzés. Tetszik nekem is nagyon, de mégis szeretném a teljes amplitúdóban látni a karaktereket. Akkor majd eldől, melyik lesz a jobb megoldás.
- A mostani kijelzési forma már megfelelne az elvárásoknak, hiszen itt valóban rendesen van mindegyik karakter kiírva, egyforma "kövérek". Emlékszem, az elején ez igen komoly gondokat okozott, annyira zavaró volt a "torz" karakterek megjenenítése. Szia.
Sziasztok!
Egy 36Hz-en működő rezgéssel azthiszem az "eredeti" óra frekijéhez jóval közelebb vagyunk. Igy működne, ha a 350-400mA/14V nem lenne egy kicsit sok a meghajtáshoz. (Ez már egyáltalán nem villog)! Egy kép és egy AVI erről. Sziasztok.
Hello!
Hát ez nagyon egyszerű, csak a C4 470pf-ot kell 1nF-ra cserélni. üdv! proli007
Szia Proli007!
Huu! Köszönöm a megpldást, ez valóban nagyon egyszerű lesz. Most egyébként az óra a táp-kimaradás és a "felejtés" miatt, elemmel történő megoldásával foglalkoztam. Ez meg is történt úgy, hogy a 7805 GND-je és a föld közé egy diódát raktam, de hogy 5V legyen a PIC-ken és az oszcin is, a 7805 kimenetével is sorbakötöttem egy ugyanolyan diódát. Ezután 3db AAA elemet sorbakötve, már rá tudtam kötni a PIC-re és az oszcira, szintén egy diódán keresztül. Nem felejt, és igen kis áram folyik főtáp nélkül. (2.3mA!). Ha a főtáp rajta van, (5V!), egyáltalán nem folyik áram az elemek felől. (Na ezt jól leírtam...) - Még annyit, itt egy kép, kb.: 24Hz-től 40Hz-ig, hogyan változna a kijelzés "szélessége" a rezgési amplítúdóban, 131072Hz-es órajellel. (Ha nagyobb rezgési frekin jár, csökken az amplitúdó is). Szia.
Sziasztok
MagicWand31/131072Hz-es változatához találtam quarcot a Lomexben 4.194304 MHz és 29 pénzbe kerül. Ez simán oszthato nagy pontossággal 131072-re. :yes:
Szia Sehaxx!
Próbáltam beszerezni, de sehogysem jött össze itt nálam, csak úgy (2000Ft/db! áron! Ehez már rég megvan az osztóáramkör is. Talán, ha Pesten járok, veszek belőle vagy 5 darabot. Itt az osztó rajza egy 4060-as IC-vel, a Q5-ös kimeneten 131072Hz jelenne meg, ha el nem számoltam... Szia.
Szia Sehaxx!
Egy kapcsolási rajz a magicw31/131072Hz-es-röl, és még néhány segítség is, ha valaki megépítené? Ebben van a lényeg, a HEX! Szia.
Hello!
Idézet: „24Hz-től 40Hz-ig, hogyan változna a kijelzés "szélessége" a rezgési amplítúdóban,” Ez azért nem olyan nagy dolog az egyszerű s=v*t függvény ismeretében. Ha a két felvillanás közötti "t" idő állandó, nagyobb sebesség estén nagyobb utat tesz meg a Led. üdv! proli007
Szia Proli007!
Van a lap tetején egy kép, 36Hz-es lengési frekivel ora36Hz! A piros íves vonalakat nem én húzom, azokat az alsó és felső LED-ek rajzolják ki, és mutatják a valós lengési intervallumát a karnak! Ótt, már majdnem elérték a lengési intervallum széleit a kijelző karakterei. Az ott a magyarázat lényege, vagyis, ha gyorsabb a kar lengése, akkor közelitünk az amlitúdó szélső értékeihez. Minél nagyobb a kar lengési frekije, (max 40-50Hz!), annál kisebb lesz az intervalluma a kar lengésének is, de ezt tudjuk nagyobb áramokkal kompenzálni. A 40Hz-es lengési frekivel, már elérhetik a karakterek az intervallum széleit, (kiszélesednek, kövérek lesznek), és torzulhatnak! Ha még növeljük a frekit, a karakterek a széleknél szenvednek torzulást, vagyis egymásra íródnak. (Régi kisérleteimböl tudok mutatni ilyen torz kijelzéseket, mert ha 3-6Hz-nél nagyobb a lengési freki, máris kitolódtak, a szélekre a karakterek és begyűrődtek..) - Vagy egész másra gondoltál?
Hello!
Nem! Csak arra próbáltam rávilágítani, hogy ez természetes. A tisztes az lenne, hogy a kijelző multiplexer vezérlését szinkronba fogni a szabadonfutó lengéssel. Akkor oda tennéd a képet és úgy ahogy akarod. De ez már programozási, és/vagy egy PLL közbeiktatási kérdés lenne, a rezgés és a multiplexelés sebessége közé.. üdv! oroli007
Szia Proli007!
- Na, végre Valaki pontosan tudja miről is szól ez a kicsi óra működésében. Egy korábbi hozzászólásban már vol szó arról, hogy ez a program nem időziti a kiírást, hanem "ahogy csak bírja" tolja kifelé a karaktereket a kijelzőre. Ezért találtuk ki Bbatkával ezt az órajelnövelést, mert hiába szabadonfutó, ezzel már nem tud mit kezdeni. Egyelőre BEVÁLLT!. Szia.
Szia Proli007!
Hát, én alaposan félreértelmeztem a hozzászólásod, amiért is elnézésedet kérem. Egész másra gondoltam a 24-40Hz-es magyarázattal, vagyis elértettem. - Az, amit a kiírás javításához javasolnál, igazán komoly technikai megoldása lehetne ennek a projektnek. Az óra egyszerűsége, és a már jól működő megoldása viszont, egyelőre nem indokolja ezt a bonyolult beavatkozást, átalakitást. Az a tapasztalat, és szerintem is, igen kevesen fognának bele egy olyan projektbe, amely nagyon sok technikai problémát hordozhat magában, és nehéz lenne házilag megvalósitani. Én úgy gondolom, ez a magicw31/131072 típusú óra, egyelőre nagyon is egyszerű felépitése, igy mindenképpen kedvező megépitési feltételekkel rendelkezik. Szia.
Sziasztok!
Volt egy kis elektromos problámám az órával, amit a BD241 helyettesítése okozott. Egy TIP29A jelű tranyót raktam a helyére, és nagyon komoly áramokkal működött csak a lengés. Először nem is ott kerestem a hibát, hiszen gondoltam u.a., hanem az áramkörben, de kiderült, ez a tranyó egyáltalán nem odavaló, hiába van belőle jónéhány darabom? A cseréje után kijavult a lengés, és elfogadható áramok folynak azóta. (Már 9V/180mA-nél működik minden!) Ez az etalon órám, kb.: 3. hete kisebb megszakitásokkal megy, 24Hz-es optikai vezérlésű lengetéssel. A rugólemez stabilan bírja ezt a frekvenciát, de volt már 36Hz-en is járatva egy ideig. A kijelző levezetései 0.2mm átmérőjű huzalokból csavart "korbács" is hibátlanul tűri a lengés okozta hajlító erőket, nem tört még el egyetlen szál sem, ezt azonnal látnám rajta. Éjjel-nappal megy, igy megtudom majd mennyire stabil az egész összeállítás. Sziasztok.
Szia Proli007!
Találtam a neten egy ilyen "gyári" órát, amely nagyjából ugyanilyen kilengéssel dolgozik, és csak a lineáris intervallumban, (kb. 60%-ban) írja ki a karaktereket. Ezt csak azért jegyzem meg, mert csupán szemléltetésre raktam oda én is a (24-40Hz-es) képi infót. Minden esetre, legalább látni ezen az órán is, mekkora amplitúdóval rezeg a kar, és hogyan viszonyul ehez a kijelzés. Mégegyszer elnézésedet kérem, szia.
Hello!
Késik! Már vasárnap van! Egyébként egyértelmű, hogy a lengés szinusz függvényt írja le, kis torzítással a hajtás miatt. Ott a sebesség nem állandó, csak a nullpont környezetében. üdv! proli007
Szia Proli007!
Na, ezt jól megbeszéltük. Az összes eddiggi kijelzési probléma ebben a szinusz függvényben van valóban. Nem is Neked szerettem volna ezt magyarázni, hanem azoknak az építőknek, akik szemben találják magukat majd ezzel a problémával. Az a meglátásom, és úgy gondolom, nem is változtatok a mostani lengési frekin, (24Hz), és marad a 131072Hz is. Itt legalább nincsennek számottevő torzulások a kiírásban. Szia. |
Bejelentkezés
Hirdetés |



























