Fórum témák
» Több friss téma |
Fórum » Csöves erősítő készítése
Ne feledd betartani a fórum viselkedési szabályait, és a topik megmaradásának feltételeit. [link]
A téma átmenetileg fagyasztva lett, hozzászólni nem tudsz!
Szerintem váltó. Köss rá egy 1kohm-os ellenállással sorba kötött pici hangszórót (PC speaker). Ha búg, akkor váltó. Lehet, hogy halk lesz. Az 1k-s értéket saccoltam, lehet, hogy kisebb kell, hogy jobban, vagy egyáltalán hallható legyen. Itt most nem tudom kipróbálni, hátha valaki tud pontosabb számot mondani.
Sziasztok!
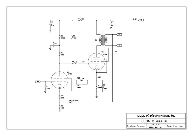
Egy kis tanácsra lenne szükségem. Megépítettem az első csöves végfokomat. A fórum ajánlásait figyelembe véve erre az EL84 SE-re esett a választásom: http://www.elektroncso.hu/cikkek/el84.php. A kimenőt a cikk ajánlásait figyelembe véve tekertettem egy nyíregyházi céggel, mivel sem anyagom, sem gépem nem volt hozzá. A trafó adatai vasmag: EI106 (ez volt nekik, sem EI84, sem EI92) egy oldalról bevasalva. A tekercsek: primer 2 x 1750 menet 0,25-ös huzalból, szekunder 3 x 140 menet 0,55-ös huzalból. A tekercsek elrendezése: szekunder (140), primer (1750), szekunder (140), primer (1750), szekunder (140). Az eleje 6ZS32P a vége EL84 JJ. A fűtés kiközepelve, zaj semmi, a hangja fülre szép, főleg az énekhang eleven. Szinuszban 5Veff kimenőjelnél 8 ohm terhelésen 40Hz-től szemre semmi gond, no de a négyszögátvitele... Már 1KHz-en is elég nagy kilengés, nagyobb mint amiről Rockmenyét a 230573-as hozzászólásánál írt. 10KHz-en pedig már nincs is vízszintes szakasza, csupa hullám. Mitévő legyek?
Semmit. Ez így a jó szerintem. Ezen a képen egy lépcsős 10kHz-es, digitális "szinusz" van felül, alul meg az én PCL86 SE-m által szépen kisimított valódi analóg szinusz. Egyik fórumozó erre azt mondta, ez a szép a csövesben! A csöves ezzel a sajátosságával "megvédi" a hangszórót a folyamatos DC jeltől.
Amúgy meg úgysem a négyszögjelet fogod hallgatni, hanem a zenét (remélem). Egyébként gratulálok az erősítődhöz, biztos szép lehet a hangja. Még egy nagy érzékenységű, nagy átmérőjű papírmembrános méllyel szerelt hangszórót szerezz hozzá (ha nincs), és élvezni fogod a dinamikáját is a zenének! Sztereóra építetted?
Mostanában nem foglalkoztam kimenőtrafók "lelkével", de határozottan úgy emlékszem, hogy a az E I mag -hoz a váltott (kétoldalas) "bevasalást" ajánlották hajdan. Nem jól emlékszem, vagy új szelek fújnak?
Kötöttem rá hangszórót és búg. Viszont kipróbáltam a műszerem 9 V-os elemmel. DC állásban 9,17 Volt, AC-ban 19,4 V. na erre varjatok gombot.
Köszönöm a bíztató szavakat. Sztereóban építettem meg, egyenlőre deszkamodell, de kap majd egy csínos dobozt is. Egy átlagos érzékenységű 89dB-es B&W309-est hajt meg egy csöves korrektorról és hiraga MC-ről egy 18 négyzetméteres szobában. Klasszikus zenén ez is több mint elegendő hangerőt produkál, főképp a feleségem szerint. Képet majd próbálok feltenni.
Nincs DC leválasztás a műszered bemenetén. (Azt ne kérdezd, hogy miért!)
Vagyis SE-nél kötelező az E I egyoldalú vasalás!?
Köszönet a felhomályosításért Zolikám!
Varrnák én rá szívesen, de azon még az sem segítene. Legtöbbször a legegyszerűbb a legjobb. Ha búg akkor váltó, vagy pulzáló. Ha meg csak kattog amikor hozzáérinted-elveszed, akkor meg stabil egyen. Persze ez nem minden esetben kivitelezhető így, arra az esetekre van az oszcilloszkóp.
Köszi a választ. Úgy készítették a trafót, hogy a 0,2 mm-es légrést valamilyen szigetelő papírral alakították ki, de bevasaláskor a lemezek nem mindegyike érte el a papírt, mert miután a kész trafó vasát lekenték valami fekete nitrós festékkel, középtájon a papír a légrésben felpuposodott. Ez lenne a gond? Egy fadarabon keresztül az összefogató csavarokat meglazítva kalapáljam összébb?
A hálózatinál igen, de a kimenőnél KÖTELEZŐ a légrés
0,2-0,5mm
Sziasztok,
a segítségeteket szeretném kérni abban hogy milyen irányba indúljak el?! A feladat: létrehozni egy olyan nem csöves de aktív áramkört amely elég nagy bemeneti impedanciával rendelkezi ahoz hogy ne szóljon bele a dolgok (jelen esetben a katódáram ) folyásába és meg tud hajtani egy 60 ohm belső ellenállású pici árammérőt melynek a végkitéréséhez 5mA szükséges. Gyakorlatilag az 1 ohm-on eső feszültséget szeretném mérni ami így azonos lesz a rajta átfolyó árammal. A mellékelt rajzon jól látszik hogy a PCL86 anódáramának a "belövéséhez" kell a szerkezet ráadásúl kapcsolható formában mert csak egy darab deprez-t tudok használni.Előre is köszi a segítséget!
Légrést ne bántsd , semmi köze a 10KHz négyszög átviteléhez .
Ha van visszacsatolás próbáld kikötni , ha javulna a helyzet , akkor a visszacsatoló ellenállással párhuzamosan kötött kondival kompenzálható bizonyos mértékig . Jó lenne látni az a négyszöget és a kapcsolást is ..
Szia!
A rajz alapján te nem katódáramot akarsz mérni? Ettől függetlenül, az 1 ohm-os ellenállással párhuzamosan, én voltmérőt kötnék be, annak nagy a belső ellenállása, és az ohm törvénnyel kiszámolható az áram is. Ha valamit nem jól gondolok, javítsatok! Szerk: A potid legyen legalább 2W-os!
Igen katódáramot, de gondoltam a G2 árama elhanyagolható így naggyából megegyezik az anódárammal, vagy ez rossz megközelítés?
Egyszerűbb lenne betenni egy 100mV-os kis műszert ha lenne olyanom de sajnos nincs.
Én nem bonyolítánám ennyire , az áramot mérheted teljes katódkomplekszumon eső feszültségből is , csak megfelelő előtétellenállás kellene a műszered elé és hitelesítened kell , így az átkapcsolása is egyszerű lehet .
Tehát az 1 ohm kiugrok, és a sorba kötött 100 ohm-os ellenállás és a 100 ohm-os poti két végpontja közé beteszem a mA mérőt egy akkora előtéttel ami 4-esig engedi kilengeni a mutatót, miközben az anódon 40mA-t mérek?
De akkor ha átkapcsolom a másik PCL-re akkor megváltozik az előző anódárama , nem?
Ha az a célod vele, hogy így a két csövet összehangolod, akkor jó úton jársz (szerintem).
Szerezz hozzávaló műszert, és akkor nem kell bonyolult (esetleg pontatlan) megoldásokon agyalni. Illetve, talán ha a meglévő műszerrel sorba kötsz egy 6Kohm-os ellenállást, akkor így párhuzamosítva a mérésed 100-al szorozva megkapod, az eredményt. Idézet: „ha átkapcsolom a másik PCL-re akkor megváltozik az előző anódárama” Persze, mindennemű műszerrel, csak az a kérdés, hogy mennyire. De ha mind a két helyen ugyanazzal a műszerrel beállítod, majd mind a két helyről eltávolítod, akkor mind a két helyen megváltozik, de egyformán. És marad egyforma. Érthető voltam?
Igen, a célom az hogy bármikor ellenőrizni tudjam az anódáramot és utána tudjam húzni ha szükséges.
Mit szól hozzá a rendszer ha kikapcsolom belőle azt a párhuzamos 6kohm-ot?
Nem 1 ohmos mérőellenállást kell használnod, hanem 6,66 ohmosat, és a műszer átkapcsolásakor a műszer helyett be kell kapcsolni egy 60 ohmos ellenállást, kompenzálandó a műszeren folyó 5 mA-t, hogy pontos katódáramot mutasson 0-50 mA-ig.
Rajzon így néz ki:
sturbi megoldása jó , de ha 6K előtétet használsz az a 200 Ohm -hoz viszonyítva nem sokat változtat , kb. 194 Ohm lesz az eredő , ez nem fog gondot okozni .
Szia!
A kapcsolást megpróbálom beilleszteni, de az említett oldalon megtalálható. Visszacsatolás kettő is van egy lokális és egy átfogó, az elöbbivel párhuzmosan van egy kondi. A négyszögjellel nem csak 10KHz-en van gond, de ott a legcsúnyább, már 1KHz is van tullövés. A mérésről nem készítettem képet, és a generátor csak kölcsönben volt nálam, csak a szkóp az enyém, majd legközelebb.(Vagy emlékezetből lerajzolom) Köszi a választ.
Az átfogó visszacsatolást kéne kikötni és úgy is mérni .
Kimenő is okozhatja ezt a túllövést , az R4 ellenállással párhuzamosan kötnék kondit , 10KHz négyszöges méréssel belőhető az értéke ..
A rendszerben maximálisan 200 ohm van (100+100) ehhez kötöd a 6060 ohm-ot párhuzamosan. Az eredő 193,61 ohm. 6,39 ohm vesztés azaz 0,03195% eltérés. Nem vészes, de jobban járnál egy sima multiméterrel. Vagy ... ezt találtam: Link
Ne má. 10 V (katodkomplexumon lévő fesz.)/6060 ohm=0.00165 A=1.65 mA. Csak megjegyzem 5 mA-es a műszere, akármit kötsz elé ennyinek kell folyni végkitérésnél. Ilyen nagy áramú műszernél nem lehet elhanyagolni a műszeren folyó áramot, csak fix osztóba helyezett műszerrel tud hiteles áramot mérni, és kikapcsoláskor kompenzálni kell.
Én nem ellenőriztem a számítást , csak fentebb láttam a 6k előtétet ..
A 6,8 ohm és a 62 ohm szabványos értékek, ha ezeket használod elhanyagolható lesz a mérési hiba.
Ma is jól végződik a napom.
Apám talált nekem 4 csövet és egy MM kondit. A munkahelyén volt a kukába kihajítva. Na de hogy hogyan kerülhettek oda. Egy EBF89, ECL86, EZ80, és egy EM84-es csövet talált. Holnap szól még a munkatársainak, hogyha van otthon nekik régi csöves dolog és nem kell, adják nekem. Hátha lesz egy pár jó cuccom.
És kipróbáltad jók? nekem is apám olyan helyen dolgozik ahonnan el lehetne hozni csak túl nagy az ellenőrzés és nemlehet pedig ott is telivan csöves tv-kel meg ilyesmikkel. apád mit keresett egy kukában?
|
Bejelentkezés
Hirdetés |


) folyásába és meg tud hajtani egy 60 ohm belső ellenállású pici árammérőt melynek a végkitéréséhez 5mA szükséges. Gyakorlatilag az 1 ohm-on eső feszültséget szeretném mérni ami így azonos lesz a rajta átfolyó árammal. A mellékelt rajzon jól látszik hogy a PCL86 anódáramának a "belövéséhez" kell a szerkezet ráadásúl kapcsolható formában mert csak egy darab deprez-t tudok használni.


Hátha lesz egy pár jó cuccom.







