Fórum témák
» Több friss téma |
Vedd ki a két tranzisztort és úgy próbáld ki az erősítőt.
1. Nem működik -> kicseréled az TDA2030-at. 2. Működik -> visszateszed a tranyókat úgy hogy külön külön borán legyenek (a bordát 3 egyenlő részre vágod), a két tranzisztor lehet egy bordán de a TDA2030 legyen külön. Ha így nem működik akkor teszel bele új tranzisztort és .
Most már nem kell megnéznie :gun: :gun:
Hali!
Tudna valaki segíteni? Itt láttam egy jó kis 18wattos erősítő kapcsolást TDA2030A-val. Meg is építettem, de 3 problémám van vele: - nincs hozzá tápegységáramkör, 15 voltos táp kell hozzá, de 15V-os tápról sehol sincs kapcsolási rajz (gugliben sem találtam). - Szereztem egy tesla trafót, de az csak 12voltot ad le. Megíépítettem 1n4001-el (amik max 1A-t bírnak) + szűrőkondi. Ez tökéletes volt, de amint rátettem az erősítőre, az áramerősség felment 3A-ra, és az erősítőben levő 2db (szintén) 1N4001 fél perc alatt szétégett... Természetesen semmit sem erősített! - alkatrész bőven lévén, kísérleteztem tovább, az erősítőben levő szétégett diódákat kivettem, de nem tettem be helyettük semmit (az ic + és - tápjai és a kimenete között voltak), és bekapcsoltam. Valami füstölt, de leglább szólt! Viszont az erősítő nem erősített, hanem többszörösen gyengített!
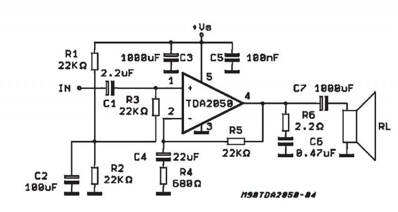
Sziasztok valakinek van nyomtatható nyákrajza ehez a kapcsoláshoz?
Ajánlom figyelmedbe a nyáktervező programokat
Nem árt megtanulni a tervezést... én Eagle-t használok. Persze, ha nagyon nem megy, akkor megcsinálom estére, csak jelezd felém
Eddig tartott. Ajánlom a gyakorlást, mert én se így születtem. Remélem hasznát veszed, le kell hozzá töltened valahonnan az Eagle-t!! Google...
UI.: az esetleges károkért felelősséget NEM vállalok!!
Kössz, ez van ha anyámék sürgetnek. Jobban oda kellett volna figyelnem
. Csak az a vicces, hogy leellenőriztem DRC-vel is és nem jelezte. Eddig jelzett az Eagle, de most nem...
Azt a két vonalat átkötéssel is 1mp alatt ki lehet javítani.
Igen, de ezt másnak csináltam. Ha ő nem vette volna észre valószínűleg az örök szilíciummezőkre került volna a TDA... GLOS majd kijavítja, legalább használja egy kicsit a progit is...
Sziasztok!
Kérdés: Valahol a topicban láttam egy olyat,hogy a kondenzátoron amin nincs érték feltüntetve azon van egy szám: 104= 100nF-os 103= 10nF-os Akkor az 1nF-os lenne a 102-es jelzésű????????? Illetve,ha nincs 1nF-os kondim mivel lehetne helyettesíteni? Előre is köszi!
Köszi és bocsi,hogy olyannal zavartalak amivel nem kellett volna. TETSZIK AZ OLDAL!!!!!
Meg se fordult a fejemben,hogy ilyen is van.
Uff!
Készítettem egy nyáktervet.Gondoltam, feldobom,hátha valakit izgat a dolog. uff
vááá ezek lemaradtak
Üdv mindenkinek!
Mindenkinek köszönöm a segítséget. Sikerült elkészítenem életem első elektronikai berendezését (végfok=TDA2030) és megjavítanom a 2.1-es hangfal szettem ami ugyanezen végfokkal van ellátva. ![]() Sajnos ellenben 1 pici bajom van: Amit én készítettem,ha erősebb jelet kap nagyon zajos lesz a dolog. Lehet az ok az,hogy csak 4.5 V-os tápot kapott eddig? Van egy 30V-os is,csak a kondik 25V-osak és cserélnem kéne őket előtte. Vagy nem lesz baj,ha rárakom? Előre is köszi a válaszokat!!!
1. Gratula!
2. A kondik nagyobb feszültségnél robbanni képesek!! Nemrég tapasztaltam... Tehát csere. 3. 4.5V-on a TDA elég megbízhatatlan: torzít, kicsi a teljesítménye. Az adatlapon a "Output Power vs. Supply Voltage" grafikonról leolvasható a feszültséghez tartozó teljesítmény. Ha jól emlékszem 12VDC van megadva minimumnak.... A 4.5VDC kevesebb mint fele...
Akkor,ha 24V-ot,vagy majd csere után 30V-ot kap akkor elmúlik a zajossága?
Amit én láttam az TDA2030A adatlapján az van,hogy 44 V-ig lehet küldeni neki,de a 24V-os táp is 4500 pénzbe kerül. Mennyiért lehet csinálni egy sajátot kb.?Van pár szétkapott PC-s tápom amit talán át lehetne alakítani. (Ja még annyit,hogy ELSŐRE sikerült a dolog és nagyon érdekes nyákra csináltam. )
4.5 Volt biztos kevés neki. Kondikat cseréld mert ha nem is pukkan el akkor is melegszik és megváltozik a kapacitása
Hát pc tápból max kapcsolóüzemű tápot lehet csinálni, de ahhoz még én is kevés vagyok szerintem. Nem ajánlom. Inkább a "hagyományos" trafó->diódahíd->puffer+szűrés megoldást. De egy akkutöltő is megteszi, persze ha sima áramot ad és nem hullámzót... A legtöbb sajna csak egy vagy kétutas egyenirányítást használ (csak a régieket ismerem). Azok csak a trafóból és két diódából állnak. Érdemesebb kiszedni a trafót és utánakötni a hidat és a puffert.
HÚHA! Hát ez még eléggé meghaladja a tudásom.
Maradok a kész 30-asnál és majd inkább kondikat cserélek. Idővel viszont majd megpróbálok ilyet is csinálni,de a következő művelet egy fényorgona lesz. ![]() Meg csinálok még párat ebből a TDA2030-asból TESLA hangszórókkal. Nagyon jó kis 15W-os gumimembrános sugárzó. Ja még valami: Van 2 104-es és 1 105-ős jelzésű kondi aminél nem számított a polaritás,azok vajon hány V-osak lehetnek?
Az tényleg jófajta hangszóró, nekem is van kettő vagy 20 évesek, de még mindig nyúzom.
Idézet: Mutatnál róla egy képet? „nagyon érdekes nyák”
Szeva.
Hát az enyém is meg van már min. 20 éves és csaptam is neki rendesen annó, de szerintem többet bírnak,mint 15W. Csináltam a "késztermékről" pár képet,megpróbálom a jobbakat feltenni. ![]() (Úgy néz ki,hogy a fényképezőm meg besz.....t Hát ilyenek lettek.Remélem azért lehet belőle valamit látni?!)
Látom nem csak én vagyok olyan elvetemült, hogy erősítőt lyukraszteres panelra építsek
Nekem az IC nem is volt a panelban, hanem vagy 20 centi kábellel volt hozzákötve. Én nem méregettem, mennyit bírnak, a VF3-hoz is sorba vannak kötve, mert így jön ki a teljesítmény 15W körülire.
Hát én inkább kicsit meghajlítottam a lábakat és rá tettem az IC-t.
Nem akartam össze-vissza gabajodni a sok kábelben.Amit elküldtem képet még nem a végleges állapota.Lesz hangerő potija és lecsatolható be-ki és táp bemenete. Szépen ki lesz vezetve jack-re a bemenet és sztereó lesz vagy 2.1-es.Már rég kész lettem volna,csak át kellett dolgoznom a rajzot erre a lyukacsos nyákra,na meg ez az első ilyen szakbarbár melóm. (Szakácshoz képest ?!?!?! )Ezt viszont nem értem: Idézet: „Én nem méregettem, mennyit bírnak, a VF3-hoz is sorba vannak kötve, mert így jön ki a teljesítmény 15W körülire.”
Írtad, hogy szerinted többet bírnak, mint 15W, én meg arra akartam célozni, hogy nem hajtottam túl őket, megnézni, hogy milyen teljesítménynél torzít be, vagy melegszik fel a hangszóró... kb 15W-ot kapnak
Ja értem.
Én annó egy szalagos magnóval küldtem neki amihez 2 60W-os fal volt,de azok meghaltak és ezekkel meg szólt rendesen és gyönyörű hangzása volt. Szerintem kaphatott vagy 2*40W erősítést. A legcsodálatosabb a gumimembrán.Nem használódik el. Két feleannyi idős Videoton falat kaptam szét és a papírmembránja porrá esett! Most cserélem le a kondikat az erőlködőben és megnézem mit bír a fal 17.5W erősítéssel.
Azokat mindenképpen cseéld le nagyobb feszültségüre, külömben tüzijáték lesz a vége. Amúgy azért lesz zajos, mert az a 4,5V nagyon kevés ennek a kapcsolásnak. További sok sikert az elektrohoz!
|
Bejelentkezés
Hirdetés |




.


. Csak az a vicces, hogy leellenőriztem DRC-vel is és nem jelezte. Eddig jelzett az Eagle, de most nem... 










