Fórum témák
» Több friss téma |
Szia!
Az NTK a hőmérséklet emelkedésével csökkenő ellenállást mutat, a PTK pedig pont fordítva. Neked a kapcsoláshoz NTK kell,különböző értékűeket árulnak. A 3915 IC-t ajánlom, mert széles tartományban akarsz mérni. Üdv
Hello!
Azt neked kell eldöntened. Lineáris az nem lesz soha, de közelítő lehet. Az ábrán a feszültségosztó kimeneti feszültség változását látod, a hőfok függvényében. (Az értékét ne figyeld, csak a jellegét abban a tartományban ahol használni szeretnéd.) üdv! proli007
köszi mindenkinek a segítséget! jövő héten nekilátok.
Üdv! kicsit kihalt a topic!
Eljött a suliban a nyári gyakorlat ideje és valami kellene építeni! Egy led kijelzős hőmérőre gondoltam. Ha valaki tud egy jó kapcsolás akkor azt megköszönném! Egy ilyesmire gondoltamBővebben: Link
Hello!
Nem baj, hogy a kereső, erre a "hétszegmenses hőmérő" kulcsszóra 53 témát talál? :no: üdv! proli007
Üdv építenék egy ICL7107-es vezérlésű hőmérőt. kijelzőnek egy bazi LED kijelzőt használnék. (kép) Természetesen tranyók kapcsolgatnák a kijelzőt, mivel egy szegmens 9-12V-on működik. Szeretném ha a kijelzés tized pontosságú lenne, és mérne mínuszba is, amit ki is jelezne egy csíkkal. Szeretném még, ha az ICL7107-en kívül más IC nem kellene bele, csak R C és potméter.. (természetesen még más is ha kell, ami itthon megtalálható, de mindenféle IC-m nincs itthon) egyszer meg is építettem egy ilyet, de nem használtam, mert igencsak ugráltak a számok értékei. Mit ajánlanátok?
Ebbe kell 4049 IC... ICL7107-en kívül más IC ne legyen benne. olyanra lenne szükségem.
Az adatlapján szereplő kapcsolások nem jók?Bővebben: Link
Szia!
Kicsit utána kellene olvasni! Ennek az IC-nek +-5V stabil feszültség kell. Nem tudod megoldani, mert a +5V-nak legalább kell egy 7805, és az is IC. Ha ilyen igényeid vannak próbáld meg a 7106-ot LCD-vel, annak elég egy 9V-os elem.
Na jó, azon kívül gondoltam, mert az van, de egyébként már találtam egyet, és nagyszerűen működik az 57mm-es kijelzőkön
Bővebben: Link Csak 6 IC van benne az ICL-en kívül, de mér kinti, benti hőmérsékletet is. Minuszba is.
A cikkem róla még csak sajnos a 2. oldalnál jár. Pedig régóta tervezem a befejezését. :hide:
Úgylátom a kinti és benti hőmérést kapcsolóval váltod. Nem szekálás képen, kössz a videót is, de miért kell bele egy csomó IC?...
az én kapcsolásomban csak egy darab ICL7107 van, és egy 7805-ös stabilizátor. tizedes pontosság, mér -199,9 től 199,9-ig. Esetemben csak -99,9 +99,9, mert csak 4 kijelzőm van, és az első kijelző csak télben mutat egy mínuszt Egyébként az enyémmel is lehet kintit-bentit mérni, tök egyszerűen, egy kapcsoló beiktatásával
Nem kapcsolóval váltom. Magától vált kb fél percenként a két kijelzendő érték között, plusz sokkal lassabb a mintavételezése, hogy ne zavarja bármilyen kis szellő. Így nem ugrál az érték sem. Sokat szórakoztam vele, mire jó lett. Ezért kell a plusz IC bele, mert mindent magától csinál. ja és a negatív tápfesz IC és a stabilizátor is bele van számolva.
Az én eredeti kapcsolásom szerint volt benne egy NE555N (na jó az is van itthon) ami magától kapcsolja a külső és belső hőérzékelőt, de én azt nem építettem bele. Egyébként a szám nekem stabilan áll.
hello engem érdekelne elküldenéd a terveit mindennel együtt ide reapergergely@gmail.com
a terveit mindennel el tudná küldeni erre a címre gergelyferenc18@gmail.com ? Előre is köszönöm !
ezt a ict nem lehetne hejettesiteni pic 16f628 - ass al ?
Hi Mesterek.
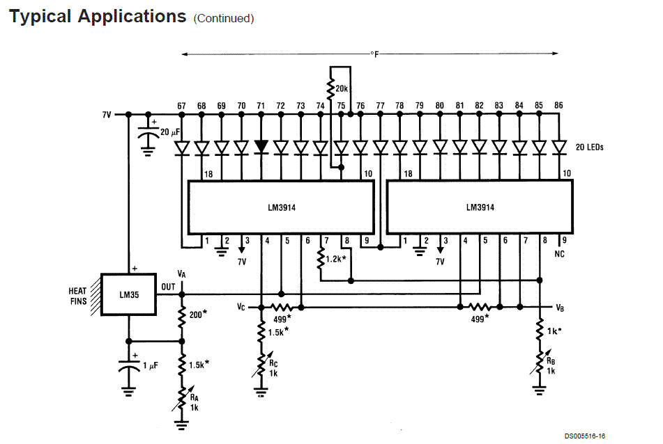
Szeretnék egy hómérőt csinálni motor henger mérésére. Van nekem egy LM335-ős és ennek az adatlapján van egy kapcsolás LM 3914-essel összehozva. Úgy szeretném megcsinálni hogy 90 és 130 C° között mérjen. Gondolom ezt valahogy be kellene kalibrálni. És max. 1db IC-vel azaz 10 leddel szeretném. Segítséget előre is köszönöm.
Sziasztok nekem olyan kérdésem lenne, hogy az LM3914 IC kapcsolását alapul véve csináltam egy kijelzővezértlőt. Van valamilyen más IC, amelynek a bemeneti jele nem csak 1 V, hanem 12 V is lehet?
Előre is köszi
Hello!
Miből gondolod, hogy csak 1V lehet a bemeneti feszültsége? Az IC a Refhi és RefLo közötti feszültséget osztja 10 felé, és ehhez képest jelzi a bemeneti feszültség értékét. De ha kicsit utána néztél volna, számos példát találsz itt a lapon, ahol 10V körüli a referencia feszültség. De ha az adatlapot megnézted volna, akkor láttad volna, hogy "Internal voltage reference from 1.2V to 12V" Tehát a mérési tartomány teteje 1,2V..12V között változhat. Természetesen ha a tápfeszültség nem nagyobb mint a referencia (pld. 12V), akkor a referencia sem lehet nagyobb a tápnál. Viszont semmi nincs veszve, mert a bemeneten egy feszültségosztó alkalmazásával a mérendő feszültséghez igazítható. (pld. 6V a RefHi, és 1:2 bemeneti osztóval, már is a kívánt 12V lesz a végérték.) üdv! proli007
Hello!
Az LM335 10mV/K jelet szolgáltat. A 90°C=363,15K=3,631V A130°=403,15K=4,031V Ezt a két feszültséget kell a RefHi és RefLo lábakra vezetni, hogy a kijelzés 90..130°C között legyen. A mellékelt referencia osztóval a kívánt feszültségek beállíthatók. (Először az alsó értéket, majd a felsőt kell a potival kalibrálni.) De jobb lenne a 85..135°C választása, mert akkor egy Led 5fokot jelentene.. (Az LM335-nek kb. 1mA áram szükséges. De katalógus szerint az LM335, nem mér csak a 100fokig. LM315 lenne szükséges.) Azt nem tudom, hogyan dolgozza fel az LM3914 a 400mV-os tartományt, mert a minimális RefHi-RefLo feszültségre az adatlap nem tér ki (vagy én nem láttam) üdv! proli007
Helló!
Lenne egy "buta" kérdésem, amire nem találok választ. Függ a hőmérséklet kijelzés a tápfeszültségtől? Tehát pl motorban, ahol az akku feszültsége közel sem állandó, ott szükséges a stabIC használata?
Hello!
A kérdés, nem azért "buta" amire gondolsz, hanem azért, mert nem mondtad meg mi méri a hőmérsékletet. Tehát, ha higanyos a hőmérő, akkor nem függ a tápfeszültségtől. üdv! proli007
Ezt valóban nem mondtam, de a témában lévő kapcsolásra gondoltam. Tehát LM3914 és NTC. Bővebben: Link
Helló!
Nem függhet a tápfeszültség változástól, mert az IC belső referencia feszültségét használja az NTC ellenállás is. üdv! proli007
Hello!
Bocsánat, hogy itt értetlenkedek, még kezdő vagyok az elektronikában. Ha a RefLo 0V, a RefHi pedig 12V, akkor a signal jel nem kap áramot, akkor a Ledek nem világítanak. Ha 6V-ot kap, akkor 5 világít, illetve ha 12 V-ot, akkor mind a 10 Led világít. Jól értelmezem a témát, vagy nagyon mellé nyúltam?
Hello!
Jól értelmezed, csak mint említettem, a tápfeszültségnek, legalább 1,5V-al magasabbnak kell lenni mint a referencia feszültség. Viszont ha a Led-ek feszültsége is ennyi, akkor 10mA mellett, már biztos túlmelegszik az IC. De nincs értelme ekkora referenciát beállítani, mert a maximális bemeneti jel, leosztható a RefHi értékére. üdv! proli007 |
Bejelentkezés
Hirdetés |






A cikkem róla még csak sajnos a 2. oldalnál jár. Pedig régóta tervezem a befejezését. :hide:
az én kapcsolásomban csak egy darab 








