Fórum témák
» Több friss téma |
Fórum » Kapcsolási rajzot keresek
Témaindító: Kallai Csaba, idő: Márc 11, 2006
Témakörök:
Köszönöm még egyszer! Ha jól néztem, akkor a CD4046-os IC az, amit keresek!
Hello!
Jaj bocsánat! Most látom, hogy nincs ott a típusa. A helyzet, hogy nem tetszett a CD4046 rajza a rajzprogramban, ezért kreáltam egy új alkatrész rajzot, csak aztán már nem neveztem el. üdv! proli007
ÜDV mindekinek ! kapcsolási rajzot keresek . Hordozható DVD :TECHNIKA PDVD807. Elszált az átalakító ( 12-24 V ) . Így 24 V-ot kapott a DVD , a hanszórók elnénultak . A fejhalgató kimehet sem müködik . Az AUT kimenetén van jel. Minden más müködik a gépen. A kijelző mögött lévö panelon van egy SMD 3 lábu alkatrész (A7 52), a teteje el van repedve. A panel SZ: E 193079. Elöre is köszönöm a segitséget. balu@widenet.hu .
Helló! Köszönöm ,hogy elküldted de eddig még nem érkezett meg.
Szevasz
Sziasztok,
nemrég vettem használtan Aleph Euro-90 típusú mozgásérzékelőt riasztóhoz. Tudna esetleg valaki leírást, bekötést (akármit ) hozzá?Segítségeteket előre is köszönöm: rtom Sziasztok Ha tudna valaki segíteni ,jó volna . Kellene egy automata mosógépnek a kapcsolási rajza , típusa Bosch WOB 1200 . Előre is köszönöm !!!
Üdv!
Leírást sajna nem tudok hozzá, de: Power= betáp pozitív/negatív (az alaplapon vagy a fedélen jelölik hogy melyik melyik) Alarm=Riasztás relé kimenet (riasztáskor megszakít, alaphelyzetben zárt) Tamper=szabotázs kapcsoló (ha a fedelet leveszik, akkor jelzi a központ felé hogy babrálják a rendszert) Dip kapcsolók= első kettő: impulzus számlálás választás (Érzékenyebbé vagy lassabbá választhatod). A 3-ik a Ledet kapcsolja ki-be A maradék 3 csatlakozó meg gőzöm sincs
Sziasztok valaki megtudná nekem mondani ,hogy hol keressem a hobby elektronika 2004/11 számában abbahagyott infra távszabályzos 2x15w hi-fi erösítö többi rajzát, met álitolag a 2005-ös kiadás már füzet
Heló
Igazából nem is kapcsolási rajzot keresek, hanem inkább nyáktervet, meg beültetési rajzot,(alkatrészlistát)! Egy hangszínszabályzóhoz, amit az erősítőbe a végfokok elé kell tenni! Olyan kellene ami már bevált, biztos hogy működőkepés, és a hangerő, meg a balansz mellett a mélyet, közepet, meg a magasat is külön potikkal lehessen szabályozni, és hangminőségre jó legyen a kapcsolás! Köszönöm a segítséget heló
Sziasztok!
Neten semmi értelmest nem találok: Tesla Nova 441 A-6 rádió kapcsolási rajzát nem tudja valaki föltenni? Nagyon megköszönném!
Sziasztok!
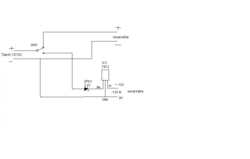
Olyan kapcsolási rajzra lenne szükségem, ahol villanyvasutat tudok előre hátra mozgatni. Van egy 1A-es kapcsolóüzemű hálózati dugasztápom, amiről a 12V egyen feszt előállítom. 1 potival, vagy 3 állású kapcsolóval szeretném előre illetve hátra mozgatásra bíztatni a mozdonyt. Talán a kapcsolós megoldás jobb lenne, mert az szerintem olcsóbb. Ha meg potis megoldást ajánlotok, akkor valami lineáris potival közép állásban áll a vonat, egyik irányba tekerem egyik irányba megy, de fokozatmentesen gyorsul, és a másik irányba tekerem arra felé is fokozatmentesen gyorsul. köszi.
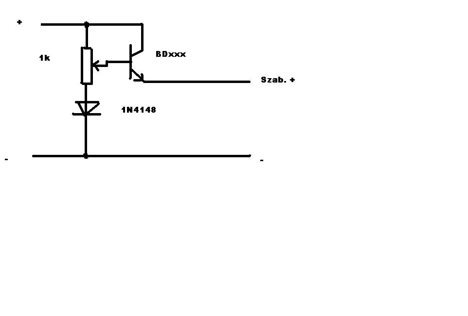
Így biztos nem. Ez a kapcsolás "több sebből vérzik". Először is, ugyanarra a sínre kell a fordított polaritású feszültséget rávinni, hogy ugyanazon vonat előre-hátra mozogjon. Ha csak 1x12V áll rendelkezésre, nem lehet a polaritást úgy megfordítani, hogy az egyik (-) pont marad a helyén. A + betáp pontból a 7912 "kedvéért" sem lesz negatív, a zéner szerepét meg végképp nem tudom hova tenni. Polarítást váltani csak két áramkörös kapcsolóval lehet, a mozgóérintkezőkről a sínre, a két szélére pedig a +- táppontokat keresztbe.
Szerk: Persze, ez még mindig nem szabályoz. Hozzáteszem, hogy a betáp ágban elhelyezhetünk egy teljesítménytranyót, meg egy megfelelő értékű (és terhelhetőségű potit), és már szabályozhatjuk is.
Így szabályozhatod az irányváltó kapcsoló előtt.
Köszi Imi. Ezt meg fogom építeni az iskolában építettünk a gyerekekkel terepasztalt, és jobb hijján eddig krokodil csipeszes megoldással ment előre-hátra a vonat. Valami kis dobozba belebarkácsolom ezt a szabályzót aztán mehet az eleje.
szerk: most jobban megnézem azt a kapcsolós megoldást...b.szus hát erre igazán rájöhettem volna magamtól is! Mindenesetre így könnyebb volt megint nem gondolkodni, csak kérdezni.
Szia! A zénert azért raktam, mert a 7812-nek is kell min. 14- 14,5V. De a 7912-nek már beugrott, hogy nem kell, mert az -12V-ot csinál. Azért gondoltam, hogy 7912-t rakok, mert az -12V-ot ad a vonatnak, a GND 1 oldalon marad, a kapcsolóval meg kiválasztja, hogy +12V, vagy -12V menjen az egyik sínre.
Jó lenne a megoldásod, ha lenne -, és + feszültség is. De nincs. Egy dugasztáp nem nagyon szokott +- feszültséget szolgáltatni, a GND-hez képest.
Az előbbit rajzoltam meg egyszerűen. Erre gondoltam, tehát egy sínre megy a +12V vagy a -12V, a másikra meg a GND. Beraksz egy 7912-t és kész.
:felkialtas: :felkialtas: :felkialtas: Denon DCD-595-ös asztali CD-lejátszóhoz valaki tud kapcsolási rajzot?
Fok-gyem TR9193/A dual labortáphoz lenne valakinek szervízdoksija vagy kapcs rajza? A Google csak egyet talált de az nagyon rossz minőségű. Köszönöm előre is
hello mindenki! Azt szeretném megkérdezni lenne két alkatrészem ezeket mivel lehet helyetesiteni? Hogy lehet keresni helyetesitő tipust? progival weboldal? egyéb ötlet?
Alktrészek IRF BG30, BUZ78, Még azt is kérdezném hogy pl. a buz adatlapján amit a "barátunk" kidob első találat, szerepel három érték Vds ez gondolom a max feszültség, Id ez a max áram, ?? és lenne a harmadik Rds valamennyi ohm menyiség erre lennék kiváncsi ez eltérhet e attól amit helyettesitenék jelen esetben a BUZ80 hasonló de csak 4ohm ez az érték, ami a BUZ78-nál 8ohm. Ez az Rds érték a rf bg30-nál is meg van ez pontosan mit jelent?? köszönettel minden kedves hozzászólást!
sziasztok!
találtam a padláson egy ezer éves erősítőt, legalábbis gondolom hogy az lehet, látszik rajta hogy homemade csinálta valaki. 4 nagy tranyó van benne (2db SFT214 + 2db AM18) Valaki tudna segiteni, esetleg ismer hasonlo kapcsolást, nemsokára rakok fel képeket.
sajnálom kidobni, hátha életet lehet bele lehellni, legalább meghallgatni
Üdv MINDENKI!
Igazából nem rajzot keresek,hanem olyan valakit aki tud SZLOVÁKUL,mert egy rajzhoz csatolt dokumentumot kellene lefordítani.Ha valaki tud kérem segítsen! Köszönöm
Nem tudom. Érdekes látni, de nem hiszem, hogy ebbe életet lehel valaki. Ha nálam lenne, biztos megnézném, de ettől nem kellene csodát várni, még Ge tranyót is felfedezni véltem az utolsó képen. Azt pedig már elég régen nem használjuk hangerősítőbe.
Helló !
Ha én találtam volna padláson valószinűleg vissza vinném. De nem akarlak lebeszélni róla ,porold ki a hangszóró kimenetre tegyél műterhelést ,biztos ami biztos. És dugd be a konnektorba. Lesz ami lesz. De ne érj a fém alkatrészekhez mert mint bölcs tanárom mondta. " az az alkatrész amiben áram van ugyan úgy néz ki mint amelyikben nincs csak más a fogása ! " És takard le valamivel mert ha egy elkó felrobban elég nehéz össze takarítani. A viccet félre téve kösd le a tápot és először azt nézd meg van -e tápfesz. Szemrevételezéssel is megállapítható ha nyákokon égési nyomok vannak. Az erősítő panel táp bemenetét is mérd meg ohm mérővel nincs-e zárlat. A kondikat sem árt megmérni mert a padláson nyáron 50-60 celsius is lehet és a kondik kiszáradhatnak. Ha minden rendben akkor főpróba de az érintés védelmi szabályokat vedd komolyan !!!
szia!
szoval kiprobáltam, a jobboldali csatorna működik a baloldalon vmi zárlat van, ellenőriztem a kötéseket, de továbbra se megy ez az oldal, monjuk ezen asz18 as tranyok vannak, nem mint a másik oldalon.hangminősége....hát kb ilyenre számitottam...viszont üzem közben az alaplapi tranyók nagyon hamar felforrosodtak, nemis használtam 1-2percnél tovább. szoval ha valaki tudna adni kapcsolási rajzot azt megköszönném: kb DC 50V asz18 + sft214 2n2904, bfy-46 Esetleg még arra gondoltam, hogy alkalmas lenne e szubláda erősítőnek (hidalva talán), ha kicsit feljavitom, vagy szerintetek felejtsem el?!
Az utóbbi. ASZ1018, vagy valami hasonló tranyó? Már a '70-es évek elejétől felejtős, mióta megjelent a 2N3055 (BD130). Ezekkel úgy 20W fölé nem nagyon lehet menni, de inkább 15W a felső határ. Építs a dobozába valami mást.
|
Bejelentkezés
Hirdetés |




) hozzá?









a baloldalon vmi zárlat van, ellenőriztem a kötéseket, de továbbra se megy ez az oldal, monjuk ezen asz18 as tranyok vannak, nem mint a másik oldalon.





