Fórum témák
» Több friss téma |
Fórum » Orion hs 280 - 282
Témaindító: rolandosss21, idő: Okt 23, 2007
Témakörök:
Sziasztok.
Nekem is van egy pár HS-280-as. Sajnos a magas és az egyik mély megunta magát, és nemhajlandó tovább szólni. Ezért arra gondoltam, haár ugyis csak egy hangfal az eredeti akkor, hogy ne legyen felemás igy vettem bele 1pár MNC dóm magas és 1pár Dibeise mélyközép hangszórót. Tudom ez igy már nem Orion de igy is szép a hangja, de talán az MD25 magas szebben szól, vagy nemtudom. Mivel ezek gyáriak voltak sose voltak szétszedve, és én vagyok az első aki belekukkantott a belselyébe, és igencsak elcsodálkoztam. 8 ohmos hangszórók vannak benne, de a hangválto 4 ohmra van tervezve, vagyis a kapcsi rajza szerint ami itt az oldalon is fenn van 4 Omos. Ez igy rendben van? Vagy pedig ezt előttem már valaki buherálhatt? Szerelési nyom vagy más ilyesmi nemlátszik rajta. A csavarok is elég nehezen jöttek ki. És ugy néztem a hangszórókon is eredeti a forrasztás. Szóval nemértem. Csatolok róla egy képet, hogy most hogyan néz ki. Az Orionhoz már köze sincs, már csak a közép árulkodik róla hogy valaha Orion volt. De nekem igy is nagyon tetszik.
Összecserélni dolgokat az orionnál sem volt tilos annakidején.
Egyébként eredeti állapotban is elég sok baja van a hangsugárzónak, de így... Hogy jutott eszedbe?
Keresgettem bele eredeti mélyeket sok helyen. 3000ft lett volna 1 db, a magas is 2000ft darabja, vagy kicsit kevesebb. Amik most vannak benne a mélyek voltak 2600ft/db a magas 990ft/db. Igy nekem jobban tetszik, és szerintem nemsokat változott a hangzás. Talán kkcsivel több lett a mély. Nekem tetszik, amugysem egy High-End cuccal hallgatom, csak egy Technics SU-V1X erösitöm van ami ugyebár nem tranyós hanem IC-s erősitő. Nekem bőven megfelel.
Javítani is lehet minden hangszórót.
Én csak annyit írtam, hogy rosszabb lett, mint az eredeti, pedig a HS-280-on rontani már művészet.
Miből gondolod hogy rosszab lett? Igazábol nemértem miért mondod hogy eredetileg is baja van ennek a doboznak?. Nem vagyok egy nagy HI-FI szakértő, de szerintem nemlett roszabb a hangja. Kinek mi a jó. Mert ahány ember annyi féle igény.
...de nekem akkor is az a frekvenciagörbe tetszik a legjobban az előlapon...
Summa summárum:azt mondom,ne pocskondiázzuk le a sárga földig ezt a hangsugárzót,függetlenül attól,rászolgált-e vagy sem.Mindenki,aki hifivel foglalkozik,pontosan tudja,mennyire jó ez a doboz.(vagy mennyire nem...) Hangminőségét tekintve bizony ezer baja van,de 30 évvel ezelőtt,az akkori kínálat ismeretében akár jó vételnek is nevezhettük.Vagy inkább elfogadhatónak...És akkortájt amúgy is alacsonyabb volt a hifi-kultúra színvonala,mintahogy kétségtelen;volt egyfajta kultusza is.Kérdés:megér-e még annyit,h egy valóban a hsz-ók átviteléhez illeszkedő váltóval kihozzuk belőle a maximumot??
Hát azért ekkora hibákat nem tudom, hogyan lehetett tolerálni akkoriban is. Ez nem pocskondiázás, ez a valóság.
Már maguk a hangszórók is tele vannak problémákkal, de a váltóval aztán annyit rontottak rajta az orionnál, amennyit csak lehetett. Szerintem rosszabbat már nehéz elképzelni. Kivéve, ha belenyúlsz, és valami kínai dómmal meg egy ezüstös mélyhsszel helyettesíted a benne lévőket.
A HS 280-asok hibáira van néhány kipróbált módszerem:
1- A Kábelt cseréd 2.5mm2-esre. Megjön a mély. 2- A közép hátsójára ragassz egy 10mm-es lapot fából.- a káros rezonanciák eltünnek. 3-A hanváltó kondijait cseréld minőségire mert már elöregedtek. 4- A mélyet cseréd kevlárra. Régen az SBX2030 bevállt ma az anyagot kispórolták, ezérz inkább a megbízható monacor SPH-200KE -t használnám. Az eredmény döbbenetes javulás! Persze lehet házilag turbózni: pont ma csináltam a mélyközépnek kevés a hangja amit a közepén lévő porvédő kicserélésével egy tojáshéjra a javulás meglepő, kb. 3-7dB a 300Hz-5Khz tartományban. Gitárhoz most pont ez kell nekem. A mély kb. maradt mert a levett, és feltett tömeg is kb.2g. Egyenlőre ennyi, mindegyik mod magában is jól hallható!
A hibrid jobb mint a diszkrét:
Mielőtt valaki leszarozná a japán hibrid IC-s megoldásokkat azoktól csak azt kérném szerezzen nekem olyan végtranzisztor párokat amik azokba kerültek. -A diszrét végchippek amik I=30A U= 150V, Ft=30MHz, három áramértéknél 5%-ra komplementer párba válogatva, I= 8A-nál B=60. Nekem egy beszerezhetetlen STK helyettesítéséhez kellene. Az MJL-ekből 2-2db gyengébb ezedményt ad. Kössz V L
A probléma csak az, hogy ma már egyik STK sem megbízható, mert főleg csak hamisat tudsz beszerezni.
Viszont egyik módosítás sem segít az eredeti bajon, a hangváltó hibáin.
Az SBX meg még rosszabb, mint az eredeti bolgár mélyközéphanngszóró volt, tehát inkább hanyagolni kell azt a cserét. Egyébként a membrán anyaga önmagában sermmit sem jelent, lényegtelen, hogy kevlár, vagy papír, csak az a fontos, hogy hogyan használják az alapanyagokat. Ezen múlik, hogy jó hangszóró lesz-e. A kábelt hiába variálod, ha az ávitel egyensúlya felborult a váltó miatt, egy kábelcserétől nem lesz jobb a mélytartomány. A középhsz légtere eleve csillapított, 1000-5000Hz-ig nem/alig rezonáns, csak a felső oktáv felé közeledve lesz az, azt sem a hátsó műanyagdoboz okozza, hanem a zárófedél, és a hibás anyagválasztás, a nem egészen hangszórónak való PE fólia. Kondenzárotokat lehet cserélni, ha épp elkók vannak az adott váltóban, de igazából amennyit javul az impulzusválasz az új fóliakondiktól, annyit romlik az átvitel a módosítással. A porvédő tojáshéjra cserélése nem érzékenységnövekedést eredményez, hanem új rezonanciákat visz be a rendszerbe, ettől nőhet a hangnyomás, de semmiképp nem 300Hz-től 5000-ig, sokkal szűkebb sávban szól. Ha így hallottad, akkor rosszul hallottad.
Ezzel a hangsugárzóval nagyon sokat "tréningeztem"anno,s az általad javasolt modifikációkat gyakorlatilag végrehajtottam.Ezekkel egyet is értek,kérdés;van-e olyan minőségű ez a láda,h az adott mod-ok szignifikáns(egyértelmű) minőségjavulást eredményezzenek(??)
Egyet azonban kivéve:az SBX hangszóró szerintem olyannira rossz,h a bolgár mély kiváltása erre a típusra egyértelműen tovább silányítja HS-ünk amúgy sem túl brilliáns hangminőségét.A monacor jobb választás lehet,de akkor már a magas-dómot is cserélni kellene jobbra...meg a közepet...meg a hangváltót...meg a... De akkor ez már nem orion lenne,hanem egy teljesen más(ik) hangsugárzó. A tojáshéj-dóm egyedi,és...hmm,-meglepő,de valószínűleg kiemelést/rezonanciát visz a rendszerbe.Speciel én nem tennék ilyet,de gitárnak akár előnyére is válhat.
Szerinted létezik olyan váltó,mellyel ebből a hangszórókészletből ki lehet hozni a maximumot? (függetlenül attól,h a kérdés mostmár okafogyottá vált)És persze azt is tudomásul kell venni,h a hangszórók okozta elszíneződésekkel amúgy sem nagyon lehet mit kezdeni...
Amit a HS280-al lehet/érdemes tenni átépítés terén, hogy a mélyközép gyári hibáit valakivel kijavíttatod, (pocsék felfüggesztés és kivezetőszál) utána pedig keresel mellé egy elfogadható magashangszórót, és kétutasként használod. Íg lehet a legjobb eredményt elérni ezekkel a hangszórókkal, a közép meg marad csak dísz, nincs nagy szükség rá.
A mélyközepet Monacorra cserélni sem éri meg sztem, azok i shasonlóan megbízhatatlanok bizonyos szempontból nézve, mint a SAL. Ami legközeleb áll az eredeti hangszóróhoz, az a TVM 200mm-es 6618 vagy hasonszőrű hangszórója, csak sajnos ehhez még kevésbé illeszkedik a gyári váltó. Szerk: A következő kérdésedre is nagyjából ez a válasz.
A közép-dóm sajátságos hangja(kukorékolása??)rendkívüli módon zavart annak idején.A doboz kétutassá alakítását a Hifi-magazin is megpendítette akkoriban,s valójában kézenfekvőnek is tűnik,talán egyetlen hátulütője lehet,h néhány decibellel csökkentheti a rendszer érzékenységét.
Halihó!
Valaki meg tudná mondani, hogy a hs 280 mélynyomónak mekkora az alsó freki határa? Szeretnék építeni belőle egy szub ládát, és ahhoz jó lenne egyáltalán? Előre is köszi a válaszokat
Az érzékenységhez nincs köze annak, hogy két vagy háromutas. Viszont megfelelő dóm magas kéne hozzá.
Eredeti állpotában mechnaikailag sem alkalmas rá, és a T-S is elég gyenge. Úgy 50Hz megoldható vele zárt dobozban.
És ha gumira cserélem a peremét?
Vagy egyáltalán nem is lenne alkalmas hozzá, még így se?
Az mindegy mire cseréled (mechanikai szempontból a pillével-ragasztásokkal is van gond, és az elektromos gyengélkedés oka, hogy a mágnes nagyon gyenge).
De hozzá való gumiszél amúgy sem kapható.
Szeva!
A mod-os hsz-ban ezt írod:"A közép hátsójára ragassz egy 10mm-es lapot fából.- a káros rezonanciák eltünnek". Ezt pontosan hogy érted? Hova ragasszak 10 es lapot?... és mekkorát? Itt is a méret a lényeg?
Mivel a rezonanciák nagy része a rosszul választott membránanyag miatt van, és mivel fullra ki van tömve vattával a membrán mögötti rész, a doboz műanyag fenekére ragasztott falapnak már túl sok szerep nem jut.
De azért próbáld ki.
Üdv!
Nemrég hurcoltam haza az új szerzeményeim. 1pár HS280 keméyn 2000ft ért a helyi lomcsiból! Tökéletesen működik! Mondjuk egy felújjítás rájuk fér.
Ezer ft-ot mindenképpen megér darabja.
Külsőleg egy kis szilikon-spraly csodát művelne...
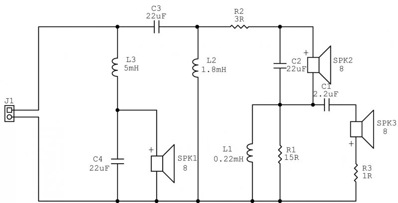
Én vállalkoztam a lehetetlenre: CSINÁLTAM HOZZÁ EGY VÁLTÓT!!!
! ! ! FONTOS ! ! ! Szedd szét a dómokat és finoman tömd meg őket lazán vattával. Éppen annyival, amennyi még csillapítja kissé a membránokat!
Jézusom.
A dómok mebránjához meg sem vattának sem semminek nem szabad hozzáérni..
Ez a váltó érdekes... a gyakorlatban nem szokásos a magas,-és középmeghajtó ilyen jellegű kapcsolása,de amúgy működik.Ha még lenne orionom,ki is próbálnám.
HA LENNE...
gyakorlatilag kicsit majdnem sorosváltó utánérzés, de a magas és középhsz váltása így sztem elég problémás, az x-freki és a magashsz hangnyomásának csillapítása körül lehetnek gondok így első ránézésre.
|
Bejelentkezés
Hirdetés |




Ezért arra gondoltam, haár ugyis csak egy hangfal az eredeti akkor, hogy ne legyen felemás igy vettem bele 1pár MNC dóm magas és 1pár Dibeise mélyközép hangszórót. Tudom ez igy már nem Orion de igy is szép a hangja, de talán az MD25 magas szebben szól, vagy nemtudom. 
Hogy jutott eszedbe?


1pár HS280
Tökéletesen működik!
Külsőleg egy kis szilikon-spraly csodát művelne... 





