Fórum témák

» Több friss téma
Fórum » Elektronikában kezdők kérdései
- Ez a felület kizárólag, az elektronikában kezdők kérdéseinek van fenntartva és nem elfelejtve, hogy hobbielektronika a fórumunk!
- Ami tehát azt jelenti, hogy a nagymama bevásárlását nem itt beszéljük meg, ill. ez nem üzenőfal!
- Kerülendő az olyan kérdés, amit egy másik meglévő (több mint 17000 van), témában kellene kitárgyalni!
- És végül büntetés terhe mellett kerülendő az MSN és egyéb szleng, a magyar helyesírás mellőzése, beleértve a mondateleji nagybetűket is!
Lapozás: OK   434 / 4059
(#) wg_kezdo válasza Frankye hozzászólására (») Márc 2, 2009 /
 
Az a pisztolyos? (Az is van, csak nem tudom hogyan viszonyul hozzá a tic-tac-os doboz, de abból van jó sok, kipróbálom.

mex:
Azt másra id tudom használni, az epoxy sem olcsó, de a repülőm ragasztásához kell így az a pár csepp nem érdekes.
Nem azért mintha összetörném a repülőmet állandóan.......
(#) brezinajanika válasza watt hozzászólására (») Márc 2, 2009 /
 
Köszöntem Tudsz ajánlani valami jót?Nem kell nagy áram.Elég lenne1-2A.
(#) brezinajanika válasza brezinajanika hozzászólására (») Márc 2, 2009 /
 
Na találtam is egyet ami egyenlőre jó lenne Bővebben: Link
Ide az van írva: " Fényképeken nem 2N3055 látható hanem BD249, mert azt egyből a nyákba lehet ültetni."
Használhatok helyette bd249-et?Bár a 2n3055höz terveztem bordát olyat ami itthon van...

borda.JPG
    
(#) watt válasza brezinajanika hozzászólására (») Márc 2, 2009 /
 
Hát a borda nem a BD-nek van előkészítve de bizonyára fel lehet szerelni rá. Én a 2N3055-öt ajánlom 3A-ig, mert az bírja(nekem is az van benne).
Ha BC141 helyett BD137-et teszel, akkor 3A-ig el lehet menni. Az R8 helyett 0.11ohm-ot tegyél úgy, hogy két 5W-os 0,22ohm-ot teszel párhuzamosan. A trafódnak bírnia kell a 3..4A-t. Fontos, hogy letekerd 30..32V váltófeszre, mert különbem túl sok maradna a tranyón, és nagyon melegedne. A hűtőbordát is növeld meg 3szorosára, vagy tegyél rá egy ventit(bár én nem szeretem ha zörög és amúgy is elromolhat).
(#) watt válasza watt hozzászólására (») Márc 2, 2009 /
 
Most néztem, hogy a BD137 már nemigen kapható, de jó helyette a BD139, vagy a BD237...
Esetleg egy jó megoldás, ha a darlington kapcsolás helyett, egy darlington tranyót tennél, ami TO-3-as tokozású. Ilyen ide alkalmas példány az MJ11032.
(#) Balaa16 hozzászólása Márc 2, 2009 /
 
Sziasztok! Azért hoztam létre ezt a témát, hogy a kicsi szaktudásúak is hozzá tudjanak szólni a dolgokhoz. Itt ne legyen szó PIC-ekről! Várom az áramköröket!
üdv: Balázs
(#) brezinajanika válasza watt hozzászólására (») Márc 2, 2009 /
 
Ez erősítőben volt és 2 kimenete van 30V meg 40 V valami 150Watt ment róla a 30V-os ágával nem is akarok nagyon feljebb menni 1Ampernél,mert sajnos a kereteim nemigen engedi meg az új trafó vételét .
A bordát a 2n3055-nek terveztem
(#) Árpy válasza Balaa16 hozzászólására (») Márc 2, 2009 /
 
Kissé szükségtelennek érzem ezt a topicot. Nem megsérteni akarlak, de ott van a Kezdő kérdések című topic.
Üdv, Arpy
(#) kiskacsa2009 válasza SzervízMacska hozzászólására (») Márc 2, 2009 /
 
Nyugi nem úgy értettem, csak nekem halvány lila rézfúvós mélyhegedű szólamom sincs arról, hogy hogy lehet ilyet varázsolni.
örülök ha felkapcsolom a lámpát, és nem kell hozzányúlni ahhoz hogy világítson
(#) watt válasza brezinajanika hozzászólására (») Márc 2, 2009 /
 
Ahogy gondolod. Jól működne nagyobb áramokkal is, nekem 3A-es. Sok sikert a megépítéshez!
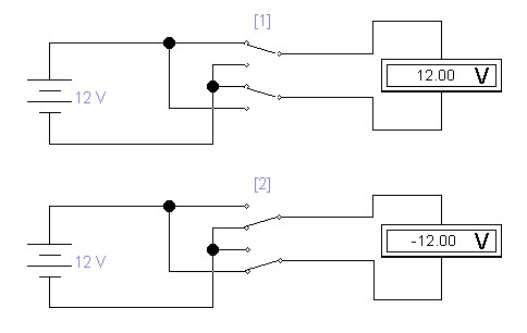
(#) Balaa16 hozzászólása Márc 2, 2009 /
 
Én csináltam egy áramkört, ami a polaritást változtatja.
Nincs benne PIC, csak két egyenirányító

áramkör.gif
    
(#) Balaa16 válasza Árpy hozzászólására (») Márc 2, 2009 /
 
Igen, de én itt nem kérdéseket várok, hanem áramköröket.
(#) zoly15 válasza Balaa16 hozzászólására (») Márc 2, 2009 /
 
Juj, BMP ezért kapni fogsz
És majdnem 2mega egy kép
(#) Moderátor hozzászólása Balaa16 hozzászólására (») Márc 2, 2009
 
Balázs!
Ez már a harmadik figyelmeztetésed, rövid időn belül. Egy kicsit olvass mielőtt bármibe belevágsz. Figyeld és tanuld meg a fórum működését, szabályait!
(#) AMD válasza Balaa16 hozzászólására (») Márc 2, 2009 /
 
Jól látom hogy amint bekapcsolod valamelyik kapcsolót akkor a diódával zárod a tápot?
(#) bladika válasza Balaa16 hozzászólására (») Márc 2, 2009 /
 
Az a probléma, hogy van már kezdős topik, a másik, hogy felraksz ide egy "kapcsolást" ami csak úgy kipattant a fejedből, de ki nem próbáltad! Mert az úgy rossz ahogy van! És ide jön a kezdő, mert miért ne tenné és megépíti aztán meg csodálkozik, hogy mi van!

Ha kezdő vagy akkor azt tanácsolom, inkább kérdezz, olvass sokat, ne nyiss külön témát és ne írj olyanokat amikről nincs fogalmad!

Én sem értek rengetek mindent, én is sok témában kezdő vagyok, de akkor abban csak kérdezek és tanulok!
(#) Collector válasza proli007 hozzászólására (») Márc 2, 2009 /
 
Nem probléma, most kiderült, hogy mérni kellett volna előző labor alkalmával, de nekem akkor a tanár azt mondta, hogy azt számolni kell, így hát nem mértem. Ma meg kijelentette, hogy azt márpedig mérni kellett volna.
Az ilyennek egyszer eltöröm az állkapcsát, és megmondom neki, hogy szólnia kellett volna, hogy ne tegyem.
(#) Axel hozzászólása Márc 2, 2009 /
 
Sziasztok!

Előre is elnézést kérek ha volt már hasonló kérdés mostanában. Azt szeretném megtudakolni tőletek, hogy milyen könyvet, szakirodalmat (a hobbielektronika oldalon kívül persze) ajánlanátok nekem ahhoz, hogy képet kapjak az elektronika alapjairól? Olyanra volna igazából szükségem ami alapos magyarázatokkal segítene abban, hogy stabil, ismereteket szerezzek, magabiztosnak érezzem magam. Egyelőre úgy gondolom, hogy olyasmi volna a megfelelő ami az elemi ismereteken keresztül vezetne el az egyszerű áramkörök megépítéséig, s önállóan is jól tudnék haladni vele (nincsen segítségem sajnos). Ugyan vannak bizonyos alapismereteim de ezek elmélyítésre szorulnak. Nem muszály, hogy a könyv új kiadás legyen de azért a benne szereplő kapcsolások elemei még jórészt elérhetőek legyenek az üzletekben.

Köszi!
(#) zoly15 válasza Axel hozzászólására (») Márc 2, 2009 /
 
Én a Hobbielektronika C könyvvel kezdtem
Többek közt így találtam rá az oldalra..

Üdv!
(#) El_Pinyo válasza Axel hozzászólására (») Márc 2, 2009 /
 
Szia!
Megkönnyíthetnéd a saját helyzetedet, ha használnád az oldal keresőjét ! Mivel látom, hogy új vagy a fórumon, segítek a keresésben.

Kezdők könyvtára - Könyvajánló
Könyvek, újságok
Üdv.
(#) Action2K válasza Axel hozzászólására (») Márc 2, 2009 /
 
Szia! Üdvözlünk körünkben!
Itt a HE-n olvasgasd a cikkeket, vannak kezdőknek való is, s ebben a topikban kérdezhetsz, azért vagyunk.
Idézet:
„nincsen segítségem sajnos”
Mondom azért vagyunk. Az adatlapodból nem derül ki, merre laksz (város)?
Egyébként ahogy gg630504 megfogalmazta egy hozzád hasonló kezdőnek:
Idézet:
„Késtél negyed évszázadot...”

Sajnos ma már ez nem
Idézet:
„divat”
, mármint az amatőr rádiózás, elektronikázás. Ma már ez szenvedély S egyre kevesebb a megszállottja, ezért is örülök, he bővül a táborunk.
Ez okból a nyomtatott szakirodalmat egyre nehezebb beszerezni, de szerencsére van scanner, s ennek hála (meg a lelkes használóinak) egyre több minden megtalálható a neten.
(#) uli hozzászólása Márc 2, 2009 /
 
Sziasztok!
Újra elvetemült kérdéseimmel zaklatnálak titeket.
Kaptam egy rossz energiatakarékost, kszedtem belőle a kapcsitápot. A kérdésem az lenne: Ráköthetek-e erre egy 8Wos fénycsövet? ( a fénycsőről annyit kell tudni, hogy 24VACról ment, de volt előtte egy kisebb kapcs.táp, de bedöglött) Szeretném még használni azt a fénycsövet, ezért gondoltam összekötöm a kettőt. Megtehetem? Nem lesz belőle gond? Köszönöm: uli
(#) Action2K válasza AMD hozzászólására (») Márc 2, 2009 /
 
Jól látod, én is ezt látom. De minek ide dióda? Egy darab két-áramkörös váltókapcsoló vagy relé és már kész is!

polar.jpg
    
(#) Action2K válasza uli hozzászólására (») Márc 2, 2009 /
 
Ha megfelelően teszed akkor igen.
(#) uli válasza Action2K hozzászólására (») Márc 2, 2009 /
 
Kössz Megyek is kipróbálom.
(#) nagy hoho válasza uli hozzászólására (») Márc 2, 2009 /
 
Helló !
És a rossz energiatakarékos hány wattos volt ? Olyan fénycsövet köthetsz rá. Feltéve ha jó az áramkőr mert általában az romlik el .
(#) Axel hozzászólása Márc 2, 2009 /
 
Köszi, a segítséget, a Hobbielektronika könyvet már nézegettem korábban is neten, szerintem meg is rendelem mostmár minél hamarabb, legfőbb ideje.
Kicsit elkéstem az sajnos igaz de bízom benne, hogy kellő kitartással még jórészt pótolhatom a lemaradásomat. Régóta nagy csodálója vagyok az elektronikának, szeretném ha végre nemcsak mint egyszerű használó lehetne közöm hozzá.
(#) uli válasza nagy hoho hozzászólására (») Márc 2, 2009 /
 
11Wos volt azt hiszem. De rákötöttem, nem működik. Talán majd máskor
uli
(#) Action2K válasza Axel hozzászólására (») Márc 2, 2009 /
 
Idézet:
„Kicsit elkéstem az sajnos igaz...”
de nem lekéstél! Sok sikert hozzá, Mi támogatunk!
(#) Grabovszky2 hozzászólása Márc 2, 2009 /
 
Szziasztok!

Lenne egy egyszerű kérdésem..
Egy kis 12v- os szivattyút szeretnék szabályozni..
Műszaki adatok:
Üzemi feszültség: 12 V/CD
Max. áramfelvétel: 1,0 - 1,5 A
Max. szállítási mennyiség: 10 l/min
Max. szállítási magasság: 5,7 m
Kábel hossza: 1 m
Méret: 38 x 140 mm

Nem is olyan régen vettem pár darab 1k ohmos A potmétert és kipróbáltam..
müködött rendben tudtam vele szabályozni a telyesítményt...
De itt felmerült bennem a kérdés, hogy rendben lesz-e ez így?
Nézegettem a kapcsolások között és találtam egy pwm szabályozást....


Na most az a kérdésem, hogy ezt nem lehetne-e valahogy másképp megoldani.
Mondjuk a lehető legegyszerűben!
Következő: »»   434 / 4059
Bejelentkezés

Belépés

Hirdetés
XDT.hu
Az oldalon sütiket használunk a helyes működéshez. Bővebb információt az adatvédelmi szabályzatban olvashatsz. Megértettem