Fórum témák

» Több friss téma
Fórum » PC táp átalakítás
 
Témaindító: kand, idő: Nov 13, 2005
Lapozás: OK   11 / 200
(#) Isti válasza atti212 hozzászólására (») Feb 22, 2009 /
 
az sztem nem visszacsatolás, hanem antiparallel dióda a bipoláris tranzisztorokkal, hogy a fordított feszültség azon keresztül menjen el. Fetek esetében el lehet hagyni, mert azokba bele van integrálva. Ha erre gondolsz... Továbbá ami a 1-1 lábról megy a tranzisztorok bázisára, azt sem kellene elhagyni, mert az meg a kondenzátort védi (ami a bázisnál van), és sztem a vezérlőjelet formálhatja...
(#) atti212 válasza Isti hozzászólására (») Feb 22, 2009 /
 
Ok. akkor azt a részt visszarakom. Most kipróbáltam már erősítő megy róla, de még melegszik kicsit. A kitöltési tényezőm az fixen 50 % on megy, az szted lehet gond, melegedés szempontjából?
Te mértél már ilyen tápban jeleket? Hogy hol milyen? Mert nekem a vezérlő trafónál és a végtranzisztorok vezérlésénél is durva csúnya jel van, de a főtrafón meg egész normális négyszög, picit kerek. Ez normális?
köszi a segítséget
(#) Isti válasza atti212 hozzászólására (») Feb 22, 2009 /
 
Nemrég tekertem át a sajátom, de még nem próbáltam ki.
Nem tudok mérni(nincs műszer- akadály), de tapasztalatom van egy pici...
Sztem a lágyindítást semmiképp sem szabad kihagyni (ezért nem indítottam még el) azaz megnézed a tl494 datasheetjét, és ott a dead time-n van a kondenzátor- ellenállás kombó. Na azt bele kell tenni, és jó értékre kell méretezni. (tinában utána tudsz számolni)

Mi melegszik amúgy? Mert a meghajtótranyóknak kell sztem, mivel nem nullátmenetnél kapcsolnak...

Szóval vedd azt, ha 200W-ot kiveszel belőle, akkor a bordát hűteni kell 8cm-s ventivel. (mint az alapkonstrukciónál) ha az önrezgését a rendszernek leviszed (fojtóval 40-50uH körül -Skoritól lestem) akkor be tudod lőni szkóppal + potival a frekit. Az a lényeg, egyezzen a kettő... szóval nézd azt hogy nullátmenetnél kapcsoljon 50%-os kitöltésen a tranyó.

Persze 50% az sok, deadtimével húzd le 45-re minimum. (lehet hogy egymásranyitnak)

Persze nincs gyakorlati tapasztalatom tápok terén, de sok ideje tanulmányozom a jószágokat, és izzadtam már kapcsolóüzem miatt...

Na de sztem azt is meg kéne nézni, hogy az áram milyen függvény szerint növekedik a trafón...
(#) Isti válasza Isti hozzászólására (») Feb 22, 2009 /
 
Amúgy hülye vagyok, mert nem kellene hozzá az a fránya 40-50uH, hanem jóval kevesebb is elég lenne... (az meg lehet megtalálható a trafó belső induktivitásában).

Skori fojtója Skori tájához való, ahol 100nF alatt vannak a rezonánskondik

(#) atti212 válasza Isti hozzászólására (») Feb 23, 2009 /
 
szia

Nem tettem a dtc-re lágyindítást, egyből majdnem teljes kitöltésen megy, de ezzel semmi gond. Hanem, m rábukkantam egy őrült nagy hibára, időközben megpusztult a 494, biztos a rövidzárvédelem próbálgatásánál, mert ott történetek események Egyik kimenetén nem jött kia jel, persze ettől működik a táp, csak nem normálisan. Kicseréltem, átnéztem mindent, ráméregettem jól működik. Beterheltem 125w tal majd 180 w tal, mindkét esetben 90 % volt a hatásfok, pedig az egyenirányitó diódák is melegednek.
Én még nem tekertem át a trafót, hanem az eredetit kötöttem be úgy, hogy a földpont az az eredeti maradt, viszont a graetzra a tekercsek két széle megy. Így kijön + / - 25 V. Persze még nem várok csodát tőle, de egy végfok már 1 órája üzemel róla, és nem is tünik rossznak.
Köszi az infókat.
(#) lidi válasza atti212 hozzászólására (») Feb 24, 2009 /
 
Gyárilag -12 és +12 a legnagyobb fesz ami kijon belőle ugye ? Visszacsatolássa megváltoztatásával lett ez felhúzva 25V-ra ? És a - ág is ugyanolyan vastaggal van tekerve a gyári trafón mint a + ?
(#) atti212 válasza lidi hozzászólására (») Feb 24, 2009 /
 
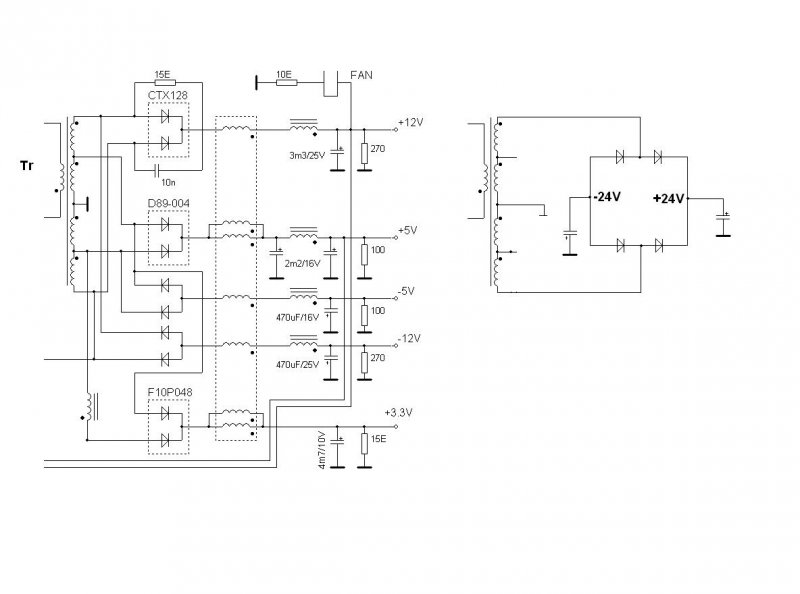
Nem a visszacsatolás felhúzásával oldottam meg, ennyit nem tudsz felhuzni. A trafó bekötését változtattam meg, meg kidobáltam sokminden felesleges dolgot, ami ehez a feszhez nem kell. Lerajzoltam, bal oldalon van ahogy a gyári táp csinálja a feszültségeket, (a negatív ágaknak nincs külön tekercsük, csak fordított az egyenirányítás így lesz negatív a fesz) szerintem a rajz mindent elmond. Persze a visszacsatolásom is meg van oldva optocsatolóval, rövidzárvédett mindkét tápág. Csak ezt még nem rajzoltam be gépbe.

táp.jpg
    
(#) lidi válasza atti212 hozzászólására (») Feb 24, 2009 /
 
Én nem látom a trafó bekötés megváltoztatását. Ugyanúgy a közepe a test, és a két 12V-os ág van felhasználva. Na mindegy is, a lényeg hogy nem kellett áttekerni a trafót. És a rajzból így már világos hogy miért is egyforma a tekercselés vastagsága. (nem egy tekercs van graetz-el egyenirányítva gyárilag, hanem középleágazásos megoldással 2 dióda elég)
(#) Isti válasza atti212 hozzászólására (») Feb 26, 2009 /
 
Amúgy még szerencse hogy megy a másik lába a Tl434-nek, mert anélkül már lehet hogy füst jönne ki a tápból

Nem a diódán spórolnak hanem a feszültségesésen ( ha jó szándékúak)
(#) atti212 válasza Isti hozzászólására (») Feb 26, 2009 /
 
Ment úgyis, hogy a 494 egyik kimenetén nem volt jel, szóval attól nem füstöl a cucc, csak hatásfok. . .meg minden egyéb. De mostmár jól dolgozik.
(#) atti212 hozzászólása Feb 27, 2009 /
 
Sziasztok!

Újabb pc tápos kérdéssel fordulok Hozzátok. Szerintetek nagy őrültség lenne a kapcsolótranyók duplázása? (hátsó szándékom teljesítmény duplázás, nagyobb trafó stb...) bekötöttem simán párhuzamba az eredeti tranyókkal két ugyanolyan tranyót, működik, de a 230 ba rakott soros izzót nem merem kivenni. Létezik h a vezérlés 2--2 tranyót is elhajt így simán? Köszi
(#) Isti válasza atti212 hozzászólására (») Feb 28, 2009 /
 
Sztem fetesre kell alakítani... Na azok párhuzamosíthatók egyszerűbben, de oda akkor bikább FET meghajtás kellene...

Tranyók- próba szerencse.

Én arra vagyok kíváncsi mennyi a fajlagos induktivitása a kimeneti toroidnak, mert jó lenne tudni, hogy kapcsolóüzemű cuccokhoz fel tudjam használni (nincs induktivitásmérőm, hangkarival meg nem akarok nekiesni...)
(#) atti212 válasza Isti hozzászólására (») Márc 1, 2009 /
 
Hello!

Közben kipróbáltam egy másik táppal, 400 w os volt gyárilag, először a saját tranyóival, de egy másik trafóval, amit már én tekertem meg. Azon lepődtem meg, hogy ebben a tranyók nem fűtöttek szinte semmit, terheétem kb 200 w-tal, levettem a hűtőbordát a tranyókról és így is simán ment a dolog, nem melegedtek, még nem volt egyenirányítás, ami nyilván okoz majd némi veszteséget, de mivel nekem majd ilyen + - 50-70 V kell majd így ez is keveset fog fűteni. Így 98 % ra jött ki a hatásfok. Aztán tranyók duplázása, csak simán belekötöttem az eredetiekre. Aztán kihuztam belőle 620 w ot, tovább nem mertem menni egyelőre, hatásfok így is megmaradt 98 %, lehet h nem hiszed, de nem kamuzok, nem lenne értelme.
(#) Isti válasza atti212 hozzászólására (») Márc 1, 2009 /
 
ez nagyon nagy így...

De azt hittem to-220-as tranyók vannak benne...

Ezek a nagyok akkor eléggé jó paraméterekkel dolgoznak...
Grat!

(egyik éjjelen én is beüzemelem az enyémet, csak egy másik tápról kell majd neki segédtáp- fránya érettségi)
(#) Isti válasza Isti hozzászólására (») Márc 1, 2009 /
 
Na éledezik a saját átalakított AT tápom.

Kikötöttem és kiforrasztottam mindent, ami feszültséget figyelt és/vagy kitöltésre hatással volt.

Külön tápot kapott a tl494 és a meghajtás. (Adapter)

Trafó áttekerve. (alig fért rá)

Egyenirányítás után nincs fojtó, csak két elkó 200V 220µF régi táp primer oldaláról

Amit produkál: 2x 63V teljes kitöltéssel, leterhelve 126V-on egy 230V-os 50W-os haló lámpával.

Még hosszabb ideig nem néztem, jó zajos lehet a kimenet



Amúgy milyen tranyók vannak a tieidbe Ati?
(#) atti212 válasza Isti hozzászólására (») Márc 2, 2009 /
 
Hello!

2SC 2625-ösek a nagy tranyók. Tedd be az eredeti fojtót, nekem az teljesen jó lett, erősítő megy róla simán, nem zajos. Mondják sok helyen, hogy meg se próbálj erősítőhöz kapcs tápot építeni mert az házilag ugyis rossz lesz, sípolni fog, meg a sok szöveg. Hát itt nem úgy tűnik De nagyon pöpec, hogy egy 600w os tápot be tudok tenni egy videokártya dobozába Majd légyszi mérj egy hatásfokot, mert az AT ból átépített tápom csak 90 % ("csak") -kal megy. Nem tudom, hogy a tranyók miatt, vagy a vezérlés, de majd kiderül, összecserélgetem a dolgokat, csak most nem nagyon van rá időm.
Esetleg ha szoktál msn-ezni, a címedet elküldhetnéd priv üziben. köszi
(#) Isti válasza atti212 hozzászólására (») Márc 2, 2009 /
 
Hát sajnos nincs AC árammérőm, de megoldom majd barátok segítségével. Ami nekem nem tetszik, hogy langyosodik a trafó

Nekem is erősítőhöz kell... De sztem vékony dróttal tekertem (ugyanolyan vastag, mint amiből a primer van, csak kettő-kettőt fogtam össze párhuzamosan a szimmetria érdekében). De gyanítom, hogy vékony lenne...

Eredeti maggal búgatsz át 600W-ot? Azt meg hogy?

(Tudom, kapcsolóüzemű táp- hangrendszerek- de kocsiba meg tökéletesen megfelel vagy mi?)
(#) (Felhasználó 12183) hozzászólása Márc 4, 2009 /
 
Sziasztok!
Lehet, hogy nem a legjobb helyen kérdezem, de nem találtam alkalmasabb topicot.
Van egy 350-es FSP tápom és ingadozik benne a feszültség, 12V-os ágon 11.50 és 12.50 között körülbelül. Mi okozhatja ezt a hibát? Milyen alktrészt kellene kicserélnem?
(#) Mester54 válasza (Felhasználó 12183) hozzászólására (») Márc 10, 2009 /
 
Terhelés van-e rajta közben? Az 5V ill. a 3,3V stabil?
Amennyiben igen akkor a kimeneti kondit (1-2000mikro)
cseréld ki.
(#) (Felhasználó 12183) válasza Mester54 hozzászólására (») Márc 13, 2009 /
 
Nincs terhelve közben. De csak ez az egy táp csinálja. 5V sem stabil, a 3.3-at nem néztem.
Honnan tudom meg, hogy melyik a kimeneti kondi?

(#) Mester54 válasza (Felhasználó 12183) hozzászólására (») Márc 13, 2009 /
 
Akkor meg kellene először nézned a bemeneti ~470mikrós kondikon mennyi a feszültség és egyforma-e? A stabil 5V(lila vez. ill. a zöld a PS-on vezetéken ingadozik-e a fesz.) Milyen IC(k) van benne mert pont ilyen nekem nincs, de akkor vmi. hasonló rajza alapján könnyeb lenne róla tárgyalni? Van olyan táp ami nem szereti a terhelés nélküli üzemmódot ezért egy 12V 5W vagy nagyobb izzóval terheld meg az 5V-os(piros) kimenetet és lehet hogy akkor már nem fog ingadozni.
(#) miki79 hozzászólása Márc 22, 2009 /
 
Szisztok!
Én szeretnék egy csendes tápot csinálni.
Ami abban merűl ki,hogy fel akarok szerelni a táp hűtőbordájára egy egyszerű kütyüt.Ami,egy megfelelő hőmérsékleten bekapcsolja a ventilátorjá.
Amúgy ventilátor nélkül hamar melegszik a táp?
Köszönöm a válaszokat!!!
(#) Isti válasza miki79 hozzászólására (») Márc 26, 2009 /
 
Melegszik bizony... Kis ideig menne simán venti nélkül is, de hosszabb távra (pár órára) mindenképp kell venti.

Van egy gyári megoldásom, NTC-s. Csak nem találom. Nem valami bonyolult cucc. Azt hiszem a hőmérséklet függvényében nő az átfolyó áram az NTC-n, ami egy tranzisztor bázisába folyik be. Ez a bázisáram vezérli a ventillátort. Tehát semmi schmitt kör, semmi relés bonyolultabb kapcsolás. És még a tranyónak hűtőzászlaja sem volt.
(#) ha1drp válasza Isti hozzászólására (») Márc 26, 2009 /
 
Nem is igazán a táp a gond, egy nagyobb borda is elég lehet, de a számítógép alaplapját, winchestert, illetve a egyéb perifériákat is ez a ventilátor hűti. Ha kiveszitek elég hamar tönkre megy a gép! Emiatt a hőfokvezérelt ventilátort is úgy kell beállítani, hogy mindenképpen legyen egy kis alapjárata.
(#) miki79 válasza ha1drp hozzászólására (») Márc 28, 2009 /
 
Hali!
De a procinak és a tápnak külön van a hűtője és azt mondjátok,hogy a táp hűtője hűti a procit is???
(#) KTobi válasza miki79 hozzászólására (») Márc 28, 2009 /
 
Részben. Az gondoskodik a ház levegőjének cseréjéről, különben nem érne semmit a procin a hűtő, mert nem csak a házban melegítené fel a levegőt. A wincheszteren nincs ventilátor, és azt is kell hűteni. Hogy a grafikust, északi hidat ne is említsem.
(#) miki79 válasza KTobi hozzászólására (») Márc 29, 2009 /
 
Én a számítógép oldalát leszoktam venni,e miatt.
Egyébbként ez használható erre...Bővebben: Link
(#) Góré88 hozzászólása Márc 31, 2009 /
 
Sziasztok!
Azt szeretném kérdezni, hogy egy PC-tápban lévő MJE13007 tranzisztort kicserélhetem-e IRFP460-asra?
Nem lesz-e pukkanás meg egyáltalán bekapcsolna-e a táp? Válaszokat előre is köszi!

GÓRÉ88
(#) lidi válasza Góré88 hozzászólására (») Márc 31, 2009 /
 
Te komolyan ki akarsz cserélni egy bipoláris tranzisztort fet-re ?!
(#) Góré88 válasza lidi hozzászólására (») Márc 31, 2009 /
 
Háát megpróbálkoznék vele. Vagy ez lehetetlen? Erősítőnél csak lazán kicseréltem és ugyan úgy megy már nagyon régóta, gondoltam PC táppal is lehetséges, vagy nem?
Következő: »»   11 / 200
Bejelentkezés

Belépés

Hirdetés
XDT.hu
Az oldalon sütiket használunk a helyes működéshez. Bővebb információt az adatvédelmi szabályzatban olvashatsz. Megértettem